Oszillatorschaltung
Eine Oszillatorschaltung ist ein elektronisch realisierter Oszillator (daher auch kurz Oszillator genannt) zur Erzeugung einer sinusförmigen Wechselspannung.[Anm. 1]

Es gibt unter anderem folgende Möglichkeiten, eine solche Schaltung aufzubauen:
- Oszillatoren mit L-C-Schwingkreis und einer Verstärkerstufe, meist für Hochfrequenz.
- Phasenschieber-Oszillatoren mit RC-Gliedern, die Sinusschwingungen erzeugen. Hierzu gehören auch die Wien-Brücken-Oszillatoren[1]
- Ringoszillatoren, aufgebaut aus digitalen Bauelementen.
- Quarzoszillatoren, deren hohe Genauigkeit und Stabilität durch atomare Mikrowellenresonatoren in sogenannten Atomuhren weiter gesteigert werden kann.
- Es gibt auch physikalische Effekte, bei denen elektrische Signale durch Bauelemente wie Gunndioden erzeugt werden, deren Kennlinie Bereiche mit negativem differentiellem Widerstand aufweisen. Damit lassen sich extrem einfach Schwingungen erzeugen.
Schwingungsbedingung
Rückgekoppelter Verstärker

Verstärker können mit einer geeigneten Rückkopplung zu einem Oszillator werden.[Anm. 2] Die Schwingungsbedingungen, die zunächst im Stabilitätskriterium von Barkhausen formuliert wurden, führen zu einer dauerhaften Schwingung an einem linearen rückgekoppelten Verstärker mit einer bestimmten Frequenz. Sie lauten anschaulich:
- Die Schleifenverstärkung muss für eine stabile Oszillation genau 1 sein.[2]
- Die Phasenverschiebung der Rückkopplungsschleife muss bei dieser Frequenz ein ganzzahliges Vielfaches von 360° betragen.
Im theoretischen Modell würde eine Schleifenverstärkung, die den Wert 1 auch nur geringfügig übersteigt, zu einem unendlichen Anwachsen der Schwingung führen. Damit der Oszillator eigenständig („von allein“) anschwingt, muss aber zunächst der Wert 1 überschritten werden (siehe Bild). Dieser Widerspruch führt zu Untersuchungen über das Anschwingverhalten und über das Abreißen der Schwingungen und wird durch entsprechende Kennlinien dargestellt. Man spricht auch von einem harten bzw. weichen Schwingungseinsatz. Den physikalischen Hintergrund bilden im Wesentlichen zwei Erscheinungen:
- Die Verstärkung hängt vom Arbeitspunkt ab und kann sich mit zunehmender Aussteuerung des Verstärkers vergrößern (harter Schwingungseinsatz) oder verkleinern (weicher Schwingungseinsatz).[Anm. 3]
- Bei großer Aussteuerung wird das verstärkte Signal (die Schwingung) begrenzt.
In der Realität ist die Amplitude beschränkt (die dem Verstärker von der Stromversorgung zugeführte Leistung ist endlich).
Beschreibung im Einzelnen
Rückgekoppelte Oszillatoren bestehen aus einem Verstärker und einem passiven, frequenzabhängigen Netzwerk. Der Verstärkerausgang speist den Eingang des Netzwerks. Der Ausgang des Netzwerks ist mit dem Verstärkereingang verbunden (Rückkopplung). Man kann in Gedanken die Rückkopplungsleitung auftrennen und erhält so an Stelle des geschlossenen Kreises eine Übertragungskette mit Eingang (E) und Ausgang (A). Für gleiche Verhältnisse wie beim geschlossenen Kreis muss die Phasenlage der Ausgangsschwingung (φ3) mit der Phasenlage der Eingangsschwingung (φ1) übereinstimmen (Phasenbedingung).
Wenn der Verstärker selbst eine Phasendrehung von 180° bewirkt und die Signallaufzeit Null ist, muss das Netzwerk zumindest für eine Frequenz eine weitere Phasendrehung um 180° bewirken, um eine Gesamtphasendrehung von 360° = 0° zu erzielen. Die frequenzabhängige Phasendrehung wird in einem Phasengangdiagramm dargestellt.
Beim Phasenschieberoszillator besteht das Netzwerk aus (mindestens) drei hintereinander geschalteten RC-Gliedern (Tief- oder Hochpässe). Bewirkt jedes dieser Glieder eine Phasendrehung von 60°, genügen drei RC-Glieder für eine Gesamtphasendrehung von 180°. Wenn der Verstärker nicht übersteuert ist, ist die erzeugte Wechselspannung sinusförmig.
Negativer Widerstand
Ein verlustbehafteter Schwingkreis kann durch ein Bauelement mit negativem differentiellem Widerstand, beispielsweise einer Tunneldiode oder Lambda-Diode, entdämpft werden und erzeugt dann Wechselspannung. Bedingung ist, dass der Gesamtwiderstand Null ist. Die für den Betrieb nötige Energie wird von einem externen Netzteil oder einer Batterie geliefert.[3] Ein solcher Widerstand mit fallender Kennlinie lässt sich auch durch Mitkopplung erzeugen.
Bei anderen Oszillatortopologien, welche beispielsweise auf der negativen Kennlinie wie der Relaxationsoszillator (s. u.) basieren, hat das Stabilitätskriterium keinen unmittelbaren Bezug.
Qualität
.png)
Die Qualität eines Oszillators wird generell nach der Stabilität von Amplitude, Frequenz und Phase beurteilt. Sind die Schwankungen nur statistisch beschreibbar, werden sie als Rauschen bezeichnet. Als eigenständiger Begriff ist hier nur das Phasenrauschen (Jitter) üblich, der die Empfindlichkeit eines Überlagerungsempfängers in unmittelbarer Nachbarschaft eines starken Signals kennzeichnet. Wichtig ist auch die Stabilität gegenüber Schwankungen der Temperatur und der Versorgungsspannung, wobei es markante Unterschiede gibt: Die Frequenz von Relaxations- und Ringoszillatoren reagiert sehr empfindlich auf Änderungen der Betriebsspannung. Bei Oszillatoren mit Resonanzkreis ist diese Abhängigkeit sehr gering und bei Quarzoszillatoren vernachlässigbar.
Ein weiteres wichtiges Kriterium beispielsweise bei Messgeräten ist die Genauigkeit, mit der die gewünschte Kurvenform erzeugt wird. Bei Sinusoszillatoren kann dies recht einfach durch den Klirrfaktor beschrieben werden. Obwohl primär für Sinusschwingungen gebraucht, gilt dieses Kriterium entsprechend auch für andere Signalformen.
Anwendung
Unmodulierte Oszillatoren werden eingesetzt, um die Taktfrequenz von Computern oder elektrischen Uhren zu erzeugen.
Bei modulierten Oszillatoren werden Amplitude, Frequenz oder Phase durch zusätzliche Bauelemente in gewissen Grenzen beeinflusst. Damit kann man durch Modulation Nachrichten übertragen. Diese wird verwendet, um
- Sprache, Musik oder digitale Daten durch Sendeanlagen drahtlos über große Entfernungen zu übermitteln;
- diese Sendungen durch Überlagerungsempfänger (die einen Oszillator enthalten) wieder hör- oder sichtbar zu machen (Radio, Fernseher, Handy);
- die Phasen von Oszillatoren miteinander zu synchronisieren (PLL);
- die Ton-Frequenzen in elektronischen Musikinstrumenten zu verändern.
Kategorisierung
Resonanzoszillatoren
Bei einem Resonanzoszillator wird die erzeugte Frequenz durch einen Schwingkreis, einen Schwingquarz oder einen Keramikresonator bestimmt. Der Resonanzoszillator liefert üblicherweise eine amplituden- und frequenzstabile Sinusschwingung.
Dazu gehört auch das Magnetron, obwohl es zugleich auch Laufzeitoszillator ist.
Hauptsächliches Anwendungsgebiet der Sinusoszillatoren ist die Funktechnik.
Stets wird darauf geachtet, dass der Resonator einen ausreichend hohen Gütefaktor besitzt, damit die Bandbreite des erzeugten Signals auf die enge Umgebung der Resonanzfrequenz beschränkt ist. Das verringert den Anteil der Oberwellen im Ausgangssignal, auch wenn das verstärkende Element, beispielsweise ein Transistor, übersteuert ist und eigentlich starke Oberwellen erzeugt. Resonanzoszillatoren liefern – im Gegensatz zu beispielsweise einem Wien-Robinson-Oszillator – auch ohne Amplitudenstabilisierung ein gut sinusförmiges Signal.
Laufzeitoszillatoren

Bei Laufzeitoszillatoren bestimmt die Laufzeit von Impulsen in bestimmten Schaltungsteilen die Schwingungsdauer und damit die Frequenz. Als Beispiel dient hier der Ringoszillator mit seiner Inverter-Kette. Aber auch Oszillatoren wie das Reflexklystron und ein Gunndiodenoszillator zählen zu dieser Kategorie, obwohl beide Schwingkreise besitzen. In Phasenschieberoszillatoren wird die Signallaufzeit durch RC-Glieder erzeugt. Es gibt einen Überlappungsbereich zu den Relaxationsoszillatoren, weil die dort zeitbestimmenden RC-Glieder auch als Laufzeitglieder angesehen werden können. Die Frequenzstabilität ist generell eher mittelmäßig.
Relaxationsoszillator
Ein Relaxationsoszillator ist ein Kippschwinger. Er ist kein Oszillator im engeren Sinne, da er normalerweise keine Sinusschwingung erzeugt. Die Frequenz wird typischerweise durch Entladungsvorgänge eines Kondensators in einem RC-Glied bestimmt. Bei Erreichen eines bestimmten Werts der Kondensatorspannung wird die Ausgangsspannung umgeschaltet (sie „kippt“) und der Kondensator wird wieder aufgeladen. Die bekanntesten Schaltungen sind Multivibrator und Kippschwinger. An geeigneten Punkten der Schaltung können Rechteck- oder Dreieckschwingungen abgegriffen werden. Da neben einem RC-Glied auch noch die Schwellenspannung der beteiligten Kippstufe die Stabilität beeinflusst, sind Relaxationsoszillatoren wesentlich instabiler als Resonanzoszillatoren und können deshalb in der Funktechnik nicht eingesetzt werden. Diese leichte Beeinflussbarkeit wird bei elektronischen Sirenen oder in der digitalen Messtechnik beispielsweise bei Spannungs-Frequenz-Wandlern ausgenutzt.
| Einteilung von Oszillatorschaltungen | |||
|---|---|---|---|
| nach Prinzip | nach Signalform | nach Namen des Erfinders | nach Verwendungszweck |
|
| ||
Oszillatorschaltungen mit Differenzverstärkern
Moderne Oszillatoren vermeiden die Nachteile der vor etwa 100 Jahren erfundenen klassischen Oszillatorschaltungen (wie Meißner-Schaltung, Hartley-Schaltung, Colpitts-Schaltung), die bei ungünstiger Dimensionierung der Bauelemente unerwünschte parasitäre Schwingungen auf einigen Gigahertz erzeugen können, zu tieffrequenten Kippschwingungen neigen, oder eine merklich von der Sinusform abweichende Schwingungsform besitzen.
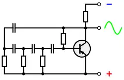
Eine mögliche Schaltung verwendet einen Differenzverstärker mit zwei Transistoren und zeichnet sich durch sehr gutmütiges Verhalten aus (siehe Differenzverstärker-Oszillator). In den untenstehenden Bildern ist eine Variante mit NPN-Transistoren dargestellt, mit der sich – abhängig von den Daten des Schwingkreises – ohne Änderung anderer Bauelemente Frequenzen im Bereich 0,05 MHz bis 40 MHz erzeugen lassen. Bei der anderen Schaltung wurden PNP-Transistoren verwendet und die Werte der Bauelemente für Frequenzen im Bereich 1 Hz bis 500 kHz dimensioniert. Bei dieser Schaltung ist der Schwingkreis auf Null-Potential, was für manche Anwendungen vorteilhaft ist (im Regelfall ist der Minuspol Bezugspunkt für alle Messungen).
Die spektrale Reinheit der erzeugten Schwingung wird besser, wenn die Rückkopplung so schwach ist, dass sie für ein sicheres Anschwingen gerade ausreicht. Bei Differenzverstärkern setzt die Amplitudenbegrenzung auch sanfter ein als bei anderen Oszillatorschaltungen. Das verringert den Oberwellengehalt.
Siehe auch
- Oszillator (Abschnitt Oszillatoren in der Elektronik)
- Signalgenerator, Synthesizer
- Low Frequency Oscillator (LFO)
- Schwebungssummer
- Variable Frequency Oscillator (VFO), Voltage Controlled Oscillator (VCO)
Weblinks
- Eckart K. W. Moltrecht: Kapitel 7: Oszillator und Hochfrequenzverstärker. In: DARC-Online-Lehrgang Technik Klasse A. Deutschen Amateur-Radio-Club e. V., abgerufen am 18. September 2006 (Oszillatorschaltungen mit Erklärung).
- Klaus Wille: Oszillatoren und Multivibratoren. (PDF; 1,1 MB) In: Vorlesung „Elektronik“ Teil 2. Technische Universität Dortmund, Fakultät Physik, 3. Januar 2005, S. 156ff., archiviert vom (nicht mehr online verfügbar) am 13. März 2014; abgerufen am 19. Januar 2012.
Literatur
- U. Tietze, Ch. Schenk: Halbleiter-Schaltungstechnik. Springer, Berlin 2002, ISBN 978-3-540-64192-6.
Anmerkungen
- ↑ In „Fachkenntnisse Elektrotechnik“ vom Verlag Handwerk und Technik, sowie bei Tietze/Schenk werden Oszillatoren durchweg als Sinusschwingungserzeuger bezeichnet, astabile Kippstufen hingegen als Signalgeneratoren. Da „generieren“ erzeugen bedeutet, oscillare jedoch schaukeln, wäre der geeignete Obergriff „Signalgeneratoren“. Mangels eindeutiger Klärung wird zurzeit in der Wikipedia „Elektrischer Oszillator“ als Oberbegriff benutzt. Rechteckgeneratoren und dergleichen könnten also auch von den Oszillatoren thematisch getrennt werden.
- ↑ Die Schwierigkeit liegt hier in dem Wort „geeignet“. Mit deutlicher Übertreibung formulierten Praktiker: „Ein Oszillator schwingt nie, ein Verstärker immer.“
- ↑ Nichtlineare Eigenschaften des Verstärkers können dazu führen, dass sich an einem Kondensator eine Spannung aufbaut, die den Arbeitspunkt so weit verschiebt, dass die Schwingungen abbrechen. In so einem Fall können (sinusförmige) Schwingungen entstehen, die mit Kippschwingungen (Relaxationsschwingungen) moduliert sind. Das einfache lineare Modell genügt deshalb in der Praxis nicht, um einen Oszillator hinreichend zu beschreiben.
Einzelnachweise
- ↑ Wien-Brücken-Oszillator ( vom 10. Juni 2007 im Internet Archive) (PDF; 65 kB)
- ↑ Kent H. Lundberg: Barkhausen Stability Criterion., 14. November 2002 (englisch)
- ↑ Oscillations and Regenerative Amplification using Negative Resistance. ( vom 28. Januar 2018 im Internet Archive) (PDF; 362 kB)