Seiler-Oszillator

Der Seiler-Oszillator, auch Seiler-Schaltung genannt, ist eine elektronische Schaltung zur Erzeugung einer periodischen Wechselspannung (Sinusschwingung). Veröffentlicht wurde die Schaltung 1941 von E. O. Seiler.[2]
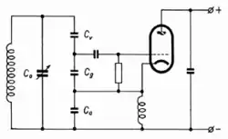
Der Seiler-Oszillator ist eine Variante des Clapp-Oszillators, welcher wiederum eine Variante des Colpitts-Oszillator ist. Die Colpitts-Schaltung ist die originale kapazitive Dreieckschaltung und enthält eine Induktivität und zwei Kondensatoren als frequenzbestimmende Bauteile. Die Clapp-Schaltung unterteilt die Induktivität in eine Reihenschaltung von Kondensator und Induktivität. Die Seiler-Schaltung enthält einen weiteren Kondensator parallel zur Induktivität. Beim Clapp liegt der variable Kondensator in Reihe zur Induktivität, beim Seiler liegt der variable Kondensator parallel zur Induktivität.
Im nebenstehenden Prinzipschaltbild gehören die Bauteile Cg, Ca und die Induktivität zur Colpitts-Schaltung. In der Clapp Variante kommt das Bauteil Cv dazu und in der Seiler Variante noch das Bauteil Co.
Literatur
- Jiri Vackar: LC Oscillators and their Frequency Stability. In: Tesla National Corporation (Hrsg.): Tesla Technical Reports. Tesla National Corporation, Prag Dezember 1949 (Fig. 3 zeigt Seiler-Oszillator).
- Wes Hayward: Radio Frequency Design. American Radio Relay League, 1994, ISBN 0-87259-492-0.
- Tietze, Schenk: Halbleiter-Schaltungstechnik. 14. Auflage. Springer, 2012, ISBN 3-642-31025-7.
Einzelnachweise
- ↑ Patent US2706249: Stabilization of resonant circuits. Angemeldet am 10. Februar 1950, veröffentlicht am 12. April 1955, Anmelder: Tesla National Corporation, Erfinder: Jiri Vackar (Fig.1 zeigt Seiler Oszillator Schaltbild als prior art).
- ↑ E. O. Seiler: A Low-C Electron-Coupled Oscillator. In: QST. Nov. 1941 (worldradiohistory.com [PDF]).