Kippschwinger
Ein Kippschwinger ist eine Oszillatorschaltung, genauer ein Relaxationsoszillator, in der ein Energiespeicher wie beispielsweise ein Kondensator fortwährend geladen und in Kombination mit einem Bauelement mit fallender Kennlinie, wie einer Glimmlampe oder Unijunctiontransistor, entladen wird und dadurch eine Kippschwingung (Sägezahnschwingung) erzeugt wird. Durch zusätzliche Schaltungsteile wie analoge Komparatoren können weitere Schwingungsformen wie die Rechteckschwingung abgeleitet werden.
Geschichte


Erste Kippschwinger gehen auf Arbeiten aus Anfang der 1920er Jahre zurück.[1][2] Dabei wird eine Glimmlampe parallel zu einem Kondensator C geschaltet und über einen Widerstand R von einer Gleichspannungsquelle gespeist. Es entsteht das für diese Schaltung typische Sägezahnsignal. Da es sich bei der Anordnung von Widerstand und Kondensator um ein Integrierglied[3] handelt lässt sich durch Umkehrung der Anordnung von R und C ein Differenzierglied bilden mit welchem Nadelimpulse erzeugt werden.
Die Funktion ergibt sich aus dem negativen differentiellen Widerstand der Glimmlampe zwischen A und B: Zunächst ist die Schaltung im Grundzustand und der Kondensator entladen. Er wird über den Widerstand langsam aufgeladen, bis die Spannung das Niveau im Punkt A der Kennlinie erreicht. Bei diesem Punkt setzt die Glimmentladung ein, die Glimmlampe leuchtet, und der Strom durch die Glimmlampe springt auf einen Wert, der dem Punkt C entspricht. Nach sehr kurzer Zeit sinkt die Kondensatorspannung auf den Wert B. Der Widerstand ist so hoch dimensioniert, dass der Dauerstrom für Punkt B nicht ausreicht. Die Glimmentladung in der Lampe erlischt und die Lampe wird hochohmig (Sprung zu Punkt D). Anschließend wird der Kondensator wieder über den Widerstand bis zum Erreichen der Spannung in Punkt A aufgeladen.
Dieser Zyklus läuft periodisch ab und lässt die Glimmlampe blinken. Je nach Typ Glimmlampe und der Dimensionierung der Bauelemente lassen sich unterschiedliche Blinkfrequenzen realisieren. Die Periodendauer t bestimmt sich mit den Bauelementewerten R und C zu:
mit der Zündspannung im Punkt A und der Haltespannung der Glimmlampe im Punkt B. Die Versorgungsspannung muss höher als die Zündspannung sein.
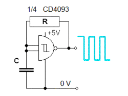
Elektronische Schaltung
Statt einer Glimmlampe kann in elektronischen Schaltungen jedes Bauelement mit einer negativen Kennlinie, das ist der fallende Kennlinienabschnitt zwischen den Punkten B und A in der Glimmlampenkennlinie, wie Relaisröhren, Diacs[4] oder Unijunctiontransistoren in Verbindung mit einem Energiespeicher und geeigneter Dimensionierung als Kippschwinger eingesetzt werden. Relaisröhren und die später entwickelten Unijunctiontransistoren wurden durch integrierte Schaltungen wie den invertierenden Schmitt-Trigger abgelöst. Eine fallende Kennlinie kann außerdem durch Mitkopplung erzeugt werden.
Zunächst sei der Kondensator C ungeladen. Dann ist die Ausgangsspannung des Schmitt-Triggers + 5 V. Der Kondensator wird über den Widerstand R aufgeladen und wenn die obere Schaltschwelle des Triggers (etwa 3 V) überschritten ist, kippt die Ausgangsspannung auf 0 V und der Kondensator wird über den Widerstand entladen. Nach kurzer Zeit ist die untere Schaltschwelle unterschritten, der Ausgang springt wieder auf + 5 V, und die Periode beginnt von vorne. Am Kondensator entsteht ein nahezu dreieckförmiger Spannungsverlauf, am Ausgang des Schmitt-Triggers kann ein rechteckförmiger Spannungsverlauf abgenommen werden.
Weitere elektronische Kippschwingerschaltungen basieren auf dem weit verbreiteten IC NE555.
Ein direkter Verwandter nach dem Funktionsprinzip ist der Multivibrator, der als zwei zusammengeschaltete Kippschwinger interpretiert werden kann.
Weblinks
Einzelnachweise
- ↑ Stephen Oswald Pearson, Horatio Saint George Anson: Demonstration of Some Electrical Properties of Neon-filled Lamps, Proceedings of the Physical Society of London, Band 34, Nr. 1, Dezember 1921, Seiten 175 – 176 doi:10.1088/1478-7814/34/1/435
- ↑ Patent GB201374: Improvements in advertising and display apparatus. Angemeldet am 5. Juni 1922, veröffentlicht am 2. August 1923, Anmelder: Frederick Walter Baynes, Stephen Oswald Pearson.
- ↑ Impulsformerstufen: Differenzierglied/Integrierglied. Abgerufen am 26. Juli 2024.
- ↑ LED blinkt an Netzspannung ( des vom 9. Juli 2018 im Internet Archive) Info: Der Archivlink wurde automatisch eingesetzt und noch nicht geprüft. Bitte prüfe Original- und Archivlink gemäß Anleitung und entferne dann diesen Hinweis.