Unijunctiontransistor
.svg.png)
.svg.png)
Der Unijunctiontransistor (Abkürzung: UJT), oft auch Doppelbasisdiode genannt, wurde 1953 in den Bell-Laboratorien entwickelt[1]. Dieses Bauelement ist in der Elektronik ein Hybrid aus Diode und Transistor, ähnelt allerdings in mancher Hinsicht, wie auch der programmable unijunction transistor (PUT), einem Thyristor.
Aufbau und Funktionsweise
Ähnlich wie ein normaler Bipolartransistor hat der Unijunction-Transistor drei Anschlüsse, im Gegensatz dazu aber nur einen pn-Übergang (engl. unijunction, dt. „eine Sperrschicht“), wie eine Diode. In der Praxis verhält er sich wie eine gesteuerte Diode, die man trotz gleichbleibender Polarität der angelegten Spannung sperrend oder leitend machen kann. Wegen der beiden B-Anschlüsse wird der UJT auch als „Doppelbasisdiode“ bezeichnet.
Legt man an den Emitter eine gegen die Basis B1 kleine positive Steuerspannung, dann passiert zunächst nichts. Erhöht man die Steuerspannung weiter, dann bricht bei einem bestimmten Potenzial die Spannung UEB1 schlagartig zusammen, gleichzeitig springt der Emitterstrom auf einen bestimmten Wert, der UJT hat gewissermaßen „durchgezündet“. Dieses Verhalten ist dem eines Thyristors sehr ähnlich. Gelöscht wird der UJT erst bei unterschreiten eines bestimmten Emitterstroms. Die genauen Zünd- und Haltestromwerte sind maßgebliche Kenngrößen eines UJT, der dem jeweiligen Herstellerdatenblatt entnommen werden kann. Den höchsten Punkt der UEB1-IE-Kennlinie nennt man Höckerpunkt. Der tiefste Punkt heißt entsprechend Talpunkt mit den Bezeichnungen Ut und It. Zwischen Höckerpunkt und Talpunkt besitzt die Kennlinie einen negativen differentiellen Widerstand. Ein langsames Durchfahren der Kurve, wie beim normalen Transistor, ist beim UJT nicht möglich.
Der Unijunctiontransistor ist eine Entwicklung aus den Anfangszeiten der Halbleitertechnik. Seine Anwendung blieb auf wenige Sonderfälle beschränkt, und spätestens mit Aufkommen der integrierten Schaltung galt dieser Transistortyp als überholt. Ein typischer Vertreter des UJT ist der 2N2646, der von verschiedenen Herstellern angeboten wurde.
-
Halbleiter-struktur -
Diodenersatzschaltbild -
Kennlinie -
Die eines Unijunctiontransistors
Anwendung

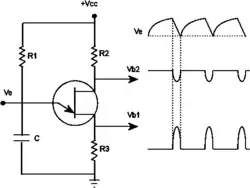
In der analogen Schaltungstechnik wurde der UJT als zentraler Bestandteil von Sägezahngeneratoren (Kippschwinger), mit einem Kondensator am Emitteranschluss eingesetzt. Ebenfalls kann man mit ihm Thyristoren und Triacs ansteuern. Seine heutige praktische Bedeutung ist allerdings gering, er wurde in den letzten Jahren weitgehend durch integrierte Halbleiterschaltungen wie den NE555 ersetzt.
Weblinks
Einzelnachweise
- ↑ Hans-Joachim Fischer, Wolfgang E. Schlegel: Transistor- und Schaltkreistechnik. 4. Auflage. Militärverlag der DDR, 1988, ISBN 3-327-00362-9.