Vackář-Oszillator


Der Vackář-Oszillator ist ein Oszillator, dessen Schwingfrequenz durch Induktivitäten und Kapazitäten bestimmt wird. Die elektronische Schaltung wurde 1945 in der Firma Radioslavia entwickelt und war seit 1946 im praktischen Einsatz bei der tschechischen Post. Veröffentlicht wurde die Schaltung 1949 von Jiří Vackář[1] und 1948 von O. Landini[2] (erwähnt im Artikel von Vackář).
Richtig ausgelegt, kann mit dem Vackář-Oszillator eine sehr frequenzstabile Schwingung erzeugt werden.
Funktionsweise
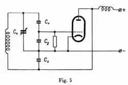
Der Vackář-Oszillator ist eine Verbesserung des Colpitts-Oszillators. Um hohe Frequenzstabilität zu erreichen, liegt Kondensator Ca parallel zur internen Anoden-Kathoden-Kapazität der Elektronenröhre, gleichfalls liegt Cg parallel zur Gitter-Kathoden-Kapazität. Durch diese parallel geschalteten Kondensatoren haben Änderungen der Versorgungsspannung, der Temperatur oder des Lastwiderstand weniger Auswirkung auf die Frequenz als bei anderen Oszillatoren.
Die zweite (dimensionierte) Abbildung benutzt statt der Elektronröhre einen Sperrschicht-Feldeffekttransistor (JFET); sie ist eine alternative Darstellung derselben Schaltung.
Fußnoten
- ↑ Jiří Vackář, LC Oscillators and their Frequency Stability, TESLA Report 1949, ch. 4 ( vom 13. August 2012 auf WebCite)
- ↑ O.Landini, Radio Rivista, November 1948
Weblinks
- The Vackar VFO oscillator (engl.)