Teilentladung
Teilentladung (abgekürzt TE) oder Vorentladung ist ein Begriff aus der Hochspannungstechnik, bei dem es in erster Linie um Form und Eigenschaften von Isolierstoffen geht. Treten in Hochspannungsisolierungen oder entlang von Luftstrecken stark inhomogene Verläufe des Feldes auf, so kann es örtlich zu einer Überschreitung der materialtypischen Durchschlagfeldstärke kommen. In diesem Zustand eines unvollkommenen elektrischen Durchschlages wird die Isolierung zwischen den Elektroden durch Entladungen nur teilweise überbrückt. Solche Teilentladungen treten vor allem bei Beanspruchung der Isolierung mit Wechselspannung auf.
Entstehung

Teilentladungen entstehen in Medien mit inhomogenen Feldverläufen durch die Elektronenemission freier Ladungsträger, hervorgerufen durch äußere Einflüsse.
Das Bild zeigt schematisch die Entstehung einer Teilentladung in einer Spitze-Platte-Elektrodenanordnung, verursacht durch einfallende Strahlung. Dargestellt ist ein inhomogenes elektrisches Feld, in dem sich Atome befinden. Von außen fällt Strahlung mit der Energie ein, z. B. Ultraviolettstrahlung oder andere Ionisierende Strahlung.
Trifft nun ein Photon mit ausreichender Energie auf ein Atom, um ein Elektron aus seiner Bindung zu lösen, so entsteht ein freies Elektron (Photoelektrischer Effekt). Dieses wird wiederum auf Grund des vorherrschenden Feldes zur positiv geladenen Plattenelektrode gezogen, und kann auf seinem Weg Elektronen aus anderen Atomen lösen (Lawineneffekt). Dadurch werden viele freie Ladungsträger erzeugt, die einen leitfähigen Kanal bilden, in dem eine elektrische Entladung stattfindet (Bewegung der Ladungsträger zur Elektrode). Da diese Entladung jedoch nicht über die gesamte Strecke zwischen den Elektroden reicht, wird von einer Teilentladung gesprochen.
Eine weitere Ursache für eine Teilentladung kann das „Absaugen“ von Elektronen aus einer Elektrode aufgrund starker Felder sein (Feldemission).
In technischen Anwendungen, insbesondere in der Hochspannungstechnik, wird versucht, die Entstehung inhomogener Feldverläufe zu verhindern, z. B. durch Feldstreuungselektroden oder Koronaringe. Beschädigungen an Bauteilen können jedoch inhomogene Feldverläufe und somit die Entstehung von Teilentladungen begünstigen.
Kategorisierung
Bei dem Begriff Teilentladung handelt es sich um einen Oberbegriff, unter dem die folgenden Teilentladungseffekte zusammengefasst sind.
Äußere Teilentladungen (Korona)
Äußere Teilentladungen sind Entladungen an den Oberflächen von freien Metallelektroden in den umgebenden Luftraum hinein. Sie entstehen vorzugsweise an scharfkantigen Teilen, an denen sich die Feldstärke stark erhöht. Allgemein bekannt ist dieses Phänomen mit den hör- und sichtbaren Koronaentladungen an Hochspannungsfreileitungen. Auch beim St.-Elms-Feuer handelt es sich um äußere Teilentladungen.
Äußere Vorentladungen können vermieden werden durch runde Gestaltung aller Kanten sowie durch feldsteuernde Ringe, wie sie z. B. an Hochspannungskaskaden eingesetzt werden.
Innere Teilentladungen

Als innere Teilentladungen werden allgemein alle äußerlich nicht sichtbaren Entladungserscheinungen innerhalb von Isoliermedien bezeichnet. Bei den Isoliermedien kann es sich um feste, flüssige oder gasförmige Materialien handeln.
Entladungen treten dort auf, wo Inhomogenitäten des Mediums unter starkem Feldeinfluss liegen, beispielsweise im Fall von Gasbläschen, die sich in einer Isolierflüssigkeit wie Öl oder in Gießharz befinden. Diese Gasbläschen, bestehend aus Luft, Kohlendioxid (z. B. im Fall von Feuchteeinfluss bei der Aushärtung von Polyurethanharz) oder Ölzersetzungsgasen, besitzen eine kleinere Dielektrizitätszahl als das umgebende Öl, wodurch eine Erhöhung der Feldstärke eintritt. Die Isoliereigenschaften an der Stelle der Gasblase sind durch die örtlich geringere Durchschlagsfestigkeit gestört, was sich durch Teilentladungen bemerkbar macht.
Auch nicht korrekte Anbindungen von Einbauteilen in Bauteilen, die durch Tränkung oder Gießharz hergestellt sind (Schaltnetzteil-Transformatoren, Hochspannungskaskaden), führen zu Teilentladungen. Transformatoren (insbesondere Hochspannungs- und Schaltnetzteil-Transformatoren) werden daher häufig vakuum-getränkt oder unter Vakuum vergossen.
Weitere Beispiele sind nicht vergossene Transformatorwicklungen aus Kupferlackdraht in Schaltnetzteil-Übertragern und locker gewickelte Folienkondensatoren bei Wechselspannungsanwendung.
Auch geschirmte Kabel sind davon betroffen, wenn Schirmgeflecht oder Innenleiter nicht vollständig am Dielektrikum anliegen. Da das kaum erreichbar ist, behilft man sich mit leitfähigen Schichten an den Grenzflächen.
Innere Teilentladungen führen aufgrund der Ultraviolettstrahlung und Ionisation langfristig zur Schädigung des umgebenden organischen Isolierstoffes und müssen daher vermieden werden.
Gleitentladungen

Bei Gleitentladungen tritt das Phänomen der Teilentladung an der längs zum Feld liegenden Grenzschicht eines Isolierstoffes auf. In diesem Fall ist der homogene Verlauf des elektrischen Feldes gestört und kann zu gleitenden Entladungen entlang der Grenzschicht führen.
Schmutz und Feuchtigkeit fördern diese Erscheinung. Jedoch weisen viele Isolierstoffe schon im sauberen Zustand entlang ihrer Oberflächen eine geringere Durchschlagsfestigkeit auf als die gleich lange Luftstrecke.
Auch hier führen die Gleit- oder Vorentladungen insbesondere bei organischen Isolierstoffen zur Schädigung, zum Auftreten von Kriechströmen und in der Folge zum Durchschlag.
Gleitentladungen können vermieden werden durch Verlängerung der Grenzschicht (Rippen von Isolatoren) und durch Schutz vor Feuchtigkeit (Imprägnierung). Eine weitere Maßnahme ist das Anbringen von Metall-Unterteilungen definierter Potentiale (Feldsteuerung).
Bedeutung und Messtechnik

Teilentladungen sind im Allgemeinen unerwünscht, sie führen an Freileitungen zu Energieverlusten und an oder in Bauteilen zu ionisationsbedingten schädlichen Wirkungen. An Bauelementen der Elektrotechnik wie u. a. Transformatoren, Kondensatoren, Hochspannungs-Durchführungen, Isolatoren, Messwandlern und Optokopplern erfolgen daher Teilentladungsmessungen.
Hierbei steht der Sicherheitsaspekt im Vordergrund, da eine Feststoffisolation, bei der es im Betrieb zu Teilentladungen kommt, nicht dauerhaft zuverlässig ist. Um diese Langzeitbeständigkeit zu gewährleisten, wird bei der TE-Messung nachgewiesen, dass selbst bei vorhandener Teilentladung diese noch oberhalb der höchsten vorkommenden Betriebsspannung sicher wieder einen Grenzwert unterschreitet. Somit wird die Teilentladungs-Aussetzspannung ermittelt, die oberhalb eines Grenzwertes liegen muss, welcher im Rahmen der Isolationskoordination mit dem Kunden anwendungsbezogen festgelegt wurde. Hierzu existieren diverse Normen im Bereich von u. a. Verband der Elektrotechnik, Elektronik und Informationstechnik (VDE) und International Electrotechnical Commission (IEC 60270).
Die Messung der Teilentladungen erfolgt mit typischen Messempfängern im Bereich von etwa 100 kHz bis einige MHz. Die untere Messschwelle ist durch Störungen zudem in abgeschirmten Messplätzen selten unter 1 pC. In Messplätzen stellen Oszilloskope die Prüfspannung (meist 50 Hz, bei Schaltnetzteil-Übertragern jedoch im Bereich von deren Arbeitsfrequenz) gemeinsam mit den hochfrequenten Teilentladungsimpulsen dar und lassen entsprechend deren Lage zueinander weiterführende Interpretationen zu, z. B. ob es sich um äußere oder innere TE handelt. Eine typische TE-Messung nach Vorschrift beinhaltet das Aufregeln der Betriebsspannung auf das 1,8-Fache der Bemessungsspannung, was für eine gewisse Zeit gehalten wird. Die eigentliche Messung erfolgt nicht bei dieser Spannung (sie dient lediglich als „Anregung“), sondern bei der 1,3-fachen Bemessungsspannung.
Ein Beispiel für sicherheitsrelevante Bauteile sind Zünd-Transformatoren zur Ansteuerung der Leistungshalbleiter in Eisenbahn-Elektroantrieben, die alle in der Endprüfung eine 100 %-Teilentladungsmessung durchlaufen. Großtransformatoren und andere Hochspannungsbauteile, z. B. in Umspannwerken, werden regelmäßig mit mobilen TE-Messsystemen überprüft, um vorbeugende Wartungs- und Austauschmaßnahmen planen zu können.
Messung

Um TE-Impulse nach IEC 60270 (High-voltage test techniques – Partial discharge measurement) messen und beurteilen zu können, müssen diese aus dem Prüfling ausgekoppelt und einem geeigneten Auswertesystem zur Signalaufbereitung, Signalverarbeitung, Visualisierung und Datensicherung zugeführt werden.
Zu diesem Zweck gibt es TE-Messgeräte, die für gewöhnlich einkanalige TE-Messungen in z. T. vordefinierten festen Frequenzbändern erlauben. Diese Messsysteme sind überwiegend für den Einsatz im Prüffeld optimiert und ermöglichen keine ausreichende Flexibilität, um z. B. frequenzstarren Störern, die unter Vor-Ort-Bedingungen temporär auftreten, durch Variation der Messfrequenz oder der Messbandbreite geeignet ausweichen zu können; empfindliche TE-Messungen vor Ort sind damit daher gewöhnlich nicht möglich.
Ergänzend sind daher weitere Verfahren im Gebrauch, z. B.
- akustische Verfahren
- die Detektierung der Ultraviolettstrahlung
- das Aufspüren von Zersetzungsprodukten der Isolierstoffe
- der Empfang der durch die TE erzeugten Funkwellen im UHF-Bereich.
Elektrische und magnetische Verfahren
Konventionelle TE-Auskopplung
Nach der IEC 60270 (High-voltage test techniques – Partial discharge measurement) erfolgt die Messung von Teilentladungen am Kabelende. Die Auskopplung der TE-Impulse erfolgt dabei über eine Messimpedanz (Auskoppelvierpol ), die den durch den lokalen Isolationszusammenbruch im Prüfling verursachten impulsartigen Nachladestrom[1] des parallel zum Prüfling angeschlossenen Koppelkondensators in ein ladungsäquivalentes Spannungssignal konvertiert. Dieses Spannungssignal gelangt über das Kabel zum TE-Messgerät .
Messkreise
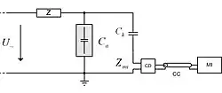
Mehrere Arten der Verschaltung von Prüfling , Koppelkondensator und Messimpedanz (, ) sind möglich[2]. Abbildung 2 zeigt den Messaufbau bei geerdetem Koppelkondensator .
In diesem Fall liegt der Prüfling mit der Messimpedanz in Serie, was bei Prüflingen mit kleinem Kapazitätswert zu einer guten Messempfindlichkeit führt. Bei einem Durchschlag des Prüflings liegt bei dieser Schaltung die volle Prüfspannung an der Messimpedanz an, sodass die nachgelagerte Messtechnik vor Überspannung geschützt werden muss.
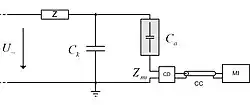
Da bei den meisten Hochspannungsprüflingen eine isolierte Aufstellung oder eine Auftrennung der Erdverbindung nicht möglich ist, muss in dem Fall die Messimpedanz in den Erdzweig des Koppelkondensators eingebracht werden. Hierzu muss dieser isoliert aufgestellt werden und die Erdverbindung des Prüflings bleibt bestehen. Abbildung 3 zeigt diese Anschlussvariante.
Die erreichbare Empfindlichkeit bei beiden genannten Varianten der TE-Messung wird dabei in großem Maße von der Größe des verfügbaren Koppelkondensators und somit durch das Verhältnis von zur Prüflingskapazität bestimmt. Die messbare Ladung eines TE-Impulses berechnet sich dabei aus der scheinbaren Ladung wie folgt:
Abbildung 4 verdeutlicht den Zusammenhang grafisch.
Kabelanlagen stellen aufgrund ihrer großen Länge eine enorme kapazitive Last dar (z. B. 400-kV-VPE-Diagonale Berlin: ca. 11,5 km, ca. 2,2 μF; London 400-kV-VPE: 20 km, 4,4 μF; Augsburg 110-kV-VPE: ca. 3,8 km, ca. 700 nF). Mit den gängigen verfügbaren Kapazitätswerten von vor-Ort-tauglichen Koppelkondensatoren für die geforderten Spannungsebenen würde sich dadurch zwangsläufig eine erhebliche Reduzierung der Messempfindlichkeit ergeben. Eine TE-Messung mit Koppelkondensator ist damit nicht sinnvoll. Als Alternative ist bei einphasigen TE-Messungen an Kabelanlagen die Verwendung einer Nachbarphase (oder beider Nachbarphasen, vgl.[3]) als Koppelkondensator möglich. An dieser Stelle wird die Forderung nach TE-Freiheit des Koppelkondensators zu Gunsten einer deutlich erhöhten Messempfindlichkeit aufgegeben. Bei auftretenden TE-Signalen kann durch den Vergleich der Messergebnisse aller drei Phasen jedoch eindeutig geklärt werden, welche der Phasen TE-behaftet ist.
Eine weitere Variation bei der zeitgleichen Messung von zwei Phasen eines Kabelsystems ist die Auskopplung von TE-Signalen über eine Brückenschaltung (s. Abbildung 5), die ein hohes Maß an Gleichtaktunterdrückung ermöglicht.
Dieses Messprinzip basiert auf der Annahme, dass die messbaren Signale von auftretenden TE-Fehlern aus dem Prüfling zeitlich nicht zu Impulsen aus der als Koppelkondensator fungierenden Nachbarphase korrelieren. Wohingegen Störimpulse (hauptsächlich an den Kabelenden eingekoppelte Koronastörer von parallelen unter Spannung stehenden Systemen) durch beide an der Messung beteiligte Phasen laufen und zeitgleich (und polaritätsgleich) am Messort auftreten. Durch die Verwendung eines Ferritübertragers bei der TE-Auskopplung können diese Gleichtaktstörer wirkungsvoll unterdrückt werden. Bei diesem Messverfahren wird vorausgesetzt, dass die Prüfspannungsquelle vor Ort ausreichend Leistung für mehrere Phasen bereitstellen kann.
Messimpedanz
Die Messimpedanz ist meistens als passiver analoger Bandpassfilter aufgebaut. Tiefe Frequenzanteile, vornehmlich der Bereich in der Nähe der Prüf- und Betriebsfrequenz, werden zum Schutz der angeschlossenen Messtechnik hochgradig unterdrückt. In einem breiten ungedämpften Bereich (< 1 MHz) erfolgt die Auskopplung der TE-Impulse. In diesem Auskoppelbereich können zusätzlich fest integrierte Filter (Bandsperren) eingebaut sein, die zum Beispiel schmalbandige frequenzstarre Störer wie amplitudenmodulierte Rundfunksender unterdrücken. Hier ist darauf zu achten, dass sich durch die Reduzierung des nutzbaren Frequenzspektrums folglich die auskoppelbare Energie des TE-Impulses reduziert. Bei mobilen TE-Messsystemen ist zudem davon auszugehen, dass durch regionale Unterschiede bei den terrestrischen Sendefrequenzen fest implementierte Bandsperren nicht sinnvoll sind. Hier kann die Unterdrückung dieser Störer durch programmierbare Filter auf der Softwareseite des TE-Messsystems, z. B. durch adaptive Filteralgorithmen, erfolgen.
Ein weiterer Zweck der Bandpassfilterung in der Messimpedanz ist eine Quasiintegration des Messsignals im Zeitbereich zur Ermittlung der Impulsladung. Dabei berechnet sich nach Fourier die spektrale Energie eines beliebigen Stromimpulses nach:
Bekanntlich ist das Stromintegral über die Zeit die gesuchte Impulsladung und wird wie folgt berechnet:
Rechnerisch entspricht also der spektrale Signalanteil bei Gleichspannung (f = 0 Hz) dem gesuchten Ladungswert . Da jedoch, wie oben beschrieben, Frequenzen im Bereich der Prüfspannung (und darunter) bei der Auskopplung unterdrückt werden, steht dieser Frequenzanteil zur weiteren Auswertung nicht zur Verfügung. Unter der Annahme, dass der Verlauf des Frequenzspektrums bis hin zu einer charakteristischen Grenzfrequenz nahezu konstant verläuft, ist eine korrekte Ladungsbestimmung durch eine Bandpassmessung im Bereich dieser konstanten Amplitude des Frequenzspektrums eines TE-Impulses oberhalb von 0 Hz möglich. Die schmalbandige Bandpassmessung ermöglicht zudem bei Kenntnis des aktuellen Störspektrums der Umgebung die gezielte Auswahl eines Frequenzbereiches zur TE-Messung, der weitgehend frei von frequenzstarren Störern ist.
Nichtkonventionelle Feldkopplung
Wie bereits im vorherigen Kapitel beschrieben, führt die klassische Auskopplung von TE-Impulsen an den Kabelenden mittels Koppelkondensator und Messimpedanz oft nicht zu den geforderten Messempfindlichkeiten von einigen Picocoulomb. Eine Alternative zu dieser klassischen galvanischen Auskopplung stellt die TE-Detektion mittels Feldkopplung dar. Bei diesem Verfahren werden durch geeignete Feldsensoren die von TE-Impulsen erzeugten elektrischen und magnetischen Feldkomponenten erfasst und in messbare Spannungssignale umgewandelt[4][5][6].
Feldsensoren arbeiten im Allgemeinen in einem Frequenzbereich oberhalb von 1 MHz und sind daher nicht IEC-konform. Zudem gelten sie als im klassischen Sinne nicht kalibrierbar (Ausgangssignal in mV statt in pC). Durch eine Vielzahl von erfolgreichen Messungen unter gestörten Vor-Ort-Bedingungen konnten sich diese Sensoren jedoch bereits bewähren. In kommenden Normanpassungen werden Feldsensoren und deren Kalibrierung[7] daher Berücksichtigung finden, jedoch noch nicht in der aktuellen Neugestaltung der IEC 60060-3 zur Normierung der Vor-Ort-Prüf- und Messtechnik[8]. Des Weiteren ist es im Prüfbetrieb für Hochspannungskabelanlagen üblich, dass Absprachen zwischen Kunde und Prüfern gültige Normen ergänzen[9]. Der Einsatz von Feldsensoren ist bereits heute üblich und in vielen Fällen die einzig sinnvolle Methode zur Signalerfassung bei TE-Messungen ausgedehnter Kabelanlagen.
Als sinnvoller Einbauort für Feldsensoren ist der Bereich um die Kabelgarnituren zu nennen. Zum einen kann der Feldsensor bei der Garniturenmontage vor Ort mit geringem zusätzlichem Arbeitsaufwand implementiert werden. Oft ist die Integration von Feldsensoren in Garnituren schon bei deren Herstellung im Werk möglich, so dass vor Ort keine zusätzlichen Arbeitsschritte notwendig werden. Zum anderen ist der Sensor mit seiner Anbringung in direkter Nähe zur Garnitur nahe der potenziellen TE-Fehlstelle platziert, da das VPE-Hochspannungskabel schon im Kabelwerk auf TE-Freiheit untersucht worden ist, sodass meistens nur Komponenten, die vor Ort montiert werden, wie Muffen und Endverschlüsse, als TE-Fehlstellen in Frage kommen.
Ein weiterer positiver Effekt bei der TE-Auskopplung mittels Feldsensoren ist die störunterdrückende Wirkung des Prüflings selbst[10]. Aufgrund der großen Kabelkapazität wirkt der Prüfling als Tiefpassfilter und dämpft damit im relevanten Frequenzbereich größer 1 MHz externe Störimpulse so weit, dass diese von den Feldsensoren im Bereich der Muffen nur noch mit stark reduzierter Amplitude erfasst werden können. Der Überwachungsbereich der Feldsensoren kann so auf die nahe Umgebung der Garnituren beschränkt werden.
Kapazitive Sensoren
Die Erfassung der elektrischen Feldkomponente eines TE-Impulses erfolgt durch kapazitive Sensoren[11][5]. Dabei kann die Sensorelektrode als leitfähiger Streifen in Form eines Zylindermantels um die Kabelader realisiert werden (CCS, Coaxial Cable Sensor, s. Abbildung 6). Die Sensorelektrode wirkt dabei zusammen mit dem äußeren Kabelschirm als Kapazität. Es entsteht ein kapazitiver Spannungsteiler aus Kabel und Sensor, der die Auskopplung von impulsartigen Signalen aus dem Energiekabel ermöglicht[12][13].
Diese Ausführungsart des kapazitiven Sensors muss vor Ort montiert werden. Infolgedessen muss der geöffnete Kabelschirm und der schützende Kabelmantel nach der Sensormontage wiederhergestellt und deren ordnungsgemäßer Zustand nachgewiesen werden. Als zusätzliche Schwachstelle ist ebenso die Messleitung zu nennen, die das Sensorpotenzial zur Messung aus dem Kabel nach außen führt. Diese durchstößt zwangsläufig den Kabelmantel und muss daher gegen möglichen Wassereintritt ausreichend geschützt werden.
Konstruktiv ausgereifter sind kapazitive Feldsensoren, die schon bei der Herstellung der Garnituren direkt in diese implementiert wurden. Hier können die vorhandenen feldsteuernden Deflektoren als kapazitive Sensorfläche genutzt werden[14]. Dabei wird der halbleitende und damit frequenzabhängige Charakter des Deflektorwerkstoffes ausgenutzt. Während der Deflektor für die betriebsfrequenten Felder die feldsteuernde Funktion innerhalb der Muffenkonstruktion übernimmt, können durch TE verursachte hochfrequente Felder an diesem über einen Shuntwiderstand zur messtechnischen Erfassung abgegriffen werden.
Da in den meisten Fällen lediglich ein einzelner kapazitiver Sensor je Muffe realisiert wird, ist eine genaue Ortung eines TE-Fehlers durch Laufzeitauswertungen innerhalb der Muffe nicht möglich. Eine cm-genaue Fehlerortung ist aufgrund der auf circa 20 MHz limitierten oberen Grenzfrequenz des Sensors selbst bei zwei Sensoren nur sehr eingeschränkt möglich.
Bei dem für kapazitive Sensoren typischen Frequenzbereich von circa 2 MHz bis 20 MHz werden hochfrequente Impulse bei ihrer Ausbreitung im Kabel bereits so stark gedämpft, dass die Abnahme der Impulsamplituden vom Entstehungs- zum Messort sowie die Impulsverformung[15] im Allgemeinen eine klare Unterscheidung des Impulsursprungs ermöglichen (s. Abbildung 7).
So können beispielsweise Koronastörer eindeutig von TE aus der Muffe unterschieden werden. Unabhängig davon ermöglicht die hochpräzise Erfassung der Absolutzeit die Feststellung der Richtung der Impulsausbreitung und damit ebenfalls eine sichere Unterscheidung des Impulsursprungs.
Aus den oben genannten Gründen ist es jedoch nicht möglich, den kapazitiven Sensor durch eine Einspeisung einer Referenzladung am zugänglichen Kabelende vor Ort zu kalibrieren[16]. Der Kalibrierimpuls müsste das Kabel mehrere 100 Meter bis hin zum Sensor in der ersten Muffe durchlaufen und wäre dort stark gedämpft. Die für eine quantitative TE-Auswertung erforderliche Kalibrierung muss deshalb an einer zusätzlich aufgebauten Muffe mit kurzen Kabeln im Labor stattfinden. Die Empfindlichkeit des Sensors ist dabei ausschließlich vom System Kabel-Muffe abhängig (z. B. Geometrie, Leitfähigkeit der Leitschicht). Bei zwei vorhandenen baugleichen Sensoren an einer Muffe ist zudem eine Kreuzkalibrierung denkbar[7]. Hier fungiert einer der Sensoren als Kondensator zur Einspeisung des Kalibriersignals, während der andere Sensor als Auskoppelkondensator dient. Nach der Folgenden Gleichung entspricht, aufgrund der Symmetrie der Sensoren, der halbe Wert der ermittelten Koppeldämpfung dem Dämpfungswert eines einzelnen Sensors:
Auch auftretende Signalverluste durch Teilreflexionen innerhalb der Muffenkonstruktion müssen dabei berücksichtigt werden.
Richtkoppelsensoren
Ein Richtkoppler ist ein aus der Antennentechnik bekanntes Bauelement[17], mit dem sich vor- und rücklaufende Signale getrennt auskoppeln lassen. Das Koppelverhalten von Richtkopplersensoren beruht auf einer Überlagerung von induktiver und kapazitiver Kopplung, deren Verhältnis eingestellt werden kann. Bei einem idealen Richtkoppler sind beide Kopplungen exakt gleich groß. Abbildung 8 zeigt das Prinzip der konstruktiven und destruktiven Signalüberlagerung.
Ein Signal auf Leitung 1 (in Abbildung 8 dargestellt durch den gerichteten Strompfeil , grün) hat auf Leitung 2 sowohl eine gleichtaktförmige induktive Koppelkomponente (, blau) als auch eine gegentaktförmige kapazitive Koppelkomponente (, rot) zur Folge, die sich an den beiden Messwiderständen überlagern und zu den beschriebenen Ausgangssignalen führen[18][19].
-
Abbildung 9a: TE-Sensor: bis auf die äußere Semicon-Schicht freigelegtes Kabel mit Sensor unter dem Schirm
-
Abbildung 9b: TE-Sensoren zum Test
-
Abbildung 9c: TE-Sensor: Testaufbau mit angeschlossenen koaxialen Signalkabeln
Der Richtkopplersensor zeichnet sich durch eine eindeutige Anzeige der Impulsherkunftsrichtung aus. Ein auf den Richtkopplersensor treffendes Signal ist an der der Herkunftsrichtung zugewandten Seite der Richtkopplerausgänge (Koppelpfad) messbar (konstruktive Superposition der induktiven und kapazitiven Signalkomponente), während am anderen Ausgang (Sperrpfad) idealerweise kein Ausgangssignal erscheint (destruktive Superposition). Bei idealen Richtkopplern kommt es zu einer vollständigen Auslöschung der Signale im Sperrpfad. In der Praxis erreichen reale Richtkopplersensoren ein Koppelverhältnis (Signalverhältnis Sperrpfad zu Koppelpfad) in der Größenordnung 1:10. Bis hinunter zu einem Signalverhältnis von 1:2 ist eine gesicherte Aussage über die Herkunftsrichtung der TE-Signale jedoch meist unproblematisch.
Die Richtkopplersensoren werden üblicherweise innerhalb des Muffengehäuses direkt auf die hiervon nicht beeinflusste äußere Leitschicht des Kabels montiert. Abbildung 9 zeigt einen einfachen Sensor zur TE-Auskopplung, welcher nachträglich an eine Kabelmuffe angebracht wurde.
Durch logische Verknüpfung der vier Ausgangssignale der beiden Richtkopplersensoren an einer Muffe ist eine eindeutige Klassifizierung der Signale in „von links kommend“, „von rechts kommend“ und „TE aus der Muffe“ möglich[20]. Für maximale Entscheidungssicherheit, was einem großen Richtverhältnis entspricht, sollte der Richtkopplersensor für jedes Kabel einmalig in seiner Geometrie speziell abgeglichen werden, da die mechanischen und elektrischen Eigenschaften des Kabels, z. B. die Dicke der Isolierung und die Leitfähigkeit der Leitschichten, in das Richtverhältnis eingehen[21].
Induktive Richtkoppelsensoren
Bei induktiv abgestimmten Richtkopplersensoren überwiegt die induktive Kopplung[22]. Die Impulslaufrichtung wird beim induktiv abgestimmten Richtkoppler im Gegensatz zum bisher betrachteten Richtkopplersensor über die Polarität der Ausgangssignale zweier Sensoren bestimmt. Externe Störungen werden mit entgegengesetzter Polarität ausgekoppelt. Signale mit dem Entstehungsort zwischen den beiden Sensoren, z. B. TE aus der Muffe, werden dagegen mit gleicher Polarität ausgekoppelt und sind somit eindeutig erkennbar (Abbildung 10).
Die Funktionsweise der induktiv abgestimmten Richtkopplersensoren leitet sich aus dem Grundprinzip eines Richtkopplers ab, bei dem die kapazitive Kopplung fehlt. Der Sensor und der Innenleiter des Hochspannungskabels bilden ein System von zwei verkoppelten Leitungen, die eine gemeinsame Induktivität MK besitzen. Der induktiv abgestimmte Richtkopplersensor hat nur ein Ausgangssignal pro Sensor. Der bei den Richtkopplersensoren notwendige zweite Ausgang entfällt, da er eine redundante Information enthält. Zur Überwachung einer Muffe wird je ein Sensor links und rechts der Muffe montiert.
Besonders vorteilhaft an induktiven Richtkopplersensoren ist, dass sie im Gegensatz zu „normalen“ Richtkopplersensoren nicht für jedes Kabel in ihrer Geometrie speziell abgestimmt werden müssen und dass die Auswerteelektronik nur zwei Signale an einer Muffe auswerten muss. Zudem kann die erforderliche Bandbreite der Auswerteelektronik abhängig von der geforderten Empfindlichkeit deutlich reduziert werden. Bei voller Bandbreite ist die Empfindlichkeit hingegen wie bei den „normalen“ Richtkopplern. Dabei wird die Entscheidungssicherheit ob TE aus der Muffe oder von extern stammt nicht beeinflusst. Demgegenüber steht der für die praktische Anwendung in vielen Fällen vertretbare Nachteil, dass mit dem induktiven Richtkopplersensor die Herkunftsrichtung von externen Störsignalen nicht mehr differenziert werden kann.
Induktive Sensoren
Induktive Sensoren nutzen die magnetische Feldkomponente eines TE-Impulses[23] und können außen über dem Mantel des Energiekabels montiert werden. Eine Abschirmung muss dafür sorgen, dass elektrische Felder das Messsignal nicht stören. Eine verbreitete Ausführungsform eines induktiven Sensors ist die Rogowskispule, die bei Abschirmung elektrischer Störfelder zur Auskopplung von TE-Impulsen an Energiekabeln geeignet ist[24][25][26][27].
Rogowski-Spulen zeichnen sich durch große Bandbreite und lineares Übertragungsverhalten aus[28]. Bei der Verwendung von Leitungselementen wie in nebenstehender Abbildung muss bei der Verwendung bei hohen Grenzfrequenzen (Nanosekundenbereich) jedoch unter Umständen mit partiellen Resonanzen gerechnet werden[29].
Anwendung
Zu nützlichen Anwendungen von Teilentladungen siehe unter Ionisator und Koronabehandlung.
Bei bestimmten Bauformen von Stickstofflasern werden Teilentladungen genutzt, um die Entladungsstrecke vorzuionisieren, sodass die Hauptentladung homogener ist.
Bei Zündeinrichtungen für Hochdruck-Gasentladungslampen und für Blitzlampen unterstützen Teilentladungen die Zündung, indem sie das Füllgas im Bereich der meist spitzen Elektroden mit Hilfe einer Spitzenentladung ionisieren.
Literatur
- Dieter König, Y. Narayana Rao: Teilentladungen in Betriebsmitteln der Energietechnik. VDE-Verlag GmbH, Berlin und Offenbach 1993, ISBN 3-8007-1764-6.
Weblinks
Einzelnachweise
- ↑ Crichton, Karlsson, Pedersen: Partial Discharges in Ellipsoidal and Spheroidal Voids, IEEE Transactions on Electrical Insulation, 1989, Vol 24, No. 2
- ↑ IEC 60270, High-voltage test techniques – Partial discharge measurement, Version 2000, 3rd Edition
- ↑ Plath, Heinrich, Rethmeier, Kalkner: Sensitive On-Site PD Measurements on Long Cable Systems, ISH03 -13th International Symposium on High Voltage Engineering, Delft/Netherlands, 25-29th August 2003
- ↑ Tian, Lewin, Davies, Swingler, Sutton, Hathaway: Comparison of On-line Partial Discharge Detection Methods for HV Cable Joints, IEEE Transactions on Dielectrics and Electrical Insulation, 2002, Vol. 9, No. 4
- ↑ a b R.Plath, R. Heinrich, W. Weissenberg, K. Rethmeier, W. Kalkner: TE-Sensoren für Hochspannungs-VPE-Kabelgarnituren, ew-Elektrizitätswirtschaft Heft 24/2002
- ↑ P. C. J. M. van der Wielen, Veen, Wouters, Steennis: Sensors for On-line PD Detection in MV Power Cables and their Locations in Substations”, Proc. of the 7th International Conf. on Properties and Applications of Dielectric Materials, Nagoya, June 1-5, 2003
- ↑ a b P. Wang, P.L. Lewin, S. J. Sutton: Calibration of Capacitive Couplers for Online PD Detection in HV Cables, IEEE Electrical Insulation Magazine, 2005
- ↑ E DIN EN 60060-3 (VDE 0432-3):2005-03, E DIN EN 60060-3 (VDE 0432-3):2005-03: Hochspannungs-Prüftechnik - Teil 3: Begriffe und Anforderungen für Vor-Ort-Prüfungen
- ↑ A.Küchler: Hochspannungstechnik, 2. Auflage, Springer-Verlag, Berlin, 2005
- ↑ Boggs, Braun, Stone: Attenuating Voltage Surges in Power Cable by Modifying the Semiconductive Shields, IEEE International Symposium on Electrical Insulation, Baltimore 1992
- ↑ R.Heinrich, K.Rethmeier, W.Kalkner, R.Plath, W.Weissenberg: Sensitive PD detection on high voltage XLPE cable lines using field coupling sensors, JiCable03 - 6th International Conference on Insulated Power Cables, 22-26 June 2003, Paris-Versailles / France
- ↑ Henningsen, Polster, Fruth, Gross: Experience with an On-Line Monitoring System for 400 kV XLPE Cables, Proc. Of the 1996 IEEE Power Engineering Society Transmission and Distribution Conference, Sept. 1996, pp. 515-520
- ↑ Chen Min; K. Urano, A. Kato, Y. Sakaguchi, G. Okamoto, H. Ueno, K. Hirotu, A. Jinno, M. Okada, N. Yoshikawa: Study of partial discharge localization methods for EHV prefabricated joint, IEEE Power Engineering Society Summer Meeting, 2000
- ↑ D. W. Gross: On-site partial discharge diagnosis and monitoring on HV power cables, JiCable99 - 5th International Conference on Insulated Power Cables - 20-24 June, 1999, Paris-Versailles / France
- ↑ Benzerouk, Patsch, Menzel: Identifizierung von TE-Quellen auf Basis der Kurvenformanalyse, Hanau 2005
- ↑ Azcarraga, Garcia-Colon: Establishment of Ultra Wide Band Sensors Transfer Function for Qualitative PD Measurement, ISH05 -14th International Symposium on High Voltage Engineering, Bejing/P.R.China, 25-29th August 2005
- ↑ Meinke, Friedrich-Wilhelm Gundlach, Lange, Löcherer: Taschenbuch der Hochfrequenztechnik, Band 1–3, Heidelberg 1986
- ↑ K.Rethmeier: Simulation und messtechnische Überprüfung von Feldsensoren zur ortsselektiven TE-Messung an Hochspannungskabelgarnituren, Diplomarbeit, TU-Berlin 1999
- ↑ Rethmeier, Kay - Neue Auskoppelverfahren und Sensoren zur Vor-Ort-Teilentladungsmessung an Hochspannungs-Kabelanlagen, Dissertation, TU-Berlin 2006
- ↑ D. Pommerenke, T. Strehl, W. Kalkner: Directional Coupler Sensor for Partial Discharge Recognition on High Voltage Cable Systems, ISH97 - 10th International Symposium on High Voltage Engineering, Montreal 1997
- ↑ R.Heinrich: Grundlagenuntersuchungen zur VHF/UHF-Sensorik für die Vor-Ort-TE-Messung an Hochspannungskabeln unter besonderer Beachtung der Richtkopplertechnologie, Dissertationsschrift, TU-Berlin 2001
- ↑ R. Heinrich, K. Rethmeier, W. Kalkner: Inductive directional couplers as new sensors for PD detection and localization on high voltage XLPE cable accessories, JiCable03 - 6th International Conference on Insulated Power Cables, 22-26 June 2003, Paris-Versailles / France
- ↑ Xin, Chengrong, Wang, Bin, Weijiang: Partial Discharge Measurement in XLPE Cable Joint by Using VHF Sensor, Proc. 2004 IEEE International Conf. on Solid Dielectrics, Toulouse, France, 5-9 July 2004
- ↑ W.Rogowski, W.Steinhaus: Die Messung der magnetischen Spannung, Archiv der Elektrotechnik, 1912
- ↑ F. Kohlrausch: Praktische Physik 2, B.G. Teubner, Stuttgart 1985
- ↑ L. Bergmann, C. Schaefer: Lehrbuch der Experimentalphysik 2, Walter de Gruyter, Berlin 1987
- ↑ Schichler, Borsi, Gockenbach: Problems an New Solutions for Partial Discharge Measurement on High Voltage Cables under Noisy Conditions, IEEE Int. Symposium on Electrical Insulation, USA 1994
- ↑ W. F. Ray, C. R. Hewson: High Performance Rogowski Current Transducers, IEEE – IAS Conf. Proc, Rome, September 2000
- ↑ H. Bellm, A. Küchler, J. Herold, A. Schwab: Rogowski-Spulen und Magnetfeldsensoren zur Messung transienter Ströme im Nanosekundenbereich, Springer-Verlag 1985