Richtkoppler

Richtkoppler englisch directional coupler sind elektrisch passive Bauelemente im Bereich der Hochfrequenztechnik, die dazu dienen, eine als geführte Welle beschriebene elektromagnetische Leistung abzuzweigen bzw. in eine Leiterstruktur aus- oder einzukoppeln. Bei einem idealen Richtkoppler erfolgt diese Kopplung streng selektiv nach der Richtung, in der die Welle den Koppler durchläuft.
Abgrenzung
Im Sinne einer sauberen Terminologie sollte man Koppler, die keine Richtwirkung aufweisen und nur geringe Verluste beim Verkoppeln aufweisen, wie beispielsweise Signalteiler (englisch power splitter), Leistungsteiler (englisch power divider) oder, bei inversem Betrieb, Leistungskombinierer (englisch power combiner), z. B. Hybrid-Ring deshalb auch nicht zu den „Richtkopplern“ zählen. Ein weiterer Unterschied besteht darin das Koppler ohne Richtwirkung, meistens aus Bauteilen besten, z. B. Hochfrequenzleitungen (Hohlleiter, Koaxialkabel oder Bi-, Tri-Plate-Leitungen) oder Hochfrequenzübertragern auf FerritKernen bestehen die je nach verwendeten Bauteilen nur in einem begrenzten mehr oder weniger großen Frequenzbereich genutzt werden können.
Anwendung
Die Anwendungen liegen unter anderem im Bereich der elektrischen Messtechnik wie Netzwerkanalysatoren oder bei der Antennentechnik um beispielsweise das Stehwellenverhältnis zu bestimmen. Weitere Anwendungen sind die Auskopplung von Hochfrequenzsignalen, z. B. bei Funknavigationsanlagen, wie ILS-LLZ, ILS-GP, (D)VOR, zur Überwachung ob alle relevanten Parameter (Modulationsgrad, Leistung) innerhalb der vorgegebenen Toleranzgrenzen liegen.[1] Bei einer nicht mehr tolerierbaren Abweichung auch nur eines Parameter wird der Sender abgeschaltet und auf einen Reservesender umgeschaltet.
Im Niederfrequenzbereich kann die Trennung von empfangenen und gesendeten Tonsignalen in Form der Gabelschaltung sowie in der klinischen Bildgebung des Magnetresonanztomographen (MRT) erfolgen.
Der technische Aufbau hängt dabei stark vom Frequenzbereich ab: Für niedrige Frequenzen werden konzentrierte elektronische Bauelemente wie Transformatoren und Kondensatoren in Form einer Brückenschaltung eingesetzt. Im Hochfrequenzbereich und darüber werden sowohl Übertrager als auch Leitungskoppler, z. B. aus elektrischen Leiterplatten in Form von Bi- oder Tri-Plate-Streifenleitungen oder in Koaxialer Form um den Übergang zu Koaxialkabeln möglichst Reflektionsfrei zu ermöglichen, während im Bereich ab ca. 1 GHz bis in den THz Kombinationen von Wellenleitern, z. B. Hohlleiter zur Verwendung kommen können.
Funktionsbeschreibung


Die Verhältnisse an Richtkopplern werden symbolisch durch mehrere Tore (engl. Ports) und mit jeweils einer in ein bestimmtes Tor einlaufenden Welle und einer an diesem Tor reflektierten Welle beschrieben. Zur Unterscheidung der einzelnen Wellen, gleichbedeutend mit der Leistung, wird zusätzlich die Tornummer als Index angegeben. Die Übertragungs- bzw. Koppelfaktoren zwischen einlaufender und reflektierter Welle an einem Tor und die zwischen den einzelnen Toren übertragenen Wellen werden durch die Streuparameter in Form einer Matrix ausgedrückt. Die Elemente dieser Matrix stellen Faktoren dar, mit der die Wellen reflektiert bzw. durchgeleitet werden.
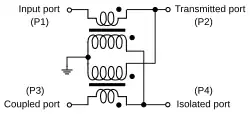
In nebenstehender erster Abbildung sind zwei verschiedene Richtkopplersymbole mit vier bzw. drei Toren dargestellt, die mit Pn beschriftet sind. Im ersten Fall mit vier Toren liegt eine Verbindung im Hauptzweig zwischen P1 zu P2 bzw. P3 zu P4 vor. Zusätzlich wird eine am Tor P2 rückwärts einlaufende Welle auf den Ausgang P4 gekoppelt, ebenso wird eine am P1 einlaufende Welle auch auf Tor P3 ausgegeben, diese Koppelzweige werden durch gekreuzte Pfeile in der Mitte angezeigt. Diese Form stellt die symmetrische Form eines Vorwärtskopplers mit vier Toren dar. Daneben existieren auch Rückwärtskoppler, bei welchen die Koppelzweige zwischen P1 und P4 beziehungsweise zwischen P2 und P3 bestehen. Rückwärtskoppler werden unter anderem bei Netzwerkanalysatoren verwendet.
Die symmetrische Form eines Vorwärtskopplers mit vier Toren kann durch internen Abschluss des Tores P4 mit dem Leitungswellenwiderstand, üblich sind Werte wie 50 Ω, in einen Richtkoppler mit drei Toren transformiert werden, wie in dem unteren Symbol dargestellt. Dieses vierte, intern abgeschlossene Tor wird dann nicht mehr im Symbol dargestellt. Die Funktion reduziert sich auf die eines Leistungsteilers: Eine am Tor P1 einlaufende Welle wird auf beide Ausgangstore P2 und P3 geleitet und damit zwischen den beiden Ausgängen in einem bestimmten Verhältnis aufgeteilt. Bei einem idealen Koppler geht keine Leistung durch thermische Verluste oder Abstrahlung verloren, womit die Summenleistung an den beiden Ausgangstoren der zugeführten Leistung entsprechen muss. In diesem Beispiel wird die Welle auf das Tor P3 um den Koppelfaktor von −10 dB gedämpft, der obere Pfad weist dazu asymmetrisch eine deutliche geringe Einfügedämpfung von knapp unter ca. 0,5 dB auf. Anwendungen liegen z. B. bei Messgeräten, in dem nur ein geringer Teil der zwischen Tor 1 und 2 übertragenen Leistung am Tor 3 ausgekoppelt und zu einem Messgerät wie einem Spektrumanalysator geleitet wird.
Ein Richtkoppler kann durch Wahl seiner Parameter auch als symmetrischer Leistungteiler betrieben werden, wie in nebenstehender Abbildung dargestellt. Im symmetrischen Fall wird die am Tor 1 einlaufende Welle gleichmäßig auf beide Ausgänge verteilt, dies entspricht einer Halbierung der Leistung, was einer Dämpfung von 3 dB in jedem Pfad entspricht. Wird ein symmetrischer Leistungteiler in Rückwärtsrichtung betrieben, werden die Leistung der beiden Eingänge P2 und P3 zusammen am Tor P1 ausgegeben. In diesem Fall liegt ein Leistungskombinierer vor, welcher beispielsweise in größeren Sendeanlagen die von einzelnen Verstärkerstufen erzeugte Hochfrequenz zu einem gemeinsamen Antennensignal zusammenführt.
Parameter
Richtkoppler werden durch verschiedene Parameter, welche auch die Anwendung bestimmen, beschrieben. Da alle Parameter des Kopplers frequenzabhängig sind, sind Richtkoppler mit einer großen Bandbreite in der Bauform größer und aufwändiger herzustellen. Bei Hochfrequenzkoppler betragen die Wellenimpedanzen meist 50 Ω, im Bereich von Kabel- und Satellitenfernsehen sind 75 Ω üblich. Die Leistung wird im Hauptzweig definiert. Ein weiterer Parameter ist bei höheren Leistungen die Spannungsfestigkeit des Kopplers.
Darüber hinaus werden Koppler durch die typischen Übertragungsfaktoren beschrieben, die Leistungsverhältnisse zwischen den verschiedenen Toren ausdrücken. Die Faktoren werden üblicherweise in logarithmischer Form in Dezibel (dB) angegeben.
Koppelfaktor
Der Koppelfaktor C gibt den Wert an, welcher Leistungsanteil des Hauptzweiges auf den Koppelzweig übertragen wird. Am Beispiel des symmetrischen Vorwärtsrichtkopplers ist einer der beiden Koppelfaktoren gegeben durch:
Übliche Festwerte des Koppelfaktors sind −10 dB, −20 dB oder −30 dB. Für Anwendung im oberen Leistungsbereich sind auch Richtkoppler mit mechanisch veränderbaren Koppelfaktor üblich, dies ermöglicht Koppelfaktoren bis unter −60 dB.
Einfügedämpfung

Die Einfügedämpfung L gibt die Pegeländerung vom Eingang zum Ausgang des Hauptzweiges an. Dabei ist auch der Verlust berücksichtigt, welcher durch die Auskopplung entsteht, dieser wird als Kopplungsdämpfung bezeichnet. Somit hat ein 6-dB-Koppler mindestens 1,3 dB, ein 10-dB-Koppler mindestens 0,5 dB Einfügedämpfung. Am Beispiel des symmetrischen Richtkopplers ist die Einfügedämpfung im Hauptzweig gegeben durch:
Die Kopplungsdämpfung ist gegeben durch:
Obige Beziehungen gelten für ideale Richtkoppler und in guter Näherung für reale Richtkoppler. Bei realen Kopplern kommen noch weitere Verluste wie dielektrische Verluste, die sich in einer Erwärmung äußern, und unerwünschte Reflexionen an Übergangsstellen hinzu. Da die Summe der Ausgangsleistungen gleich der zugeführten Leistung sein muss, ergibt sich bei einem idealen Richtkoppler ohne zusätzliche Verluste ein einfacher Zusammenhang zwischen Koppelfaktor und Einfügedämpfung, wie in nebenstehenden Diagramm dargestellt. Dabei gilt: Je kleiner der Betrag des Koppelfaktor ist, das heißt je weniger Leistung ausgekoppelt wird, desto geringer ist der Betrag der Einfügedämpfung im Hauptzweig. In folgender Tabelle sind die Zusammenhängen als einige korrespondierende Zahlenwerte angeführt:
| Koppelfaktor [dB] | Einfügedämpfung [dB] |
|---|---|
| 3 | 3 |
| 6 | 1,25 |
| 10 | 0,458 |
| 20 | 0,0436 |
| 30 | 0,00435 |
Isolation
Die Isolation I eines symmetrischen Vorwärtsrichtkopplers ist ein meist unerwünschtes Übersprechen vom Eingangstor P1 direkt auf das Tor Ausgang P4, wenn die anderen beiden Tore P2 und P3 mit der Leitungswellenwiderstand abgeschlossen sind und keine Reflexionen auftreten. Die Isolation ist dann gegeben als:
Analog ist die Isolation spiegelbildlich über die beiden anderen Ports definiert, wenn die beiden Tore P1 und P4 mit der Leitungswellenwiderstand abgeschlossen sind:
Die beiden Isolationswerte hängen vom jeweiligen Koppler ab und können auch voneinander abweichen. Im Idealfall sollte der Betrag der Isolation möglichst hoch sein, d. h. keinerlei Signalübertragung über diesen Weg erfolgen.
Richtdämpfung
Die Richtdämpfung D eines Vorwärtsrichtkopplers hängt direkt mit seiner Isolation und den Koppelfaktor über folgende Beziehung zusammen:
Der Betrag der Richtdämpfung sollte möglichst hoch sein, was in guter Näherung im Bereich der Zentrumsfrequenz auch gegeben ist. Die Richtdämpfung ist von allen Parametern am stärksten von der Frequenz abhängig und schwankt in ihrem Wert besonders bei breitbandigen Richtkopplern. Hohlleiter weisen als Richtkoppler prinzipbedingt die höchste Richtdämpfung auf.
S-Parameter
Bei dem Fall eines symmetrischen und idealen Richtkopplers mit vier Ports sind die S-Parameter als Matrix mit durch die Symmetrie auf zwei, im Allgemeinen komplexen und frequenzabhängigen Termen und darstellbar. drückt den Transmissionskoeffizient, den Koppelkoeffizient des Koppler aus:
Die Nullen auf der Hauptdiagonale sind Ausdruck der Reflexionsfreiheit des idealen Richtkopplers, die Nullen auf der Gegendiagonalen Ausdruck der perfekten Isolation.
Physischer Aufbau
Koaxialkabel

Bei einem Koaxialkabel wird im Raum zwischen Innen- und Außenleiter ein paralleler Draht mitgeführt, dessen Länge λ/4 der zu messenden Wellenlänge nicht überschreiten darf. Es tritt sowohl induktive als auch kapazitive Kopplung auf, deren Stärke durch den Abstand bestimmt ist. Bei einem idealen Richtkoppler sind induktive und kapazitive Kopplung exakt gleich groß.
Ein Signal auf Leitung 1 (dargestellt durch den gerichteten Strompfeil I grün) hat auf Leitung 2
- eine gleichtaktförmige induktive Koppelkomponente (IM, blau) zur Folge, die wegen der Lenzschen Regel entgegengesetzt ist.
- eine gegentaktförmige kapazitive Koppelkomponente (IC, rot) zur Folge, die nicht orientiert ist.
An jedem der beiden Messwiderstände addieren sich die Ströme phasenrichtig (konstruktive bzw. destruktive Interferenz) und erzeugen dazu proportionale Spannungen, die ein Maß für die fließende Leistung sind. Wenn die Wellenimpedanz des Koaxialkabels mit der Impedanz der Antenne übereinstimmt (Stehwellenverhältnis = 1), erscheint am rechten Messausgang kein Ausgangssignal.
Der beidseitige Abschluss von Leitung 2 muss mit relativ geringen Widerständen (≈100 Ω) erfolgen, deren Wert von den geometrischen Maßen abhängt. Diese Belastung führt bei kurzen Leitungslängen zu recht geringen Messspannungen. Aus diesem Grund werden häufig zwei getrennte Ankopplungen (Leitungen 2a und Leitung 2b) verwendet, die am Messausgang nicht belastet sind und deshalb höhere Spannung liefern.
Hohlleiter

Den prinzipiellen Aufbau eines Richtkopplers aus Hohlleitern zeigt die nebenstehende Abbildung. Die beiden Hohlleiter stellen die beiden Hauptzweige dar, die Koppelzweige werden durch kleine Bohrungen, die in Abständen von λ/4 angeordnet sind, realisiert. Durch den definierten Abstand dieser Verbindungsbohrungen kann sich die Welle wegen Interferenz nur in eine bestimmte Richtung ausbreiten. Der Abschluss eines Hohlleiters erfolgt mittels eines Wellensumpfs.

Microstrip-Technologie

In der Mikrowellentechnik werden Koppler für geringe Leistungen in Microstrip-Technologie gefertigt, da diese sehr kostengünstig sind. Hierbei existiert eine Vielzahl an Schaltungskonzepten wie
- Tapered Line Coupler, übersetzbar etwa als Verjüngte-Leitung-Koppler
- Branch Line Coupler, auf Deutsch etwa Zweigleitungskoppler (bspw. 90°-Hybridkoppler)
- Lange-Koppler (besteht aus verzahnten Stichleitungen)
die je nach den Anforderungen der Anwendung gewählt werden. Besonders Tapered Line und Branch Line Coupler sind relativ einfach zu dimensionieren und zu simulieren. Nachteilig vor allem für die Branch Line Coupler ist der Platzverbrauch auf der Platine, der mit der Wellenlänge der Mittenfrequenz in allen Richtungen wächst.

Brückenschaltung mit Transformatoren oder Übertragern

Bei der koaxialen Bauweise ist die Kopplung stark frequenzabhängig und kann mit zunehmend kleiner werdender Frequenz und damit zunehmender Wellenlänge und starker Vergrößerung der notwendigen Koppellänge zunehmend ansteigen. Da dies zu unhandlichen Maßen oder zu sehr geringen Spannungen führt, weshalb bei niedrigen Frequenzen ein Aufbau mit Stromwandlern (Durchsteckwandler) mit Transformatoren mit Metallkern erfolgt.
Ab wenigen hundert kHz bis weit über hundert MHz werden stattdessen geeignete Ferrit-Übertrager für Mess-Brücken verwendet.
Nach Sontheimer-Frederick
Zwei identische Stromwandler werden benutzt[2][3], um
- mit T1 den Strom des Innenleiters im Verhältnis n:1 herabzutransformieren und
- mit T2 die Spannung zwischen Innen- und Außenleiter im Verhältnis n:1 herabzutransformieren.
Dadurch bleibt die Impedanz U/I gewahrt. Die Koppelkonstante errechnet sich zu C3,1 = 20·log(n). Die beiden Widerstände R1 und R2 des Transformators T2 müssen den gleichen Wert besitzen wie der Wellenwiderstand des Koaxialkabels zwischen P1 und P2.
Bruene-Bridge
Der „Bruene-Richtkoppler“[4][5][6] besitzt einen Stromwandler und zwei einstellbare Kondensatoren. Die gemessene Spannung ist fast unabhängig von der Wellenlänge. Das Prinzip funktioniert auch bei nur 50 Hz und wird im Stromhandel verwendet, um die Richtung der transportieren Energie zu messen (siehe Bild).
Ringkoppler

Der Ringkoppler, üblicherweise aber als Hybrid-Ring, Rat-Race oder 180°-Hybrid bezeichnet, besitzt vier Ports die jedoch im Gegensatz zu einem Richtkoppler bi-direktional sind und Signale zwischen den Ports eines Hybrid-Ring verkoppeln, jedoch im Gegensatz zu Richtkopplern keinerlei Richtwirkung aufweisen.
Alle Ports können sowohl als Ein- als auch als Ausgang verwendet werden und sind im Gegensatz zu Richtkopplern relativ schmalbandig und können daher nur in einem engen Frequenzbereich ober- und unterhalb der Betriebsfrequenz verwendet werden, für den die verwendeten Hochfrequenz-Leitungen (Hohlleiter, Koaxialkabel, oder Bi- oder Triplate Leitungen als luftisolierte Streifenleiter oder als gedruckte Schaltungen) optimiert sind.
Ein weiterer Unterschied liegt darin, das ein Hybrid-Ring auch für die Verkopplung von großen Leistungen, z. B. bei ILS-LLZ, und bis zu sehr große Leistungen bei Verwendung von Hohlleitern, z. B. Primärradar-Sensoren, eingesetzt werden kann, da die Signale nur durch die Leitungsverluste auf der Betriebsfrequenz der jeweils verwendeten Hochfrequenzleitungen, z. B. Hohlleiter, Koaxialkabel oder Bi-, Tri-Plate-Leitungen gedämpft werden.
Wilkinson-Teiler
Der Wilkinson-Teiler ist eine einfache Bauform eines leitungsbasierenden Leistungsteilers, üblicherweise aufgebaut in Microstrip-Technologie.
Anwendungen

Richtkoppler dienen zum Beispiel bei Kabelnetzen zum Anschluss eines Nutzerausganges. Auch eine Impedanz-richtige additive Kombination mehrerer Signalquellen ist möglich.
Sind an den beiden Ausgängen eines Richtkopplers HF-Gleichrichter angebracht, kann die Leistung der vor- und rücklaufenden Wellen getrennt mit einem Gleichspannungsmessgerät bestimmt werden. Aus dem Verhältnis dieser Spannungen kann das sogenannte Stehwellenverhältnis, also das Verhältnis der vor- zur rücklaufenden Welle bestimmt werden. Daraus können zum Beispiel Rückschlüsse auf die Anpassung der Leitung an die Impedanz von Antenne und Sender gezogen werden. Solche Geräte nennt man Stehwellenmessgerät.
Ein den Richtkopplern verwandtes Bauelement ist der Zirkulator. Dieser gibt die einlaufende Leistung eines Tors jeweils in einem festgelegten Drehsinn ausschließlich am benachbarten Anschluss aus. Sie dienen in Sende-/Empfangsanlagen wie zum Beispiel Radargeräten zum Trennen des, von der Antenne gesendeten, bzw. empfangenen Signales (Diplexer).

In darüber stehender Abbildung wird in der linken Bildhälfte das Eingangssignal symmetrisch für die in der Bildmitte dargestellten acht Verstärker aufgeteilt. In der rechten Bildhälfte werden die acht verstärkten Signale zu seinem einzigen Sendesignal zusammengefügt.
Einzelnachweise
- ↑ Standards and Recommended Practices, Annex 10, Aeronautical Telecommunications. Vol. I, Edition 8, Juli 2023 (icao.int [abgerufen am 24. August 2025] Amendment 93, Radio Navigation Aids.).
- ↑ a simple SWR/Wattmeter (PDF; 140 kB)
- ↑ Thomas H. Lee, Planar Microwave Engineering: A Practical Guide to Theory, Measurement, and Circuits, Cambridge University Press, 2004, ISBN 0-521-83526-7
- ↑ Bruene Richtkoppler (PDF; 245 kB)
- ↑ Bruene SWR-Messgerät
- ↑ Bruene-SWR mit verbesserter Genauigkeit
Literatur
- Jürgen Detlefsen, Uwe Siart: Grundlagen der Hochfrequenztechnik. 4. Auflage. Oldenbourg Verlag, 2012, ISBN 978-3-486-70891-2.
- Herbert Zwaraber: Praktischer Aufbau und Prüfung von Antennenanlagen. 9. Auflage. Hüthig Verlag, Heidelberg 1989, ISBN 3-7785-1807-0.