Profilstahl


Profilstahl bezeichnet Metall-Halbzeuge („Langprodukte“) aus dem Werkstoff Stahl sowie einzelne stabförmige Bauteile (Stahlträger) aus dieser Produktgruppe. Profilstahl ist ein in einer definierten Form gewalzter, gezogener oder gepresster Stahl, dessen Querschnitt über seine gesamte Länge gleich ist.
Stahlprofil ist dabei eine Benennung sowohl des Bauteils selbst als auch seines jeweiligen Querschnitts, des Profils. Ein Stahlprofil kann zusammengesetzt und durch Schweißen, Verschrauben oder Vernieten verbunden sein. Bei traditionellen Stahlprofilen handelt es sich um genormte Walzträger, die beim Warmwalzen eine Walzhaut erhalten. Produkte ohne Walzhaut werden auch als Blankstahl bezeichnet.
Abkantprofile werden aus einem Blechstreifen auf der Abkantbank gebogen. Sie unterscheiden sich von Walzträgern durch eine glattere Oberfläche und gerundete Kanten.
Bei dreischenkligen Stahlprofilen werden die äußeren Schenkel Flansch oder Gurt genannt. Der verbindende Mittelteil wird als Steg bezeichnet.
Im Gegensatz zu Vollwandträgern umschließen Hohlkastenträger und Hohlprofile einen Hohlraum und können neben zwei Flanschen auch zwei oder mehr Gurte besitzen und werden meist nicht zu den Stahlprofilen, sondern zu den Rohren oder Blechträgern gezählt, da neben dem Walzen weitere Schritte zur Herstellung erforderlich sind.
T-Träger, I-Träger und Hohlkastenträger mit breiten Gurten und größeren Ausmaßen werden auch als Plattenbalken bezeichnet.
Verbreitete Profile
Hinweis: Alle Abbildungen in diesem Abschnitt zeigen Walzträger.
- I-Profil (Doppel-T-Träger) nach DIN 1025
- Schmales I-Profil mit geneigten Innenflächen der Flansche (INP) nach DIN 1025-1
- Mittleres I-Profil mit parallelen Innenflächen der Flansche (IPE-Reihe) nach DIN 1025-5
- Breitflanschträger
- Leichte Ausführung (IPBl oder HEA-Reihe) nach DIN 1025-3
- Normalausführung (IPB oder HEB-Reihe) nach DIN 1025-2 (EN 10034)
- Verstärkte Ausführung (IPBv oder HEM-Reihe) nach DIN 1025-4
-
INP-Doppel-T Normalprofil -
IPE-Profil -
HEA(IPBl)-Profil -
HEB(IPB)-Profil -
HEM(IPBv)-Profil
- GI-Profil (Grubenausbau-I-Profil, DIN 21530), am Flansch und Übergang verstärktes I-Profil
- P-Profil mit parallelen Innenflächen der Flansche, früher auch als „Peiner“ oder Peiner-Träger bezeichnet[1]
- U-Profil mit geneigten Innenflächen der Flansche (UNP-Reihe) nach DIN 1026-1
- U-Profil mit parallelen Innenflächen der Flansche (UPE-Reihe bzw. UAP-Reihe) nach DIN 1026-2
- T-Profil gleichschenklig mit gerundeten Kanten und Übergängen nach DIN EN 10055 (alt nach DIN 1024)
- Z-Profil rundkantig nach DIN 1027
- L-Profil (auch Winkeleisen, Winkelprofil oder Winkelträger) nach EN 10056-1
- gleich lange Flansche, gleichschenklig (alt nach DIN 1028)
- verschieden lange Flansche, ungleichschenklig (alt nach DIN 1029)
- TH-Profil (Toussaint-Heintzmann-Profil für den Grubenausbau)
-
U(UNP)-Profil -
UPE-Profil -
T-Profil -
Z-Profil -
L-Profil gleichschenklig -
L-Profil ungleichschenklig -
TH-Profil
- Hollandprofil
- Rund- und Vierkantrohr
- Spundwand
- schwere Spundwand (Doppel-T)
- leichte Spundwand (Larssenprofil, Z-Profil)
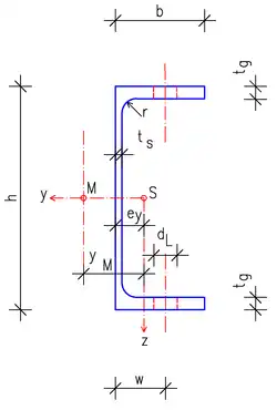
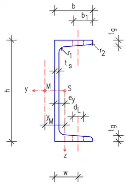
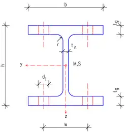
Allen diesen Profilen ist gemein, dass für sie in der Norm nicht nur die Form exakt festgelegt wird, sondern auch weitere Querschnittswerte für die statische Festigkeits- und Verformungsberechnung:
- Umfang in cm
- Flächeninhalt des Querschnittes in cm²
- Gewicht in kg/m
- Lage der beiden Hauptschwerachsen und des Flächenschwerpunktes des Querschnittes
- Statisches Moment um die beiden Hauptschwerachsen in cm³
- Widerstandsmoment in cm³
- Axiales Flächenträgheitsmoment in cm4
- Flächenzentrifugalmoment bei punktsymmetrischen Querschnitten in cm4
- Polares Widerstandsmoment in cm³
- Polares Flächenträgheitsmoment in cm4
- Lage des Schubmittelpunktes bei asymmetrischen Querschnitten in cm
- Wölbwiderstandsmoment in cm6
Die Bezeichnungen dieser Größen stammen aus der Physik der rotierenden Körper, nur ist hier anstatt der Masse eine Fläche maßgebend. So gilt in Analogie für das Massenträgheitsmoment und dessen Maßeinheit kg × cm² die Einheit für das Flächenträgheitsmoment cm² × cm²= cm4 (Fläche × Abstand²).
Die Flächenträgheits- und Flächenzentrifugalmomente lassen sich mit Hilfe der Tensorrechnung auf andere als die Hauptschwerachsen des Querschnitts umrechnen. Da die dafür notwendigen Formeln umständlich und fehleranfällig sind, bedient man sich dafür auch eines zeichnerischen Hilfsmittels, des Mohrschen Trägheitskreises.
Anwendungen
Neben dem allgemeinen Stahlbau werden Stahlprofile mit größeren Ausmaßen vielfach im Schiff-, Industrie- und Brückenbau eingesetzt.
Walzträger-in-Beton bezeichnet eine einfache Brückenbauart, bei der massive Stahlträger frei von Widerlager zu Widerlager spannen und mit Beton überdeckt werden.
Literatur
- Ulf Hestermann, Ludwig Rongen: Frick/Knöll Baukonstruktionslehre 1. 36. Auflage. Springer Verlag Fachmedien, Wiesbaden 2015, ISBN 978-3-8348-2564-3, S. 381–384.
- Heinz M. Hiersig (Hrsg.): VDI-Lexikon Maschinenbau. VDI-Verlag, Düsseldorf 1995, ISBN 3-540-62133-4.
- Peter Kiehl (Hrsg.):Einführung in die DIN-Normen. 13. Auflage. Beuth Verlag, Berlin 2001, ISBN 3-519-26301-7.
Weblinks
- Profilstahlliste. salzgitter-mannesmann-stahlhandel.de
- Stahlkatalog (PDF; 16 MB) richter-kiel.de
Einzelnachweise
- ↑ publikationsserver.tu-braunschweig.de (PDF; 13 MB)