Breitflanschträger
Breitflanschträger (umgangssprachlich oft als Doppel-T-Träger bezeichnet), auch Peiner Träger genannt, sind Stahlträger, die im Stahlbau eingesetzt werden, z. B. im Hallenbau, Brückenbau, Gewerbe- und Industriebau.
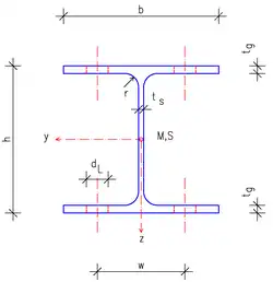
Ausführungen und Normung
Breitflanschträger mit DIN-Profilen:
-

-
Normale Ausführung nach DIN 1025-2,
handelstypische Bezeichnung:
HEB-(alt: IPB-)Profil -
Verstärkte Ausführung nach DIN 1025-4,
handelstypische Bezeichnung:
HEM-(alt: IPBv-)Profil
Alle drei Ausführungen sind Profilstahl nach EN 10034.
Bedeutung
Bauen mit Stahlträgern zeichnet sich aus durch Flexibilität in der Gestaltung sowie schnelle und kostengünstige Bauweise durch die Möglichkeit der Vorfertigung. Stahlträger werden überwiegend aus Schrott hergestellt und lassen sich nach ihrer Nutzung ebenso wieder zu neuen Stahlprodukten recyceln.
Werkstoffe
Als Werkstoffe nach EN 10025:1990+A1:1993 werden beim Breitflanschträger (ebenso wie bei den anderen handelsüblichen Stahlträgern IPE und UNP) überwiegend folgende Werkstoffe eingesetzt:
| EN 10025:1990 | alte Bezeichnung nach DIN 17100 | neue Norm EN 10025-2:2004 |
|---|---|---|
| S235JR | St 37-2 | entfällt |
| S235JRG2 | RSt 37-2 | S235JR |
| S355J2G3 | St 52-3U | entfällt, dafür wohl als neue handelsübliche Norm S355J2 |
Die neue Norm EN 10025-2:2004, die keine beruhigten Stähle mehr zulässt, ist nach einer Übergangsphase, in der alte und neue Norm galten, seit 1. September 2006 allein gültig. Nunmehr dürfen nur noch Stähle nach dieser neuen Norm in den Verkehr gebracht werden. Die entsprechende Umsetzung in den Landesbauordnungen ist abgeschlossen.
Das bisherige Ü-Zeichen wird durch das CE-Zeichen ersetzt.
Frühere Breitflanschträger
Es gab früher andere Breitflanschträger, bei denen die Dimensionen direkt vom Stahlwerk vorgegeben wurden. So gab es den Peiner-Träger, auch P-Träger genannt, vom gleichnamigen Stahlwerk.[1][2] Außerdem gab es verschiedene Differdinger-Profile, Breitflanschträger von der Deutsch-Luxemburgischen Bergwerks- und Hütten-AG aus Differdingen.[3][4][5]
Weblinks
Einzelnachweise
- ↑ Peiner-Träger. In: Luegers Lexikon der gesamten Technik. 2. Auflage. Band 1. Deutsche Verlags-Anstalt, Leipzig / Stuttgart 1904, S. 499 (Digitalisat. zeno.org).
- ↑ Isleder Hütte (Hrsg.): Handbuch für P-Träger: Ilseder Hütte, Abt. Walzwerk Peine. 1922, doi:10.24355/dbbs.084-201002181539-0.
- ↑ Stahl im Altbau und Wohnungsbau. (PDF) Teil I. Abgerufen am 6. Oktober 2023.
- ↑ Differdingerbalkar. system Grey – Parallellflänsiga. In: Karlebo handbok: Teknisk handbok. 1. Auflage. Stockholm / Göteborg 1936, OCLC 923989214, S. 113 (runeberg.org).
- ↑ Richard Sonntag: Breitflanschige und Parallelflanschige I-Eisen. In: Zeitschrift des Vereines Deutscher Ingenieure. Band 60, Nr. 47, 18. November 1916, ZDB-ID 200611-X, S. 963–967 (google.com).