Verformungsbruch
Der Verformungsbruch (auch duktiler Bruch oder Zähbruch) wird wegen seines mikroskopischen Aussehens auch als Wabenbruch bezeichnet. Dieser Bruch tritt erst nach einer größeren plastischen Deformation auf. Die Bruchfläche eines Verformungsbruchs erscheint im Vergleich mit einem Sprödbruch matter und weniger (kristallin) glänzend.
Eine starke Einschnürung im Bereich der Bruchzone ist für diesen Bruch charakteristisch. Dies ist jedoch nicht der Fall, wenn es sich um einen Restgewaltbruch handelt, da hier nur noch ein sehr kleiner Bereich bezogen auf die gesamte Bruchfläche einer schnellen und stark plastifizierten Verformung ausgesetzt ist. Bei Raumtemperatur und ohne Schwächung der Korngrenzen (z. B. durch Ausscheidungen oder Korrosion) tritt ausschließlich ein transkristalliner (also durch das Korn hindurch) Bruch ein.

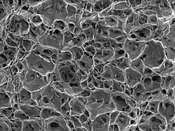
Der duktile Gewaltbruch wird durch hohe Temperatur, einen größtenteils einachsigen Spannungszustand, welcher sich auch durch dünnwandige Bauteile ergeben kann, sowie durch weiche Werkstoffe (z. B. Kupfer) begünstigt. Bei duktilen Gewaltbrüchen, die unter Zug bis zum Bruch belastet werden, lassen sich Zugwaben (siehe Abbildung) sowie Abtrennung einzelner Phasen und Carbideinschlüsse erkennen.

Die im Bild erkennbaren Waben entstehen allgemein durch lokales Einschnüren zwischen Einschlüssen/Ausscheidungen und dem Matrixmaterial sowie an Poren und Mikrolunkern. Die lokale Abtrennung der Partikel vom Matrixmaterial weitet sich mehr und mehr in Richtung der von außen einwirkenden Spannung zu ellipsoidförmigen Hohlräumen auf. Viele dieser Hohlräume entstehen und dehnen sich. Wird eine gewisse kritische Anzahl an Hohlräumen überschritten, so kommt es zum Abscheren der Stege zwischen den Hohlräumen, und die für den duktilen Gewaltbruch typische Wabenstruktur wird sichtbar.
Andere Brucharten
- Sprödbruch
- Ermüdungsbruch (auch Dauerbruch genannt)
- Mischbruch
Weblinks
- Mikromechanisch basierte Schädigungsmodelle (abgerufen am 2. Juli 2020)
- Mechanische Prüfverfahren (abgerufen am 2. Juli 2020)
- Schriftliche Vorbereitung zur Übung Kerbschlagbiegeversuch (abgerufen am 2. Juli 2020)
- Praktikum Grundlagen der Werkstofftechnik (abgerufen am 2. Juli 2020)
- Einflussfaktoren auf das Sprödbruchverhalten im Fallgewichtsversuch (abgerufen am 2. Juli 2020)