Fließbild
Das Fließbild (Flussbild, Fluss-Schema, Fließschema) ist ein Hilfsmittel in Form einer technischen Zeichnung innerhalb der Verfahrenstechnik. Es stellt in schematisierter Form die einzelnen Verfahrensabschnitte dar. Geregelt ist die Darstellung nach EN ISO 10628 (national: u. a. DIN EN ISO 10628, ÖNORM EN ISO 10628). Innerhalb dieser Norm unterscheidet man je nach dem Grad der Abstraktion in Grundfließschema, Verfahrensfließschema, Rohrleitungs- und Instrumentenfließschema.


Grundfließschema
Das Grundfließschema ist die Darstellung eines Verfahrens oder einer verfahrenstechnischen Anlage in einfacher Form. Die Darstellung erfolgt mit Hilfe von Rechtecken (Bedeutung: z. B. Verfahrensstufen, Grundoperationen, Verfahrenstechnische Anlagen, Anlagenteile), deshalb auch Blockfließbild genannt, die durch Linien oder Pfeile (Bedeutung: Fließlinie für z. B. Stoffe, Energie, Energieträger) verbunden werden. Es enthält die Benennung der Ein- und Ausgangsstoffe (Edukte und Produkte). Als Zusatzinformationen können Stoffströme, Energieträger, Durchflussmengen und charakteristische Betriebsbedingungen (Druck, Temperatur, Konzentrationen) angegeben werden.
Verfahrensfließschema
Das Verfahrensfließschema (engl. PFD: Process Flow Diagram) ist die Darstellung eines Verfahrens mit Hilfe von graphischen Symbolen, die durch Linien verbunden sind. Die graphischen Symbole bedeuten Anlagenteile (Ausrüstungen und Maschinen), die Linien Fließlinien für Stoffe und Energien bzw. Energieträger. Das Produktionsverfahren wird spezieller beschrieben, Apparate werden aufgezählt, mit Kürzeln spezifiziert und quantitative Angaben bereitgestellt. Betriebsdaten wie Stoff- und Energieströme können vermerkt werden. Das Verfahrensfließschema ist die wichtigste Planungsunterlage für den Anlagenbetrieb, Ausbau und die Kommunikation unter den Fachabteilungen, da die physikalische und chemische Funktion einer Anlage dokumentiert ist.
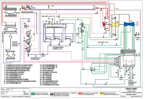
Rohrleitungs- und Instrumentenfließschema
Hier hat der Detaillierungsgrad weiter zugenommen. Das Rohrleitungs- und Instrumentenfließschema (auch: R&I-Fließschema, engl. P&ID: Piping and Instrumentation Diagram) zeigt die Verknüpfung der Leitungen, die Flussrichtungen und sämtliche Einbauten einer Rohrleitung. Zusätzlich können Verbindungsarten wie Flansch- oder Schweißverbindung dargestellt sein und die Rohrleitungen sind bezeichnet. Die Bezeichnung lässt die Nennweite, das Medium (Fluid), die zu verwendende Rohrklasse und anzuwendende Isolierung erkennen. Das R&I-Fließschema soll nach Möglichkeit den geometrischen Verlauf der Rohrleitung korrekt wiedergeben, Angaben für Leitungen mit Gefälle müssen für die Rohrleitungskonstruktion eingetragen sein. Die Höhen- und Größenverhältnisse der Apparate sollten erkennbar sein. Die Darstellung der Rohrleitungssymbole ist durch DIN 28000-4:2014-07 / DIN EN ISO 10628-1:2015-04 / DIN EN ISO 10628-2:2013-04 geregelt. Alle in die Rohrleitungen einzubauenden Messstellen sind eingezeichnet und bezeichnet. Außerdem werden sämtliche Wirklinien von Steuer- und Regelungsorganen nach DIN EN 62424:2010-01; VDE 0810-24:2010-01 dargestellt. Der Übergang einer dargestellten Rohrleitung in ein anderes R&I-Fließschema wird wie beim Grundfließschema durch ein beschriftetes Kästchen, meistens in Pfeilform, gekennzeichnet.
Im R&I-Fließschema werden i. d. R. keine Prozessparameter mehr gezeigt, die chemische und physikalische Arbeitsweise einer Chemieanlage bleibt also verborgen. Das Rohrleitungs- und Instrumentenfließschema ist das maßgebliche Grunddokument für die Rohrleitungs- und Instrumentenplanung.