Valley-Fill-Schaltung
Die Valley-Fill-Schaltung – deutsch ‚Talfüllungsschaltung‘ – ist eine Form von passiven Leistungsfaktorkorrekturfiltern zur Filterung von unerwünschten Oberschwingungen in elektronischen Netzteilen. Im Gegensatz zu üblichen passiven Leistungsfaktorkorrekturfiltern besteht diese Schaltung nicht aus Drosseln, welche bei größeren Leistungen ein hohes Gewicht aufweisen, sondern die Reduktion des Oberschwingungsgehaltes wird durch eine spezielle elektrische Schaltung im Bereich der Glättungskondensatoren erreicht.
Allgemeines

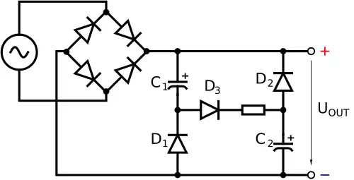
Die Valley-Fill-Schaltung besteht aus einem Brückengleichrichter, welcher zunächst die zugeführte Wechselspannung gleichrichtet. Zur Reduktion der Stromspitzen zufolge eines direkt an die Gleichspannung angeschlossenen Glättungskondensators dient die rechts abgebildete Valley-Fill-Schaltung. Die Stromspitzen werden dabei reduziert, und in Folge kommt es auf Wechselspannungsseite zu einem geringeren Oberschwingungensanteil. Dabei werden zunächst die beiden Glättungskondensatoren C1 und C2 über die Diode D3 und den Reihenwiderstand R langsam auf jeweils auf den halben Wert des Spitzenwertes der Gleichspannung aufgeladen. Der Reihenwiderstand wird so gewählt, dass einerseits die Stromspitzen möglichst minimal sind, andererseits die Kondensatoren nach wenigen Perioden auf halbe Spitzenspannung geladen sind.
Zu den Zeiten, in denen die Gleichspannung am Brückengleichrichter unter den halben Spitzenwert absinkt, beginnen die beiden Dioden D1 und D2 zu leiten, D3 sperrt, und die Glättungskondensatoren werden über die rechts an den Klemmen angeschlossene Last entladen.
Durch die Valley-Fill-Schaltung wird gegenüber einem einfachen Glättungskondensator der Oberschwingungsanteil auf Wechselspannungsseite reduziert. Der Nachteil ist die vergleichsweise hohe Brummspannung von 50 % auf Gleichspannungsseite, auf welche die angeschlossenen Verbraucher ausgelegt sein müssen.
Literatur
- K. Kit Sum: Improved Valley-Fill Passive Current Shaper. PowerSystems World, 1997 (Online [PDF; 34 kB]).