Torpedo Typ 93
| Torpedo Typ 93 | |
|---|---|
![]() | |
| Allgemeine Angaben | |
| Bezeichnung | 九三式魚雷 |
| Herkunftsland | |
| Hersteller | Kaiserlich Japanische Marine |
| Einsatzzeit | 1936 bis 9/1945 |
| Technische Daten | |
| Länge | 9 m |
| Durchmesser | 61 cm |
| Gefechtsgewicht | 2,7 t |
| Antrieb | Dampfgas mit Sauerstoff als Druckgas |
| Geschwindigkeit | Bis zu 52 Knoten |
| Reichweite | bis zu 40,4 km |
| Ausstattung | |
| Gefechtskopf | 490 kg |
| Zielortung | keine |
| Listen zum Thema | |
Der Typ-93-Torpedo (jap. 九三式魚雷, kyūsan-shiki gyorai) war ein 61-cm-Torpedo, der auf Kriegsschiffen der Kaiserlich Japanischen Marine zwischen 1936 und 1945 eingesetzt wurde. Die Bezeichnung Typ 93 deutet dabei auf das Jahr der Erstentwicklung, das Jahr Kōki 2593 bzw. 1933 nach gregorianischem Kalender hin. Unter strikter Geheimhaltung entwickelt, wurde er in der westlichen Welt unter dem Spitznamen Long Lance ("Lange Lanze") bekannt, den ihm der amerikanische Marinehistoriker Samuel Eliot Morison gab.
Es handelte sich sowohl um den Torpedo mit der größten Reichweite als auch um den mit dem größten Sprengkopf, der im Zweiten Weltkrieg zum Einsatz kam. Die Technik des Typ 93 war die Grundlage für andere japanische Torpedos wie den Typ 95 (die U-Boot-Variante des Typ 93) und weitere Entwicklungen wie den Kaiten.[1]
Entwicklungsgeschichte
Seit 1883 bezog die japanische Marine Torpedos aus Europa, hauptsächlich von den Herstellern Whitehead und Schwartzkopff. Die Torpedos wurden in Japan nach einem Bezeichnungssystem der Marine benannt.[2]
Bereits 1916 wurden von der japanischen Marine für kurze Zeit Versuche mit Gasgeneratoren für Torpedos durchgeführt, welche reinen Sauerstoff produzierten. Die Deflagration der Gasgeneratoren konnte jedoch nicht ausreichend gesteuert werden. Bei der Entwicklung der Torpedos Typ 6 (1917) und Typ 8 (1919) wurden die technischen Erkenntnisse von 1916 weiterverwertet. Zusätzlich wurde von den Japanern auch die letzte deutsche Konstruktion aus dem Ersten Weltkrieg, der 60-cm-H-Torpedo,[3] ausgiebig untersucht.
Im Jahr 1924 wurde schließlich der Whitehead-Torpedos des Typs Mark VIII von der japanischen Marine beschafft, von dem 20 Stück bei den Whitehead-Werken in Weymouth bestellt und produziert wurden.[4] 1927 ließ sich Shizuo Oyagi (später Admiral der japanischen Marine) ausführlich zum Stand der Torpedotechnik informieren. Besonderes Interesse lag dabei auf Sauerstoffanreicherung der Treibgase, die bei den Torpedos „21 inch Mark VII“ und „Mark VIII“ vorübergehend genutzt wurde. Im Gegensatz zum Vierzylinder-Radialmotor des Mark VIII sollte der Motor des neuen Typ-93-Torpedos auf ein früheres Design der Whitehead-Motoren zurückgehen. Dieser Motor ist eine Kombination von Freikolbenmaschine und Hubkolbenmotor mit zwei parallelen Zylindern und Seewasserkühlung, die auf eine Entwicklung von Jones von der Whitehead-Werft in Fiume zurückgeht.[5][6][7][8]
Der Typ-93-Torpedo wurde von Kapitän Kishimoto Kaneharu und einer Arbeitsgruppe der Marine in Kure von 1928 an zur Serienreife entwickelt und ab 1936 in großem Umfang auf Überwasserschiffen der japanischen Marine eingesetzt. Das erste Vorserienmodell war der Typ-93 Modell 1, der 1933 fertiggestellt wurde. Nach erfolgreichen Testreihen wurde das Vorserienmodell modifiziert. Die neue Version Typ-93 Modell 1 Mod. 1 hatte einen durch Spanten verstärkten Druckkörper und vergrößerte Seewasser-Einlässe, um Zylinderköpfe und Pleuel effektiver zu kühlen.
Die Variante, die letztlich zwischen 1936 und 1944 in Serie ging, war eine verbesserte Version dieser „Modifikation 1“.
- Typ-93 Modell 1 Mod. 2 erhielt zuverlässigere Sauerstoffventile als die Prototypen, verstärkte Spanten und eine vereinfachte Schmierölzuleitung für den Motor. Er war die am häufigsten produzierte Version des Typ 93.
- Typ-93 Modell 2 war ein Versuchsträger, um den Torpedo den Höchstgeschwindigkeiten der japanischen Zerstörer, die ihn einsetzen sollten, durch eine höhere Eigengeschwindigkeit der Waffe anzupassen. Der Torpedo erreichte 52 Knoten, kam aber nie zum Einsatz. Nur zwei Stück wurden gebaut.
- Typ-93 Modell 3 wurde 1943 entwickelt. Dem Sauerstoff wurde hier vor dem Start nicht Druckluft, sondern Tetrachlormethan beigemengt und der Gefechtskopf erhielt eine Ladung von 750 kg Sprengstoff. Die Reichweite reduzierte sich jedoch auf 30.000 Meter.[1]
Die Produktionsstätten für den Typ 93 lagen in Kure und Sasebo. Die Produktionszahlen erreichten 1943 ihren Höhepunkt.
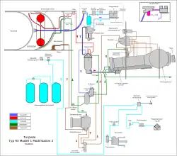
Aufbau und Funktionsweise



Sauerstofftanks
Der Torpedo folgte grundsätzlich dem klassischen Aufbau bereits bekannter Torpedotypen. Lediglich die sonst verwendete Druckluft wurde durch 98 % reinen Sauerstoff ersetzt. Das führte zu einer deutlich höheren Energieausbeute, da der Anteil von Sauerstoff in Luft nur etwa 21 % beträgt.
Der innere Aufbau der Waffe musste jedoch verändert werden, um der Explosionsgefahr, die vom Sauerstoff in dem 3,5 m langen, 980 Liter fassenden Tank ausging, entgegenzutreten. So positionierte man den Tank unmittelbar hinter dem Sprengkopf im vorderen Teil des Torpedos und entfernte ihn auf diese Weise so weit wie möglich von der Brennkammer. Die Mechanismen und Tanks, die zur Tiefensteuerung und Seitenlenkung benötigt wurden, baute man ebenso hinter dem Tank ein, was den Abstand zur Brennkammer weiter vergrößerte. Zusätzlich schirmte man den Sauerstofftank, der unter 22.800 kPa (228 bar) Druck stand und den dahinter liegenden 95-Liter-Treibstofftank durch ein Zwischenschott vom Heck der Waffe ab.
Alle Leitungen, die Sauerstoff transportierten, wurden vor ihrem Einbau sorgfältig chemisch gereinigt und im oberen Teil des Torpedokörpers verlegt, um eine Reaktion des Sauerstoffs mit Flüssigkeiten oder Verschmutzungen zu verhindern. Das Problem einer heftigen, schwer kontrollierbaren Reaktion des Sauerstoffs beim ersten Zünden der Brennkammer, an dem die Erprobungen anderer Marinen gescheitert waren, wurde dadurch gelöst, dass man die Kammer zunächst mit weniger gefährlicher Druckluft füllte und dann langsam den Sauerstoffanteil erhöhte, bis die maximale Leistung erreicht war.
Generator, Motor und Welle
Gasgenerator
Der Gasgenerator mit seiner Brennkammer war den Zylindern vorgeschaltet und hatte die Aufgabe, die verwendeten Treibstoffe zu vermischen und zu verbrennen. Es musste dabei sichergestellt werden, dass dem Generator kontinuierlich konstant bleibende Brennstoffmengen zugeführt wurden, um eine gleich bleibende Leistung zu gewährleisten.
- Sauerstoff aus dem Haupttank musste deshalb zunächst in einen kleinen, vorgeschalteten Tank geführt werden, in dem ein konstanter Druck gehalten wurde, um den sinkenden Druck im Sauerstofflagertank auszugleichen, bevor er an den Generator geliefert werden konnte.
- Der Kraftstoff, den die Japaner als „Nummer 1 Petroleum“[A 1] bezeichneten, wurde dagegen an der Oberseite des Kraftstofftanks entnommen und verbrauchtes Petroleum über ein Ventil durch Wasser ersetzt, so dass der Pegel im Tank immer gleich blieb und immer genug Brennstoff den Abscheider im Tank erreichte. So blieb auch die Lastigkeit der Waffe unverändert.
Die japanischen Ingenieure gerieten bei der Konstruktion des Gasgenerators in ein Dilemma: Auf der einen Seite mussten sie möglichst heiße Gase in der Brennkammer erzeugen und zu den Zylindern leiten, auf der anderen Seite mussten sie verhindern, dass die Hitze in der Kammer Teile des Generatorkopfes zum Schmelzen brachte. Sie entschieden sich, mittels einer Pumpe Seewasser als Kühlmittel in die Brennkammer zu leiten. Das Wasser musste dabei vollständig verdampfen, um einen Leistungsverlust des gesamten Motors zu verhindern.
Die Abläufe im Generator begannen mit der Einleitung des „Nummer 1 Petroleums“ in der Mitte des Generatorkopfes, es traf dabei über der Brennkammer rechtwinklig auf den eingepressten Sauerstoff, der das Petroleum verwirbelte. Auf ähnliche Weise wie das Petroleum wurde nun auch das Salzwasser als Kühl- und Lösungsmittel in den Generator eingebracht. Das Sauerstoff-Petroleum-Wasser-Gemisch traf in der Brennkammer des Generators aufeinander, wurde durch einen Brenner entzündet und verbrannte zu heißem Gas, wobei sich das Volumen des Gemisches erheblich vergrößerte und der Druck entsprechend stieg. Das abbrennende Gemisch heizte den Generator auf 659 °Celsius auf und wurde in die Zuleitungen der beiden Zylinder gedrückt, die sich unterhalb der Brennkammer befanden.
Motor und Welle
Die heißen Gase wurden unter Druck anschließend in die beiden Zylinder geleitet, die auf diese Weise angetrieben wurden. Als Folge des verwendeten Salzwassers mussten die Zylinder um 3 mm verlängert werden, so dass die anfallenden Salzwasserrückstände den oberen Totpunkt der Kolben nicht beeinträchtigten.
Als Motor modifizierte man eine Maschine aus einem Whitehead-Torpedo, eine Zweizylinder-Kolbenmaschine aus Großbritannien, bei der man die erreichbare Leistung von 320 auf 520 PS steigerte. Das bedeutete eine Vergrößerung des Hubraums gegenüber anderen zeitgenössischen Torpedotypen wie dem britischen Mk VIII auf mehr als das Doppelte (rund 11.208 cm³ gegenüber 4.588 cm³). Das Gewicht des Motors war mit 350 kg beim japanischen Typ 93 um 233 kg größer als das des britischen Torpedos.
Der Motor bestand aus zwei parallel angeordneten Zylindern, die ihre Kraft mit zwei Pleueln auf die Kurbelwelle übertrugen. Die Kurbelwelle bildete mit dem Getriebe eine Einheit, die die Kraft auf zwei gegenläufige Wellen mit entsprechenden Propellern weiterleitete. Das Motorprinzip wurde als Antriebsmotor mit Wendegetriebe für Torpedos von Frank William Dodd als Ingenieur der Withehead-Torpedowerke von Weymouth 1909 zum Patent angemeldet.[9]
Die beiden Zylinder des Motors trieben mit einer Leistung von 520 PS eine Welle an, die ihre Energie bei bis zu 1200 Umdrehungen pro Minute über eine innere und äußere Welle an zwei koaxial montierte, gegenläufige, vierblättrige Propeller am Heck des Torpedos abgab. Das Motorengehäuse und die Welle waren in der hinteren Torpedosektion von Meerwasser umspült, so dass ein gewisser Grad an Kühlung erreicht wurde.
Steuerung
Die Tiefensteuerung wurde durch einen Tiefenmesser übernommen, der die horizontalen Ruder des Torpedos steuerte, um die voreingestellte Tiefe zu halten. Die Richtungssteuerung erfolgte über ein Kreiselinstrument, das die vertikalen Ruder am Heck regelte, um den Torpedo auf den vorher eingestellten Kurs zu steuern. Die Ruder waren dabei dem üblichen Whoolwich-Design nachempfunden. Die Energie, die für die zur Richtungs- und Tiefenänderung notwendigen Ruderbewegungen gebraucht wurde, kam aus zwei, bei anderen Varianten aus drei, mit Druckluft gefüllten Tanks. Diese Druckluft betrieb das Kreiselinstrument und den Servomotor der Rudersteuerung.
Sprengkopf und Nase
Der Sprengkopf bestand aus 490 kg Sprengstoff, der im Vorderteil des Torpedos untergebracht war. Der verwendete Typ-97-Sprengstoff war eine Mischung aus 60 % TNT und 40 % HNDA.[10] Die Zündung der Sprengladung erfolgte über einen konventionellen Aufschlagzünder, nachdem die Japaner die Forschungen an Magnetzündern aufgegeben hatten. Der Typ-90- und der 1940 eingeführte Typ-2- Aufschlagzünder unterschieden sich durch einen überarbeiteten Mechanismus im Typ 2. Es war beim Typ 90 infolge zu hoher Sensibilität zu verfrühten Zündungen durch die Vibrationen des Torpedomotors gekommen. Beim Typ 2 konnte vor dem Start der Waffe zudem die Entfernung eingestellt werden, nach der sich der Zünder scharf schaltete.
Abhängig von der Formgebung der Torpedonase variierte die Geschwindigkeit zwischen frühen und ab 1940 produzierten Typ-93-Modellen um zwei Knoten.[1]
Einsatz
Vorbereitung und theoretischer Ablauf
In regelmäßigen Abständen wurden die im Dienst befindlichen Torpedos zerlegt und gründlich von Schmutz und besonders von Ölresten gereinigt, um gefährliche chemische Reaktionen zu verhindern, die zur Explosion der Waffe führen konnten.
Bei einem bevorstehenden Torpedoeinsatz wurde der „Typ-93-Torpedo“ von den Bedienmannschaften mit Sauerstoff betankt. Der dafür nötige Sauerstoff wurde an Bord der Schiffe erzeugt und über ein Ventil an der Torpedooberseite in den Tank gepresst.
Der Torpedo wurde beim Erkennen eines Zieles über zwei Wählscheiben an der Oberseite des zylindrischen Waffenkörpers mit der gewünschten Zielentfernung und dem gewünschten Steuerkurs der Waffe programmiert.
Gestartet wurde die Waffe schließlich durch Ausstoßen aus einem Torpedorohr, wie sie in der Regel in Zwillings-, Drillings- oder Vierlingssätzen an Deck von Kreuzern oder Zerstörern aufgestellt waren. Kurz vor dem Ausstoßen des Torpedos öffnete die Mannschaft das Druckluftsperrventil und entriegelte das Sauerstoffrückschlagventil auf der Torpedooberseite. Das Betätigen des Abschusshebels am Torpedorohr löste die Sicherung im Gruppenventil und erlaubte so der Druckluft, den Generator und die Pumpe im Torpedo in Gang zu setzen und den Motor zu starten. Beim Eintauchen ins Wasser wurde eine kleine Klappe am Torpedokörper durch das vorbeiströmende Wasser umgeklappt und damit die Druckluft im Steuerungskreislauf freigesetzt, die das Kreiselinstrument und den Servomotor für die Ruderbewegungen betrieb.
Der Torpedomotor wurde angefahren und auf die Leistung gebracht, die zum Erreichen der vorher eingestellten Zielentfernung nötig war. Bei sehr weit entfernten Zielen wurde der Sauerstoff langsam verbrannt, und der Torpedo hatte eine entsprechend niedrigere Geschwindigkeit – zum Beispiel 38 Knoten bei einer Entfernung von 40 Kilometern zum Ziel. Bei einer geringen Zielentfernung konnte die Waffe auf die Höchstgeschwindigkeit von knapp 50 Knoten beschleunigen, hatte ihren Treibstoff aber nach 20 Kilometern verbraucht. Der Verbrauch von Sauerstoff lag bei einer so hohen Geschwindigkeit bei 0,289 kg pro Sekunde und der von Treibstoff bei 0,103 kg pro Sekunde.
Ein wesentlicher Vorteil trat als Nebeneffekt von reinem Sauerstoff auf: Der Oxidator reagierte mit dem Brennstoff fast vollständig zu Wasser und Kohlendioxid. Diese Abgase des Torpedos lösten sich auf ihrem Weg im Meerwasser nahezu vollständig auf. Bei den bisher verwendeten Torpedos nahm der Stickstoffanteil der verwendeten Druckluft nicht an der Reaktion teil und bildete eine verräterische Blasenspur oder gar eine lumineszierende Welle.
Einsätze

Der „Typ-93-Torpedo“ wurde während des gesamten Pazifikkrieges von Kriegsschiffen der Kaiserlich Japanischen Marine eingesetzt. Die Einsätze, mit denen den Alliierten dabei der größte Schaden zugefügt wurde, beschränkten sich auf die Anfangsphase des Krieges zwischen Ende 1941 und Mitte 1943. In den Seeschlachten in diesem Zeitraum konnte die kaiserliche Marine noch ihre überlegene Ausbildung in Gefechten bei Dunkelheit voll ausspielen und hatte die Luftherrschaft noch nicht an die United States Navy verloren.
Im Februar 1942 stellte eine zum Geleitschutz eingeteilte Flotte der Kaiserlichen Marine eine Flotte alliierter Kreuzer und Zerstörer während der Schlacht in der Javasee. Die niederländischen Kreuzer Java, De Ruyter und der Zerstörer Kortenaer wurden dabei durch „Typ 93 Torpedos“ versenkt. Die beiden Kreuzer Perth und Houston fielen kurz darauf in der Sundastraße ebenfalls „Typ 93 Torpedos“ zum Opfer. Der britische Kreuzer Exeter wurde zwei Tage später gestellt und von einem Zerstörer ebenfalls mit einem „Typ-93-Torpedo“ versenkt, nachdem das britische Schiff nach Granattreffern bewegungsunfähig liegen geblieben war.
Die wohl bekanntesten Versenkungen durch „Typ-93-Torpedos“ fanden während der Seeschlachten um Guadalcanal statt. Anfang August 1942 drang eine japanische Flotte im Schutz der Dunkelheit in den Ironbottom Sound vor und überraschte dort eine alliierte Flotte. Die Schweren Kreuzer Vincennes und Canberra wurden durch „Typ-93 -Torpedos“ versenkt, die Chicago beschädigt.
Es wurden im späteren Kriegsverlauf etwa ein Dutzend weitere Schiffe durch Typ-93-Torpedos versenkt, die größten darunter waren der Leichte Kreuzer Helena und der Flugzeugträger Hornet, wobei letzterer vorher von seiner Besatzung aufgegeben worden war.
Auf japanischer Seite gingen unter anderem die Schweren Kreuzer Mikuma, Suzuya und Chōkai verloren, als Typ-93-Torpedos durch gegnerischen Beschuss auf den Schiffen explodierten.
Varianten
- Typ 94, Luftwaffentorpedo in zwei Modellen mit Durchmessern von 533 mm und 610 mm, die nie zum regulären Einsatz kamen
- Typ 95 Modell 1, U-Boot-Torpedo für 533-mm-Rohre mit einer reduzierten Sprengladung von 405 kg
- Typ 95 Modell 2, U-Boot-Torpedo, 533 mm, mit einer Sprengladung von 550 kg und reduzierter Reichweite
- Typ 97 Modell 1, Torpedo für Kleinst-U-Boote, 4500 Meter Reichweite mit 350-kg-Sprengkopf, durch einen Konstruktionsfehler unbrauchbar
- Typ 98 (auch als „Typ 97 Spezial“ bezeichnet), ab 1942 ein Torpedo für Kleinst-U-Boote, Typ 97 mit überarbeitetem Antriebs- und Steuerungssystem
- Kaiten, bemannter Torpedo für Selbstmordeinsätze mit Typ-93-Technologie
Belege und Verweise
Einzelnachweise
- ↑ Die chemische Zusammensetzung wurde von den Amerikanern nach dem Krieg wie folgt beschrieben: 86 % C, 13 % H, 1 % S
Literatur
- Robert Gardiner: Warship 1991. US Naval Institute Press, 1991, ISBN 1-55750-907-7.
- Anthony Newpower, Frederick Praeger: Iron men and tin fish: the race to build a better torpedo during World War II. 2006, ISBN 0-275-99032-X.
Weblinks
- Japanische Torpedos bei navweaps.com (englisch)
- Abhandlung über den Typ 93 auf einer privaten Website (japanisch)
Einzelnachweise
- ↑ a b c REPORTS OF THE U. S. NAVAL TECHNICAL MISSION TO JAPAN 1945–1946, SERIES O: ORDNANCE TARGETS, JM-200-D, Japanese Torpedoes and Tubes-Article 1, Ship and Kaiten Torpedoes, 8. April 1946
- ↑ Nomenklatur der Torpedos in der japanischen Marine Information on Torpedoes ( vom 19. Dezember 2010 im Internet Archive) (engl. eingesehen am 20. Februar 2011)
- ↑ Harald Fock: Z-vor! Internationale Entwicklung und Kriegseinsätze von Zerstörern und Torpedobooten. Band 1, Koehlers Verlagsgesellschaft Hamburg 2001, ISBN 3-7822-0762-9, Seite 20
- ↑ Robert Gardiner Warship 1991, Naval Institute Press, 1991, ISBN 978-1-55750-907-9
- ↑ Biographie Robert Whitehead (engl. eingesehen am 20. Februar 2011)
- ↑ Patent GB191019353: Improvements in and relating to Torpedoes. Veröffentlicht am 22. Dezember 1910, Anmelder: Whitehead & Co AG, Fiume.
- ↑ Patent GB191111408: Improvements in Automobile Torpedoes. Veröffentlicht am 10. August 1911, Erfinder: Albert Edward Jones.
- ↑ Patent DE242130: Selbstfahrender Torpedo mit Drucklufterhitzung. Veröffentlicht am 3. Mai 1910.
- ↑ Patentschrift „Improvements in and relating to Automobile Torpedoes“, Erfinder: Frank William Dodd, GB 190902639 (Vereinigtes Königreich 30. Juli 1909)
- ↑ REPORTS OF THE U. S. NAVAL TECHNICAL MISSION TO JAPAN 1945–1946, SERIES O: ORDNANCE TARGETS, JM-200-E, Japanese Explosives, Seite 8
