Thyristorschalter

Ein Thyristor-Schalter ist eine elektronische Schaltung, welche aus einem oder mehreren Thyristoren besteht und als kontaktloser elektrischer Schalter zum Ein- und Ausschalten von elektrischen Verbrauchern wie beispielsweise Elektromotoren dient. Es wird zwischen Thyristor-Schaltern für Gleichstrom und Wechselstrom unterschieden.
Varianten
Gleichstrom

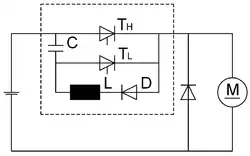
Für Gleichstrom besteht ein Thyristor-Schalter, wie in nebenstehenden Schaltbild dargestellt, aus dem Hauptthyristor TH, dem Löschthyristor TL, sowie dem Kondensator C und der Spule L. Zusammen mit einer Freilaufdiode, diese ist parallel zum Verbraucher (Motor M) geschaltet, ergibt sich ein Gleichstromsteller wie im Schaltbild gezeigt.
Die Funktion der Schaltung:
- Zur Einschaltung des Verbrauchers (Motor M) wird zunächst die Zündung des Löschthyristors TL durchgeführt. Es fließt ein Ladestrom des Kondensators von der Batterie über den Kondensator, den Löschthyristor und den Motor M.
- Danach folgt die Zündung des Hauptthyristor TH. Es fließt ein Laststrom über den Thyristor und den Motor. Außerdem entlädt sich der Kondensator über TH, D und L. Dabei wird der Kondensator C umgeladen. Der Verbraucher ist nun dauerhaft eingeschaltet, der Motor M läuft.
- Die Abschaltung erfolgt durch Zündung des Löschthyristors TL. Die aus Punkt 2. gespeicherte Ladung im Kondensators C gleicht sich nun über TL und TH aus. Der Laststrom in TH wird durch den Strom vom Kondensator reduziert und unter den Haltestrom des Hauptthyristors gesenkt, womit der Laststrom unterbrochen wird und der Hauptthyristor TH dauerhaft sperrt. Danach kann der Zyklus wieder beim ersten Punkt neu beginnen.
Über das zeitliche Verhältnis der Schaltabstände von TH und TL kann das Tastverhältnis festgelegt werden. Die Motorspannung lässt sich dann durch eine rasche Abfolge von Ein- und Auszuständen in einem bestimmten Bereich steuern.
Wechselstrom
Ein Thyristor-Schalter für Wechselstrom, auch elektronischer Schütz genannt, besteht aus zwei antiparallel geschalteten Thyristoren oder aus einem Triac, wobei die Zündung immer beim Nulldurchgang der Wechselspannung erfolgt. Ein Löschkreis wie bei der Gleichstromschaltung ist nicht erforderlich. Sobald keine neuen Zündimpulse mehr erzeugt werden, löscht der Thyristorschalter beim nächsten Nulldurchgang des Wechselstromes. Mehrere Thyristorschalter für Wechselstrom können zu einem Thyristorschalter für Drehstrom zusammengeschaltet werden und gemeinsam angesteuert werden.
Literatur
- Valentin Crastan: Elektrische Energieversorgung 2. 3. Auflage. Springer, 2012, ISBN 978-3-642-19855-7.