Technisches Zeichnen

.jpeg)









Technisches Zeichnen ist die Anfertigung von im Maschinenbau und im Bauwesen verwendeter technischer Zeichnungen durch Ingenieure (besonders Konstrukteure), Architekten, Technische Zeichner[1] und Bauzeichner. Die im Bauwesen und in der Architektur verwendeten Zeichnungen werden spezifischer auch Bauzeichnungen genannt.
Die norm- und regelgerechten und vollständigen technischen Zeichnungen entstehen i. d. R. erst am Ende des Konstruktionsprozesses und werden von Technischen oder Bau-Zeichnern nach den häufig nur skizzenhaften, meistens nur die Funktion der Produkte festlegenden Entwürfen der Ingenieure und Architekten angefertigt.
Klassik und Moderne
Von der Geschichte des manuellen, technischen Zeichnens
Viele der geometrischen Grundlagen des technischen Zeichnens, die bereits vor der Geburt Christi entdeckt und erforscht wurden, gehen auf berühmte Mathematiker wie Pythagoras von Samos oder Euklid von Alexandria zurück.
Vom Mittelalter bis ins 18. Jahrhundert
Die Anfänge des architektonischen, technischen Zeichnens wurden im bzw. vor dem Mittelalter gelegt, wie z. B. der St. Galler Klosterplan oder die Zeichnungen von Villard de Honnecourt, der u. a. auch ein Perpetuum mobile zeichnete, beweisen.
Eine frühe Darstellung eines Getriebes ist in der Zeichnung eines Schöpfwerks von Al-Jazari erkennbar, der auch eine imposante, auf dem Prinzip einer Pendelwaage mit zwei Waagschalen beruhende, mit Hilfe von Wasserkraft funktionierende, Maschine zeichnete. Weitere mittelalterliche, technische Skizzen die den Bau von Maschinen betreffen, sind unter anderem von Guido da Vigevano überliefert, der einen Kurbelwagen und ein U-Boot zeichnete.
Eine wichtige Voraussetzung für technische Zeichnungen war die Erfindung der Zentralperspektive, die Filippo Brunelleschi um 1420 zugeschrieben wird. Albrecht Dürer förderte die Verbreitung dieser Darstellungsform.[2] Im 15. Jahrhundert n. Chr. zeichnete Taccola verschiedene technische Geräte wie z. B. ein Schaufelradboot oder einen von einem Pferd angetriebenen Göpel. Das technische Zeichnen wurde unter anderem durch Leonardo da Vinci weiter verfeinert. Er stellte Maschinen und Maschinenteile nicht nur realistisch dar, sondern er ergänzte seine Zeichnungen um Elemente, die zum besseren Verständnis dienen.
Ein sehr großer Entwickler im Bereich des Technischen Zeichnen war Georgius Agricola, der den Bergbau und die Erzaufbereitung in seinem Buch der Metallkunde "De re metallica libri XII" (erschienen 1555) erstmals durch technische Zeichnungen erklärte.[2]
Ein nächster Schritt lässt sich Leonhard Christoph Sturms "Vollständige Mühlenbaukunst" (1718) nachweisen, wo erstmals Zeichnungen enthalten sind, die Maschinen maßstabsgerecht darstellen. Auch die verwendeten Materialien werden berücksichtigt.[2]
Der französische Erfinder und Flugpionier Jacques de Vaucanson konstruierte im 18. Jahrhundert in Frankreich eine Hakenkette sowie verschiedene Automaten. Seine mechanische Ente (siehe Vollschnitt unten) zeichnete er im Jahr 1738.
Technisches Zeichnen im 19. Jahrhundert
Weitere Belege für die Entwicklung des technischen Zeichnens finden sich in frühen Patentschriften aus dem 19. Jahrhundert. Da die ersten Patente jedoch bereits im 13. Jahrhundert in England vergeben wurden, ist es gut möglich, dass sich auch in Patenten noch weitaus ältere, technische Zeichnungen finden lassen. Die Disziplin des technischen Zeichnens hat sich also über Jahrhunderte hinweg evolutionär zu einer modernen Technik entwickelt. Beim klassischen technischen Zeichnen am Zeichenbrett kommen früher wie heute verschiedene Zeichenwerkzeuge, wie Reißzeug, Zirkelbesteck, Bleistift (Druckbleistifte), Radierer, Glasfaserradierer, Schriftschablone und Kurvenlineal oder auch Tuschestift bzw. Trichterfeder zum Einsatz.
Die folgenden Abbildungen von Geräten zum technischen Zeichnen und den damals üblichen Schraffurtypen stammen aus dem Enzyklopädischen Wörterbuch Brockhaus und Efron, das zwischen 1890 und 1906 in russischer Sprache erschien.
- Historische Zeichenwerkzeuge und Schraffuren
-
Titelseite der Enzyklopädie -
Zeicheninstrumente 1 -
Zeicheninstrumente 2 -
Materialschraffuren
Technisches Zeichnen im 20. Jahrhundert
Bis um 1910 (für manche Anwendungen noch bis etwa 1965) wurde fast ausschließlich mit Bleistift und Tusche auf Transparentpapier gezeichnet. Dieses spannte man mit Reißzwecken oder Kreppklebeband auf ein Reißbrett (Zeichenbrett) oder das Schräge Brett einer Zeichenmaschine. Mit der Einführung modernerer Paustechniken wie dem Lichtpausverfahren wurde das Transparentpapier mehr und mehr durch transparente Zeichenfolien ersetzt.
- Zeichenwerkzeuge
-
Zeichenstifte -
Radierer, Klebestreifen -
Zeichenmaschine -

-
Verschiedene Abreibefolien zum Aufbringen von Symbolen, Signaturen u. a. -
Trichterfedern sind die Vorläufer der Tuschefüller
Als Hilfsmittel zum exakten Zeichnen dienten zunächst die Reißschiene, Zeichendreiecke (Geometriedreiecke) und Lineale (Maßstäbe), später fast ausschließlich Zeichenmaschinen. Für geometrische Konstruktionen und Kreisdarstellung wurden Zirkel oder Kreisschablonen, für Radien spezielle Radienschablonen und zum Zeichnen von Kurven sogenannte Burmester-Schablonen verwendet und zum Beschriften Schriftschablonen.
Spezielle geodätische Zeicheninstrumente für die Kartierung der Messpunkte von topografischen bzw. Bauaufnahmen, kleinmaßstäbiger Pläne und Bestandsaufnahmen waren der Transporteur (kombinierter Strecken- und Winkelmesser), der Prismenmaßstab und Stechzirkel für Lauf- bzw. Spannmaße, ein Paar Abschiebedreiecke, und ab dem 20. Jahrhundert Kartiermaschinen wie der Koordinatograf.
- Lineale und Schablonen
-

-
Geometriedreiecke -
Lineale und Rechte Winkel -
Kurvenlineale („Burmester-Satz“)
Seit Mitte der 1990er Jahre hat das klassische technische Zeichnen stark an Bedeutung verloren. Unternehmen wie etwa Rotring waren einst auf diesen speziellen Bedarf ausgerichtet und sind heute nur noch Teil eines großen Mischkonzerns, der einen veränderten Markt mit Büromaterial versorgt.
… zur Gegenwart des computerunterstützten, technischen Zeichnens
Ab Mitte der 1960er Jahre begann der Wechsel auf Computer, CAD-Programme und Plotter. Zunächst wurden Programme zur 2D-Darstellung entwickelt, die vorerst nur die Darstellung verschiedener Ansichten erlaubten. Damit wurde anfänglich lediglich das Medium Papier bzw. Tusche durch digitale Speicherung ersetzt.
Die Konstruktionsmethodik der digitalen Zeichnungen glich anfangs noch sehr der Methodik am Zeichenbrett, Zeichnungen konnten jedoch wesentlich schneller geändert und reproduziert werden. Auch die erneute Verwendung von Teilen der Zeichnungen wurde durch Kopiermethoden wie Copy & Paste wesentlich erleichtert und selbst ganze Zeichnungen konnten von nun an einfach am Computer vervielfältigt werden. Das moderne, technische Zeichnen spielt sich seither vorwiegend vor Computermonitoren ab.
Eine neue, veränderte Art des Technischen Zeichnens ermöglichten dann nach und nach die ab Mitte der 1980er Jahre aufkommenden Programme zur 3D-Darstellung. Es wird keine Zeichnung im klassischen Sinne erstellt, sondern ein 3D-Modell des Objektes modelliert. Heutige Programme können Ansichten in beliebigen Schnittwinkel und beliebiger Projektion komplett von diesen 3D-Modellen ableiten und in digitale Technische Zeichnungen umwandeln. Neben dieser neuen durchgängig verwendeten Methode, wird die manuelle Methode als Grundlage weiterhin an einigen Realschulen und wenigen Fachoberschulen gelehrt.
-
Technisches Zeichnen 1980 (CAD) -
CAD Explosionszeichnung und Schnittdarstellung -
AutoCAD 3D-Modell (Zusammenstellung) -
Gerenderte 3D-Zeichnung eines Schraubstocks
Technisches Zeichnen per CAD (Computer aided design)
Aufgrund des enormen technischen Wandels seit Mitte der 1990er Jahre haben Hard- und Softwarehersteller den klassischen Bedarf beim technischen Zeichnen weitgehend verdrängt und CAD-Systeme etabliert, die bald die Verbindung zum Computer-aided manufacturing herstellten, sodass digitale Technische Zeichnung direkt an der Werkzeugmaschine umgesetzt werden konnten.
Anfang des 21. Jh. beherrschen Unternehmen wie Graphisoft (mit ArchiCAD), Autodesk (AutoCAD), Parametric Technology Corporation (Pro/ENGINEER, Creo) und SolidWorks einen Teil des Marktes. In der Automobilindustrie zählt u. a. CATIA von Dassault Systems zu den Standardwerkzeugen der Ingenieure. Bei der Computeranimation links handelt es sich um animierte Screenshots aus einem CAD-Programm, die vom Zeichnen einer 2D-Ansicht über deren Bemaßung bis hin zur 3D-Modellierung des Körpers incl. Abrundung der Kanten mit Radien und Rendering praktisch alle Stufen des technischen Zeichnens abdeckt.
Die mit XC, YC und ZC bezeichneten Pfeile im Modell versinnbildlichen das bei der Darstellung der Ansichten zweidimensionale, allgemein jedoch dreidimensionale Koordinatensystem, das als Referenz für jedes Modell dient. Der Ursprung dieses Koordinatensystem kann vom Konstrukteur wie bei dieser Animation innerhalb des Körpers definiert werden, aber auch an jedem beliebigen, anderen Punkt wie beispielsweise einer Ecke oder mitten auf einer Kante oder sogar an einem Bezugspunkt ganz außerhalb des eigentlichen Objektes platziert sein.
Die blauen Linien verdeutlichen eine der drei Ebenen, auf der das Koordinatensystem sitzt, wobei die verschiedenen Farben für Linien, Flächen, Bemaßung etc. ebenfalls vom CAD-Zeichner definiert werden können.
Wie realistisch 3D-Darstellungen mittels der Techniken des Modellierens und Renderns werden können, verdeutlichen die AutoCAD Zeichnungen rechts. Die Gruppenzeichnung (oben) zeigt verschiedene Bauteile nach dem Zusammenbau und unterscheidet sich von einer sogenannten Zusammenbauzeichnung dadurch, dass letztere der Erläuterung von Zusammenbauvorgängen dient, während eine Gesamtzeichnung sehr komplexe Systeme wie beispielsweise Maschinen, Geräte oder ganze Anlagen im fertigen Zustand abbildet. Solche und ähnliche Begrifflichkeiten des technischen Zeichnens regelt DIN 199, die die Terminologie in Teil 1 für Zeichnungen und Teil 2 für Stücklisten definiert.
Das Modell des Schraubstocks oben rechts verdeutlicht, wie die Grenzen zwischen gezeichneten Objekten und der Realität durch moderne CAD-Technik so sehr zerfließen, dass ungeübte Augen kaum mehr zwischen Wirklichkeit und Simulation unterscheiden können.
Das technische Zeichnen mit Hilfe verschiedener CAD-Programme entspricht um den Jahrtausendwechsel dem Stand der Technik, wobei die Anforderungen an die Hardware der Computer, die zum Zeichnen verwendet werden, im Laufe der vergangenen Jahre verändert haben. Während in den 1980er und 1990er Jahren oft auch spezielle Workstations mit sogenannten RISC-Prozessoren verwendet wurden, liefen CAD-Anwendungen zum technischen Zeichnen mehr und mehr bereits auf Personal Computern mit entsprechend leistungsfähigen Grafikkarten.
![]() ![]() |
Die Möglichkeiten des modernen technischen Zeichnens mittels CAD-System, wie es heute im Maschinen-, Anlagen- oder Apparatebau genutzt wird, verdeutlichen diese verschiedenen Schnittperspektiven eines Pendelrollenlagers.
Bauteile und Lager sind in den Ansichten und Schnitten statt durch Schraffuren mittels verschiedener Farben gegeneinander abgegrenzt. |
| Nr. | Bauteil |
|---|---|
| 1 | Achse bzw. Welle |
| 2 | Nutmutter (DIN 981), grün |
| 3 | Sicherungsblech (DIN 5406), blau |
| 4 | Wälzlager (hier: Pendelrollenlager) |
| 5 | Spannhülse (DIN 5415), rot |
Digitalisierung existierender Zeichnungen
Vor der Erstellung einer neuen CAD Zeichnung wird heute oft eine Digitalisierung vorhandener Zeichnungen mittels Scanner mit anschließender Vektorisierung der Zeichnungsdaten durch den Computer bevorzugt, da dieser Datenerfassungsprozess die manuelle Arbeit beim technischen Zeichnen weiter minimiert und somit wesentliche Zeit- und Kostenersparnisse mit sich bringt.
Nach einer anschließenden Zeichnungskontrolle und Korrektur eventueller Fehler kann die digitalisierte Zeichnung dann weiter detailliert werden.
Regeln und Normen im technischen Zeichnen
Eine wesentliche Rolle beim technischen Zeichnen spielen Normen wie DIN-Normen oder ISO.
Linienarten
Verschiedene Linienarten haben im technischen Zeichnen verschiedene Bedeutungen. ISO 128 definiert deren genaue Bezeichnung und Verwendung.
- Eine breite Volllinie definiert im Allgemeinen sichtbare Körperkanten und Umrisse, bestimmte Teile eines Gewindes usw.
- Schmale Volllinien werden vor allem für Lichtkanten, Maß- und Maßhilfslinien, Schraffuren, den Fußkreis einer Verzahnung etc. verwendet.
- Strichlinien kennzeichnen nicht sichtbare, verdeckte Körperkanten und Umrisse.
- Freihandlinien werden unter anderem für Bruchkanten bei der verkürzten Darstellung langer Bauteile, wie beispielsweise beim Zeichnen unterbrochener Wellen oder Stahlträger verwendet. Eine weitere Verwendung der Freihandlinien findet sich bei Schnitten, die im weiteren Text beschrieben werden. Zickzacklinien können wie Freihandlinien verwendet werden.
- Strichpunktlinien werden als Mittellinien (Symmetrieachsen und Rotationsachsen), Teilkreise von Verzahnungen, Lochkreise usw. verwendet, während Strich-Zweipunktlinien für Umrisse angrenzender Bauteile, Schnittebenen und ähnliches verwendet werden.
| Linienart | Linienbreite in mm | ||||
|---|---|---|---|---|---|
| Breite Volllinie, breite Strichpunktlinie, breite Strichlinie | 0,25 | 0,35 | 0,5 | 0,7 | 1 |
| Schmale Volllinie, Zickzack- oder Freihandlinie, schmale Strichlinie, schmale Strichpunkt- und Strich-Zweipunktlinie | 0,13 | 0,18 | 0,25 | 0,35 | 0,5 |
Die zu verwendenden Linienbreiten richten sich nach obiger Tabelle, wobei bei Beschriftung nach DIN 6776–1 eine dritte Linienbreite zwischen breiten und schmalen Linien verwendet werden kann. Dabei gilt dann folgende Tabelle, wobei die mittlere Linienbreite für Schrift, grafische Symbole und unsichtbare Kanten verwendet wird.
| Liniengruppe | Bevorzugt für Blattformat | Linienbreite in mm | ||
|---|---|---|---|---|
| 0,5 | A2 und kleiner | 0,25 | 0,35 | 0,5 |
| 0,7 | A1 und A0 | 0,35 | 0,5 | 0,7 |
Entsprechend bieten die verschiedenen Hersteller von Zeichenbedarf Tuschestifte in verschiedenen Linienbreiten an.
- Linienarten
-
Freihandlinie -
Zickzacklinie -
Breite Volllinie -
Schmale Volllinie -
Breite Strichlinie -
Schmale Strichlinie -
Breite Strichpunktlinie -
Schmale Strichpunktlinie -
Strich-Zweipunktlinie
Maßstab
Der Maßstab zur Zeichnungserstellung muss vorab gewählt werden. Der natürliche Maßstab ist 1 : 1. Des Weiteren gibt es Verkleinerungsmaßstäbe, z. B. 1 : 2 oder Vergrößerungsmaßstäbe, z. B. 10 : 1. Bei einer Zeichnung die per CAD erstellt wird, kann der Maßstab nach der Ansichtenerstellung problemlos geändert werden.
Ansichten


Man unterscheidet im technischen Zeichnen grundsätzlich zwischen folgenden Ansichten:
- Vorderansicht (1. Hauptansicht)
- Seitenansicht von rechts
- Seitenansicht von links (2. Hauptansicht)
- Draufsicht (3. Hauptansicht)
- Rückansicht
- Untersicht
Die genannten Hauptansichten beziehen sich auf die europäische Darstellungsvariante, wobei das darzustellende Objekt in der Regel in diesen drei Ansichten gezeichnet wird und Nebenansichten nur dann zur Anwendung kommen, wenn die darzustellende Geometrie so komplex ist, dass diese nicht komplett anhand der Hauptansichten beschrieben werden kann.
In der europäischen Variante der Normalprojektion findet sich die Seitenansicht von links rechts neben der Vorderansicht, in der amerikanischen Darstellung entsprechend auf der linken Seite der Vorderansicht.
Zur Unterscheidung wird daher nach DIN 6 ein Symbol für die Projektionsebene im Zeichnungskopf integriert.
- Die Ansichten und deren Projektion
-
Darzustellender Körper im Projektionsquader -
2 Hauptansichten und Seitenansicht von rechts -
Entfaltung des Quaders -
Die sechs Ansichten in europäischer Darstellung
Schnittdarstellungen
Schnittdarstellungen dienen ganz allgemein der Darstellung von Elementen und Konturen, die normalerweise im Innern des darzustellenden Bauteils verborgen liegen und zu Zwecken der Fertigung, der damit verbundenen Dokumentation oder Erklärung von Funktion sichtbar dargestellt werden sollen.
Schnittarten, Schnittgrenzen und Schraffur






Bei Detail- und Zusammenbauzeichnungen ist die schematische Darstellung von Ausschnitten im Teilschnitt, Halbschnitt oder Vollschnitt weit verbreitet, wobei es bei deren fachgerechter Darstellung im technischen Zeichnen einige spezielle Regeln zu beachten gilt.
Zur Hervorhebung von Schnittgrenzen sind beispielsweise bei Ausschnitten Freihandlinien zu verwenden und der Schnittverlauf ist in einer ungeschnittenen Ansicht mit Pfeilen zu kennzeichnen, welche die Blickrichtung des Schnittes definieren. Bei Veränderung des Schnittverlaufes innerhalb einer Zeichnung muss etwa ein abknickender Schnittverlauf in einer Ansicht entsprechend gekennzeichnet werden.
Schraffurlinien sind in der Regel im 45° bzw. 135° Winkel auszuführen, der Abstand der Schraffurlinien ist der Größe und dem Maßstab der Zeichnung anzupassen, wobei diese Regel (wie die dargestellten Schnitte zeigen) durchaus Raum für Interpretationen des jeweiligen Technischen Zeichners lässt.[3]
Gegenläufige Schraffuren mit verschiedenen Linienabständen werden im Technischen Zeichnen nicht nur zur Unterscheidung verschiedener Bauteile, sondern teilweise auch zur Darstellung unterschiedlicher Materialien verwendet. Details hierzu wie auch zu den verwendbaren Farben regelt ISO 128-50 (vorher DIN 201). Bei großen Objekten kann auf eine komplette Schraffur verzichtet werden und stattdessen nur der Rand des Objektes entlang der Körperkanten schraffiert werden.
Auf die Darstellung von unsichtbaren Kanten in Schnittdarstellungen soll zu Gunsten der Übersicht weitgehend verzichtet werden.
Vollschnitt
Unter einem Vollschnitt versteht man eine Ansicht, die nur die Schnittdarstellung zeigt. Dieser Schnitt verläuft beispielsweise entlang der Achse eines Körpers oder senkrecht dazu. Eine weitere Möglichkeit ist der Schnittverlauf entlang einer signifikanten inneren Ebene des darzustellenden Objektes. Beim Vollschnitt wird nur die hinter der Schnittebene liegende Hälfte bzw. der hinter dieser Ebene liegende verbleibende Teil des Körpers dargestellt.
- Verschiedene Schnittdarstellungen
-
Mechanische Ente (1738) -
Dampfkessel (1876)
-
Auflager (1904) -
Getriebeschnitt (1911) -
Dosierkopf (2006) -
Dichroskop (2006) -
Keilwelle (2007) -
Riemenantriebe (2007)
Halbschnitt
Unter einem Halbschnitt versteht man eine Schnittdarstellung, bei der im Gegensatz zum Vollschnitt nicht nur eine, sondern zwei senkrecht zueinander stehende Schnittebenen im darzustellenden Körper verlaufen. Hierdurch wird ein Viertel des Körpers aus dem betreffenden Objekt herausgetrennt dargestellt. Anwendung findet der Halbschnitt vorwiegend bei Rotationskörpern.
Während der horizontale Halbschnitt (Fig. 15 und Fig. 16) aus dem Jahr 1904 die Ansichten unten und den jeweiligen Schnitt oben zeigt, ist nach den heute gültigen Regeln[3] für horizontale Halbschnitte die umgekehrte Anordnung (Ansicht oben, Schnitt unten) üblich. Für vertikale Halbschnitte gilt heute entsprechend Ansicht links und Schnitt rechts.
Teilschnitt und Ausbruch
Unter einem Teilschnitt versteht man eine Schnittdarstellung, bei der ein bestimmter Ausschnitt (beispielsweise eines größeren Objektes) als getrenntes Detail im Schnitt dargestellt wird, wobei die Schraffur bei einem Teilschnitt nach außen offen bleiben kann, während ein Ausbruch (eine scheinbar herausgebrochene Fortsetzung) durch eine Freihandlinie begrenzt (zum nicht geschnittenen angrenzenden Gebiet) dargestellt wird.
Profilschnitt
Wird ein Profil (z. B. Stahlprofil) im Schnitt dargestellt, so kann diese Schnittdarstellung innerhalb einer Ansicht des Profils mit schmalen Volllinien oder aber neben einer Ansicht mit breiten Volllinien gezeichnet werden.
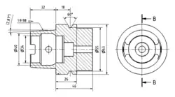
Abgewinkelter Schnittverlauf
Weiterhin können auch Schnitte in verschiedenen Richtungen innerhalb einer Zeichnung dargestellt werden. Im oben abgebildeten Vollschnitt mit Bemaßung wäre beispielsweise eine Darstellung von zwei Halbschnitten möglich, wobei die zweite Schnittachse dann um 90° gedreht gewählt werden könnte und der Verlauf B–B durch einen entsprechenden, rechten Winkel im Zentrum der kreisförmigen Ansicht sowie ein um 90° gedrehtes B gekennzeichnet würde. Die Schnittansicht würde dann in der oberen Hälfte den einen und in der unteren Hälfte den anderen Schnitt zeigen.
Bemaßung und Beschriftung



Die dargestellte Geometrie wird durch die Bemaßung quantifiziert. Auch bei der Bemaßung und Beschriftung von Technischen Zeichnungen spielen Normen eine wesentliche Rolle. Grundelemente der Bemaßung (siehe Darstellung rechts) sind:
- Maßpfeil links
- Maßlinie
- Maßzahl
- Maßhilfslinie
- Maßpfeil rechts
Statt Maßpfeilen können zur Maßlinienbegrenzung beispielsweise bei Platzmangel oder zur Vereinfachung bei Skizzen auch Punkte oder Schrägstriche verwendet werden. DIN 406 legt die allgemeinen Grundlagen für Maßeintragungen in technischen Zeichnungen und anderen technischen Unterlagen fest. Die sogenannten Allgemeintoleranzen werden im Zeichnungskopf der technischen Zeichnung global für das gesamte, in der Zeichnung dargestellte Bauteil definiert.
ISO 2768-1 definiert die Regeln für Allgemeintoleranzen für Längen und Winkel und ISO 2768-2 die entsprechenden Allgemeintoleranzen für Form- und Lage.
Weiterhin sind die Regeln der Norm EN ISO 1302 zur Eintragung von Oberflächenangaben und gleich mehrere Normen für die Bemaßung von Passungen zu beachten.
- Bohrung und Gewinde im technischen Zeichnen
-

-

-

-

Schriftfeld nach EN ISO 7200
Weitere Informationen zu Bemaßung und Beschriftung, die unter anderem die Eintragungen im und über dem Schriftfeld betreffen, finden sich in der entsprechenden Norm sowie im Artikel Technische Zeichnung.
Spezielle Normen
Eine vollständige Darstellung aller gültigen Normen für das technische Zeichnen ist an dieser Stelle nicht gedacht. Vielmehr sollen hier die wesentlichsten Normen gelistet werden, die beim technischen Zeichnen Anwendung finden. Für weitere Details sei auf spezielle Literatur zum Thema verwiesen. Spezielle Normen für Bauzeichnungen sind im Abschnitt Normen des entsprechenden Artikels gelistet.
DIN-Normen
| Norm | Bereich | Inhalt | Beschreibung |
|---|---|---|---|
| DIN 5 | Darstellung | Isometrische und dimetrische Darstellung | Verwendung im technischen Zeichnen (ersetzt durch ISO 5456-3) |
| DIN 6 | Darstellung | Ansichten und Schnitte | Darstellung im technischen Zeichnen (ersetzt durch ISO 128) |
| DIN 15 | Darstellung | Linienarten | Verwendung von Volllinie, Freihand- und Zickzacklinie, Strichpunktlinie (Achse), Strich-Zweipunktlinie etc. im technischen Zeichnen (ersetzt durch ISO 128-20 bzw. ISO 128-24) |
| DIN 30 | Darstellung | Vereinfachte Darstellungen | Verwendung im technischen Zeichnen |
| DIN 199 | Begriffe | Technische Produktdokumentation | Benennungen und Definitionen für CAD-Modelle, technische Zeichnungen und Stücklisten für die technische Produktdokumentation im Bereich der mechanischen Technik. |
| DIN 201 | Darstellung | Schraffuren und Farben | Verwendung im technischen Zeichnen (ersetzt durch ISO 128-50) |
| DIN 406 zurückgezogen | Beschriftung | Maßeintragungen, Toleranzkurzzeichen etc. | Verwendung im technischen Zeichnen (ersetzt durch ISO 129) |
| DIN 919 | Holzverarbeitung | Technische Zeichnungen, Holzverarbeitung | Verwendung im technischen Zeichnen |
| DIN 1356 | Bauzeichnung | Darstellung von Linien und Schraffuren in Bauzeichnungen | Verwendung im technischen Zeichnen |
| DIN 2429 | Rohrleitungsbau | Symbole für Rohrleitungen | Zu verwenden beim technischen Zeichnen von Rohrleitungen |
| DIN 2481 | Wärmekraftanlagen | Symbole für Wärmekraftanlagen | Zu verwenden beim technischen Zeichnen von Schaltplänen |
| DIN 6771 | Papierformate | Zeichenblattformate | Einteilung und Beschriftung beim technischen Zeichnen ((Teil 6 entspricht früherer DIN 823), August 1999 erneut ersetzt durch EN ISO 5457, Papierformat, Teil 1 ersetzt durch EN ISO 7200) |
| DIN 6775 | Zeichengeräte | Prüfnorm für Tuschefüller, Zeichen- und Schriftschablonen (ersetzt durch ISO 9175) | |
| DIN 6776–1 | Beschriftung | ISO-Normschrift | Verwendung im technischen Zeichnen (ersetzt durch EN ISO 3098) |
| DIN 7154 | Passungen | Passungssystem Einheitsbohrung | Verwendung im technischen Zeichnen |
| DIN 7155 | Passungen | Passungssystem Einheitswelle | Verwendung im technischen Zeichnen |
| DIN 7157 | Passungen | Passungsauswahl im System Einheitsbohrung | Verwendung im technischen Zeichnen |
| DIN 7182 | Begriffe | Grundbegriffe von Toleranzen und Passungen | Verwendung im technischen Zeichnen (ersetzt durch ISO 286–1) |
| DIN 24300 | Fluidtechnik | Schaltsymbole für Ölhydraulik und Pneumatik | Technisches Zeichnen von hydraulischen und pneumatischen Schaltplänen Vergleiche: Liste der Schaltzeichen (Fluidtechnik) |
| DIN 40900 | Elektrotechnik | Elektro-Schaltzeichen | Technisches Zeichnen von elektrischen Schaltplänen (ersetzt durch DIN EN 60617) Vergleiche: Liste der Schaltzeichen (Elektrik/Elektronik) |
ISO-Normen
| Norm | Bereich | Inhalt | Beschreibung |
|---|---|---|---|
| ISO 128 | Darstellung | Technische Zeichnungen | Allgemeine Grundlagen der Darstellung |
| ISO 286 | Passungen | Passungen | ISO Toleranzsystem für Passungen |
| ISO 1219 | Fluidtechnik | Fluidtechnische Schaltpläne | Vorgaben zur Erstellung |
| ISO 2162 | Darstellung | Federn | Darstellung im technischen Zeichnen |
| ISO 2768-1 | Darstellung | Allgemeintoleranzen für Längen und Winkelmaße | Verwendung im technischen Zeichnen |
| ISO 2768-2 | Beschriftung | Allgemeintoleranzen für Form und Lage | Verwendung im technischen Zeichnen |
| ISO 5455 | Beschriftung | Maßstäbe | Verwendung im technischen Zeichnen |
| ISO 6410 | Darstellung | Gewinde | Darstellung im technischen Zeichnen |
| ISO 9175-1 | Zeichengeräte | Prüfnorm für Tuschefüller, Zeichen- und Schriftschablonen |
EN ISO-Normen
| Norm | Bereich | Inhalt | Beschreibung |
|---|---|---|---|
| EN ISO 1302 | Beschriftung | Oberflächenbeschaffenheiten | Angaben beim technischen Zeichnen |
| EN ISO 3098 | Beschriftung | Technische Produktdokumentation, Schriften | Verwendung im technischen Zeichnen (ersetzt DIN 6776-1) |
| EN ISO 5457 | Papierformate | Blattgrößen | Verwendung im technischen Zeichnen (ersetzt DIN 6771-6) |
| EN ISO 7200 | Schriftfeld | Datenfelder in Schriftfeldern und Dokumentenstammdaten | Verwendung im technischen Zeichnen (ersetzt DIN 6771-1) |
Weitere Regeln
Passungen, Passfedern und Nuten, Schrauben, Federn und andere Verbindungselemente, deren Abmessungen, Form- und Lagetoleranzen, Maß- und Toleranzeintragungen, Rauheit von Oberflächen, Strichstärken, Blattgrößen, Schriftfelder und weitere Angaben im Zeichnungskopf, hydraulische, pneumatische, elektrische und elektronische Schaltzeichen und Schaltpläne, Stücklisten und viele weitere Regeln des technischen Zeichnens werden in der Literatur ausführlich erklärt.
Weitere Ausführungen zum Thema Verwendung von Schaltzeichen bei der Erstellung von Schaltplänen im Technischen Zeichnen hier in diesem Artikel.
Regeln im Wandel der Zeit


Während die genannten Normen vor allem die aktuellen Regeln für das Technische Zeichnen definieren, galten früher oft ganz andere Bestimmungen, die sich dann in alten Dokumenten wie beispielsweise Patentschriften, Fachbüchern oder historischen Zeichnungen wiederfinden lassen. Ein Beispiel dafür wurde bereits beim Thema Halbschnitt in diesem Artikel behandelt.
Beispiele
Ein Beispiel ist die Darstellung von Gewinden. In älteren Zeichnungen (bis etwa Mitte der 1960er Jahre) findet man die Darstellung statt des Dreiviertelkreises die Verwendung der gestrichelten Linie, analog einer unsichtbaren Kante.
Weiterhin gab es eine größere Anzahl an Linienbreiten. Strichpunktierte Mittellinien sowie Maßlinien und Maßhilfslinien wurden dünner dargestellt als die heutige Normung vorschreibt.
Ein weiteres Beispiel betrifft die Verwendung des Durchmesserzeichens „Ø“ bei der Bemaßung von Bohrungen.
Vor 1992 waren z. B. folgende vier Regeln definiert:[3]
- Das Durchmesserzeichen, als Symbol für die Kreisform, wird eingetragen, wenn
- die Kreisform in der zu bemaßenden Ansicht nicht erkennbar ist und als Strecke erscheint, (soll heißen bei Schnitten durch Bohrungen oder der Darstellung einer Bohrung mit verdeckten Kanten)
- die Durchmesserlinie in einem Kreisbogen nur einen Maßpfeil besitzt,
- das Durchmessermaß wegen Platzmangels mit einem Bezugsstrich an einem Kreis steht.
- Am Ende des Abschnittes heißt es dann: Durchmessermaße in Kreisen mit zwei Maßpfeilen erhalten keine Durchmesserzeichen.
Laut DIN 406-11, Seite 8 von 1992 ist das Durchmesserzeichen seither in jedem Fall voran zu setzen, das heißt diese früheren Regeln sind hinfällig und die rechts gezeigte Kreisbemaßung ist heute zulässig und richtig.
Darstellende Geometrie im Technischen Zeichnen
Neben Ansichten und Schnitten aus verschiedenen Perspektiven (wie z. B. der Kavalierperspektive, einer speziellen axonometrischen, dimetrischen Projektion oder der Fluchtpunktperspektive) gehören auch verschiedene Projektionen (z. B. die Zweitafelprojektion) zu den Grundlagen der darstellenden Geometrie im Technischen Zeichnen. Je nach Projektion kommen unterschiedliche Koordinatensysteme zum Einsatz.
- Perspektiven und Projektion
-

-

-

-
Projektion auf Ebene
Ein ausgeprägtes, räumliches Vorstellungsvermögen ist eine unbedingte Voraussetzung im Technischen Zeichnen, da dieses Vermögen sowohl zur Erstellung perspektivischer Zeichnungen als auch beim sogenannten Zeichnungslesen zur richtigen Interpretation von Zeichnungen und Skizzen benötigt wird.
Auch geometrische Grundkonstruktionen und insbesondere die Ebene Geometrie des Kreises wie beispielsweise Tangente und Sekante, Inkreis und Umkreis, der Goldene Schnitt oder auch die Konstruktion von regelmäßigen und unregelmäßigen Vielecken gehören zu den Grundvoraussetzungen des Technischen Zeichnens. Sowohl der Satz des Pythagoras als auch Teile aus Euklids Elementen finden dabei im Technischen Zeichnen bis heute ihre Anwendung. Ein Beispiel für die technische Anwendung von geometrischen Grundkonstruktionen ist der Lochkranz.
- Durchdringung, Grundkonstruktion, Ansichten und Evolvente
-

-
Konstruktion eines regelmäßigen Fünfecks -
Ansichten mit Schnitt -
Konstruktion der Evolvente eines Kreises
Durchdringungen und damit der Kurvenverlauf an den Kanten der sich durchdringenden Körper spielen beispielsweise bei der Darstellung sich kreuzender oder in schräge Flächen eindringender Bohrungen eine wesentliche Rolle.
Zur bildlichen Darstellung der Evolventenverzahnung eines Zahnrades (Getriebelehre) ist das Wissen um die Evolventenkonstruktion erforderlich, da über die Evolvente der Verlauf der Zahnflanken festgelegt wird.
- Abwicklungen
-
Abwicklung eines Zylinders
-
Blechabwicklung Trichterform (weite Öffnung: Rechteck, enge Öffnung: Kreis) -
Abwicklung eines Blechteils -
Abgewickelter Kegelstumpf
Spezielle Darstellungen wie Kegel-, Kugel-, Pyramiden- und Polyederschnitte, sowie Durchdringungen verschiedenster Körper wie auch Abwicklungen von Mantelflächen (z. B. für Blechzuschnitte) spielen im Technischen Zeichnen eine wichtige Rolle.
Technisches Zeichnen in verschiedenen Branchen
Das Technische Zeichnen stellt je nach Branche recht unterschiedliche Ansprüche an den jeweiligen Zeichner. Beispiele hierfür sind je nach Branche variierende Regeln, Normen und Standardisierungsgrade, die Darstellung technisch unterschiedlichster Objekte, Baugruppen und Detaillierungsgrade und nicht zuletzt das oft sehr spezifische Branchenwissen, das zur Erstellung der verschiedenen Zeichnungen benötigt wird und zumindest teilweise in für die Branchen typischen CAD-Anwendungen inhärent vorliegt.
Technisches Zeichnen im Maschinen- und Anlagenbau

Im Maschinen- und Anlagenbau wie auch in deren Teilbereichen wie dem speziellen Formen- und Werkzeugbau wird oftmals ein komplett anderes Zeichenprogramm verwendet als beispielsweise im Rohrleitungsbau, in der Fluidtechnik (z. B. zum Zeichnen von pneumatischen und hydraulischen Schaltplänen) oder in der Automobil-, Elektro- oder Möbelindustrie.
| Automobilzeichnung mit Positionsnummern | Position |
|---|---|
![]() |
|
| Quelle: | The New Student’s Reference Work |
Die Automobilindustrie kann auch hier, wie in vielen anderen Bereichen der Technik, als wesentlicher Treiber der Innovation und Entwicklung neuer Technologien bezeichnet werden, die das Technische Zeichnen am CAD sehr frühzeitig adaptiert hat.
Von der Technischen Zeichnung über die Simulation zur Fertigung


Der Übergang zwischen Technischem Zeichnen und einer mechanischen Simulation im Maschinen- oder Anlagenbau ist fließend. Vor der Simulation erfolgt zunächst eine Modellierung wesentlicher Bauteile, Verbindungen und Gelenke am Computer. Das so erzeugte Modell wird dann durch relevante mechanische Gesetze – wie die Hebelgesetze oder die Gesetze der Strömungslehre – ergänzt, um anschließend reale Vorgänge am Computer den jeweiligen Erfordernissen entsprechend mehr oder weniger genau simulieren zu können. So zeigt die Animation das Grundprinzip einer Orgel, wie durch den Druck auf die Taste die Windlade geöffnet wird und simuliert, wie dabei (bedingt durch das Balggewicht) die Luft (türkis dargestellt) durch die linke Orgelpfeife abfließt. Der Winddruck im Balg nimmt ab und verringert seine Höhe. Dieses einfache Beispiel zeigt den engen Zusammenhang zwischen Technischem Zeichnen, Modellierung und Simulation im computer-aided engineering (CAE) am Beispiel von CFD-Simulationen (Computational Fluid Dynamics) wie sie im Orgelbau heute üblich sind.[4]
Ähnlich kann auch die Finite-Elemente (FEM) Kalkulation auf einem am CAD-System gezeichneten 3D-Modell aufbauen, das als Ausgangsbasis für die anschließenden Berechnungen dient. Außer den relativ bekannten Crash-Simulationen im Fahrzeugbau sind im Maschinenbau heute auch andere, auf Technischen Zeichnungen basierende Belastungssimulationen, wie etwa die FEM-Simulation bei Fertigungsverfahren wie dem Spritzgießen üblich. Neben Strömungssimulationen können heute auch Licht- und Innenklimasimulationen im Architektur- und Bauwesen durch erfahrene Konstrukteure, Bauingenieure oder Technische Zeichner durchgeführt werden. Gleichzeitig werden beim Technischen Zeichnen am Computer die Grundlagen für die CNC-gestützte Fertigung geschaffen.[5]
Technisches Zeichnen in Elektrotechnik, Antriebstechnik, Mess-, Steuer- und Regelungstechnik
Auch in einigen anderen Bereichen der Technik wie beispielsweise der Mess-, Steuer- und Regelungstechnik sowie der allgemeinen Antriebstechnik spielt das Technische Zeichnen bei der Darstellung von spezifischen Schaltungen und Schaltplänen eine wichtige Rolle.
Dabei sind eine Vielzahl von (teilweise) genormten Symbolen und Schaltzeichen zu verwenden, die beispielsweise bei der Hydraulik und Pneumatik, aber auch bei elektromechanischen Antrieben, gelten. Einige dieser Symbole findet man in der Liste der Schaltzeichen (Fluidtechnik). Deren Verwendung kann man unter Schaltplan (Pneumatik) genauer nachvollziehen.
Wie bei Hydraulik und Pneumatik, muss auch beim Technischen Zeichnen der Schaltpläne in der Elektrotechnik und Elektronik auf spezielle Regeln zum Abstand der elektrischen Symbole geachtet werden, damit die Übersichtlichkeit und Lesbarkeit der Zeichnungen gewährleistet bleibt. Selbiges gilt auch für Symbole und Schaltzeichen der Mess-, Steuer- und Regelungstechnik.
Heute gebräuchliche CAD-Systeme die zur Erstellung derartiger Schaltpläne verwendet werden, verfügen meist über Symbolbibliotheken, aus denen die entsprechenden Symbole ähnlich wie Normteile abgerufen werden können.
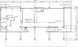
Technisches Zeichnen in Architektur, Bauwesen und Stadtplanung (Bauzeichnen)

Bauzeichnungen und Baupläne werden von Architekten, Bauingenieuren, anderen Fachingenieuren, aber auch von ausführenden Firmen erstellt. Der Beruf des Bauzeichners ist auf die Erstellung dieser architektonischen Zeichnungen spezialisiert.
Die Art der Darstellung unterscheidet sich zum Teil erheblich von den Standards im Maschinenbau. Auch die Genauigkeit von Bauzeichnungen ist aufgrund der meist größeren Toleranzen auf einer Baustelle geringer, so dass in Deutschland Maße in der Regel in Zentimetern angegeben werden.
- Architektonische Zeichnungen
-
Kirchenschiff (Computerzeichnung) -

Branchenspezifische CAD-Anwendungen
Obgleich bis heute kein einheitliches Austauschformat über Branchen- und Systemgrenzen hinweg existiert, trägt auch der Einsatz branchenspezifischer CAD-Software verschiedenster Hersteller mit zur Entstehung, Weiterentwicklung und schrittweisen Standardisierung von Austauschformaten wie dem Drawing Interchange Format (DXF) von Autodesk, dem WID-Format von Dako[6] oder STEP (einem CAD-Datenformat nach ISO 10303) bei.
Nähere Informationen zu branchenspezifischen, mechanischen CAD Anwendungen finden sich in der Liste von CAD-Programmen, während der Artikel CAD einen Überblick zu den Branchen gibt, in denen heute üblicherweise CAD-Anwendungen im Einsatz sind.
Computer-aided architectural design (CAAD)

Auch für Architektur und Bauwesen wurden eigene CAD-Programme entwickelt, die das klassische technische Zeichnen per Hand ablösten. Unter dem Begriff Computer-aided architectural design (CAAD) werden Programme zusammengefasst, mit deren Hilfe Entwurfszeichnungen und technische Bauzeichnungen erstellt werden können.
Moderne Grafik-Engines derartiger CAAD-Programme machen Ansichten von Wohn- und Geschäftsräumen, Bädern, Fabriken und anderen Gebäuden mit täuschend echter Licht- und Schattenwirkung möglich und längst zerstörte historische Bauwerke entstehen im Computer durch die Hand von Experten im architektonischen technischen Zeichnen aufs Neue und dienen damit als Werkzeug zu deren Rekonstruktion. Derartige CAAD-Animationen wurden zum Beispiel beim Wiederaufbau der Dresdner Frauenkirche verwendet, sind aber auch von der Sagrada Família[7] in Barcelona und vielen anderen Architekturprojekten bekannt (siehe auch: Weblinks unten).
An einigen Hochschulen wie beispielsweise der Eidgenössischen Technischen Hochschule Zürich existiert ein eigener Lehrstuhl für CAAD.
In der Architekturinformatik wird die Auswertung und Entwicklung von Standards für CAAD-Programme weiter vorangetrieben, wobei existierende Standards für das Technische Zeichnen in die modernen Anwendungen zur Architekturgenerierung einfließen. Auch die moderne Stadtplanung verzichtet längst nicht mehr auf die vielseitigen Möglichkeiten dieser Technik, sondern macht sich diese mehr und mehr zu nutzen und entwickelt damit Computermodelle ganzer Städte inklusive Straßen, Flüssen oder neuer Flughäfen.
Literatur
- Hans Hoischen, Wilfried Hesser: Technisches Zeichnen. 31. Auflage. Cornelsen Verlag, Berlin 2007, ISBN 3-589-24130-6
Weblinks
- Technisches Zeichnen lernen
- Grundlagen des Technischen Zeichnens
- Literatur und Lernprogramm zum technischen Zeichnen,(Memento vom 19. Mai 2018 im Internet Archive) Christiani
Einzelnachweise
- ↑ zukünftig Technische Systemplaner (bzw. Technische Produktdesigner) bibb.de
- ↑ a b c Günter Bayerl: Technik in Mittelalter und Früher Neuzeit. Konrad Theiss, Stuttgart 2013, ISBN 978-3-534-25232-9.
- ↑ a b c Hans Hoischen, Wilfried Hesser: Technisches Zeichnen. 31. Auflage. Cornelsen Verlag, Berlin 2007, ISBN 3-589-24130-6.
- ↑ Projekt zur CFD-Simulation bei Orgeln ( vom 10. Juni 2008 im Internet Archive)
- ↑ Geschichte der Technischen Zeichnung
- ↑ WorldCAT-Internet-Datenformat (WID-Format) ( vom 25. März 2008 im Internet Archive)
- ↑ GAUDÍ 21st Century, A virtual reality visit of the temple of the Sagrada Familia, 3D Animation, Barcelona 2002, ISBN 84-89884-35-8





