Tasterschaltung


Als Tasterschaltung wird eine Schaltung mit Tastern und Relais bzw. Schaltschützen bezeichnet, die in der Regel mit einem vom Laststromkreis getrennten Steuerstromkreis arbeitet. Typische Anwendungen sind das Ein- und Ausschalten der Beleuchtung in Treppenhäusern und langen Fluren.
Hausinstallation
Bei Hausinstallationen wird eine Tasterschaltung in der Regel dann eingesetzt, wenn sie von mehr als 2 Stellen aus bedient werden soll. Im Gegensatz zur Kreuzschaltung benötigt sie zwar einen Stromstoßschalter (Relais), dafür ist der Kabelaufwand geringer und die Schaltung weniger komplex. Außerdem kann statt eines einfachen Schaltrelais auch ein Treppenlicht-Zeitschalter (Zeitrelais) eingesetzt werden.
Bei der Tasterschaltung fließt der Laststrom nicht über die Bedienstellen, sondern auf kurzem Weg direkt zum elektrischen Verbraucher, beispielsweise zum Leuchtmittel. Dadurch und durch mögliche dünnere Querschnitte der Ansteuerleitungen werden die Leitungsverluste bzw. die Installationskosten verringert. Die Parallelschaltung aller Taster reduziert zusätzlich den Installationsaufwand. Die Bedienung kann von beliebig vielen Tastern aus erfolgen.
Das Relais ist meist im Verteiler montiert, seltener in einer Verteilerdose.
Stromstoßschaltung
Das Ergebnis der Betätigung eines Tasters, zum Beispiel im Flur, hängt vom Zustand des angeschlossenen Stromstoßrelais ab. War es vorher eingeschaltet, dann wird ausgeschaltet und umgekehrt. Das wird häufig durch eine mechanische Verriegelung, ähnlich der eines Kugelschreibers, erreicht, die einmal eingreift und beim erneuten Betätigen wieder gelöst wird. Bei Treppenhausschaltungen wird das Stromstoßrelais durch einen Zeitkontakt ausgeschaltet.
Es ergibt sich ein Vorteil bei der Verwendung von Stromstoßschaltern mit niedriger Betätigungsspannung (Schutzkleinspannung): Die Taster-Installation kann dann mit Klingelleitung erfolgen. Diese Variante findet sich z. B. in den meisten Plattenbau-Häusern Typ WBS70 auf dem Gebiet der ehemaligen DDR. Es ist nur eine 12-V-Schutzkleinspannungsquelle (Transformator) pro Treppenaufgang erforderlich, der sämtliche Wohnungen versorgt.
Elektronische Stromstoßschalter
Die Ansteuerung erfolgt auf die gleiche Weise wie bei der elektromagnetischen Ausführung, jedoch ist das Schaltgeräusch stark reduziert und der Steuerleistungsbedarf ist geringer. Auf die dauerhafte Spannungsversorgung, die bei den ersten elektronischen Stromstoßschaltern notwendig war, kann inzwischen verzichtet werden. Diese Schalter arbeiten mit bistabilen Relais, die bei jedem Schaltimpuls elektronisch gesteuert in die entgegengesetzte Richtung geschaltet werden. Um das Relais in die jeweils gewünschte Position zu schalten, muss sich die Elektronik dazu entweder den vorhergehenden Schaltzustand merken oder ihn über einen Hilfskontakt vor jedem Schaltbefehl auslesen.
Treppenlicht-Zeitschaltung
Bei Treppenlicht-Zeitschaltung kann an allen Tastern eingeschaltet werden und nach einer am Treppenlicht-Zeitschalter einstellbaren Zeit schaltet er automatisch wieder aus.
Beispiel
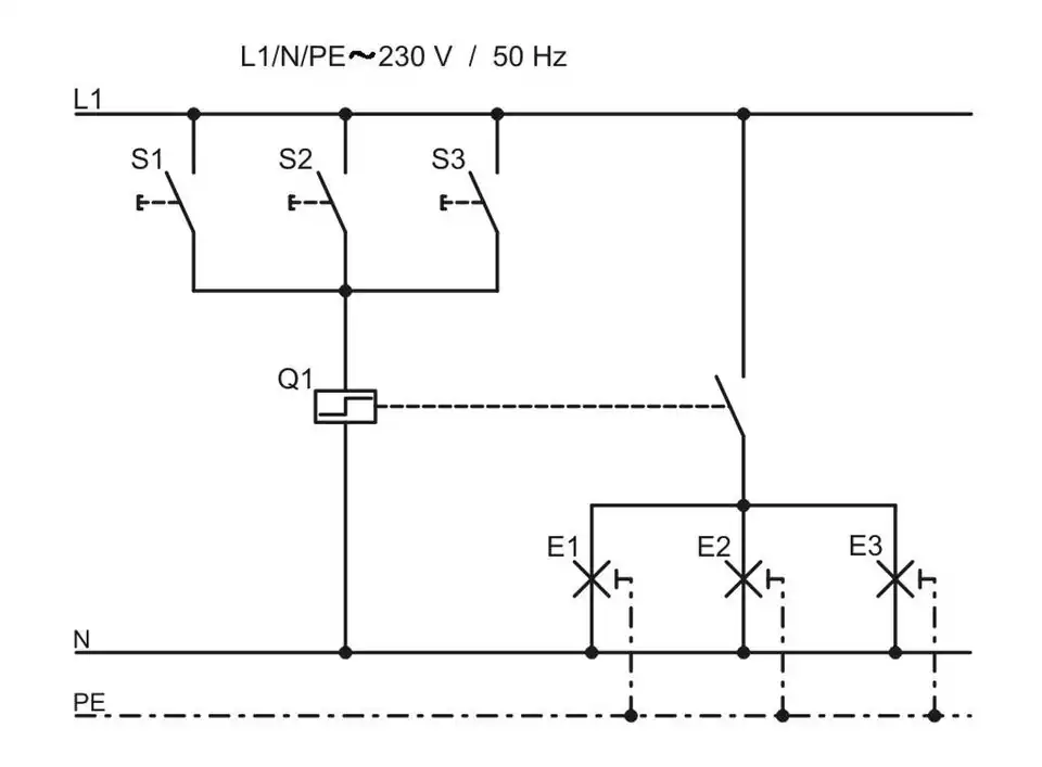
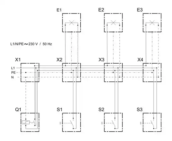
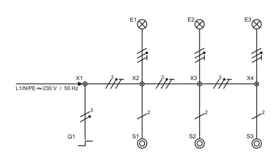
Die folgenden Darstellungen zeigen eine Stromstoßschaltung mit 3 Tastern (die jeweils in einer Schalterklemmdose sitzen) und einem Stromstoßrelais, das drei parallel geschaltete Lampen schaltet. Das Relais sitzt meist in der Unterverteilung. Die Verschaltung an den Punkten X2 bis X4 könnte in Verteildosen vorgenommen werden. Häufig werden zur Installation NYM-J-Leitungen verwendet. In diesem Fall würden als Zuleitungen zu den Lampen 3 × 1,5 mm² verwendet, zu den Taster würde stattdessen jeweils auch eine zweiadrige Leitung ausreichen und alle übrigen Leitungen werden als 5 × 1,5 mm² ausgeführt.
-

-
Übersichtsschaltplan -

Ähnliche Schaltungen
Bei Maschinen ist die Selbsthalteschaltung weit verbreitet, bei der eine Schließer- und eine separate Öffner-Taste in Reihe zur Betätigungsspule eines Schützes geschaltet sind. Die Schließer-Taste ist mit einem Schließer-Kontakt des Schützes überbrückt. Diese Schaltung wird gewöhnlich nicht als Tasterschaltung bezeichnet, ähnelt dieser jedoch inhaltlich und funktional.
Kennzeichnend für viele elektronische Geräte ist das völlige Fehlen eines Netzschalters – das Ein- und Ausschalten wird durch Taster auf der Niederspannungsebene bewirkt, was unvermeidlich einen Standby-Zustand der Stromversorgung erfordert. Dieser führt zwar zu einem höheren Bedienkomfort, jedoch auch zu einem nicht unerheblichen Strom-Mehrverbrauch.
Durch die Software der angeschlossenen Steuerung können den Tasten verschiedene und wechselnde Funktionen zugewiesen werden. So können auch Schaltfunktionen wie bei einer Selbsthalteschaltung oder einem Stromstoßschalter implementiert sein.
Literatur
- Günter Springer: Fachkunde Elektrotechnik. 18. Auflage, Verlag – Europa – Lehrmittel, Wuppertal, 1989, ISBN 3-8085-3018-9
- Alfred Hösl, Roland Ayx, Hans Werner Busch: Die vorschriftsmäßige Elektroinstallation, Wohnungsbau-Gewerbe-Industrie. 18. Auflage, Hüthig Verlag, Heidelberg, 2003, ISBN 3-7785-2909-9
- Hans-Günter Boy, Uwe Dunkhase: Elektro-Installationstechnik Die Meisterprüfung. 12. Auflage, Vogel Buchverlag, Oldenburg und Würzburg, 2007, ISBN 978-3-8343-3079-6