Synchronwandler
Als Synchronwandler (gelegentlich auch Gleichspannungstransformator) bezeichnet man in der Leistungselektronik einen Gleichspannungswandler, der eine Speicherdrossel und zwei stets abwechselnd schließende Schalter besitzt. Einer der Schalter ersetzt die Diode des Aufwärts- oder Abwärtswandlers – es handelt sich somit um einen ebensolchen mit Synchrongleichrichter, was dem Wandler den Namen gibt.
Die Ausgangsspannung hat dabei stets dasselbe Vorzeichen wie die Eingangsspannung, weshalb der Synchronwandler zur Gruppe der nicht invertierenden Gleichspannungswandler gezählt wird.
Ein Hauptmerkmal des Synchronwandlers ist, dass der Energiefluss in beide Richtungen gehen kann: die Wahl des Tastgrades des Synchronwandlers ermöglicht einen Stromfluss sowohl in die als auch aus der Last zurück zur Quelle. Die Höhe der Ausgangsspannung kann somit je nach Wahl des Eingangs und des Ausgangs höher oder niedriger sein als die Eingangsspannung.

Aufbau
Der Synchronwandler ist aus einem aktiven Energiespeicher, einer Induktivität, aufgebaut, der mittels Halbleiterschalter zyklisch mit Energie geladen sowie entladen wird. Als Halbleiterschalter kommen dabei ausschließlich Bauteile zum Einsatz, die Ströme in beide Richtungen leiten können, z. B. MOSFETs.
Im Grunde kann der Synchronwandler als eine Kombination von Abwärts- und Aufwärtswandler angesehen werden. Die Schaltung des Synchronwandlers entspricht dabei jener eines Abwärts- oder Aufwärtswandlers, bei der die Diode durch einen Halbleiterschalter ersetzt wurde, der bidirektional Strom leiten kann.
Je nach Definition des Eingangs und des Ausgangs des Synchronwandlers arbeitet dieser somit als Abwärts- oder als Aufwärtswandler.
Funktion

Wie bei jedem Gleichspannungswandler wird die Ausgangsspannung über die Einschaltzeit und die Ausschaltzeit der Halbleiterschalter bestimmt. Bei einem Abwärtswandler oder Aufwärtswandler genügt es, den einen aktiv schaltbaren Halbleiterschalter zu steuern. Der zweite Schalter, die Diode, schaltet dabei selbständig, je nachdem welche Richtung der Strom durch diesen hat.
Da der Synchronwandler aus zwei schaltbaren Halbleiterschaltern aufgebaut ist, muss der zweite im Gegentakt zum ersten betätigt werden. Wird der erste Schalter leitend, so öffnet der zweite, und umgekehrt. Es ist somit zu jedem Zeitpunkt – abgesehen von einer kleinen Totzeit, um Kurzschlüsse aufgrund endlicher Umschaltzeiten sicher zu vermeiden – ein Schalter leitend.
Spannungsquelle und Last
Wird die Spannung UA als Eingang definiert und eine Spannungsquelle angelegt und die Spannung UB als Ausgang definiert und eine Last angelegt, so arbeitet der Synchronwandler als Abwärtswandler, wobei sich die Ausgangsspannung wie bei diesem im kontinuierlichen Betrieb einstellen lässt.
Wird die Spannung UA als Ausgang definiert und eine Last angeschlossen sowie die Spannung UB als Eingang definiert und eine Spannungsquelle angeschlossen, so arbeitet der Synchronwandler als Aufwärtswandler. Das Verhalten entspricht dabei jenem eines herkömmlichen Aufwärtswandlers, der sich immer im kontinuierlichen Betrieb befindet. Das Steuergesetz für den nicht lückenden Strom gilt in jedem Fall.
Betrieb mit zwei Spannungsquellen
Wird sowohl am Eingang als auch am Ausgang eine Spannungsquelle angeschlossen – wobei die Spannung UA höher als die Spannung UB sein muss – so ist Vorsicht geboten, denn es können zerstörerische Ströme fließen. Dies ist z. B. der Fall, wenn der Synchronwandler zum Laden einer Batterie verwendet wird.
Ist das Pulsweitenverhältnis gleich dem Verhältnis UB/UA, so ist die mittlere Spannung an der Induktivität null und der mittlere Stromfluss klingt ab. Bei abweichenden Pulsweitenverhältnissen liegt an der Induktivität im Mittel eine Spannung in die eine oder andere Richtung, der Strom steigt an. Begrenzt wird er durch Innenwiderstände oder besser durch eine Regelung des Pulsweitenverhältnisses, über das dann auch die Richtung des Energieflusses, aufwärts oder abwärts, bestimmt werden kann. Praktisch wird dabei der Strom durch die Induktivität geregelt. Dieser muss dazu durch einen Stromsensor gemessen und dem Regelalgorithmus zugeführt werden.
Der Synchronwandler wirkt für Gleichspannungen ähnlich wie ein Wechselspannungstransformator für Wechselspannung, mit dem Pulsweitenverhältnis als Übersetzungsverhältnis, und wird aus diesem Grund gelegentlich als Gleichspannungstransformator bezeichnet.
Anwendung und Vorteile
Anwendung findet der Synchronwandler in zweiter Linie dort, wo eine bidirektionale Energieübertragung benötigt wird (in allererste Linie befinden sie sich in Computern (Hauptplatine, SSDs, Grafikkarte, Festplatten), Smartphones, Fernsehgeräten, Tablets, Taschenlampen, effizienten Netzteilen Anwendung). Ein Beispiel dafür ist ein elektrischer Antrieb mittels Gleichstrommotor und Akkumulator. Die für den Wandler benötigte Induktivität wird dabei durch die Streuinduktivität des Motors gebildet, die Pufferkapazität CUB entfällt. Der Motor ist also direkt an der Halbbrücke angeschlossen und wirkt je nach Verhältnis von Drehzahl, also induzierter Spannung, und Pulsweitenverhältnis als Last oder Energiequelle für den Akkumulator. Der Synchronwandler wirkt somit als Zweiquadrantensteller.
Der Synchronwandler wird jedoch auch verwendet, wenn kein bidirektionaler Stromfluss erforderlich ist. Da eine Diode in Durchlassrichtung stets einen Spannungsabfall verursacht, treten an dieser nicht unerhebliche Verluste auf. Moderne Leistungstransistoren hingegen haben deutlich geringere Verluste, weshalb die Ausführung eines Auf- oder Abwärtswandler als Synchronwandler den Wirkungsgrad verbessern kann.
Ein weiterer Vorteil des Synchronwandlers ist das Fehlen des diskontinuierlichen (lückenden) Betriebs. Bei einem herkömmlichen Abwärtswandler wird bei geringem Mittelwert des Ausgangsstroms der Strom durch die Induktivität periodisch zu null, die Diode sperrt. In diesem diskontinuierlichen Betriebsbereich hängt die Ausgangsspannung nicht mehr linear von der Eingangsspannung und dem Pulsweitenverhältnis ab, was die Regelung erschwert. Bei einem Synchronwandler hingegen steigt der Strom aufgrund der Rückwärtsleitfähigkeit der Halbleiterschalter nach seinem Nulldurchgang negativ an, Energie fließt von der Ausgangskapazität zurück zum Eingang, Linearität und somit leichte Regelbarkeit sind unabhängig von der Last gegeben. Falls jedoch der Betriebsbereich mit pendelnder Energie einen großen Anteil an der Betriebsdauer hat, können höhere Verluste als bei einem mit Diode ausgeführten Abwärtswandler die Folge sein, siehe auch H5-Topologie.
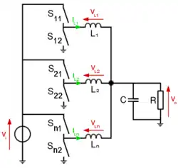
Multi-Parallel-Wandler
Für höheren Leistungen können mehrere Synchronwandler parallel betrieben werden. Dabei können sie im Gleichtakt oder mit versetzten Phasen anzusteuert werden. Die verteilte Energieaufnahme und -abgabe der getrennten Induktivitäten verschafft bei gegebener Anforderung an die Spannungswelligkeit einen Spielraum, der genutzt werden kann zur
- ohne Erhöhung der Schaltfrequenz
- Verringerung der Restwelligkeit der Ausgangsspannung
- Erhöhung der Frequenz der Restwelligkeit
- gleichmäßigere Stromaufnahme am Eingang und Stromabgabe am Ausgang.
- Verringerung von Kapazität und Strombelastung der gemeinsamen Pufferkondensatoren an Ein- und Ausgang oder
- Erhöhung der Schwankungsamplitude der einzelnen Ströme und Magnetisierungen – Spielraum zur Verringerung
- des Kernvolumens und des Gewichts der Induktivitäten oder
- der Taktfrequenz und damit der Schaltverluste.
Literatur
- Ulrich Schlienz: Schaltnetzteile und ihre Peripherie. 3. Auflage. Vieweg & Sohn Verlag, Wiesbaden 2007, ISBN 978-3-8348-0239-2.