Stromlaufplan
Ein Stromlaufplan, auch Schaltbild oder auch Schaltplan genannt, ist eine in der Elektrotechnik und der Elektroinstallationstechnik genutzte grafische Darstellung einer elektrischen Schaltung meist auf der Ebene einzelner Module oder im Bereich der Elektroinstallationstechnik genutzter Elemente wie Schalter, Schmelzsicherungen, Schütz, Elektromotoren oder Glühlampen. Sie berücksichtigt nicht die reale Gestalt und Anordnung der Bauteile, sondern ist eine abstrahierte Darstellung der elektrischen Funktionen und der Stromverläufe.
Ein Stromlaufplan wird in der Regel als Dokument verstanden, welches sich an den Kunden, an eine Genehmigungsbehörde, an den Erbauer oder an den Wartungselektriker wendet. Bei den verwendeten Symbolen liegt teilweise eine Überschneidung mit den in der Elektronik verwendeten Schaltplänen vor.
Grundlagen

Es werden (meist genormte) Symbole verwendet. Hinzu kommt ein Bezeichnungssystem, bei dem jedes Bauteil einer Gruppe zugeordnet wird und schließlich eine Identifikationsnummer erhält. Referenzangaben ermöglichen das schnelle Auffinden innerhalb des Plans.
Stromlaufpläne sollen definitionsgemäß die ausgeschaltete, energielose und leere Situation der zugehörigen Maschine oder Anlage darstellen. Wird hiervon abgewichen, dann muss dies durch einen schriftlichen Hinweis erklärt werden (z. B. „Behälter gefüllt“). Stromlaufpläne gehören zu den funktionsbezogenen Dokumenten nach DIN EN 61082 und DIN IEC 60757. Diese Pläne entstehen zu Beginn des Entwurfes einer Anlage, eines Gerätes oder einer Baugruppe und werden später auch für Reparaturen und Wartungen benötigt.
Allgemeines
Elektrische Stromlaufpläne können individuell, firmenspezifisch oder nach Normen erstellt werden, zu denen beispielsweise folgende aktuelle Normvorgaben existieren:
- DIN EN 60617 Graphische Symbole für Schaltpläne
- DIN EN 61082 Dokumente der Elektrotechnik
- DIN EN 61355 Klassifikation und Kennzeichnung von Dokumenten für Anlagen, Systeme und Einrichtungen
Die Elemente der elektrischen Schaltung (elektrische Betriebsmittel und Leitungen) werden durch genormte Schaltzeichen, auch Symbole genannt, repräsentiert. Sie können die Gesamtheit oder Teilbereiche wie z. B. Arbeitsschaltkreise oder nur Steuerschaltkreise, die Schritte des Arbeitsablaufs, die Bauteile der Schaltung mit ihrer Kennzeichnung sowie die Leitungen und Verbindungen darstellen. Die räumliche Anordnung der Bauteile wird in der Regel nicht berücksichtigt.
In der industriellen Produktion können die Schaltpläne noch mit weiteren Dokumenten wie Bestückungsplänen, Verdrahtungsplänen, Klemmenplänen etc. ergänzt werden.
In der Eisenbahnsicherungstechnik ist mit der Pfeilschen Kurzschaltung eine deutlich abweichende Darstellung üblich.
Ausführungsarten
Einige typische Ausführungsarten von Schaltplänen in der Elektroinstallationstechnik kommen in der Praxis besonders häufig vor:
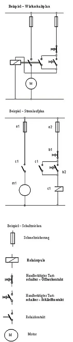
- Der Wirkschaltplan, manchmal auch „Stromlaufplan in zusammenhängender Darstellung“ genannt – stellt die Schaltung so dar, dass der Wirkungszusammenhang sichtbar wird, beispielsweise durch benachbarte Positionierung der Symbole funktionell zusammengehöriger Bauteile und zusätzliche Symboldarstellung mechanischer Wirkungslinien. Alle Komponenten der Schaltung sind in etwa getreu dem realen Aufbau in den Plan eingebunden.
- Der Stromlaufplan, zur Unterscheidung manchmal auch „Stromlaufplan in aufgelöster Darstellung“ – stellt die Schaltung streng nach der einzelnen Stromdurchlauffolge der Bauteile dar, der Wirkzusammenhang ergibt sich durch die Verfolgung der alphanumerischen Kennzeichnungen zusammengehöriger Teile (Signalnamen), sodass mehrere Seiten zur Darstellung eines Geräts dienen können. Bei Stromlaufplänen der Elektrotechnik verlaufen die Außenleiter, Neutralleiter und Schutzleiter der Hauptzuleitungen meist horizontal am oberen und unteren Rand über die ganze Zeichnung. Dazwischen werden die einzelnen Strompfade eingezeichnet. Der dann oft mehrere Meter lange aufgelöste Stromlaufplan kann dann auch in Sektionen mit bestimmten Baugruppen (Motorstromkreise, Steuerstromkreise, Beleuchtung usw.) aufgeteilt sein.
- Die vertikal gezeichneten Strompfade sind durchnummeriert, um so das Referenzieren zu ermöglichen. Die Vernetzungen zwischen den Baugruppen, die auf dem Plan weit auseinanderliegen, werden durch Referenzen bewerkstelligt. Besonders prominente Potentiale werden mit einer Kennung versehen, um wiederholtes Umblättern und Suchen zu vermeiden. Dasselbe gilt für Baugruppen und Komponenten, die auch auf spezielle Weise gekennzeichnet werden. Charakteristisch für den Stromlaufplan ist, dass er möglichst kreuzungsfrei gezeichnet ist, so dass sich die Pfade nicht überlappen. Deshalb wird in der elektrischen Energie- und Gebäudetechnik auch meist der PE-Leiter weggelassen, da es sonst bei der Verbindung der vertikalen Pfade mit dem Schutzleiter unweigerlich zu einer Kreuzung mit dem Außen- oder Neutralleiter kommt.
- Der Übersichtsschaltplan ist eine Variante des Stromlaufplans, bei dem unter anderem parallel laufende Leitungen mit der gleichen Bauteilefolge zeichnerisch zu „eindimensionalen“ Darstellung zusammengefasst werden, die Anzahl der parallel laufenden Stränge wird durch Querstriche oder Ziffern markiert. Dies ist vor allem bei Schaltungen mit zahlreichen drei- bis fünfpoligen Drehstromleitungen oder auch parallelen Datenbussen der Fall. Elektronische Schaltungen können zu Funktionsblöcken zusammengefasst sein (Blockschaltplan).
- Der Installationsplan ähnelt dem Übersichtsplan, nur dass im Installationsplan zusätzlich zur Darstellung der Verdrahtung auch noch Möbelstücke, Türen und Fenster des zu erschließenden Raumes eingezeichnet sind.
- Ein Einliniendiagramm ist eine vereinfachte Form des Stromlaufplanes, welches primär im Bereich der elektrischen Energietechnik wie den Kraftwerksbau verwendet wird. In Einliniendiagrammen werden Stromkreise, auch mehrphasige Stromkreise, zu einfachen Linien reduziert, was eine grobe Übersicht erlaubt.
Gesetze und Normen
- DIN EN 60617 Graphische Symbole für Schaltpläne
- DIN EN 61355 Klassifikation und Kennzeichnung von Dokumenten für Anlagen, Systeme und Einrichtungen
Siehe auch
Literatur
- Alfred Windmüller: Stromlaufschaltpläne in der Starkstrom-Steuerungstechnik als Mittel zur Leistungssteigerung; Mannheim; Brown, Boveri & Cie; 1942
- Joachim Weinert: Schaltungszeichnen in der elektrischen Energietechnik. 4. Auflage, Carl Hanser Verlag, München und Wien, 1981, ISBN 3-446-13436-0
- Hans-Günter Boy, Uwe Dunkhase: Elektro-Installationstechnik Die Meisterprüfung. 12. Auflage, Vogel Buchverlag, Oldenburg und Würzburg, 2007, ISBN 978-3-8343-3079-6
- Winfrid Hauke, Rolf Thaele, Günter Reck: RWE Energie Bau-Handbuch. 12. Ausgabe, Energie-Verlag GmbH, Heidelberg, 1998, ISBN 3-87200-700-9