Stern-Dreieck-Anlaufschaltung
Eine Stern-Dreieck-Anlaufschaltung (kurz YΔ-Schaltung, englisch Star-Delta, YΔ, AC motor/Wye-Delta) dient dazu, größere Drehstrommotoren mit Kurzschlussläufer mit reduzierter Leistungsaufnahme anlaufen zu lassen. Dies vermeidet das Auslösen von Überstromschutzeinrichtungen aufgrund des sonst hohen Anlaufstroms bei direktem Anlauf (englisch Direct On-Line, DOL [1]) in Dreieckschaltung.
Bei dem Anlassverfahren wird der Drehstrommotor zum Anlaufen zunächst in Sternschaltung geschaltet, nachfolgend wird der Motor in Dreieckschaltung geschaltet. Die Leistungsaufnahme des Motors beträgt beim Anlaufen in Sternschaltung 1/3 der Leistung in Dreieckschaltung.
Die YΔ-Umschaltung ist durch den Einsatz von Frequenzumrichtern weitgehend hinfällig geworden. Größere Asynchronmotoren wurden zum Anlassen auch oft mit Schleifringläufern ausgeführt. Mit Frequenzumrichtern ist im Gegensatz zur YΔ-Umschaltung eine reduzierte Stromaufnahme bei dennoch hohem Anlaufmoment realisierbar.
Ausführung
In der Praxis wird die Stern-Dreieck-Anlaufschaltung entweder mit einer Schützschaltung oder mit einem Stern-Dreieck-Schalter ausgeführt. Bei der Schützschaltung werden die beiden Schütze elektrisch gegeneinander verriegelt, denn wenn beide einschalten, entsteht ein Kurzschluss. Beim handbetätigten Stern-Dreieckschalter ist die Verriegelung mechanisch gegeben. Die Schützschaltung ist meist mit einem Zeitrelais gesteuert.
Anwendungsbedingungen

Allgemein und im u. a. in Europa üblichen Drehstrom-Netz mit einer Spannung von 230/400 V müssen für die Anwendung der Stern-Dreieck-Anlaufschaltung folgende Bedingungen gegeben sein:
- Das Umschalten von Stern- auf Dreieckschaltung darf erst nach dem Hochlauf des Motors auf 75…80%[2] seiner Nenndrehzahl erfolgen. Bei zu früher Umschaltung entsteht ein starker Stromstoß und Überstromschutzeinrichtungen können dennoch ansprechen.
- Aufgrund des nur ein Drittel betragenden Anzugsmoments kann die Stern-Dreieck-Umschaltung nur bei leichten Anlaufbedingungen erfolgen (lastfreie Schwungmasse, Lüfter, Pumpen).
- Energieversorgungsunternehmen lassen die Anlaufschaltung nur bis 11 kW (zum Teil auch höher) zu.
- Die Anlaufschaltung kann nur bei solchen Motoren angewendet werden, deren Wicklungsanschlüsse nicht bereits intern verbunden, sondern einzeln nach außen geführt sind. Das ist in der Regel der Fall, wenn die Brücken im Anschlusskasten entfernt werden.
- Die Stern-Dreieck-Anlaufschaltung kann nur bei Motoren angewendet werden, die in Dreieckschaltung an der Netzspannung betrieben werden können. Die Motorwicklungen müssen der verketteten Spannung zwischen zwei Außenleitern standhalten können, die in Europa 400 V beträgt. Die entsprechende Bezeichnung auf dem Typenschild von Motoren, die sich an diesem Netz für die Stern-Dreieck-Anlaufschaltung eignen, lautet „400/690 V“, „Δ400/Y690 V“.
- Ist der Motor nahe seiner Nenndrehzahl, wird auf Dreiecksbetrieb umgeschaltet, über jeder Wicklung liegt nun die Leiter-Leiter-Spannung 400 V. Erfolgt die Umschaltung nicht oder zu spät, kann der Motor überlastet werden, wenn er mehr als 1/3 seiner Nennleistung abgeben muss. Das ist zum Beispiel beim Anlassen von Lüftern, Ventilatoren oder Gebläsen typischerweise gegeben – der Motor wird auf bis zu 2/3 seiner Nennleistung in Sternschaltung hochgefahren und muss dann in Dreieck geschaltet werden.[3]
Umschaltstromspitze

Die Stern-Dreieck-Anlaufschaltung wird eingesetzt, um den Anlaufstrom eines Asynchronmotors in Dreieckschaltung zu begrenzen. Dabei wird der Motor in der Sternschaltung auf Drehzahl gebracht. Beim Umschalten wird dann nur noch der Dreieckstrom benötigt, der der aktuellen Drehzahl entspricht. Somit wird der Einschaltstrom auf 1/3 gegenüber dem Strom bei Dreieck-Direkteinschaltung reduziert. Jedoch können beim Umschalten von Stern auf Dreieck Netzphasen und Motorfeld in Opposition zueinander stehen. Dies führt zu Ausgleichsvorgängen, was zu einer sehr hohen Umschaltstromspitze führen kann.
Spannungsvektoren
Die Umschaltstromspitze ist abhängig von der Lage des neuen Ankerfeldes (L1, L2, L3) zum neu aufzubauenden (L1’, L2’, L3’) und zur Spannung des zusammenbrechenden Läuferfeldes (L1’–N). Bei ungünstigen Kombinationen aus Verschaltung und Umschaltpause können Stromspitzen entstehen, die über dem Anlaufstrom bei Dreieck-Direkteinschaltung liegen.[4][5][6] Die Folge ist das Ansprechen der korrekt ausgewählten Kurzschlussschutzeinrichtung (Leitungsschutzschalter). Weitere Folgen können das Verschweißen bzw. der verstärkte Abbrand der Kontakte des Dreieckschützes und hohe dynamische Belastungen des Motors/der Maschine sein.
Je nach der äußeren Beschaltung der Außenleiter zu den Wicklungen kann die Umschaltstromspitze bis zum Zweifachen des Stromes bei Direkteinschaltung auf Dreieck betragen. Dieser Umschaltstrom wird vermindert, indem Umschaltpause und Verschaltung aufeinander abgestimmt werden.
Eine Umschaltpause ist notwendig, um den ungelöschten Lichtbogen (Ausschaltfunken) des Y-Schützes zusammenbrechen zu lassen, bis das D-Schütz zuschaltet. Als Umschaltzeit werden mindestens 50 ms empfohlen.[7][8] Ein pausenfreies Umschalten ist mit einer speziellen Anlaufelektronik oder einem zusätzlichen Schütz und Transitionswiderständen möglich.[9]
-
Zeigerdiagramm Ständer-/Läuferfeld-Spannungen -
Zeigerdiagramm Ständer-/Läuferfeld-Spannungen
Verbindung der Außenleiter mit den Motorwicklungen
Die Bezeichnungen günstig und ungünstig beziehen sich auf eine möglichst geringe Stromspitze beim Umschalten von Stern auf die jeweilige Dreieckverschaltung.

Nachfolgend beispielhafte Verschaltung der Hauptstromkreise[10]
Die Beschaltungen im Motorklemmkasten weichen teilweise von der üblichen Verschaltung mittels dreier Brücken für Dreieckschaltung ab, um die Umschaltstromspitze zu verringern.
-
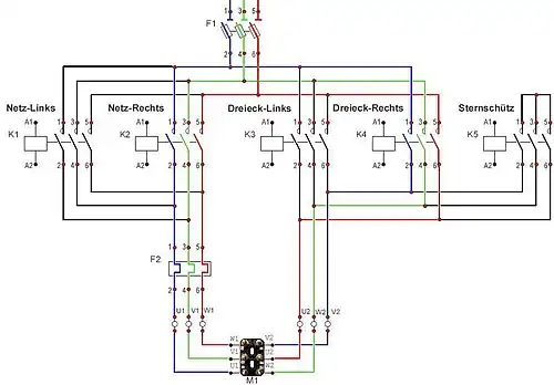
Stern-Dreieck-Wendeschaltung, Dreieck-Rechtslauf eingefärbt -
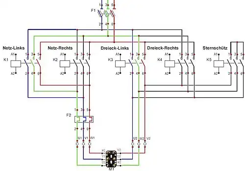
Stern-Dreieck-Wendeschaltung, Dreieck-Linkslauf eingefärbt
Zur Übersichtlichkeit wurde ein Hauptstromkreis mit 5 Schützen gewählt. Es sind auch andere Schaltungen mit weniger Schützen möglich.[11][12]
Beschaltung eines Stern-Dreieck-Schalters
Stern/Dreieckschalter gibt es sowohl in Form von handbetätigten Schaltern als auch als vorinstallierte Schützkombinationen. Es ist insbesondere hilfreich, dass die Schütze bei letzteren bereits gegeneinander verriegelt sind, sodass beim Umschalten von Stern auf Dreieck ausgeschlossen ist, dass ein Kurzschluss entsteht, wenn das Sternschütz noch nicht abgefallen ist, bevor das Dreieckschütz anzieht.
Bei einem Stern-Dreieck-Schalter des VEB Elektroschaltgerätewerk Rochlitz (DDR, 1980er Jahre) sind beispielsweise Brücken vorinstalliert, sodass nur die Netzspannung (RST) und die Motorwicklungen (U-X, V-Y, W-Z nach DIN) angeschlossen werden müssen:
| R→1 | U→2 | 3 | Z→4 |
| S→5 | V→6 | 7 | X→8 |
| T→9 | W→10 | 11 | Y→12 |
Nach IEC 6034-8 sind das folgende Bezeichnungen:
| L1→1 | U1→2 | 3 | W2→4 |
| L2→5 | V1→6 | 7 | U2→8 |
| L3→9 | W1→10 | 11 | V2→12 |
Die Spalten der Tabelle sind so angeordnet wie üblicherweise auch die Anschlüsse im Klemmkasten des Motors angeordnet sind, wobei die in der dritten Spalte gegraut angeführten Klemmen nicht beschaltet werden.
Siehe auch
- Rombach-Schaltung zur Spannungsverdopplung bei niedrigen Drehzahlen von Drehstromgeneratoren
Weblinks
- Siemens – Grundlagen der Niederspannungsschalttechnik (PDF)
- EATON (Moeller)-Schaltungsbuch (Download)
- EATON-Schaltungsbuch zum Umblättern (Schaltungsbuch)
Literatur
- Adolf J. Schwab: Elektro-Energiesysteme. 2. Auflage. Springer, ISBN 978-3-540-92226-1, S. 919.
Einzelnachweise
- ↑ Inaam Ibrahim: 10. Starting Method for Induction Motors. Februar 2012, abgerufen am 30. Juni 2017.
- ↑ http://www.moeller.net/binary/ver_techpapers/ver968de.pdf Startvarianten für den Drehstrom-Asynchronmotor, Seite 6, abgerufen am 14. Nov. 2017
- ↑ https://www.kimo.de/drehzahlregelung-am-beispiel-der-lueftertechnik/ Warum Leistungselektronik für Lüfterantriebe, Website der Fa. KIMO Industrial Electronics GmbH, abgerufen am 14. November 2017.
- ↑ Fachzeitschrift Elektrotechnik. (CH) 2/1978, Seite 53.
- ↑ L. Vercelli: Rechts und Linkslauf der Motoren bei YD-Anlauf. Fa. Sprecher & Schuh AG, CH-5000 Aarau
- ↑ Siemens: Funktionsbeispiel Nr. CD_FE_III_001_DE.pdf, Stern-Dreieck-Schalten von Drehstrommotoren – Verringern der Umschaltstromspitze.
- ↑ Moeller: Datenblatt DIL-Leistungsschütze
- ↑ Siemens: Schalten, Schützen, Verteilen in Niederspannungsnetzen. 4. Auflage, Seite 572.
- ↑ Siemens: Schalten, Schützen, Verteilen in Niederspannungsnetzen, 4. Auflage, Seite 574, Bild 9.3/3.
- ↑ IS/IEC 60034-8: Rotating electrical machines, Part 8: Terminal Marking and Direction of Rotating; Seiten 6ff
- ↑ Moeller: EATON-(Moeller)-Schaltungsbuch 2011. Seite 8–42
- ↑ Siemens: Schalten, Schützen, Verteilen in Niederspannungsnetzen. 4. Auflage, Seite 571