Spartransformator
Ein Spartransformator (kurz Spartrafo, auch Autotransformator) besteht im Gegensatz zu anderen Transformatoren aus nur einer Spule, die zur Entnahme der Ausgangsspannung(en) eine oder mehrere Anzapfungen hat. Primär- und Sekundärseite sind damit in einer einzigen Spule vereint.



Grundlagen
Weil beide Teile des Spartrafos miteinander elektrisch verbunden sind, besteht keine galvanische Trennung. Bei den meisten anderen Transformatoren, insbesondere bei Trenntrafos gibt es keine leitende Verbindung zwischen Eingangs- und Ausgangskreis.
Spartrafos gestatten bei gleicher Leistung den Einsatz einer kleineren Bauform und zeichnen sich durch einen geringeren Spannungsfall aus. Je näher die Werte von Ein- und Ausgangsspannung beieinander liegen, desto mehr Masse und Material lässt sich durch Einsatz eines Spartransformators einsparen, da nur ein Teil des Stromes und der Spannung transformiert werden muss. Das ermöglicht unterschiedliche Drahtstärken in den beiden Wicklungsteilen.
Die Bauleistung (auch Typenleistung oder Baugröße) PBau, für die der Transformator physikalisch ausgelegt sein muss, lässt sich bei bekannter elektrischer Durchgangsleistung PD nach folgenden Formeln berechnen:
- Für gilt:
- Für gilt:
Das Übersetzungsverhältnis ü ist dabei der Quotient aus U1 und U2.[1]
Der Spareffekt verringert sich mit größer werdendem Spannungsverhältnis, so dass das Übersetzungsverhältnis 3 : 1 nicht übersteigen sollte. Spartransformatoren lassen sich umso vorteilhafter einsetzen, je näher die Eingangs- und Ausgangsspannung beieinander liegen.[1]
Bei Kleinspannungen, etwa zum Betrieb von 24-V-Halogenlampen am 230-V-Stromnetz, lohnen sich Spartransformatoren kaum noch.
Beispiel
Aus dem Stromnetz (U1=230 V) soll ein Verbraucher der Leistungsaufnahme P2=200 W mit U2=200 V betrieben werden.
Damit ergibt sich die zu übertragende Trafoleistung
Der untere Teil der Wicklung darf aus erheblich dünnerem Draht als der obere Teil gewickelt werden, weil hier nur 26 W/200 V = 0,13 A fließen.
Anwendung
Spartransformatoren können überall dort angewendet werden, wo abweichende Spannungen bereitgestellt werden müssen und eine galvanische bzw. Netz-Trennung nicht erforderlich ist, z. B.:
- Netzadapter zum Betrieb von Geräten mit/an abweichender Netzspannung (z. B. 110 auf 230 V oder umgekehrt), z. B. auf Reisen (Reiseadapter)
- Spar-Stelltransformatoren: Bei diesen wird die Ausgangsspannung durch einen über die Windungen bewegten Schleif- oder Rollenkontakt abgegriffen. Der Vorteil von (Spar-)Stelltransformatoren gegenüber Thyristorstellern oder Triac-Dimmern ist, dass diese den zeitlichen Verlauf der Netzspannung (Sinusform) bewahren und somit keine elektromagnetischen Störungen erzeugt werden. Auch problematische Lasten mit kapazitivem, induktivem oder nichtlinearem Verhalten können an Sparstelltransformatoren betrieben werden.
- Transformatoren in Maschinen und Geräten, um diese an verschiedenen Netzspannungen weltweit einsetzen zu können – man kann sie am Einsatzort durch Umschalter oder Steckbrücken konfigurieren.
- Autotransformatorsysteme für Bahnstromversorgungsanlagen, ausgeführt als Spartransformator mit Mittelanzapfung
- Zündspulen in Wärmekraftmaschinen (z. B. Verbrennungsmotor): Durch ihre Ausführung als Spartransformator lässt sich eine separate Masseverbindung für die Primär- und Sekundärwicklung einsparen
- Spartransformatoren wurden bis in die 1950er-Jahre in einfachen Röhrenempfängern eingesetzt, um die Baukosten gering zu halten. Je nach Polung des Netzsteckers war das Chassis direkt mit dem Netz verbunden.
Spartransformatoren dürfen nicht eingesetzt werden, wenn Personen mit der Spannung in Berührung kommen können, zum Beispiel bei offenen Lampen, Schweißtransformatoren oder Spielzeugeisenbahnen, da in bestimmten Fehlerzuständen der Strom über den Menschen abfließen könnte.
Bei Reisetrafos 230/110 V (bei Einsatz US-amerikanischer Geräte in Europa) kann die Spannung zwischen Ausgang und Erde bis zu 230 V betragen. Bei Transformatoren, bei denen Primär- und Sekundärwicklung voneinander getrennt sind, kann hingegen kein Strom zwischen Ausgang und Erde fließen. Beim Trenntransformator ist diese Trennung (Isolation) besonders sicher.
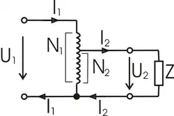
Ersatzschaltbild
Um die Funktion und das Verhalten eines Spartrafos zu modellieren, sowie um ihn zu berechnen, soll folgendes Ersatzschaltbild dienen. Das Ersatzschaltbild eines Spartrafos unterscheidet sich von dem Ersatzschaltbild eines Transformators mit getrennten Wicklungen. Das Übersetzungsverhältnis ist in der Ersatzschaltung mit ü bezeichnet, wobei
und
ist.
Siehe auch
Literatur
- Peter Bastian, Horst Bumiller, Monika Burgmeier, Walter Eichler, Franz Huber, Jürgen Manderla, Jürgen Schwarz, Otto Spielvogel, Klaus Tkotz, Ulrich Winter, Klaus Ziegler: Fachkunde Elektrotechnik. 26., überarbeitete und erweiterte Auflage. Europa-Lehrmittel, Haan-Gruiten 2008, ISBN 978-3-8085-3160-0.
- Ernst Hörnemann, Heinrich Hübscher: Elektrotechnik Fachbildung Industrieelektronik. Westermann Schulbuchverlag, Braunschweig, 1998, ISBN 3-14-221730-4.
- Günter Springer: Fachkunde Elektrotechnik. 18. Auflage, Europa-Lehrmittel, Wuppertal, 1989, ISBN 3-8085-3018-9.
- Max Reck, F. Bergtold, Kirsch, O. Müller, H. Wigge: ZIPP. Die Elektrotechnik. Hrsg.: Max Reck. 7., überarbeitete Auflage. Band 1. Franz Steiner Verlag GmbH, Wiesbaden 1952.