Selective Sequence Electronic Calculator

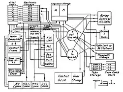
Blockdiagramm des SSEC

Der Selective Sequence Electronic Calculator (SSEC) wurde 1946/47 unter der Leitung des Columbia-Professors Wallace John Eckert vom Watson Scientific Computing Laboratory gebaut und war ein Hybridcomputer, der sowohl aus 12.500 Röhren als auch aus 21.400 mechanischen Relais bestand. Er stand im IBM-Hauptquartier in Manhattan und bedeckte dort die Wände eines 18 × 9 Meter großen Raumes, nach anderen Quellen eine 18, eine 12 und eine 24 Meter lange Wand. Am 27. Januar 1948 nahm er die Arbeit auf.

Eine wichtige Aufgabe erfüllte SSEC: Er berechnete Mondpositionen, die Jahre später auch als Grundlage für die Apollo-Landungen dienten. Jede Position erforderte 11.000 Additionen und Subtraktionen, 9.000 Multiplikationen und 2.000 Suchanfragen an eine Datenbank. In jede Berechnung mussten wiederum 1.600 Beziehungen einbezogen werden. Dieser Vorgang dauerte – zum Erstaunen der Zuschauer – sieben Minuten.

Das Einzelstück wurde im Juli 1952 wieder demontiert, um Platz für den neuen Defense Calculator (IBM 701) zu machen.

Von technischer Seite (Eckert war Astronom) war bei IBM insbesondere Frank E. Hamilton beteiligt.