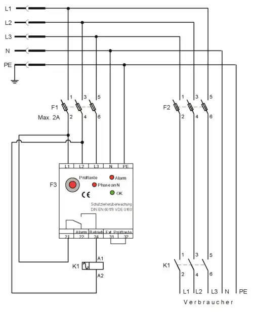
Schutzleiterüberwachung

Eine Schutzleiterüberwachung wird in Elektroinstallationen zur Überwachung des Schutzleiters in ein- und dreiphasigen Netzen mit einer Netzfrequenz von 50 Hz bzw. 60 Hz mit und ohne Neutralleiter eingesetzt.
Sie ermittelt messtechnisch die Verfügbarkeit des Schutzleiters und betätigt bei positivem Messergebnis ein integriertes Freigaberelais. Erst mit dieser Freigabe wird die Spannungsversorgung für die nachgeschalteten Verbraucher mittels Schütz durchgeschaltet. Die Schutzleiterüberwachung ist permanent im Einsatz. Fehlt der Schutzleiter oder ist dieser zufolge eines Kabelbruches unterbrochen, wird die Freigabe verweigert oder auch nachträglich entzogen.
Verwendung
Eingesetzt werden Schutzleiterüberwachungen hauptsächlich in mobilen Anlagen und Geräten. Dort schreibt die DIN EN 50178 / VDE 0160 vor, dass der Ableitstrom (betriebsbedingt oder auch nicht betriebsbedingt) nicht größer 3,5 mA sein darf. Weist die Anlage oder das Gerät einen höheren Wert auf, stehen dem Betreiber mehrere Möglichkeiten zur Verfügung. Eine Möglichkeit ist das Vorhandensein des Schutzleiters ständig zu kontrollieren. Andere Möglichkeiten wären z. B. ein Festanschluss oder die Verlegung eines zweiten Schutzleiters (Redundanz).
In mobilen Geräten sind oftmals elektronische Steuerungen und Frequenzumrichter verbaut, die aus Gründen der elektromagnetischen Verträglichkeit, Störungen gegen Erde ableiten. Mit diesen Geräten ist in der Regel kein Ableitstrom kleiner-gleich 3,5 mA zu realisieren.
Da in mobilen Geräten Möglichkeiten wie Festanschluss oder zweiter Schutzleiter selten in Frage kommen, ist hier der Einsatz einer Schutzleiterüberwachung das geeignetste Mittel.
Normativer Hintergrund

Zitat aus der DIN EN 50178 / VDE 0160
- Teil 5.2.11.1 Hoher Ableitstrom
- „Hat ein elektrisches Betriebsmittel (EB) bei bestimmungsgemäßer Verwendung dauernd einen höheren Ableitstrom als AC 3,5 mA oder DC 10 mA, so ist für den Schutz ein fester Anschluß erforderlich; dies ist in den Betriebsunterlagen anzugeben.
- Die Kombination einer Fehlerstrom-Schutzeinrichtung mit insbesondere mehreren EB kann unverträglich sein, wenn der Gesamtableitstrom von deren Hochfrequenzfiltern so hoch ist, daß die Fehlerstrom-Schutzeinrichtung ausgelöst wird.
- Der Gesamtableitstrom im Schutzleiter kann AC 3,5 mA und DC 10 mA übersteigen, wenn mehrere EB an eine Versorgungsquelle angeschlossen sind. In diesem Fall und wenn der Schutzleiter unterbrochen wird, kann eine Person einem Ableitstrom ausgesetzt sein, der höher als die Grenze von AC 3,5 mA oder DC 10 mA ist. Unter diesen Bedingungen und solange keine internationalen Normen zu Maßnahmen vorliegen, die das verhindern, ist folgendes vorzunehmen:
- Verlegung eines zweiten Schutzleiters oder
- bei Unterbrechung des Schutzleiters selbsttätige Abschaltung der Stromversorgung oder
- der Einbau eines Zweiwicklungs-Transformators (oder eines gleichwertigen Betriebsmittels) in die Stromversorgung, wobei der Schutzleiter des Stromkreises mit den Körpern des EB und der Sekundärwicklung des Transformators verbunden wird.
- Verlegung eines zweiten Schutzleiters oder
- Messen des Ableitstromes ist bei EB erforderlich, die nicht für festen Anschluß bestimmt sind:
- Das EB ist isoliert ohne Anschluß des Schutzleiters aufzustellen und mit Bemessungsspannung zu betreiben. Unter diesen Bedingungen ist der Strom an folgenden Stellen zu messen:
- a) bei einem EB, das zum Anschluß an ein TN- oder TT-Netz bestimmt ist, zwischen Schutzleiteranschlußstelle und Schutzleiter;
- b) bei einem EB, das zum Anschluß an ein IT-Netz bestimmt ist, zwischen Schutzleiteranschlußstelle und jedem Außenleiter.
- Der Stromkreis muß nach 5.1 von IEC 60990, Bild 3, ausgeführt sein.“
- Teil 5.3.2.1 Ableitstrom über den Schutzleiter
- „Wird bei EB ein Ableitstrom von AC 3,5 mA oder DC 10 mA (z. B. herrührend von Filtern) nicht oder nur bei Ausfall von einer oder zwei Sternspannungen des Versorgungsnetzes bzw. im Fehlerfall überschritten, sind keine besonderen Maßnahmen erforderlich. Wird bei einem festangeschlossenen EB der betriebsmäßige Ableitstrom von AC 3,5 mA oder DC 10 mA überschritten, so muß eine der folgenden Bedingungen erfüllt werden:
- a) Schutzleiterquerschnitt mindestens 10 mm² Kupfer;
- b) Überwachung des Schutzleiters durch eine Einrichtung, die im Fehlerfall zu einer selbsttätigen Abschaltung des EB führt;
- c) Verlegung eines zweiten Leiters, elektrisch parallel zum Schutzleiter, über getrennte Klemmen. Dieser Leiter muß für sich allein die Anforderungen für Schutzleiter nach Abschnitt 543 von HD 384.5.54 S1 erfüllen.“
Quellen
- DIN EN 50178 / VDE 0160