Ratiometrisch

Der Begriff ratiometrisch setzt sich zusammen aus Ratio, lateinisch für Verhältnis, und Metrik, griechisch für Messung. In der Elektronik bedeutet er, dass eine unbekannte Größe aus dem bekannten Verhältnis mehrerer anderer Größen zueinander abgeleitet werden kann.

Allgemeine Beispiele

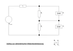
Aufbau zur ratiometrischen Messung

Allgemein ergibt sich bei einer ratiometrischen Messung als Quotient zweier Größen mit der gleichen Störungsüberlagerung, dass diese nicht die Messung beeinflusst. Eine ratiometrische Größe ist zum Beispiel unabhängig von der Versorgungsspannung.

Die Zeichnung zeigt am Beispiel, dass das Verhältnis der gemessenen Spannungen U1 und U2 an den Widerständen R1 und R2 unabhängig vom Absolutwert der Versorgungsspannung UQuelle ist. Somit kann bei bekanntem Wert für R1 durch Messung des Spannungsverhältnisses auf das Widerstandsverhältnis bzw. auf R2 geschlossen werden.

Beispiel: Steigt die Versorgungsspannung eines Potentiometers, so steigt proportional auch die Spannung am Schleifkontakt, jedoch bleibt das Verhältnis der Versorgungsspannung zur abgenommenen Spannung gleich.

Anwendung

Ratiometrische Messwertaufnahmen erfolgen oft beim Einsatz von Sensoren in Kombination mit A/D-Wandlern. Insbesondere in der modernen Kfz-Elektronik sind solche Maßnahmen zur Reduktion von Störeinflüssen erforderlich.

Veraltet dagegen sind Quotientenmesswerke zur Motortemperatur- oder Tankanzeige.

Quelle

  • Rupert Patzelt, Herbert Schweinzer: Elektrische Messtechnik. 2. Auflage. Springer-Verlag, Wien 1996, ISBN 978-3-211-82873-1, S. 319.