Poema de José

(arabisch حديث يوسف, DMG ḥadīṯ Yūsuf),
„Poema de José“.
Anfangs-Strophen dieses Aljamiado-Gedichtes in der arabischen Urschrift. Nach Handschrift «A», BNE ms. 11/9409, olim T. 12 , in der Edition von Ramón Menéndez Pidal.
Das „Poema de José“, deutsch „Gedicht auf Josef“;[1] arabisch قصيدة يوسف, DMG qaṣīdat Yūsuf, Originaltitel: Hadiith de Yuuçuf (arabisch حديث يوسف, DMG ḥadīṯ Yūsuf)[2] ist ein altspanisches Strophen-Gedicht, das zwischen dem 14. und 16. Jahrhundert von einem anonymen Mudéjar oder Morisken in Aragonien oder in al-Andalus verfasst worden ist.
Es zeichnet sich durch drei Besonderheiten aus:
- Zum Ersten zeigen die Handschriften eine komplexe graphematische Struktur. Das sprachlich altspanische, alt-aragonesische Poem ist in einem der spanischen Sprache fremden graphischen System verfasst, nämlich im arabischen Schriftsystem und zwar im maghrebinischen Duktus, der zur Familie der kufischen Schriftarten gezählt wird. Es handelt sich beim „José“ um ein berühmtes Beispiel der sogenannten Aljamiado-Literatur.
- Zum Zweiten fällt die verwendete Vers- und Strophenform auf, die in der spanischen Verslehre cuaderna vía genannt wird: „Die cuaderna vía ist eine vierzeilige Alexandriner-Strophe, die jeweils auf einem einzigen Vollreim läuft.“[3] Dieses metrische Schema ist durch Poeten wie Gonzalo de Berceo der gelehrten hochmittelalterlichen Dichterschule „mester de clerecía“ im 13. Jahrhundert berühmt gemacht worden:
«El Poema de José es un poema régidamente dentro del esquema de la primera época del „mester de clerecía“, con versos exactos de 7 + 7 sílabas.»
„Das Poema de José ist ein Gedicht, das sich streng an das Schema der ersten Epoche der Dichterschule „mester de clerecía“ hält, mit Versen von jeweils 7 + 7 Silben.“
- Zum Dritten schildert dieses Strophengedicht die Josefsgeschichte nicht aus biblischer (Gen 1,37–50), sondern aus islamischer Sicht. Der Koran widmet der Geschichte von Josef und seinen Brüdern ein eigenes Kapitel, die mekkanische Sure 12 – „Joseph“ (arabisch يوسف „Yūsuf“), welche in 111 Versen „die schönste der Geschichten“ zusammenhängend erzählt.[4] Manches findet sich auch in Prophetenlegenden, in Hadithen ath-Thaʿlabīs, in Korankommentaren az-Zamachscharīs und Werken des Historikers at-Tabarī.[5]
Einige Angaben gehen sogar bis auf die ältesten rabbinischen Kommentare zur Tora wie Midrasch Rabba, Midrasch Tanchuma und Sefer ha-Jaschar zurück.[5]
Weitere Quellen dieser aljamiadischen Bearbeitung der Josefslegende sind die mit märchenhaften Elementen verzierten Liebeserzählungen „Jussuf und Suleicha“ der persischen Dichter Firdausi (940-1020)[6] und Dschāmi (1414–1492).[7][8]
Je nach dem verwendeten Transliterationssystem wird das „Poema de José“ von den jeweiligen Herausgebern unterschiedlich betitelt:
- „El Alhadiths de Júsuf el Patriarca“ – Florencio Janer,[9] der Transkription von Pascual de Gayangos folgend[10]
- „Hadiç de Yūçuf“ – Ramón Menéndez Pidal[11]
- „Hadiith de Yuuçuf“ – William Weisiger Johnson.[12]
Unter Zusammenführung der beiden Handschriften «A» und «B» haben Romanisten in Kooperation mit Arabisten[12][13] insgesamt 312 Strophen, mehr als 1220 Verse, dieses Aljamiado-Gedichtes rekonstruiert und publiziert.[14]
Handschriften
Eduardo Saavedra, welcher 1878 das erste bibliographische Verzeichnis von Aljamiadotexten publiziert hat,[15] den „Índice general de la literatura aljamiada “,[16] registriert darin drei Handschriften (n°86, n°30 und n°98), welche Fragmente des „Poemas de José“ wiedergeben. Bei diesen Aljamiado-Gedichttexten handelt es sich jeweils um vierzeilige, einreimige Alexandriner-Verse, die in der spanischen Verslehre « cuaderna vía »[17] genannt werden.
Der inhaltlich spanische Text des Gedichtes ist in allen drei Handschriften im arabischen Alphabet geschrieben.
Handschrift «A», Kodex Nummer 86 (bei Saavedra). Der Kodex enthält 18 verschiedene Aljamiadotexte, darunter (n°86,1) das „Alhadiz de Yuçof“, RAH ms. 11/9409, olim T-12. Álvaro Galmés de Fuentes registriert 1998 diese Handschrift «A» (Signatur 11/9409; olim: T-12) in seiner Bibliographie moriskischer Aljamiado-Handschriften unter der Nummer 17,1 und erwähnt, dass die arabischen Schriftzeichen dieses Aljamiadotextes vom maghrebinischen Typ sind (« letra magrebí »).[18] « Ms. A » ist das älteste der drei Manuskripte und umfasst die Strophen 1 bis 95 des Gedichtes. Es beginnt mit Lobpreisungen Allahs und erzählt die Geschichte Josefs vom Anfang bis zur Episode mit der schönen Zalifa (Suleika):
«Biblioteca de Don Pascual de Gayangos, T. 12. Códice muy detoriado en su parte inferior, en 4°, papel variado, desde mediados del siglo XIV hasta principios del XVI. Fue encontrado en Morés, enterrado y envuelto en una bayeta. Contiene: 1.° Alhadiz de Yuçuf: desde el principio hasta la historia de Zalifa…»
„Sammlung von Herrn Pascual de Gayangos, T. 12. In seinem unteren Teil ist der Kodex sehr beschädigt. Im Quartformat, verschiedene Papierarten aus der Mitte des 14. bis Anfang des 16. Jahrhunderts. Er wurde in Morés gefunden, vergraben und in groben Stoff eingewickelt. Der Kodex enthält 1.° Alhadiz de Yuçuf: vom Anfang der Erzählung bis zur Geschichte der Zalifa (Suleika)…“
Handschrift «B», Nummer 30 (bei Saavedra), enthält das längste Fragment des „José“, BNE, MSS/Res.247, olim Gg. 101.[19] Dieses Manuskript umfasst 301 Strophen.[20] Es fehlen die ersten neun Strophen des Gedichts. « Ms. B » beginnt mit der Eifersucht von Josefs Brüdern über dessen Traum und mit der Bitte an ihren Vater Jakob, ihn mit ihnen aufs Feld gehen zu lassen.[21] Es endet abrupt, auf der Höhe von Koran, Sure 12, 83, kurz bevor Josef, inzwischen Herrscher Ägyptens, sich allen seinen Brüdern zu erkennen gibt.[22]
Fragment « V. 5 », n°98 (bei Saavedra[23]), ein Blatt. Es enthält vier Strophen des Gedichts.[24]
Zur Editionsgeschichte des „José“
„Die erste spanische Transkription des Poema wurde von Gayangos nach Gg. 101 verfasst und von Ticknor im Druck veröffentlicht…. Eine zweite verbesserte Auflage übernahm Gayangos selbst. Sie ist enthalten in seiner spanischen Literaturgeschichte und in Janers Sammlung der Poetas castellanos anteriores al siglo XV, Madrid 1864, p. 413–423.[25] Gayangos hat zu dieser Ausgabe neben Gg. 101 noch das zweite handschriftliche Fragment benützt T 12. [Die neun Anfangsstrophen hat Gayangos aus Manuskript T 12 entnommen.]“
1849 wird zum ersten Mal ein Fragment des „Poema de José“ publiziert. George Ticknor veröffentlicht 1849 im Anhang H. 1 des dritten Bandes seiner History of Spanish Literature die von Pascual de Gayangos nach Handschrift «B» durchgeführte Transkription der 301 Strophen dieses Aljamiado-Gedichtes.[26]
1864 ediert Florencio Janer im Band 57, der BAE eine Transkription des gesamten José-Textes, indem er beide Handschriften «A» und «B» zusammenführt.
1883 veröffentlicht der Schweizer Sprachwissenschaftler Heinrich Morf eine Reproduktion des Aljamiado-Urtextes in arabischen Schriftzeichen nach Handschrift «B» Gg. 101[27] ohne Transkription oder Übersetzung.
1901 publiziert der Arabist und Romanist Michael Schmitz eine Transkription in lateinische Buchstaben auf der Basis dieser Morfschen Aljamiado-Edition.[5]
1902 veröffentlicht der spanische Romanist Ramón Menéndez Pidal eine vollständige Edition der Handschrift «A». Sie umfasst sowohl eine Wiedergabe des originalen Aljamiadotextes in arabischen Schriftzeichen als auch eine Transkription in lateinische Buchstaben, die er in Zusammenarbeit mit dem spanischen Arabisten D. Francisco Codera erstellt hat.[28] Die transliterierte Version Menéndez Pidals ist sehr akademisch gehalten und deshalb nicht angenehm zu lesen.[29]
1974 gibt der amerikanische Philologe William Weisiger Johnson eine neue Transkription des „Poemas de José“ heraus. Er vereint darin die beiden Handschriften «A» und «B» zu einem einzigen, gut lesbaren altspanischen Text von 312 vierzeiligen „Cuaderna vía“-Strophen.[12][30] Leider enthält diese Neuausgabe keine Faksimiles der Original-Aljamiadotexte in arabischen Buchstaben. Ein Manko, das Denise Cardaillac in ihrer Rezension[12] dem Herausgeber William Weisiger Johnson vorwirft.
Transkriptionssysteme für Aljamía-Handschriften

Dieses arabische Sonderzeichen steht in Aljamiado–texten für die Verdopplung eines Konsonanten oder für eine harte, stimmlose Aussprache eines Konsonanten.
Die arabische Schrift ist eine Konsonantenschrift, das heißt, sie bildet Konsonantencluster ab. Um Nicht-Arabisten nachempfinden zu lassen, was dies im Gegensatz zum lateinischen Alphabet bedeutet, diene folgender deutscher Satz, in dem lange Vokale weggelassen sind: mn kn ds trtzdem gnz gut lesn, ncht wahr?[31]
Man sieht, dass sich semitische Alphabete nicht für die Darstellung spanischer Vokale und Diphthonge eignen. Deshalb bedienten sich die Aljamiado-Schreiber besonderer Hilfszeichen, wie diakritischer Punkte. Um konsonantische spanische Phoneme wie stimmloses „p“, „stimmloses-s“„, „Zungen-r“, « ñ », « ll », „ch“ und andere mehr abbilden zu können,[32] verwendeten sie das Hilfszeichen „Taschdīd“, auch „Schadda” genannt:
“With regards to the consonants, only two gave any trouble – “p” and “ch”. The solution of the problem was the same for both. Arabic orthography has a symbol known as 1=“shadda” (meaning “strengthening”). When this symbol is written above a consonant, itum has the effect of doubling it: t with “shadda” becomes “tt”; “n” with shadda is “nn”, etc. The morisco copyists used shadda with “b” to represent “p”, and with “j” to represent “ch”. Thus “padre” was actually written “bbadre”, and “chico” appeared as “jjico”.”
„Was die Konsonanten betrifft, so bereiteten nur zwei von ihnen Probleme – „p“ und „ch“. Die Lösung des Problems war die gleiche für beide Fälle. Die arabische Orthographie hat ein Sonderzeichen, bekannt als 2=„Taschdīd“ oder „Schadda”, was „Verstärkung“ bedeutet. Wenn dieses Zeichen über einem Konsonanten steht, so bewirkt es seine Verdopplung.: „t“ mit Schadda wird zu „tt“; „n“ mit Schadda wird zu „nn“, usw. Die moriskischen Kopisten benutzten die Schadda mit „b“, um „p” darzustelllen, und mit „j“, um „ch“ abzubilden. So schrieben sie „padre“ als „bbadre“ und “chico” als “jjico”“
Die « Poetas mudéjares o moriscos » der Aljamiadoliteratur haben also durch die Verwendung des Taschdīd das graphemische System des Arabischen um neue Grapheme erweitert, damit sie spanische Phoneme, die der arabischen Sprache fremd sind, darstellen konnten.
So wurde das anlautende spanische Zungen-R in der arabische Schrift durch das neue Graphem „ر Râ + Taschdīd“ abgebildet. Dies führte dann bei mechanischer Retranskription der arabischen Graphie in lateinische Lettern zu auf den ersten Blick seltsamen Schreibweisen wie „rrey“ statt „rey“ oder „rrecontamiento“ statt „recontamiento“. So erklärt sich, dass eine berühmte Aljamiado-Handschrift von Alois Richard Nykl unter dem befremdlichen Titel „El Rrekontamiento del rrey Ališandere“ herausgegeben worden ist.[33]
Grundsätze zur Transkription von Aljamiadotexten
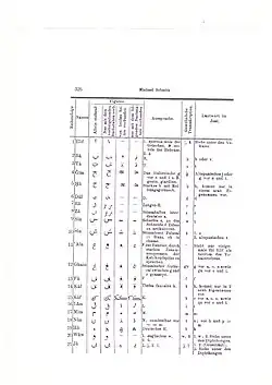
.jpg)
zur Umschrift des „Poema de José“ in lateinische Buchstaben.[5]
Im „Poema de José“ kommen 21 Buchstaben des 28 Buchstaben umfassenden arabischen Alphabets vor.
Die Entzifferung in arabischen Zeichen verfasster Aljamiado-Handschriften, ihre Transkription in lateinische Buchstaben, so dass sich ein altspanischer Text ergibt, stellt an die herausgebenden Philologen besonders hohe Ansprüche:
„Für die Transliteration haben frühere Herausgeber – besonders Michael Schmitz – Grundsätze aufgestellt, die U. Klenk nun z. T. verfeinert, wodurch sie eine genauere Wiedergabe des Originals erreicht. Sie bezeichnet ihre Umschrift als im großen Ganzen mechanisch.“
Zwei Methoden sind bei der Umschrift von Aljamiadotexten in lateinische Schrift zu unterscheiden:
- die „mechanische“ Transliteration der arabischen Zeichen in lateinische Buchstaben, welche sich an der arabischen Graphie orientiert und welche die Besonderheiten der altspanischen Zielsprache kaum berücksichtigt, was einen nur schwer lesbaren Text ergibt[34], und
- die „spanische Transkription“, welche sich an der Orthographie der Zielsprache orientiert und somit einen relativ gut lesbaren, altspanischen Text als Ergebnis liefert.
Bei der mechanischen Transliterationsmethode definiert man in einer Tabelle [5] einen festen Transliterations-Schlüssel, wobei einem bestimmten arabischen Schriftzeichen immer ein gleichbleibender lateinischer Buchstabe zugeordnet wird:
„Daher muss unser erster Grundsatz sein, die Umschrift in lateinische Lettern so genau anzufertigen, dass man von ihr aus den Originaltext in arabischen Lettern wiederherstellen kann… Unser zweiter Grundsatz für die Umschrift lautet: Ein arabischer Buchstabe wird sowohl in arabischen wie in spanischen Wörtern mit dem gleichen Zeichen wiedergegeben.“
Das Ergebnis der „mechanischen Methode“ ist ein nur sehr schwer lesbarer Text, während die „spanische Transkription“ einen leicht lesbaren Text liefert, aus dem sich der arabische Originaltext in arabische Lettern allerdings nicht mehr ohne weiteres wiederherstellen lässt.
Eine Gegenüberstellung der beiden Umschrift-Methoden am Beispiel der 1. Strophe des „Poema de José“ verdeutlicht die Unterschiede der Lesbarkeit:
Mechanische Transkription (nur schwer lesbar)
1.
Disiyêrun sus fichus padrê esunupênsêdês
Sumusdiyêz êrmanus êsubiyên sabêdês
Sêriyamus taraidurês êsunududêdês
Mas êmp^ru sinu bus palazê azêd lukêkêrrêdês.
Spanische Transkription (leicht lesbar, da der spanischen Graphie angepasst)
Dixieron sus fichos: „Padre eso no pensedes,
Somos diez ermanos, eso bien sabedes,
Seriamos traidores, eso no dudedes,
Mas empero si no vos plaze, azed lo que querredes.[5]
Der Romanist Heinrich Morf schreibt im Vorwort zu seiner Reproduktion des aljamiadischen Originaltextes des „Josés“ nach der Handschrift « B » in arabischen Lettern:
„Die Schrift von Gg. 101, wie die der übrigen Joséhandschriften, ist die den spanischen Mauren geläufige, sogenannte „afrikanische“, die von der gewöhnlichen orientalischen sich im Allgemeinen durch ihre mehr eckigen Formen unterscheidet...
Der Text bietet mancherlei Korrekturen: Ausgestrichenes, Eingeflicktes, Überschriebenes, die alle vom Schreiber selbst herzurühren scheinen.“
Der Orientalist Michael Schmitz, der die Morfsche Reproduktion der Handschtrift « B » vollständig transkribiert hat, berichtet:
„Die Verbindung und Trennung der Wörter geht ziemlich willkürlich vor sich. Oft ist gar nicht zu unterscheiden, ob zwei Wörter als verbunden oder getrennt zu betrachten sind, weil der arabische Schreiber sich keineswegs konsequent der Finalformen der einzelnen Buchstaben bedient…. Das Streben, die einzelnen Verse als gleich lang erscheinen zu lassen veranlasst den Schreiber vielfach, die letzten Buchstaben weit auszuziehen oder gar doppelt zu schreiben.“
Alfredo Mateos Paramio, Kurator einer Ausstellung in der Spanischen Nationalbibliothek anlässlich des Gedenkens an 400 Jahre Vertreibung der Morisken aus Spanien durch König Philipp III. im Jahre 1609, betont in der Nota prelimar zum Kapitel: Antología de los manuscritos moriscos die Vielfältigkeit der Transkriptionssysteme für Aljamiado-Handschriften:
«Son numerosos los sistemas de transcripción que se han propuesto para la escritura aljamiada. En el ámbito especializado, junto a las antiguas transcripciones de Nykl o Kontzi, se han publicado numerosos textos en la Colección de Literatura española Aljamiado-Morisca con el sistema imupulsado por el Seminario de Estudios Árabo-Románicos de la Universidad de Oviedo. Sin embargo, otros especialistas han adoptado soluciones diferentes…»
Probleme der Lesbarkeit arabischer Handschriften

Die Lesbarkeit von Texten, die in arabischen Lettern verfasst sind, wird durch Eigenheiten dieses graphematischen Systems erschwert:
- Die arabische Schrift kennt keine Druckschrift. Sie ist eine Schreibschrift, das heißt, Buchstaben werden fortlaufend miteinander verbunden.
- Jeder Buchstabe besitzt vier „Positionsformen“, das heißt: derselbe Buchstabe ändert sein Aussehen, je nach seiner Position, ob er alleine, am Anfang, in der Mitte oder am Ende eines Wortes steht.[35]
- Es gibt weder Interpunktion noch Großbuchstaben. Wortanfänge, Satzanfänge und Satzenden sind deshalb nicht immer eindeutig zu identifizieren.
- Einige arabische Buchstaben unterscheiden sich von anderen nur durch kleine Pünktchen, welche über oder unter die Hauptform des Buchstabens platziert werden. Dies gilt zum Beispiel für ط und ظ, also Ṭā' und Zā', sowie ر und ز, also Rā' und Zāy:
„Die Schreiber und Kopisten von Handschriften haben manchmal einige solcher Pünktchen ziemlich sorglos ausgelassen und den Leser vor das Poblem gestellt, zu überlegen, welches Wort oder welche Wörter gemeint sein könnten.“
- Des Weiteren wird die Lesbarkeit durch das Vorhandensein verschiedener Schriftarten, wie Kufi, Naschī, Reqa, Nastaʿlīq, Thuluth, Diwani und andere kalligrafische Varianten erschwert.
- Zudem sind Aljamiado-Handschriften mehrere hundert Jahre alt, so dass paläografische Spezialkenntnisse notwendig sind.[36]
Inhalt
Der US-amerikanische Hispanist und Literaturhistoriker George Ticknor lobt das „Poema de José“ in seiner mehrbändigen History of Spanish Literature mit folgenden überschwänglichen Worten:
“There is little, as it seems to me, in the early narrative poetry of any modern nation better worth reading, than this old Morisco version of the story of Joseph... As we read it, we fall unconsciously into along-drawn chant, and seem to hear the voices of Arabian camel-drivers or of Spanish muleteers as the Oriental or the romantic tone happens to prevail.”
„Es scheint mir, dass in der ältesten Dichtung aller neueren Völker nichts zu finden ist, das mehr verdient gelesen zu werden, als diese alte spanische Morisken-Erzählung der Geschichte Josefs... Wenn wir sie lesen, verfallen wir unbewusst in eine langsame Singweise und glauben die Stimmen arabischer Kamelführer oder spanischer Maultiertreiber zu hören, je nachdem ob der orientalische oder der romanische Ton vorherrscht.“
Dieses mit arabischen Schriftzeichen geschriebene Strophen-Gedicht erzählt die Josefsgeschichte in altspanischer (alt-aragonesisch) Sprache.[37]
Die Geschichte vom Patriarchen Josef wird hier allerdings nicht aus biblischer (Gen 1,37–50), sondern aus koranischer Sicht (Sure 12 – Yūsuf)[38] geschildert.
Auszüge aus dem „José“
Die ersten vier Strophen des Gedichts

Transliteration der Anfangs-Strophen ins lateinische Alphabet auf Basis der Handschrift « A » (BNE ms. 11/9409, olim T 12) nach Ramon Menéndez Pidal, 1901.
Da die Transliteration des gesamten „Josés“ von Gayangos (nach Zusammenführung beider Handschriften « A » und « B »), publiziert 1864 von Florencio Janer in BAE Band 57, auf der Webseite der „Biblioteca virtual Miguel de Cervantes“ vollständig online verfügbar ist, wird hier aus dieser leicht lesbaren Edition zitiert.[39]
Nach Transliteration der arabischen Schriftzeichen der Handschrift « A » (BNE ms. 11/9409, olim T 12) ins lateinische Alphabet ergeben die ersten vier Strophen des Gedichtes folgenden „altspanischen“ (alt-aragonesischen) Text:
El Alhadits de Júsuf – aleīhi-s-selam
Bismi–llahi–r–rahmani–r–rahimi
1.
a Loamiento ad Alláh; el alto es e verdadero,
b Honrado e complido, sennor dereiturero,
c .................................................................
d Franco e poderoso, ordenador sertero.
2.
Grande es el su poder, todo el mundo abarca;
Non se le encubre cosa que en el mundo nasca,
Siquiera en la mar ni en toda la comarca,
Ni en la tierra prieta ni en la blanca.
3.
Fágovos a saber, oyades, mis amados,
Lo que acontesió en los tiempos pasados
A Yacop e a Yusuf e a sus diez hermanos,
Por cobdisia dél bobieron a seyer malos;
4.
Por que Yakop amaba a Yusuf por maravella,
Porque quel era ninno puro e sin mansella;
Era la su madre fermosa y bella,
Sobre todas las otras era amada ella”
Das Hadith von Yúçuf – Friede sei mit ihm!
Im Namen des barmherzigen und gnädigen Gottes [= das ist die Basmala]
a Lob, sei Allah, der groß und wahrhaftig,
b Ehrlich und verlässlich ist, ein rechtschaffener Herr,
c ..................................................................................[40][41]
d Großzügig und mächtig, ein perfekter Gestalter.
Groß ist seine Macht, sie umfasst die ganze Welt.
Nichts ist ihm verborgen, was in der Welt heranwächst.
Weder im Meer noch auf dem Land,
Weder auf gutem noch auf schlechtem Boden.
Ich werde Euch berichten, hört, meine Lieben,
Was in längst vergangenen Zeiten
Jakob, Josef und seinen zehn Brüdern widerfuhr.
Durch Habgier wurden sie schlecht.
Weil Jakob den Josef über alles liebte
Weil er ein reiner Jüngling, und ohne Falsch war.
Seine Mutter war wunderschön.
Vor allen anderen wurde sie geliebt.[42]
Das Gespräch Jakobs mit dem Wolf
Der anonyme maurische Autor des „Josés“, ein Mudéjar oder Moriske, erlaubt sich dichterische Variationen, welche seiner Verserzählung eine gewisse Originalität verleiht. So baut er in die Erzählung, die ansonsten getreu der koranischen Sure „Joseph“ folgt, mehrere märchenhaft-orientalische Szenen ein, die er vor allem der persischen Poesie nachempfindet.[5] So findet sich zum Beispiel die Episode „Jakobs Gespräch mit dem Wolf“ bereits im epischen Gedicht „Jussuf und Suleicha“ des Persers Firdausi, 940–1020.[43] Hier die entsprechenden Strophen (28–32) aus dem „Poema de José“:
28.
A poco de rato quel padre hobo acordado
Dijo a los sus fijos: « ¿Do es el mi amado? »
« ¿Qué lo habedes fecho? En dó lo habedes echado? »
Ellos le respondieron: « El lobo se lo habrá tragado. »
29.
Dijo: « Non vos creio, mis fijos, en lo que me desides;
Mas cazad al lobo alli de dón venides;
Yo le faré fablar, corvas las çerviçes,
Con ayuda de Alláh, si verdad me desides. »
30.
Fuéronse a cazar el lobo con falsia muy mala,
Disiendo que habia fecho muerte tan granada;
Aduçieron la camisa de Yusuf ensangrentada,
Porque Jacob creyese aquello sin dudansa.
31.
Rogó Jacob al Criador, e el lobo luego fue a fablar:
« No lo manda Alláh que a nabí fuese yo a matar,
En tan extranna tierra me fueron a buscar;
Hanme fecho pecado, viéngolo a laçerar. »
32.
« Non vos creio, mis fijos, ca tuerto me tenedes;
En cuanto me prometides, en todo me fallesçedes,
Mas yo fio en Alláh que aun lo veredes,
Todas estas cosas que aun las pagaredes. »
Nach einer Weile, als der Vater sich erinnert hatte,
Sagte er zu seinen Söhnen: „Wo ist mein Liebling[ssohn]“?
„Was habt Ihr mit ihm gemacht? Wo habt Ihr ihn hingeworfen?“
„Sie antworteten ihm: Der Wolf wir ihn gefressen haben.“
Er sagte: „Ich glaube Euch nicht, meine Söhne, was Ihr mir sagt.
Aber jagt den Wolf dort, woher Ihr kommt.
Ich werde ihn zum sprechen bringen, werde ihn beugen,
Mit Allahs Hilfe werde ich wissen, ob Ihr mir die Wahrheit sagt.“
Sie gingen von dannen, voller Falschheit, um den Wolf zu jagen,
Und sagten, dass er [Josef] getötet habe;
Sie brachten Josefs blutiges Hemd herbei,
Damit Jakob dies wirklich glaube.
Da flehte Jakob den Schöpfer an, und der Wolf begann zu sprechen:
Alláh hat mir nicht aufgetragen, den Propheten [Josef] zu töten;
Sie kamen und suchten mich in fernen Landen,
Sie haben mich zum Sündenbock gemacht, ich komme, um sie zerfleischen.
Ich glaube Euch nicht, meine Söhne, so unaufrichtig seid Ihr,
In allem, was Ihr mir versprecht, täuscht Ihr mich.
Aber ich setzte fest auf Allah und dass Ihr es noch einsehen werdet.
Für das alles werdet Ihr noch zu zahlen haben.[44]

Die Obstmesser-Episode
Im Koran, Sure 12, Vers 31, erzählt Allah, wie die Gemahlin des Potifar (im „José “ heißt sie „Zalifa“ oder „Zaliha“) Frauen der Stadt, die ihr übel nachgeredet hatten, zu einem Festmahl einlädt. Sie lässt ihnen Früchte und Schälmesser servieren. Beim Anblick der engelgleichen Schönheit Josefs verlieren die Damen ihre Fassung, können ihre Blicke nicht mehr von ihm wenden und schneiden sich mit den Messern in die Finger:
„Als die Frau nun von ihrem hinterhältigen Gerede hörte, sandte sie zu ihnen, um sie zu sich einzuladen und bereitete ihnen ein Gelage. Und sie gab einer jeden von ihnen ein Obstmesser und sagte zu Joseph: „Komm zu ihnen heraus!“ Als sie ihn nun sahen, fanden sie ihn großartig, und sie schnitten sich vor Staunen mit dem Messer in die Hand und sagten: Gott bewahre! Das ist kein Mensch. Das ist nichts anderes als ein edler Engel.“[46]
Diese Szene wird in der 92. Strophe des Poema de José wie folgt gestaltet:
Ellas, de que lo vieron, perdieron su cordura
Tanto era de apuesto e de buena fegura;
Pensaban que era anjel, y tornaban en locura.
Cortabanse las manos y nonde abien cura.
Als sie ihn sahen, verloren sie die Fassung,
So gut war er gebaut und von so edler Gestalt;
Sie glaubten, er wäre ein Engel und sie verloren den Verstand.
Sie schnitten sich in die Hände und nichts half mehr.[47]
Persische Quellen – „Jussuf und Suleicha“
Die Literaturhistoriker José Amador de los Ríos und George Ticknor hielten diejenigen Motive im „José“, wofür weder Koran noch Genesis Anhaltspunkte boten, für Erfindungen des anonymen Aljamiadodichters. Diese Ansicht lässt sich jedoch leicht widerlegen, weil alle jene angeblichen Fantasien des poeta mudéjar o poeta morisco sich bereits in Hadithen, Prophentenlegenden ath-Thaʿlabīs (gestorben 1035), in Korankommentaren von az-Zamachscharī (gestorben 1143), von al-Qurtubī (gestorben 1272)[48] und in der älteren persischen Dichtung wiederfinden:
„Dass überhaupt die Phantasie des Verfassers des Poema de José eine sehr untergeordnete Rolle spielt, zeigt vor allem ein Vergleich des Poema mit der älteren persischen Dichtung des Firdusi (gest. 1020), Jussuf und Suleicha. Zum Beispiel das Gespräch Jakobs mit dem Wolf, der Besuch am Grabe seiner Mutter, die Missetat des Negers und die dafür vom Himmel geforderte Sühne und anderes mehr bietet Firdusis Epos in einem ungleich schöneren Gewande.“
So enthält das epische Gedicht „Jussuf und Suleicha“, das von den Iranisten Hermann Ethé[49] und Ottokar Maria Schlechta-Wssehrd dem bedeutendsten Dichter Persiens, Firdausi (gestorben 1020), zugeschrieben wird, zum Beispiel die orientalisch verzierte Episode Jakobs Gespräch mit dem Wolf:
Jakob fragt den gefangenen Wolf:
„Erbarmungsloses Raubtier, Wolf der Schmach,
Warum verschlangst Du ihn, der meiner Seele
Labsal und Lebenssonne war? erzähle!
Ihn, der mir Freund, Genosse, Herzensruh
Und Tröster war, warum verschlangst ihn du?...“
Er riefs – und so, auf göttliches Geheiß,
Gab Antwort ihm der Wolf: „Erhabner Greis!
Profeten-Leiber waren allezeit
Geheiligt mir, geheiligt und geweiht!
Niemals berührt' ich, noch berühr' ich einen!
Ja, anzuschauen wag' ich kaum den reinen!
„So auch Dein Kind! Nie hab' ich es erblickt“...
Und wieder frug ihn Jacob: „Hat vielleicht
Nicht etwa dennoch Kunde Dich erreicht,
Was meinem lieben Knaben zugestoßen,
Wer ihn erschlug und wo sein Blut geflossen?!“
Doch wieder sprach der Wolf zurück: „Ach, nein!
So dichten Schleier lüftet Gott allein!
Was da geschehen, Er allein mags wissen;
Ich aber habe Josef nicht zerrissen.“[50][51]
Der Wolf erzählt Jakob, dass er ebenfalls sein „liebes Junges“ suche, das verschwunden sei. Der Wolf und der Erzvater teilen also dasselbe Leid, „die Sehnsucht nach dem Kinde“. Und Josef ruft aus: „O mein armes Tier, wie trefflich passen zueinander wir!“ Gemeinsam klagen und gemeinsam weinen sie.
Der „José-Stoff“ in anderen Aljamiadotexten
Die Legende von Josef, dem Sohn Jakobs, ist aus koranischer Sicht mehrfach poetisch bearbeitet worden.[52] So ist sie zum Beispiel in einem anderen moriskischen, altspanischen Aljamíatext in arabischen Buchstaben überliefert, dem „Recontamiento de Yuçuf“,[53] auch „Leyenda de Yūsuf“ genannt, einem langen Prosatext aus dem 16. Jahrhundert. Die Handschrift befindet sich in der BNE unter der Signatur MSS/5292. Sie umfasst 163 fortlaufend beschrieben Folien, 13 Zeilen pro Seite.[54]
Weblinks
Literaturhinweise
Bibliographien
- Digitale Bibliographie der Aljamiado-Literatur – Universität Oviedo
- Memoria de los Moriscos. Escritos y relatos de una diáspora cultural. Katalog der Ausstellung in der BNE vom 17. Juni bis 26. September 2010 unter der Leitung von comisario, Alfredo Mateos Paramio: Auszüge – auf Dialnet.
- Álvaro Galmés de Fuentes: Los manuscritos aljamiado-mosriscos de la Biblioteca de la Real Academia de la Historia. Legado Pascual de Gayangos. Madrid 1998, ISBN 84-89512-07-8; Google books.
- Eduardo Saavedra: Discursos Leídos ante La Real Academia Española En La Recepción publica Del 29 De Diciembre 1878. Apéndice I – Índice General de la Literatura Aljamiada, S. 162; Textarchiv – Internet Archive
- Juan Carlos Villaverde Amieva: Los manuscritos aljamiado-moriscos: hallazgos, colecciones, inventarios y otras noticias. Universidad de Oviedo, bne.es (PDF)
Transkriptionssysteme für Aljamía-Handschriften
- Memoria de los Moriscos. Escritos y relatos de una diáspora cultural. Katalog zur Ausstellung in der BNE vom 17. Juni bis 26. September 2010 unter der Leitung von Comisario Alfredo Mateos Paramio, S. 251/252: Auszüge – auf Dialnet.
- Michael Schmitz: Über das altspanische Poema de José. In: Romanische Forschungen. 11. Band, 2. Heft, 1901, Abschnitt B. Das Transcriptions-System S. 325–356 (JSTOR:27935447).
- Ursula Klenk: La Leyenda de Jūsuf. Ein Aljamiadotext. Edition und Glossar. Beihefte zur Zeitschrift für romanische Philologie 134, Max Niemeyer Verlag Tübingen 1972, ISBN 3-484-52039-6 (books.google.de Auszüge). „Bei der Transkription wurde im großen und Ganzen mechanisch verfahren“, S. X–XVII.
- Ursula Klenk: El „tasdid“ en la „Leyenda de Yusuf“, manuscrito aljamiado. In: Actas del Coloquio Internacional sobre Literatura Aljamiada y Morisca. coord. por A. Galmés, 1978, ISBN 84-249-3512-8, S. 399–412.
- Ursula Klenk: Die Koranverse in der „Leyenda de Yusuf“ und die maschinelle Übersetzung. Festschrift zum 60, Geburtstag von Gustav Ineichen. Herausgegeben von Ursula Klenk, Karl-Hermann Körner und Wolf Thümmel. Franz Steiner Verlag, Wiesbaden 1989, S. 135-148, ISBN 3-515-05221-6. – Rezension von Harro Stammerjohann. In: Romanische Forschungen.Band 103, no. 4, 1991, S. 435–439; JSTOR:27940261.
Editionen
Aljamiadotext in arabischen Schriftzeichen ohne Transliteration
- Heinrich Morf: El poema de José, nach der Handschrift der Madrider Nationalbibliothek. Gratulationsschrift der Universität Bern an die Universität Zürich zu deren fünfzigjähriger Stiftungsfeier, vom 2. und 3. August 1883. (archive.org) – (Morf ediert die Handschrift «B» (BNE ms. Res. 247, früher Gg. 101) ausschließlich in arabischen Schriftzeichen. Michael Schmitz (siehe unten) hat diesen arabischen Aljamiado-Urtext nach dieser Morfschen Edition in lateinische Buchstaben transliteriert und transkribiert).
Sowohl Aljamiadotext in arabischen Zeichen als auch Transliteration in lateinische Buchaben
- Ramón Menéndez Pidal: Poema de Yúçuf. Materiales para su estudio, (Madrid 1902), Universidad de Granada, 1952. (Menéndez Pidal gibt zum einen den Text der Handschrift «A» (BNE ms. 11/9409, olim T 12) in arabischen Buchstaben wieder. Anschließend transliteriert er ihn in lateinische Buchstaben, S. 5; Textarchiv – Internet Archive)
Nur Transliteration des Poemas in lateinische Buchstaben
- Florencio Janer (Hrsg.): Poema de José. In: Biblioteca de Autores Españoles (BAE). Band 57: Poetas castellanos anteriores al siglo XV. Verlag M. Rivadeneyra, Madrid 1864, S. 413–423 (cervantesvirtual.com).
- Michael Schmitz: Über das altspanische Poema de José. In: Romanische Forschungen. 11. Band, 2. Heft, 1901, S. 315–411; JSTOR:27935447. (Michael Schmitz transliteriert den arabischen Aljamiado-Urtext nach der Morfschen Edition der Handschrift « B» in lateinische Buchstaben).
- Michael Schmitz: Nachtrag Zum Poema De José. In: Romanische Forschungen. Band 11, Nr. 2, 1901, S. 623–627. JSTOR:27935451.
- George Ticknor: Geschichte der schönen Literatur in Spanien: Deutsch mit Zusätzen herausgegeben von Nikolaus Heinrich Julius. Zweiter Band. Leipzig 1867, S.571–597. (Das Gedicht vom Erzvater Josef books.google.nl). – (George Ticknors Basis ist die Handschrift «B» (BNE ms. Res. 247, früher Gg. 101)). In dieser Handschrift fehlen die ersten neun Strophen. Um das gesamte Gedicht transliteriert in lateinischen Buchstaben rekonstruieren zu können, zieht Ticknor die Handschrift «A» (BNE ms. 11/9409, früher T. 12) hinzu.
- William Weisiger Johnson: The Poema de José: A transcription and comparison of the extant manuscripts. Romance Monographs, Inc. n° 6 (University of Mississippi). Gedruckt in Spanien: Artes Gráficas Soler Valencia 1974, ISBN 84-399-1996-4: Rezension von Denise Cardaillac – auf Persée. (William Weisiger Johnson bietet eine kommentierte Transliteration des Poemas auf der Basis der Handschriften « A » und « B »: 312 Strophen in „Cuaderna vía“).
Zur Verslehre
- Rudolf Baehr: Spanische Verslehre auf historischer Grundlage (= Sammlung kurzer Lehrbücher der romanischen Sprachen und Literaturen. 16, ZDB-ID 517267-6). Niemeyer, Tübingen 1962, S. 182–184.
- Billy Bussell Thompson: La poesía aljamiada y el mester de clerecía: el poema de José (Yúcuf) y el poema en alabanza de Mahoma. In: Literatura hispánica, Reyes Católicos y descubrimiento: actas del Congreso Internacional sobre literatura hispánica en la época de los Reyes Católicos y el descubrimiento / Manuel Criado de Val (dir.), 1989, ISBN 84-7665-515-0, Seiten 164–170., Referenz auf Dialnet.
Dissertationen
- Christa Fest: „Poema de Yuçuf“. Versuch einer Rekonstruktion. Hochschulschrift: F.U. Berlin, Phil. Fakultät, Diss. vom 19. März 1956.
- Oskar Vetter: Der Wortschatz des “Poema de José”. Ein Beitrag zur Erforschung der Aljamiado-Sprachdenkmäler. Hochschulschrift: Inaug.-Diss., Erlangen-Nürnberg 1969.
Versionen der Jakobsgeschichte
- Ahmed Elmatbouly: Die Josefserzählung in rabbinischer und islamischer Tradition. Diplomarbeit. Diplomica Verlag GmbH 2004, ISBN 978-3-8324-8256-5: eingeschränkte Vorschau in der Google-Buchsuche.
Aus biblischer Sicht
- Luis M. Girón-Negrón & Laura Minervini: Las coplas de Yosef: entre la biblia y el midrash en la poesía judeoespañola. Gredos, Madrid 2006: kurze Rezension. (Es handelt sich um die kritische Ausgabe eines langen judenspanischen Gedichtes, das die Jakobsgeschichte aus biblischer Sicht wiedergibt).
- Hermann Gunkel: Die Komposition der Josephgeschichten. In: ZDMG, 76/1922, S. 55–71: Online (Gunkel betont das Märchenhafte und Legendäre der alttestamentlichen Josef-Geschichten).
Aus koranischer Perspektive
- Erika Glassen: Die Josephsgeschichte im Koran und in der persischen und türkischen Literatur. In: Frank Link (Hrsg.): Paradeigmata: literarische Typologie des Alten Testaments. Band 1. Duncker & Humblot, Berlin 1989, S. 169–179; [freidok.uni-freiburg.de/dnb/download/4343freidok.uni-freiburg.de ] (PDF).
- Ursula Klenk: La Leyenda de Jūsuf. Ein Aljamiadotext. Edition und Glossar. In: Beihefte zur Zeitschrift für romanische Philologie, 134, Max Niemeyer Verlag, Tübingen 1972, ISBN 3-484-52039-6; Auszüge (Es handelt sich um einen Aljamiado-Prosatext. Basis der Edition Klenks ist die Handschrift BNE MSS/5292).
- Harald Schweizer: Koranische Fortschreibung eines hebräischen Textes – Hermeneutische Überlegungen anhand der Gestalt Josefs. In: Biblische Notizen. Neue Folge, 143, 2009, S. 69–79; informatik.uni-tuebingen.de (PDF) koran2.
Aus persischer Dichtung
- Nūru'd-Dīn ʿAbdu'r-Raḥmān-i Dschāmi: Joseph und Suleïcha. Historisch-romantisches Gedicht des Mewlana Abdurrahman Dschāmi. Aus dem Persischen mit Anmerkungen übersetzt von Vincenz Edler von Rosenzweig, Wien 1824: books.google.de – zweisprachige (persisch-deutsche) Ausgabe
- Francesco Cimmino: Dal poema persiano Jusuf e Zuleicha di Mevlana Abderrahman Giami. Napoli 1899 (archive.org).
Aus türkischer Dichtung
- Hakan Yaman: Die Yūsuf-Legende in der Version von ‘Alī. Nach dem Dresdener Manuskript Eb. 419. Dissertation zur Erlangung des Doktorgrades der Philosophischen Fakultät der Georg-August-Universität Göttingen, 2005; DNB (PDF; 1,7 MB) Edition eines alttürkischen Gedichtes. Von einem sonst unbekannten Dichter namens « сAlī » stammt die älteste Yūsuf-Legende, die in einer Turksprache verfasst worden ist. Ihr 2489 Doppelverse langer Text enthält am Schluss das Jahr 1233 n. Chr. (630 AH) als Entstehungszeit.
Einzelnachweise
- ↑ Georg Ticknor: Geschichte der schönen Literatur in Spanien: Deutsch mit Zusätzen. Hrsg. von Nikolaus Heinrich Julius. Zweiter Band, Leipzig 1867: Gedicht auf Josef books.google.nl
- ↑ So der Originaltitel, wie man ihn in der Handschrift «A» findet. Siehe: William Weisiger Johnson: The Poema de José. A transcription and comparison of the extant manuscripts. In: Romance Monographs n° 6 (University of Mississippi). Gedruckt in Spanien: Artes Gráficas Soler Valencia 1974, ISBN 84-399-1996-4, S. 29 und S. 94.
- ↑ Rudolf Baehr: Spanische Verslehre auf historischer Grundlage. In: Sammlung kurzer Lehrbücher der romanischen Sprachen und Literaturen. 16, Niemeyer, Tübingen 1962, S. 182.
- ↑ Sure 12 – Joseph (Yūsuf), Vers 3
- ↑ a b c d e f g Michael Schmitz: Über das altspanische Poema de José. In: Romanische Forschungen. Band 11, 2. Heft, 1901, S. 315–411, JSTOR:27935447.
- ↑ Max Grünbaum: Zu Schlechta-Wssehrd’s Ausgabe des „Jussuf und Suleicha“. In: Zeitschrift der Deutschen Morgenländischen Gesellschaft (ZDMG). Band 44, Nr. 3, 1890, S. 445–477 (II. Poema de José. S. 453, JSTOR:43366594).
- ↑ Nūru’d-Dīn ʿAbdu’r-Raḥmān-i Dschāmi: Joseph und Suleïcha. Historisch-romantisches Gedicht des Mewlana Abdurrahman Dschāmi. Aus dem Persischen mit Anmerkungen übersetzt von Vincenz Edler von Rosenzweig, Wien 1824 (books.google.de). – zweisprachige Ausgabe (persisch-deutsch).
- ↑ Erika Glassen: Die Josephsgeschichte im Koran und in der persischen und türkischen Literatur. In: Frank Link (Hrsg.): Paradeigmata: literarische Typologie des Alten Testaments. Band 1, Duncker & Humblot Berlin, 1989, S. 169–179 (freidok.uni-freiburg.de PDF).
- ↑ Florencio Janer (Hrsg.): Poema de José (El Alhadiths de Júsuf) In: Biblioteca de Autores Españoles (BAE), Band 57: Poetas castellanos anteriores al siglo XV, Verlag M. Rivadeneyra, Madrid 1864: El Alhadiths de Yuçuf – S. 413.
- ↑ M. G. Ticknor: Historia de la literatura española. Traducido al castellano por D. Pascual de Gayangos, tomo cuatro, Madrid 1856, S. 247–275: El Alhadits de Júsuf – Poema Morisco aljamiado de José el Patriarca (BNE ms. Res 257, früher Gg 101).
- ↑ Ramón Menéndez Pidal: Poema de Yúçuf. Materiales para su estudio, (Madrid 1902), Universidad de Granada, 1952. (Menéndez Pidal gibt zum einen den Text der Handschrift «A» (BNE ms. 11/9409, olim T 12) in arabischen Buchstaben wieder. Anschließend transliteriert er ihn in lateinische Buchstaben, S. 5; Textarchiv – Internet Archive)
- ↑ a b c d William Weisiger Johnson: The Poema de José: A transcription and comparison of the extant manuscripts. In: Romance Monographs, Nr. 6 (University of Mississippi). Gedruckt in Spanien: Artes Gráficas Soler Valencia 1974, ISBN 84-399-1996-4; Rezension von Denise Cardaillac – auf Persée.
- ↑ Georg Ticknor: Geschichte der schönen Literatur in Spanien: Deutsch mit Zusätzen herausgegeben von Nikolaus Heinrich Julius. Erster Band. Leipzig 1852 (archive.org, S. 81–85).
- ↑ George Ticknor: History of the Spanish Literature in 3 Bänden. Harper & Brothers, New York 1848, S. 432–458 (Textarchiv – Internet Archive).
- ↑ Juan Carlos Villaverde Amieva: Los manuscritos aljamiado-moriscos: hallazgos, colecciones, inventarios y otras noticias. In: Memoria de los Moriscos: Escritos y relatos de una diáspora cultural. coord. por Alfredo Mateos Paramio, 2010, ISBN 978-84-92827-78-7, S. 91: PDF (PDF) – auf dem Server der BNE
- ↑ Eduardo Saavedra: Índice General de la Literatura Aljamiada. In: Discursos Leídos ante La Real Academia Española En La Recepción publica Del 29 De Diciembre 1878. Apéndice I, S.103–182; archive.org
- ↑ Rudolf Baehr: Spanische Verslehre auf historischer Grundlage (= Sammlung kurzer Lehrbücher der romanischen Sprachen und Literaturen, 16, ZDB-ID 517267-6). Niemeyer, Tübingen 1962, S. 182–184.
- ↑ Álvaro Galmés de Fuentes: Los manuscritos aljamiado-mosriscos de la Biblioteca de la Real Academia de la Historia. Legado Pascual de Gayangos. Madrid 1998, ISBN 84-89512-07-8, S. 83: RAH ms. 11/9409, olim T-12: eingeschränkte Vorschau in der Google-Buchsuche
- ↑ Eduardo Saavedra: Discursos Leídos ante La Real Academia Española En La Recepción publica Del 29 De Diciembre 1878. Apéndice I – Índice General de la Literatura Aljamiada, S. 126; archive.org
- ↑ Heinrich Morf: El poema de José, nach der Handschrift der Madrider Nationalbibliothek. Gratulationsschrift der Universität Bern an die Universität Zürich zu deren fünfzigjähriger Stiftungsfeier, vom 2. und 3. August 1883 (archive.org, S. VIII).
- ↑ Geschichte der schönen Literatur in Spanien Georg Ticknor: Deutsch mit Zusätzen herausgegeben von Nikolaus Heinrich Julius. Zweiter Band. Leipzig 1867. S. Das Gedicht vom Erzvater Josef, S. 571–597
- ↑ Don José Amador de los Ríos: Historia crítica de la literatura española. Madrid 863, Band III, S. 380: cervantesvirtual.com
- ↑ Eduardo Saavedra: Discursos Leídos ante La Real Academia Española En La Recepción publica Del 29 De Diciembre 1878. Apéndice I – Índice General de la Literatura Aljamiada, S. 170; archive.org
- ↑ Heinrich Morf: El poema de José, nach der Handschrift der Madrider Nationalbibliothek. Gratulationsschrift der Universität Bern an die Universität Zürich zu deren fünfzigjähriger Stiftungsfeier, vom 2. und 3. August 1883. (archive.org, S. X–XI).
- ↑ Florencio Janer (Hrsg.): Poema de José. In: Biblioteca de Autores Españoles (BAE), Band 57: Poetas castellanos anteriores al siglo XV, Verlag M. Rivadeneyra, Madrid 1864, S. 413–423 (cervantesvirtual.com).
- ↑ George Ticknor: History of Spanish Literature. Band III, New York 1849, S. 432–458: Volltext in der Google-Buchsuche
- ↑ Heinrich Morf: El poema de José, nach der Handschrift der Madrider Nationalbibliothek. Gratulationsschrift der Universität Bern an die Universität Zürich zu deren fünfzigjähriger Stiftungsfeier, vom 2. und 3. August 1883 (archive.org).
- ↑ Ramón Menéndez Pidal: Poema de Yúçuf. Materiales para su estudio, (Madrid 1902), Universidad de Granada, 1952. (Menéndez Pidal gibt zum einen den Text der Handschrift «A» (BNE ms. 11/9409, olim T 12) in arabischen Buchstaben wieder. Anschließend transliteriert er ihn in lateinische Buchstaben, S. 5; Textarchiv – Internet Archive)
- ↑ So urteilt Denise Cradaillac in einer vergleichenden Rezension: persee.fr S. 176: « La lecture du texte [gemeint ist die Transliteration William Weisiger Johnsons] est très agréable, ce qui n’est pas le cas de celui de Menéndez Pidal. »
- ↑ Weisiger Johnson bietet eine kommentierte Transliteration des Poemas auf der Basis der Handschriften « A » und « B »: 312 Strophen in „Cuaderna vía“.
- ↑ Katharina Bobzin: Arabisch Grundkurs, 3. durchgesehene Auflage, Harrassowitz Verlag Wiesbaden 2009, ISBN 978-3-447-06075-2: eingeschränkte Vorschau in der Google-Buchsuche
- ↑ Ursula Klenk: El „tasdid“ en la „Leyenda de Yusuf“, manuscrito aljamiado. In: Actas del Coloquio Internacional sobre Literatura Aljamiada y Morisca. coord. por A. Galmés, 1978, ISBN 84-249-3512-8, S. 403.
- ↑ Revue hispanique: recueil consacré à l’étude des langues, des littératures et de l’histoire des pays castillans, catalans et portugais, Band 77, Nr. 172, 1929, S. 409–611; Bibliografische Angabe – ISSN 9965-0355
- ↑ Ursula Klenk: La Leyenda de Jūsuf. Ein Aljamiadotext. Edition und Glossar. Beihefte zur Zeitschrift für romanische Philologie 134, Max Niemeyer Verlag, Tübingen 1972, ISBN 3-484-52039-6: Auszüge. „Bei der Transkription wurde im großen und Ganzen mechanisch verfahren“, S. X–XVII.
- ↑ Katharina Bobzin: Arabisch Grundkurs, 3. durchgesehene Auflage, Harrassowitz Verlag Wiesbaden 2009, ISBN 978-3-447-06075-2: S. 14/15 in der Google-Buchsuche
- ↑ William Weisiger Johnson: The Poema de José: A transcription and comparison of the extant manuscripts. Romance Monographs, Inc. n° 6 (University of Mississippi). Gedruckt in Spanien: Artes Gráficas Soler Valencia 1974, ISBN 84-399-1996-4, Kapitel: Problems of transcription. S. 16–25.
- ↑ Ramón Menéndez Pidal: Poema de Yúçuf. Materiales para su estudio. Madrid 1902 – nach Handschrift « A » (BNE ms. 11/9409, olim T 12), S. 5; Textarchiv – Internet Archive
- ↑ Sure 12 – Yūsuf
- ↑ Poema de José: Transliteration des Aljamiadotextes nach den beiden Handschriften « A » (BNE ms. 11/9409, früher T 12) und « B » (ms. Res.247, früher Gg. 101) von Gayangos. In: Florencio Janer: Poetas castellanos anteriores al siglo XV, BAE Band 57, Madrid 1864: online
- ↑ Durch ein Versehen des Kopisten umfasst die erste Strophe des Gedichts nur 3 Verse. Der fehlende dritte Vers „c“ lässt sich rekonstruieren, weil die erste Strophe eines anderen anonymen Aljamiadotextes, „Alabanza de Mahoma“ (Lobpreisung Mohammeds), genau dieselben Verse enthält. Er lautet demnach: „Señor de todo el mundo, uno solo y señero.“ Siehe: M. G. Ticknor: Historia de la literatura española. Traducido al castellano por D. Pascual de Gayangos, tomo cuatro, Madrid 1856, Apéndice H n°3, S. 327: Alabanza de Mahoma
- ↑ Ramón Menéndez Pidal: Poema de Yúçuf. Materiales para su estudio, (Madrid 1902), Universidad de Granada, 1952, S. 60.
- ↑ M. G. Ticknor: Historia de la literatura española. Traducido al castellano por D. Pascual de Gayangos, tomo cuatro, Madrid 1856, S. 247 – 275: El Alhadits de Júsuf – Poema Morisco aljamiado de José el Patriarca (BNE ms. Res 257, früher Gg 101).
- ↑ Firdussi: Jussuf und Suleicha. Romantisches Heldengedicht. Aus dem Persischen zum ersten Male übertragen von Ottokar Maria Schlechta-Wssehrd, Wien 1889.
- ↑ Poema de José: Transliteration des Aljamiadotextes nach den beiden Handschriften « A » (BNE ms. 11/9409, früher T 12) und « B » (ms. Res.247, früher Gg. 101) von Gayangos. In: Florencio Janer: Poetas castellanos anteriores al siglo XV, BAE Band 57, Madrid 1864: Strophen 28–32
- ↑ weitere Miniaturmalereien – Völkerkundemuseum VPST in Weimar.
- ↑ Koran, Sure 12, Vers 31.
- ↑ Poema de José: Transliteration des Aljamiadotextes nach den beiden Handschriften « A » (BNE ms. 11/9409, früher T 12) und « B » (ms. Res.247, früher Gg. 101) von Gayangos. In: Florencio Janer: Poetas castellanos anteriores al siglo XV, BAE Band 57, Madrid 1864: Strophe 92
- ↑ Ahmed Elmatbouly: Die Josefserzählung in rabbinischer und islamischer Tradition. Diplomarbeit. Diplomica Verlag, 2004, ISBN 978-3-8324-8256-5, S. 171; eingeschränkte Vorschau in der Google-Buchsuche
- ↑ Kritische Ausgabe in Persischer Schrift und Sprache: Yusuf and Zalikha by Firdausi of Tus. Edited from the manuscripts in the Bodleian Library, the British Museum, and the Library of the Royal Asiatic society, and the two lithographed texts of Teheran and Lucknow (or Cawnpore) by Hermann Ethé. Fasciculus Primus, (Anecdota Oxoniensia) Oxford 1908 (archive.org).
- ↑ Firdussi: Jussuf und Suleicha. Romantisches Heldengedicht. Aus dem Persischen zum ersten Male übertragen von Ottokar Maria Schlechta-Wssehrd, Wien 1889, S. 71–73.
- ↑ Schlechta-Wssehrd: Aus Firdussi's religiös-romantischem Epos „Jussuf und Suleicha“. In: Zeitschrift der Deutschen Morgenländischen Gesellschaft. Band 41, Nr. 4, 1887, S. 590–591: JSTOR:43361898
- ↑ Max Grünbaum: Zu Schlechta-Wssehrd’s Ausgabe des „Jussuf und Suleicha“. In: Zeitschrift der Deutschen Morgenländischen Gesellschaft (ZDMG). Band 44, Nr. 3, 1890, S. 445–477: III. La leyenda de José (de Yūsuf). S. 457–477 (JSTOR:43366594).
- ↑ Francisco Guillén Robles Leyendas de José, hijo de Jacob, y e Alejandro Magno. Sacadas de dos manuscritos moriscos de la Biblioteca nacional de Madrid, Zaragoza 1888 (archive.org).
- ↑ Ursula Klenk: La Leyenda de Yūsuf. Ein Aljamiadotext. Edition und Glossar. Beihefte zur Zeitschrift für romanische Philologie 134, Max Niemeyer Verlag Tübingen 1972, ISBN 3-484-52039-6; Auszüge.