Phasendetektor

Ein Phasendetektor oder Phasenvergleicher ist eine Schaltung, die die Phasen einer Schwingung mit einer in der Phase definierten Referenzschwingung vergleicht und im Falle einer Phasenmodulation die Phasendifferenz als Signal ausgibt. Ein Phasendetektor wird auch in der Phase-locked loop Schaltung benötigt.

Phasenvergleicher können analog oder digital ausgeführt sein. Digitale Phasenvergleicher sind z. B. XOR-Gatter. Am Ausgang entsteht eine Pulsspannung, deren Tastverhältnis und damit der arithmetische Mittelwert sich mit der Phasenverschiebung der beiden Eingangsspannungen Ux und Us ändern.

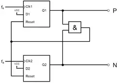
Prinzipschema eines Phasendetektors mit 2 Flipflops und AND-Gatter

Phasendetektoren können auch mit Flipflops realisiert werden (siehe Prinzipschema). Der Vorteil gegenüber der Lösung mit dem XOR-Gatter ist, dass man aufgrund der zwei Ausgänge (P und N) auch sagen kann, wessen Flanke zuerst das Flipflop geschaltet hat.