Phantomspeisung

Phantomspeisung bezeichnet in der Tontechnik eine besondere Art der Fernspeisung für Signalquellen, die auf eine Spannungsversorgung angewiesen sind. In der Regel sind das Kondensatormikrofone und aktive DI-Boxen. Die Phantomspeisung besteht aus einer Gleichspannung, die über das Mikrofonkabel übertragen wird und eine höhere Zuverlässigkeit bietet als Batterien oder Akkus im Gerät selbst.
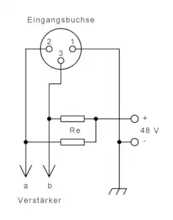
Aufbau und Funktionsweise

In der professionellen Audiotechnik ist eine Phantomspannung von 48 V üblich, aber es sind auch Geräte mit Mikrofoneingängen auf dem Markt, die nur 24 V oder 12 V bereitstellen. DIN 61938 (vorm. DIN 45596) sieht Spannungen von 9 bis 48 V vor. Die meisten phantomgespeisten Mikrofone auf dem Markt können mit Spannungen zwischen 9 und 52 V arbeiten.
Phantomspeisung ist auf eine symmetrische, abgeschirmte Mikrofonverbindung mit durchgehendem Schirm angewiesen.
Der Pluspol der Speisespannung wird parallel an beide Signaladern gelegt, wobei eine direkte Verbindung der Signaladern miteinander durch eine Entkopplungsmaßnahme verhindert werden muss. Der Minuspol der Speisespannung liegt auf der Abschirmung der Leitung. Zwischen den Signaladern – und damit am signaltechnischen Ausgang der Signalquelle – liegt aufgrund dieser speziellen Beschaltung keine Spannung (daher die Bezeichnung „Phantom“). Die speisungsbedürftigen Komponenten greifen die Spannung zwischen einer der beiden Signaladern und der Abschirmung ab.
Mögliche Störspannungen in der Speisung wirken sich durch die symmetrische Leitungsführung nicht auf das Signal aus (Gleichtaktunterdrückung).
Beim Anschluss einer unsymmetrischen Quelle an einen phantomgespeisten Eingang muss die Phantomspeisung entweder für diesen Eingang abgeschaltet oder mit Trenngliedern abgeblockt werden.
Entkopplung der Signaladern

Schaltungstechnisch kann die Phantomspannung auf die Signaladern über die Mittelanzapfung eines Eingangsübertragers eingespeist werden. Bei übertragerlosen Eingängen ist die einfachere Methode mit zwei Entkopplungswiderständen üblich, die einen Kurzschluss der Signaladern verhindern, aber auch die maximal übertragbare Leistung pro Ader begrenzen. Je nach Spannung werden die Entkopplungswiderstände folgendermaßen dimensioniert:
| Spannung | Widerstandswert | Pmax pro Ader |
|---|---|---|
| 48 V | 6,8 kΩ | 85 mW |
| 24 V | 1,2 kΩ | 120 mW |
| 12 V | 680 Ω | 53 mW |
Der tatsächliche Widerstandswert der beiden Entkopplungswiderstände kann bis zu 20 % vom angegebenen Wert abweichen. Sehr kritisch ist dagegen die Gleichheit beider Entkopplungswiderstände eines Eingangs, deren Werte um maximal 0,4 % voneinander abweichen dürfen, da es ansonsten zu Störungen kommen könnte.
Digital Phantom Power (DPP)
Für digitale Mikrofone definiert der AES42-Standard die sog. Digital Phantom Power mit 10 V bei maximal 250 mA. Durch Modulation der Phantomspannung um ±2 V können solche Mikrofone fernbedient werden.
Andere audiotechnische Geräte
Dynamische Mikrofone
Dynamische Mikrofone benötigen keine Phantomspeisung, sie schadet dem Mikrofon andererseits auch nicht (sofern es symmetrisch beschaltet ist). In der Praxis spielt es daher keine Rolle, ob die Phantomspeisung ein- oder ausgeschaltet ist. Dies unterscheidet die Phantomspeisung von der heute nur noch in Sonderfällen eingesetzten Tonaderspeisung nach DIN 45595, bei der eine Gleichspannung parallel zur Mikrofonkapsel zwischen den Signalleitungen a und b anliegt, was ein dynamisches Mikrofon beschädigen würde.
Bändchenmikrofone
Rein dynamische Bändchenmikrofone mit einem Übertrager am Ausgang benötigen keine Phantomspeisung, aber auch hier kann sie durch ihre spezielle Beschaltung keinen Schaden anrichten – im Gegensatz zur Tonaderspeisung, die vom Bändchen kurzgeschlossen wird, was meist zur Zerstörung des Bändchens führt. Kommt allerdings anstelle eines Übertragers eine aktive Verstärkerelektronik zum Einsatz, kann diese die Phantomspeisung zur Spannungsversorgung nutzen.
Aktuelle Bändchenmikrofone vertragen in der Regel das Anlegen einer Phantomspeisung.[1]
DI-Boxen
Aktive DI-Boxen können in der Regel ebenfalls per Phantomspeisung betrieben werden. Um zu vermeiden, dass bei fehlender Speisung überhaupt kein Signal ausgegeben wird, verfügen manche DI-Boxen über eine Bypass-Funktion, wobei das Signal die Elektronik umgeht.
Optogate
Optogates nutzen zur Stromversorgung ebenfalls die übliche 48-V-Phantomspeisung.
Literatur
- Hubert Henle: Das Tonstudio Handbuch. 5. Auflage, GC Carstensen Verlag, München, 2001, ISBN 3-910098-19-3
- R. Beckmann: Handbuch der PA-Technik, Grundlagen-Komponenten-Praxis. 2. Auflage, Elektor-Verlag, Aachen, 1990, ISBN 3-921608-66-X
Weblinks
- Die 48V-Phantomspeisung und ihre Geister, ein Aufsatz von Jörg Wuttke
- 48 VDC Phantom-Speisung für Kondensatormikrofone, ein Schaltungsvorschlag von Thomas Schaerer im Elektronik-Kompendium