Superregenerativempfänger
Ein Superregenerativempfänger, auch als Pendelaudion bezeichnet, ist ein vergleichsweise einfaches Funkempfänger-Schaltungsprinzip, das zum Empfang amplitudenmodulierter und zum Teil sogar frequenzmodulierter Aussendungen (AM bzw. FM) geeignet ist. Einfache Audionempfänger mit Rückkopplung hatten zwar eine am Aufwand gemessen vergleichsweise gute Empfangsleistung, doch aufgrund der zusätzlich zur Senderabstimmung gegebenenfalls zu betätigenden Rückkopplung war die Bedienung wenig komfortabel. Speziell beim Empfang von schwächeren Funkstationen bzw. Rundfunksendern musste sie mit einem separaten Drehknopf mehr oder weniger feinfühlig eingestellt werden. Bei Rückkopplungsempfängern wird die maximale Empfindlichkeit kurz vor dem Schwingungseinsatz erreicht. Wird dieser Punkt überschritten, arbeitet die Schaltung als Oszillator und die Eigenschwingung überlagert sich der Senderschwingung. Bei nur etwas ungenauer Abstimmung entsteht ein dem Frequenzunterschied entsprechender Störton, welcher einen vernünftigen Empfang von AM- oder FM-Aussendungen unmöglich macht. Es wurde daher schon in der Anfangszeit der Funktechnik nach Verfahren gesucht, welche die Bedienung einer Rückkopplung überflüssig machen bzw. diese gegebenenfalls automatisieren sollten. Eine Lösungsmöglichkeit dieses Problems hatte man mit dem oft auch als Pendelempfänger oder kurz Pendler bezeichneten Superregenerativempfänger gefunden. Zunächst wurde die Schaltung auch oft als Pendelaudion bezeichnet, was aber technisch unzutreffend ist, da bei der Demodulation selbst im erweiterten Sinne nicht das Audionprinzip zur Anwendung kommt.
Geschichte

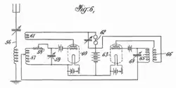
Der Pendelempfänger wurde 1921 von Edwin Howard Armstrong als super-regenerative receiver zum Patent angemeldet.[1] Das Schaltbild rechts zeigt eine Variante aus der Patentschrift. Die linke Röhre arbeitet als Oszillator auf der Empfangsfrequenz in Meißner-Schaltung. Die rechte Röhre arbeitet als Oszillator für die Pendelfrequenz. Beide Röhren sind so verbunden, dass der Arbeitspunkt der Audionröhre durch die Pendelfrequenz zwischen den Arbeitspunkten Verstärkung und Oszillation wechselt. Die Pendelfrequenz ist mit üblicherweise 30 kHz so hoch, dass der Kopfhörer sie nicht mehr wiedergibt. Die Patentschrift enthält auch eine Pendelempfängervariante mit nur einer Elektronenröhre. Damit ein Gitteraudion zum Pendelempfänger wird, ist oft nur eine höhere Zeitkonstante in der Gitterkombination nötig. Der Kondensator C und eventuell der Widerstand R der Gitterkombination werden dafür vergrößert. Das unerwünschte Pendeln eines Gitteraudions auf hörbarer Pendelfrequenz wird motorboating genannt, weil das entstehende Geräusch an einen Schiffsdiesel erinnert.[2]
Für Versuche mit Ultrakurzwellen wurden Pendelempfänger in den 1920er und 1930er Jahren von Amateuren eingesetzt.
In Deutschland erlangten Pendelempfänger in der Anfangszeit des UKW-Rundfunks – also in den Jahren 1949 bis etwa 1953 – größere Bedeutung. Es wurden u. a. Baugruppen hergestellt, mit denen sich herstellerseitig dafür eingerichtete Rundfunkempfänger mit dem UKW-Bereich erweitern ließen. Eine große Bedeutung hatten zu dieser Zeit auch nach dem Superregenerativprinzip arbeitende Vorsatzgeräte, die sich an der Plattenspieler- bzw. Tonabnehmerbuchse des vorhandenen Rundfunkgerätes anschließen ließen. Trotz der im Vergleich zum Superhet schlechteren Empfangsleistung erhielten Superregenerativempfänger aufgrund der nach dem Zweiten Weltkrieg allgemein kleinen Kaufkraft als preiswerte Alternative für den UKW-Empfang eine relativ gute Akzeptanz.
In den 1950er Jahren wurden nach diesem Prinzip arbeitende, im Hochfrequenzteil zunächst mit einer Röhre bestückte und später anstatt dessen mit einem Transistor arbeitende Empfängerbaugruppen bei der Funkfernsteuerung von Modellen zunehmend eingesetzt. Etwa seit Mitte der 1960er Jahre findet man Superregenerativempfänger auch als Empfangsteil von Handfunkgeräten (Walkie-Talkie), in ganz einfachen solcher Geräte sogar noch heute. Auch für Fernsteuer- bzw. Fernwirkzwecke und zur Übertragung von Messwerten und -Daten werden sie z. B. in Funkthermometern, Funktürglocken und drahtlosen Alarmmeldern noch heute eingesetzt.
Technik
Grundsätzlich ist ein Superregenerativempfänger ein HF-Oszillator, der auf Grund starker Rückkopplung nach Erreichen des Schwingungszustands und der durch Gleichrichtung der HF verursachten Verschiebung des Gleichstrom-Arbeitspunktes wie ein Sperrschwinger arbeitet. Die Schwingungsanfachung nach Ende der Sperrzeit und Erreichen des linearen Arbeitsbereiches erfolgt durch das vom Schwingkreis gefilterte Rauschen und durch eingekoppelte Fremdsignale. Die Schwingung wird exponentiell verstärkt bis zum Aussetzen. Die dazu benötigte Zeit verringert sich mit stärkeren Signalen und die Sperrzeit bleibt relativ konstant, woraus folgt, dass die Pendelfrequenz mit zunehmendem Signal leicht ansteigt. Der Betriebsstrom beziehungsweise das Tastverhältnis enthalten logarithmisch verzerrt die Hüllkurve des empfangenen Signals.
Die Pendelfrequenz ohne Eingangssignal ist abhängig von der Verstärkung des aktiven Elements, Güte des Schwingkreises, Maß der Übersteuerung, Zeitkonstante der Arbeitspunkterzeugung sowie eventueller Zusatzdämpfung des Schwingkreises während der Sperrphase. Die Pendelfrequenz ist die Abtastrate des Sendersignals, sie wird normalerweise oberhalb des Hörbereiches deutlich über 20 kHz angestrebt, damit sie beim Empfang von Sprache und Musik nicht störend in Erscheinung tritt. Um Übersteuerungs- und Intermodulationserscheinungen zu vermeiden, wird sie durch geeignete Tiefpass-Filterung vor dem NF-Verstärker gedämpft. Zur Datenübertragung und für spezielle Fernwirkzwecke sind wesentlich höhere aber auch niedrigere Frequenzen vorstellbar.
Auf Grund der lange Zeit fehlerhaft interpretierten Funktionsweise entstanden Kunstschaltungen, die aber meist nur Nachteile aufweisen.
Völlig irreführend war der vom Audion bekannte „einmal pro Durchlauf erreichte Punkt maximaler Empfindlichkeit“, der erstmals von Burkhard Kainka[3] mit seinem Mikroprozessor-gesteuerten Quarz-Pendler anschaulich widerlegt wird; auch die streng logarithmische Funktion ist dort einfach nachvollziehbar.

Es wird unterschieden zwischen selbstschwingenden und fremdgesteuerten Pendlern. Außerdem unterscheidet man zwischen linearem und logarithmischem Betrieb, wobei letzterer erheblich häufiger anzutreffen ist. Eine besondere Form des Pendlers ist der Quenchkreispendler, bei dem die HF-Schwingung und mittels eines zusätzlichen Schwingkreises (des Quenchkreises) die sinusförmige Pendelschwingung in ein und derselben Stufe erzeugt werden. Die Schaltung eines mit Transistoren arbeitenden fremdgesteuerten Superregenerativ-Empfängers, wie die hier gezeigte, lässt die grundsätzliche Wirkungsweise des Superregenerativ-Prinzips sehr gut erkennen. Eine solche Schaltung wird bei[4] besprochen.
Größter Nachteil des Superregenerativempfänger ist die Tatsache, dass er sehr starke Störstrahlungen produziert, welche ohne Vorverstärker (Trennverstärker) über die Antenne abgestrahlt werden können und den Empfang benachbarter Geräte beeinträchtigen. Als weiterer Nachteil wird oft das sehr starke Rauschen angegeben, das auftritt, wenn kein Sender empfangen wird. In Verbindung damit steht aber, dass die Lautstärke empfangener Signale kaum abhängig von der Empfangsfeldstärke ist, so dass spezielle Regelschaltungen entfallen. Sehr detaillierte Beschreibungen der Funktionsweise findet man in verschiedenen Auflagen von „Das Große Fernsteuerbuch“ von Heinz Richter.[5][6]
Anwendung
Superregenerativempfänger wurden zunächst überwiegend für den Kurzwellenempfang benutzt. Für den Empfang von Mittelwellen sind sie kaum geeignet, für Langwellen überhaupt nicht. Am besten eignen sie sich für Frequenzen ab ca. 20 MHz bis weit über 1 GHz. Sie kommen nur für Anwendungen in Betracht, bei denen niedrige Ansprüche bezüglich der Trennschärfe gestellt werden, denn die Empfangsbandbreite liegt normalerweise in der Größenordnung von etwa einem hundertstel der zu empfangenen Frequenz. Die Empfindlichkeit ist mit Werten um ca. 5 µV gemessen am Aufwand erstaunlich gut.
Der Superregenerativempfänger ist vom Prinzip her ein AM-Empfänger. Für den FM-Empfang kann er nur bei hinreichend großem Frequenzhub benutzt werden, und zwar durch Flankendemodulation, also indem bei Einstellung etwas neben die Senderfrequenz gestellt wird. Bei Schmalband-FM (NFM) gehen die Signale im Rauschen unter. Er eignet sich daher, wenn bescheidene Ansprüche erfüllt werden sollen, für UKW-Rundfunkempfang, keinesfalls aber für Hifi-Anwendungen.
Hauptanwendungsgebiet ist die amplitudenmodulierte Übertragung von Tonsignalen oder Daten kleineren Umfangs über niedrige Entfernungen, bei der Störungen durch andere Funkanwendungen in Kauf genommen werden können. Also überall dort, wo es hingenommen werden kann, dass die Übertragung gegebenenfalls einmal oder mehrmals wiederholt werden muss. In den Nachkriegsjahren bis etwa 1965 wurde der Pendler in fast allen Empfangsteilen für Modell-Funkfernsteuerungen verbaut – erst in den Folgejahren löste ihn allmählich der signifikant teurere Überlagerungsempfänger ab. Mit heutigen Bauelementen ist der Herstellungspreis von Superregenerativempfängern minimal. Man findet sie daher fast nur in Geräten am unteren Ende der Preisskala.
Die meisten Superregenerativempfänger arbeiten heute in den ISM-Bändern auf 27 und 433 MHz sowie dem SRD-Band auf 868 MHz.
Literatur
- Ulrich L. Rohde, A. K. Poddar: Super-Regenerative Receiver.
Fußnoten
- ↑ a b Patent US1424065A: Signaling system. Angemeldet am 27. Juni 1921, veröffentlicht am 25. Juli 1922, Erfinder: Edwin H. Armstrong.
- ↑ I. F. Jackowski, How to prevent motorboating, Popular Mechanics, Nov. 1927
- ↑ Burkhard Kainka: Der Quarz-Pendler http://www.b-kainka.de/bastel118.htm
- ↑ Claus Schmidt: Zubehör und Zusatzgeräte selbst gebaut. Verlag für Technik und Handwerk, 1999
- ↑ Heinz Richter: Das große Fernsteuer-Buch. Franckh’sche Verlagsbuchhandlung, 1966
- ↑ Heinz Richter, neubearbeitet von Richard Zierl: Das große Fernsteuer-Buch. Franckh’sche Verlagsbuchhandlung, 1974