Mischer (Elektronik)

Mischer (englisch mixer) werden in der Kommunikationstechnik zur Frequenzumsetzung (englisch frequency conversion) von elektrischen Signalen verwendet. Sie bestehen aus elektronischen Bauelementen wie Dioden und Transistoren. Im Rahmen der digitalen Signalverarbeitung kann man Mischer auch durch Software in einem Signalprozessor nachbilden.

Davon zu unterscheiden ist die additive Zusammenführung verschiedener Signalquellen in einem Mischpult – bei diesem ist eine Frequenzumsetzung, außer bei Sondereffekten, im Regelfall unerwünscht.

Prinzip eines idealen multiplikativen Mischers mit nur zwei Ausgangsfrequenzen

Allgemeines

Mit Hilfe von Mischern kann ein bestimmtes Frequenzband mit definierter Bandbreite in ein höheres oder niedrigeres Frequenzband umgesetzt werden. Für diese Frequenzumsetzung ist neben der Mischstufe ein Lokaloszillator nötig, dessen Frequenz die Mittenfrequenz bei der Mischung bestimmt. Diese Frequenzumsetzung wird beispielsweise bei mehrstufigen Funkgeräten verwendet, um ein moduliertes Signal von einem Frequenzbereich, dem Zwischenfrequenzbereich, in den eigentlichen zur Funkausstrahlung vorgesehenen höherfrequenten Bereich umzusetzen. Bei mehrstufigen Funkempfängern, diese werden auch als Überlagerungsempfänger bezeichnet, erfolgt die Umsetzung mittels Mischstufe in umgekehrter Richtung in einen niederfrequenten Zwischenfrequenzbereich und anschließender Demodulation zur Gewinnung des übertragenen Nutzsignals.

Der Grund für die Verwendung von einer oder mehreren Mischstufen in Funkgeräten ist die damit erzielbare höhere Trennschärfe, im Vergleich zu Geradeausempfängern ohne Mischstufe. Weiters ist es technisch nicht möglich, Empfangsgeräte mit hoher Trennschärfe in Frequenzbereichen von einigen GHz aufwärts zu realisieren, ohne dazu Mischstufen und die Verfahren mit mehrstufigen Frequenzumsetzungen zu verwenden. Ein Beispiel einer solchen Mischstufe, welche sich im Regelfall außerhalb des eigentlichen Empfangsgerätes befindet, sind die rauscharmen Signalumsetzer (LNB), welche direkt im Brennpunkt der Parabolantennen für den Satellitenempfang angebracht sind. Diese Mischstufe setzt das Empfangssignal in einen deutlich niedrigeren Zwischenfrequenzbereich um, welches mittels Koaxialkabel zu den Empfangsgeräten geleitet wird.

Weitere Anwendung von Mischstufen ist die Umsetzung von Frequenzbändern bei Relaisstationen, wie sie z. B. Rundfunksatelliten darstellen. Dabei wird das Empfangsfrequenzband, welches von der Bodenstation zum Satelliten übertragen wird, (der Uplink) in einer Mischstufe im Satelliten in einen anderen Frequenzbereich umgesetzt und dann vom Satelliten als Downlink ausgestrahlt.

Mischstufen und deren Sperrschicht-Feldeffekttransistoren mit Arbeitsbereichen bis zu einigen 100 GHz werden u. a. aus Halbleitermaterialien mit einer hohen Elektronenmobilität wie Galliumarsenid hergestellt.

Die Abgrenzung zur Modulation ist dadurch bestimmt, dass dort ein niederfrequentes Nutzsignal die Amplitude und/oder die Phasenlage einer höherfrequenten Trägerschwingung beeinflusst. Bei der Mischung dagegen wird ein bestimmter Frequenzbereich in der Lage seiner Mittenfrequenz geändert, idealerweise ohne dabei eine Veränderung der Signalanteile in diesem Frequenzband durchzuführen.[1]

Prinzip eines Mischers

Ausgangsspektrum eines Mischers mit quadratischer Kennlinie. Die Eingangsfrequenzen sind 34 kHz und 653 kHz.
Ausgangsspektrum eines Röhrenmischers mit anderer Kennlinie. Die Eingangsfrequenzen sind wieder 34 kHz und 653 kHz.

Ein Mischer verarbeitet zwei Eingangssignale:

  • Das „Eingangssignal“ mit der Frequenz fe. Dieses Signal ist der Informationsträger, es enthält die Nutzinformation in Form einer Modulation.
  • Das Oszillatorsignal mit der Frequenz fLO. Dieser Oszillator erzeugt je nach Anwendungsfall ein Sinus- oder Rechtecksignal.

Der Mischer produziert daraus ein Ausgangssignal, das stets mehrere Frequenzen enthält. Zwei Anteile, die beiden „Seitenbänder“, sind erwünscht. Sie enthalten die Modulation des umzusetzenden Signals, haben aber andere Frequenzen. Im Regelfall wird nur eines der Seitenbänder durch einen Bandpass zu den nachfolgenden Verstärkerstufen durchgelassen. Je nach Qualität erzeugt der Mischer aber auch andere Frequenzanteile unterschiedlicher Amplitude, die als unerwünschte Mischprodukte bezeichnet und ebenfalls unterdrückt werden müssen.

Im oberen Bild ist das Frequenzspektrum eines qualitativ hochwertigen Gegentaktmischers aus zwei Feldeffekttransistoren gezeigt. Beide Eingangsfrequenzen fe = 34 kHz und fLO = 653 kHz gelangen wegen der Symmetrie der Schaltung nicht zum Ausgang. Dort kann man nur messen:

  • die beiden Seitenbänder (erwünscht) mit den Frequenzen
    • fLO + fe = 687 kHz bzw.
    • fLOfe = 619 kHz
  • die Harmonischen, also die doppelten Frequenzen, von Eingangs- und Oszillatorsignal (unerwünscht).

Bei einem idealen multiplizierenden Mischer wären nur die beiden Seitenbänder vorhanden.

Das untere Bild zeigt das Spektrum, das eine Elektronenröhre als Mischer aus den gleichen Eingangssignalen auf Grund ihrer anders gekrümmten Kennlinie erzeugt. Die beiden stärksten, unerwünschten Anteile sind die Eingangsfrequenzen fe und fLO. Neben deren Harmonischen werden bei diesem Mischertyp durch den hohen Klirrfaktor von Elektronenröhren weitere unerwünschte Mischprodukte erzeugt, die zum Teil recht nahe bei den gewünschten Seitenbändern liegen und durch erhöhten Filteraufwand unterdrückt werden müssen.

Funktionsprinzip

Bei Mischstufen wird zwischen additiven Mischern und dem großen Bereich der verschiedenartig realisierten multiplikativen Mischer unterschieden. Da die multiplikativen Mischstufen die übliche Realisierungsvariante darstellen, wird unter einer Mischstufe im Regelfall die multiplikative Variante verstanden.

Zur Unterscheidung werden folgende Begriffe und Abkürzungen verwendet:

  • die Zwischenfrequenz (ZF oder englisch intermediate frequency, IF-Frequency) mit dem Formelzeichen fZF ist die niedrigere Trägerfrequenz.
  • die Hochfrequenz (HF oder englisch radio frequency, RF-Frequency) mit dem Formelzeichen fHF ist die höhere Trägerfrequenz.
  • Die Lokaloszillatorfrequenz (LO-Frequenz oder englisch local oszillator frequency) mit dem Formelzeichen fLO entspricht dem Frequenzversatz der Umsetzung.

Die Signale werden dementsprechend als ZF-, HF- und LO-Signale (sZF, sHF und sLO) bezeichnet. Statt der Frequenz f ist je nach Zusammenhang auch die Schreibweise mit der Kreisfrequenz üblich.

Additive Mischung

Prinzipschaltbild eines additiven Mischers

Bei der additiven Mischung wird die Zwischenfrequenz zur Lokaloszillatorfrequenz addiert und danach an einem Bauteil mit nichtlinearer Kennlinie verzerrt. Durch die nichtlineare Verzerrung entstehen aus der Summe der beiden Einzelfrequenzen viele Mischfrequenzen, die durch einen nachgeschalteten Bandpassfilter geeignet gefiltert werden.

Als nichtlineares Bauelement in additiven Mischstufen können Dioden mit exponentieller Kennlinie eingesetzt werden. Die Anzahl der unerwünschten Frequenzen lässt sich minimieren, wenn stattdessen ein Bauelement mit quadratischer Kennlinie eingesetzt wird, beispielsweise ein Feldeffekttransistor (FET). Zur Einstellung des Arbeitspunkts dieses Bauelements ist in der Abbildung der Addierstufe auch der zeitlich konstante Summand U0 vorgesehen. Weil die additive Mischung in der Gesamtfunktion und im Gegensatz zur multiplikativen Mischung ein nichtlineares Übertragungsverhalten aufweist, treten bei der additiven Mischung von modulierten Signalen Intermodulationsverzerrungen auf.

Die Ursache der Frequenzvielfalt lässt sich mathematisch erklären: Das Eingangssignal sei die Summe zweier Frequenzen

Der Zusammenhang zwischen der Ausgangsspannung y und der Eingangsspannung x eines Verstärkers und mancher anderer Bauelemente wie Dioden lässt sich mit einer Taylorreihe annähern:

Dabei bedeutet a den Verstärkungs- oder Dämpfungsfaktor.

  • Bei einem Bauelement mit linearer Kennlinie gilt b = c = d = 0, darum werden keine Mischfrequenzen erzeugt:
  • Bei einem FET gilt b ≠ 0 und c = d = 0, die Potenzreihe wird etwas länger:
Die binomische Formel liefert den Term „doppeltes Produkt“, der die Mischung verursacht (alle anderen interessieren hier nicht):
Die Ausgangsspannung ist also die Überlagerung von Summen- und Differenzfrequenz. Diese werden durch einen Bandpass separiert.
  • Bei „krummen“ Kennlinien (Röhrenmischer) ist auch c ≠ 0, deshalb kommt ein weiterer Term dazu:
Dieser ist etwas mühsam auszuwerten und liefert Kombinationsfrequenzen, die üblicherweise unerwünscht sind und als Intermodulation bezeichnet werden.

Multiplikative Mischung

Prinzip der multiplikativen Mischung

Das Funktionsprinzip eines multiplikativen Mischers wie der Gilbertzelle oder Ringmischer basiert darauf, dass zwei Eingangssignale miteinander multipliziert werden. Mathematischer Hintergrund sind die Additionstheoreme der Trigonometrie:

mit

Das Ergebnis ist eine Summe und Differenz der beiden Frequenzen, die sich durch einen nachgeschalteten Bandpassfilter trennen lassen. Die multiplikative Mischung ist im Idealfall linear. Es treten im Gegensatz zur additiven Mischung mit nachfolgendem nichtlinearen Glied keine Intermodulationsprodukte auf. Bei realen Mischstufen lassen sich nichtlineare Verzerrungen nicht vermeiden, da beispielsweise Sättigungseffekte oder Asymmetrien bei elektronischen Schaltern auftreten.

In der obigen Darstellung sind zwei einzelne Frequenzen mit f1 = 1404 kHz und f2 = 1859 kHz im Zeitverlauf dargestellt. Beispielsweise kann bei einem Funkempfänger f1 die von einem Lokaloszillator erzeugte Schwingung sein, f2 die von einer Funkausstrahlung empfangene Trägerfrequenz. Daneben ist das daraus gebildete Produkt der beiden Frequenzen abgebildet. Deutlich erkennbar ist die tiefe Frequenzkomponenente f2f1 mit 455 kHz und überlagert die oberen Frequenzkomponente f2 + f1 mit 3263 kHz. Die tiefe Frequenzkomponenente f2f1 mit 455 kHz wird dann in einem Überlagerungsempfänger durch den nachfolgenden ZF-Filter von der höheren Frequenzkomponente getrennt und stellt mit 455 kHz eine beispielsweise bei Kurzwellenempfängern übliche Zwischenfrequenz dar.

Die multiplikative Mischung wird besonders einfach, wenn für die lokale Oszillatorfrequenz eine Rechteckschwingung verwendet wird, da sich in diesem Fall die Multiplikation auf die Werte 0 und 1, oder alternativ als bipolares Signal mit −1 und +1, reduzieren lässt. Diese Mischer können durch Schalter wie beispielsweise Dioden oder mit verschiedenen Typen von Transistoren realisiert werden, wie in den folgenden Kapiteln dargestellt.

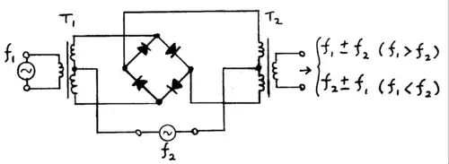
Ringmodulator

Schaltbild eines symmetrischen Diodenmischers, auch als Ringmischer bezeichnet

Symmetrische Dioden-Mischer zeichnen sich durch Rauscharmut und geringe Intermodulation aus, sie können – bei ausreichend hoher Leistung des lokalen Oszillators – auch deutlich höhere Eingangsspannungen als andere Mischer verarbeiten. Die beiden Eingangsfrequenzen f1 und f2 erscheinen nicht im Ausgangssignal, was die anschließende Filterung erleichtert. Ringmodulatoren werden meist bei höheren Frequenzen eingesetzt, da dann die beiden Transformatoren klein sind. FET-Mischer, die anstelle von Dioden Feldeffekttransistoren als gesteuerte Schalter verwenden, übertreffen im Großsignalverhalten die Daten von Diodenmischern trotz verminderter Leistungsaufnahme.

Ringmodulatoren werden auch in Musikinstrumenten und zur Sprachverzerrung (Vocoder) eingesetzt.

Gilbertzelle

Die Gilbertzelle stellt einen multiplikativen Mischer dar, der sich aufgrund der Struktur und dem Fehlen von induktiven Bauelementen besonders einfach in integrierten Schaltungen realisieren lässt. Die Gilbertzelle wird des Weiteren in spannungsgesteuerten Verstärkern eingesetzt.

Der SO42P war einer der frühen Integrierten Schaltkreise mit einer symmetrischen Mischstufe. Die in ihm enthaltene Gilbertzelle kann prinzipiell Signale bis zu Gleichspannungen herunter verarbeiten. Weitere ähnliche Schaltkreise sind z. B. der NE612, der zusätzlich einen Oszillator enthält, oder diverse AM-Empfänger-IC, die auch alle weiteren Funktionalitäten (z. B. geregelter ZF-Verstärker) enthalten.

Wird die Gilbertzelle in allen Eingängen übersteuert, entspricht sein Verhalten dem Exklusiv-Oder-Gatter der Digitaltechnik, das erheblich einfacher aufgebaut ist und mit Rechtecksignalen betrieben werden muss. Speist man einen Eingang mit 5 MHz und den anderen mit 4,9 MHz, enthält das sehr komplexe Ausgangssignal auch die Differenzfrequenz 0,1 MHz. Ein Tiefpassfilter kann die anderen, unerwünschten Komponenten beseitigen.

Gilbertzellen sind bis zu Signalspannungen von 25 mV brauchbar,[2] wogegen Ringmischer und FET-Schalter erst bei Eingangsspannungen über 1 V übersteuert werden.

Mischung mit rechteckförmigem LO-Signal

Unipolares Rechteckssignal
Bipolares Rechteckssignal

Das Signal vom Lokaloszillator sLO kann unipolar (0…1) oder bipolar (−1…1) sein.

Ersatzschaltung bei rechteckförmigem Eingangssignal
Unipolar Bipolar
Mit „Einschalter“ (Pull-up) Mit Logisch-Nicht-Gatter und Wechselschalter
Mit „Ausschalter“ (Pull-down) Mit Kreuzwechselschalter bzw. zwei Wechselschaltern

Für Rechteckssignale ergeben sich daraus die Fourierreihen:

Dabei kommen nur ungerade Vielfache der LO-Frequenz vor. Für ein moduliertes ZF-Signal

erhält man durch Multiplikation mit dem unipolaren Rechtecksignal am Ausgang:

 
 
 

Für das bipolare Rechteckssignal entfällt entsprechend dem Koeffizientenvergleich der Fourierreihenentwicklungen der Gleichanteil und somit erste Term des Mischsignals und zugleich verdoppelt sich die Amplitude [a(t)bi = 2·a(t)uni] aller Wechselanteile.

Anwendungsbereiche

Da eine Mischstufe verschiedene Summen- als auch Differenzfrequenzen erzeugt, wird je nach Anwendungsfall und Art des Filters zwischen der Aufwärtsmischung und der Abwärtsmischung unterschieden.

Aufwärtsmischer

Frequenzspektrum bei einem Aufwärtsmischer

Beim Aufwärtsmischer wird am Eingang das ZF-Signal

angelegt und mit dem LO-Signal

multipliziert.

(Im Weiteren wird nur noch die Darstellung mit der Amplitudenmodulation und der Winkelmodulation angegeben, da diese kürzer ist als die Darstellung mit den Quadraturkomponenten.)

Am Ausgang erhält man das HF-Signal:

  • Der als Oberband bezeichnete Anteil () weist dieselbe Frequenzfolge auf wie das ZF-Signal. Dies wird als Gleichlage bezeichnet.
  • Das Unterband weist eine gegenüber dem ZF-Signal invertierte Frequenzfolge auf (). Dies wird als Kehrlage bezeichnet.

Jedes dieser Bänder kann als Ausgangssignal verwendet werden, das jeweils andere wird mit einem Filter unterdrückt.

Aufwärtsmischer werden in Sendern und Chopper-Verstärkern verwendet.

Abwärtsmischer

Beim Abwärtsmischer wird am Eingang ein HF-Signal

angelegt und mit dem LO-Signal (s. o.) multipliziert.

Am Ausgang erhält man das Mischsignal sM:

Abwärtsmischer in Gleichlage (fHF > fLO)
Abwärtsmischer in Kehrlage (fHF < fLO)

Das Signal sM setzt sich zusammen aus

  • dem Signal mit (rechts; wird nicht benötigt und mit einem Filter entfernt) und
  • einem Signal sZF (links).

Man erhält ein ZF-Signal

  • in Gleichlage mit gleicher Frequenzfolge, wenn die HF-Frequenz größer ist als die LO-Frequenz
  • in Kehrlage mit invertierter Frequenzfolge, wenn die HF-Frequenz kleiner ist als die LO-Frequenz.

Abwärtsmischer werden verwendet in Empfängern (Rundfunkempfang, Funktelefon, Satellitenempfänger), die nach dem Superheterodyn-Prinzip arbeiten, sowie in Empfängern von FM-Radar und Geräten zur Geschwindigkeitskontrolle.

Spiegelfrequenz

Abwärtsmischer mit Spiegelfrequenz

Beim Abwärtsmischer tritt häufig der Fall auf, dass von dem Signal, das am HF-Eingang anliegt,

  • zusätzlich zur erwünschten Empfangsfrequenz mit
  • auch ein unerwünschtes Spiegelsignal mit der Spiegelfrequenz empfangen wird, weil es ebenfalls auf fZF herabgesetzt wird.

Der Mischer arbeitet in diesem Fall in Gleich- und Kehrlage gleichzeitig.

Normalerweise dämpfen ein oder mehrere abstimmbare Vorkreise die Spiegelfrequenz so weit, dass Störungen nur bei starken Sendern auf der Spiegelfrequenz auftreten. Diese Vorselektion ist umso schwieriger, je niedriger die ZF-Frequenz ist, da dann die Empfangs- und die Spiegelfrequenz relativ nahe beieinander liegen (Abstand 2·fZF). Auch möchte man ja den Aufwand an abstimmbaren Kreisen gering halten.

Mit digitalen Mischern oder Phasenmethode ist es möglich, die Spiegelfrequenz auch ohne Filter weitgehend zu unterdrücken (Digital Down Converter).

Literatur

  • Ulrich Tietze, Christoph Schenk: Halbleiter-Schaltungstechnik. 12. Auflage. Springer, 2002, ISBN 3-540-42849-6.
  • Otto Zinke, Heinrich Brunswig: Hochfrequenztechnik. Hrsg.: Anton Vleck, Hans Ludwig Hartnagel. 4. Auflage. Band 2. Springer, 1993, ISBN 3-540-55084-4.
  • Ekbert Hering, Klaus Bressler, Jürgen Gutekunst: Elektronik für Ingenieure und Naturwissenschaftler. Springer Verlag, Berlin/Heidelberg 2014, ISBN 978-3-642-05499-0.
  • Burkhard Kainka, Herbert Bernstein: Grundwissen Elektronik. Die Grundlagen für Hobby – Ausbildung und Beruf, Franzis Verlag, Poing 2011, ISBN 978-3-6456-5072-4.
  • Dieter Sautter, Hans Weinerth: Lexikon Elektronik und Mikroelektronik. 2. Ausgabe, Springer Verlag, Berlin / Heidelberg 1997, ISBN 978-3-5406-2131-7.
  • Holger Heuermann: Hochfrequenztechnik. Komponenten für High-Speed- und Hochfrequenzschaltungen. 2. Auflage. Vieweg+Teubner-Verlag, Wiesbaden 2009, ISBN 978-3-8348-0769-4.
Commons: Mixer circuits – Sammlung von Bildern, Videos und Audiodateien

Belege

  1. Otto Zinke, Heinrich Brunswig: Hochfrequenztechnik. Hrsg.: Anton Vleck, Hans Ludwig Hartnagel. 4. Auflage. Band 2. Springer, 1993, ISBN 3-540-55084-4.
  2. Skript zum Thema Mischer (PDF)