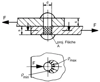
Lochleibungsdruck

projizierte Fläche A = d · s
(ρmax = maximale Flächenpressung,
ρmin = minimale Flächenpressung)

projizierte Fläche A = d · 2 · s1, wenn s2 > 2 · s1
Als Lochleibungsdruck, Lochleibungspressung oder Leibungsspannung wird die auftretende Flächenpressung zwischen dem Umfang des Schafts von Schrauben, Schraubbolzen und Nieten sowie der Lochleibung bezeichnet. Die historische Schreibweise Lochlaibung ist heute seltener im Gebrauch.[1]
Der Lochleibungsdruck ist eine wichtige statische Kenngröße für die Berechnung von Materialstärken in Abhängigkeit von der Lasteinwirkung: je höher die Last bzw. die zu übertragende Kraft, desto größer muss (bei konstantem Durchmesser und Anzahl der Löcher) die Materialstärke sein, damit die Fließgrenze des Werkstoffs nicht überschritten wird.
Berechnung
Der Lochleibungsdruck ergibt sich aus der Kraft F, die Niet oder Schraube übertragen sollen, und der Kontaktfläche von Niet- oder Schrauben-Schaft und Lochleibung. Da die übertragende Zylinderfläche halbkreisförmig und die Kräfteverteilung auf dem Halbkreis unregelmäßig ist (vgl. untere Ansicht im oberen Bild), wird zur Berechnung ein gemittelter Wert für σl angenommen und die Zylinderfläche vereinfachend in die Ebene projiziert (in den Abb. jeweils schraffiert):
mit
- der zu übertragenden Kraft F
- dem Durchmesser d des geschlagenen Niets oder Bolzens = Lochdurchmesser
- der kleinsten Summe s aller Blechdicken in einer Kraftrichtung
- der Anzahl n der Niete oder Bolzen.
Um 1900 wurde in der Fachliteratur empfohlen, die Druckspannung in der Lochlaibung von genieteten Eisenkonstruktionen auf 140 N/mm² zu begrenzen, um die Fließgrenze des Materials nicht zu überschreiten.[2]
Siehe auch
Fußnoten
- ↑ Georg Barkhausen: III. Theil: Die Hochbau-Constructionen. Consturciotns-Elemente in Stein, Holz und Eisen. In: Josef Drum, Hermann Ende, Eduard Schmitt, Heinrich Wagner (Hrsg.): Handbuch der Architektur. 2. Auflage. Band 1. Arnold Bergsträsser, Darmstadt 1891, DNB 993930719, S. 144 ff. (Volltext in der Google-Buchsuche).
- ↑ Georg Barkhausen: III. Theil: Die Hochbau-Constructionen. Consturciotns-Elemente in Stein, Holz und Eisen. In: Josef Drum, Hermann Ende, Eduard Schmitt, Heinrich Wagner (Hrsg.): Handbuch der Architektur. 2. Auflage. Band 1. Arnold Bergsträsser, Darmstadt 1891, DNB 993930719, S. 148 (Volltext in der Google-Buchsuche).