Lithostrotion
| Lithostrotion | ||||||||||||
|---|---|---|---|---|---|---|---|---|---|---|---|---|
Lithostrotion sp. | ||||||||||||
| Zeitliches Auftreten | ||||||||||||
| Karbon (Viséum bis Unteres Bashkirium) | ||||||||||||
| ~345 bis ~320 Mio. Jahre | ||||||||||||
| Fundorte | ||||||||||||
| Systematik | ||||||||||||
| ||||||||||||
| Wissenschaftlicher Name | ||||||||||||
| Lithostrotion | ||||||||||||
| Fleming, 1828 | ||||||||||||
.jpg)
Lithostrotion ist eine Gattung koloniebildender rugoser Korallen aus dem Karbon. Sie gehört zu der Familie der Lithostrotionidae und stellte im Mississippium bedeutende Riffbildner.
Forschungsgeschichte
Der walisische Naturforscher Edward Lhuyd verwendete 1699 erstmals den Namen Lithostrotion als Bezeichnung für eine koloniebildende Koralle des Karbon. Eine entsprechende Abbildung in seiner „Lithophylacii Britannici Ichnographia“ trägt den Titel „Lithostrotion sive Basaltes minimus striatus et stellatus“ (sinngemäß etwa: „Lithostrotion oder winziger Basalt, gerillt und mit Sternen besetzt“).[1] Lhuyd nahm mit dieser kurzen Charakterisierung Bezug auf die polygonale Säulenform der einzelnen Koralliten, die ihn an den Säulenbasalt des Giant’s Causeway in Nordirland erinnerte, die typische Runzelung rugoser Korallen und die sternförmig angeordneten Septen. Die Assoziation mit Basaltsäulen zeigt sich bei Lhuyd auch in der Wahl seines Trivialnamens „Fayrie Causeway“ („Feendamm“) als Kontrast zum „Giant’s Causeway“.[2]
Die heute noch gültige Erstbeschreibung der Gattung erfolgte erst 1828 durch John Fleming. Er unterschied bereits vier Arten der Gattung und nahm bei der Beschreibung von Lithostrotion striatum direkten Bezug zu Lhuyds Abbildung in der „Lithophylacii Britannici Ichnographia“.[3]
Henri Milne Edwards und Jules Haime legten 1851 Flemings Form Lithostrotion floriforme als Lectotypus der Gattung fest.[4] Nachdem Flemings Lithostrotion floriforme als Lonsdaleia floriformis in die bereits 1849 durch Frederick McCoy aufgestellte Gattung Lonsdaleia überführt worden war, ergab sich die unbefriedigende Situation, dass entweder für die Gattung Lithostrotion keine Typusart vorhanden war oder die Gattung Lonsdaleia als ungültiges Juniorsynonym von Lithostrotion zu werten gewesen wäre. Um das Problem zu lösen, wurde durch die ICZN in ihrer „Opinion 117“ Lithostrotion striatum als gültiger Lectotypus für die Gattung Lithostrotion festgelegt.[5]
James Parkinson hatte allerdings die ursprünglich von Lhuyd dargestellte Form bereits 1808 als Madrepora vorticalis beschrieben. Die Typusart der Gattung Lithostrotion wird deshalb heute korrekt als Lithostrotion vorticale bezeichnet.[6][7]
Merkmale
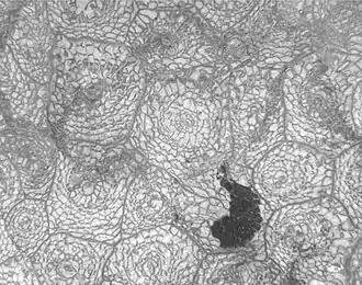
Vertreter der Gattung Lithostrotion bilden massige Kolonien, bei denen sich die einzelnen polygonalen Koralliten gegenseitig berühren, aber durch eine gut ausgeprägte äußere Wand (Epithek) voneinander getrennt sind (cerioide Wuchsform).[8] Die Knospung erfolgt lateral, an der Seitenwand des Mutterpolypen (Lithostrotion-Typ[9]).[8]
Die Columella, die zentrale Karbonatsäule der einzelnen Koralliten, ist lattenförmig und steht in Kontakt mit dem Gegenseptum. Die Großsepten sind gewöhnlich mit der Columella verbunden. Die Kleinsepten reichen bis zum inneren Rand des Dissepimentariums, der äußeren Zone des Koralliten mit blasenförmigen Skelettelementen (Dissepimente) oder gerade noch in die äußeren Bereiche des Tabulariums, des zentralen Bereichs mit Zwischenböden (Tabulae). Das Dissepimentarium kann unterschiedlich stark ausgeprägt sein, besteht in der Regel aber aus einfachen Dissepimenten zwischen den Septen und nur gelegentlich aus lonsdaleoiden Dissepimenten, die über den Abstand benachbarter Septen hinausreichen. Die Tabulae sind unvollständig, außen horizontal oder in Richtung zum Dissepimentarium geneigt und im Zentrum des Koralliten konisch aufgewölbt.[8]
Ähnliche Arten mit fasciculaten Wuchsformen (die einzelnen Koralliten berühren sich nicht oder nur lokal) wurden in der älteren Literatur als Untergattung Lithostrotion (Siphonodendron) geführt, werden heute jedoch in eine eigenständige Gattung Siphonodendron gestellt.[7] Unter ungünstigen Wachstumsbedingungen, wie etwa einem erhöhten Sedimenteintrag im Habitat, können die Kolonien einiger Lithostrotion-Arten (Lithostrotion decipiens. Lithostrotion maccoyanum, Lithostrotion vorticale) lokal pseudophaceloide oder subfasciculate Wuchsform annehmen. In solchen Fällen weisen die betroffenen Koralliten einen annähernd kreisrunden Querschnitt auf und berühren einander nur noch lokal.[10][11]
Arten

Die verschiedenen Arten der Gattung lassen sich vor allem durch die Größe des Tabulariums und die Anzahl der Septen unterscheiden.
Lithostrotion araneum (McCoy, 1884)
(Livium – Warnantium; Rugosa-Biozonen: RC6–RC7)[7]
Die einzelnen Koralliten erreichen Durchmesser von 12–18 mm, wobei etwa 4,5–5,5 mm vom Tabularium eingenommen werden. Die Anzahl von Groß- und Kleinsepten liegt bei jeweils 23–26. Das Dissepimentarium ist ausgedehnt und besteht aus V-förmigen, konzentrisch in der Art eines Fischgrätenmusters angeordneten Dissepimenten zwischen den einzelnen Septen.[7]
Lithostrotion decipiens (McCoy, 1849)
(Warnantium – unteres Bashkirium; Rugosa-Biozonen: RC7α–nicht definiert)[7][12]
Diese Art bildet mittelgroße Koralliten, deren Tabularium einen Durchmesser von maximal 3 mm erreicht. Die Anzahl der Großsepten liegt bei maximal 18.[10]
Lithostrotion maccoyanum Milne-Edwards & Haime, 1851
(Warnantium – Serpukhovium; Rugosa-Biozonen: RC7β–RC9)[7]
In Bezug auf den Durchmesser des Tabulariums (maximal 2 mm) ist dies die kleinste Art der Gattung. Die Anzahl der Großsepten liegt bei maximal 14.[10]
Lithostrotion potii Denayer, 2014
(Moliniacium; Rugosa-Biozone: RC5)[7]
Von der bislang ältesten bekannten Art der Gattung sind Kolonien mit bis zu 20 cm Durchmesser und 10 cm Höhe bekannt. Die Wuchsform ist generell cerioid, kann am Rand einer Kolonie aber auch subcerioid ausgeprägt sein. Die einzelnen Koralliten erreichen Durchmesser von 15–20 mm, wobei etwa 8–10 mm vom Tabularium eingenommen werden. Die Anzahl von Groß- und Kleinsepten liegt bei jeweils 26–28. Das Dissepimentarium ist ausgedehnt und besteht aus zehn oder mehr Reihen von Dissepimenten.[7]
Lithostrotion termieri Rodríguez & Somerville, 2017
(„Oberes Viséum“; Rugosa-Biozonen: keine Angaben)[8]
Diese erst 2017 beschriebene Art bildet, soweit bislang bekannt, halbkugel- bis tafelförmige Kolonien mit Durchmessern von 10–20 cm und Höhen von 5–10 cm. Die einzelnen Koralliten sind polygonal, mit vier- bis achteckigen Umrissen. Das Tabularium erreicht Durchmesser von 6,5–8,0 mm. Die Anzahl der Großsepten liegt bei 27–32. Das Dissepimentarium besteht aus acht bis zehn Reihen von Dissepimenten, die im Nahbereich zum Tabularium dichter beieinander liegen. Am Rand des Koralliten können vereinzelt auch lonsdaleoide Dissepimente auftreten. Im Gegensatz zu anderen Arten der Gattung ist die Columella im Querschnitt spindelförmig verdickt.[8]
Lithostrotion vorticale (Parkinson, 1808)
(Livium – Warnantium; Rugosa-Biozonen: RC6–RC8)[7]
Das Tabularium der Typusart ist von mittlerer Größe und erreicht im Schnitt Durchmesser von 3,3–4,1 mm. Die Anzahl von Groß- und Kleinsepten liegt bei jeweils 20–24. Das Dissepimentarium besteht aus V-förmigen, konzentrisch in der Art eines Fischgrätenmusters angeordneten Dissepimenten zwischen den einzelnen Septen.[7]
Fundorte
Funde der Gattung Lithostrotion stammen aus Europa, Nordafrika und Asien. Ähnliche Formen aus Kanada und Australien, die zeitweise der Gattung zugeordnet wurden, entstammen anderen Entwicklungslinien innerhalb der Lithostrotionidae und werden nicht mehr der Gattung Lithostrotion zugeordnet.[7]
Zeitliche Verbreitung
Lithostrotion araneum galt lange Zeit als der älteste Vertreter der Gattung Lithostrotion. Die Art lässt sich erstmals im Livium, der mittleren regionalen Unterstufe des Viséums in Belgien, nachweisen. Der belgische Paläontologe Edouard Poty vermutete, dass sich die Gattung Lithostrotion im Verlauf des Liviums durch Pädomorphose in hoch energetischen Flachwasser-Milieus aus subcerioiden Formen von Siphonodendron ondulosum entwickelt hatte. Er propagierte eine durchgehende Entwicklungslinie von Lithostrotion araneum über Lithostrotion vorticale und Lithostrotion decipiens bis zu Lithostrotion maccoyanum, die sich durch eine zunehmende Reduktion der Anzahl der Großsepten und der Koralliten-Durchmesser auszeichnet.[7][8][13]
Die Erstbeschreibung von Lithostrotion potii (benannt nach Edouard Poty) im Nordwesten der Türkei verlagerte das Erstauftreten der Gattung in das Moliniacium, was einem Absolutalter von etwa 345,5–340,0 Ma entspricht. Der Fund fügt sich, nach Ansicht des Erstbeschreibers, zwanglos in die von Poty vorgeschlagene Abstammung und Entwicklungsreihe ein und ändert lediglich die zeitliche Zuordnung des ersten Auftretens von Lithostrotion.[7]
Die meisten Arten der Gattung Lithostrotion waren bis zum Ende des Serpukhoviums wieder ausgestorben.[7] Lediglich Lithostrotion decipiens konnte sich lokal, als Element einer Reliktfauna, bis in das untere Bashkirium (rund 320 Ma) halten.[12]
Verwendung als Faziesleitfossil
Das Erstauftreten von Lithostrotion araneum markiert den Beginn der auf Rugosa basierenden Biozone RC6 (Lithostrotion araneum Zone), die weite Teile des Liviums abdeckt. Die Subzone RC7β entspricht dagegen einem Teil des Warnantiums und wird, neben anderen Arten und Gattungen rugoser Korallen, durch das Erstauftreten von Lithostrotion maccoyanum charakterisiert.[7][13]
Palökologie
Nachdem im Rahmen der Aussterbewellen an der Frasnium-Famennium-Grenze (Kellwasser-Ereignis) und am Ende des Devons (Hangenberg-Ereignis) die im Devon dominierenden Stromatoporen-Tabulaten-Riffe verschwunden sind, lassen sich im gesamten Tournaisium, für eine Dauer von etwa 12 Millionen Jahre, keine durch skelettbildende Metazoa aufgebauten Riffe nachweisen. Die Bioherme des Tournaisiums werden im Wesentlichen durch Biofilm-stabilisierte Karbonatschlämme aufgebaut („Waulsortian Mud Mounds“). Skelettbildende Makrofossilien, wie etwa Rugosa, Tabulata, Bryozoa, Crinoiden oder Kalkalgen sind zwar vorhanden, nehmen aber keinen Anteil am Gerüstaufbau der Bioherme.[14] Die meisten Arten der Rugosa waren solitär und bildeten keine Kolonien.[15]
Skelettbildende Metazoa gewannen erst im Viséum wieder an Bedeutung als Riff-Gerüstbildner.[14]
Markus Aretz unterscheidet 2010 für das Mississippium von Westeuropa, (Schelfbereich Laurussias im westlichen Teil der Palaeotethys) vier unterschiedliche Haupttypen von Habitaten koloniebildender Rugosa, die auch für andere Regionen anwendbar sind:[16]
Habitat Typ A
Dieser Typ ist charakterisiert durch ein vereinzeltes Auftreten koloniebildender Rugosa, wobei die einzelnen Korallenkolonien relativ weit voneinander entfernt wachsen und Teil einer Vergesellschaftung unterschiedlichster epibenthischer Taxa sind, die sich nicht wesentlich über das Niveau des umgebenden Meeresbodens erhebt („Level-Bottom Community“). Koloniebildende Rugosa können mit zahlreichen Arten (Subtyp A1) oder nur einer einzigen Art (Subtyp A2) vertreten sein. Sie werden in der Regel von fasciculaten Wuchsformen dominiert.[16]
Eine typische „Level-Bottom Community“ (Subtyp A1) aus der westlichen Palaeotethys dieser Zeit wird aus dem Warnantium von Belgien beschrieben. Sie wird durch zahlreiche Schalen großwüchsiger Brachiopoden der Gattung Gigantoproductus und anderer Armfüßer (Echinoconchus, Podtsheremia, Antiquatonia), rugose Einzelkorallen (hauptsächlich Dibunophyllum bipartitum) und koloniebildende Korallen der Gattungen Siphonodendron, Lithostrotion und Diphyphyllum geprägt.[17]
Habitat Typ B
Typ B bildet Korallenrasen und unterscheidet sich von Typ A im Wesentlichen durch die höhere Anzahl an koloniebildenden Rugosa und die dichter beieinanderstehenden Korallenkolonien. Koloniebildende Rugosa können gleichmäßig verteilt sein (Subtyp B1) oder in fleckenartigen Gruppen auftreten (Subtyp B2). Wie beim Typ A überwiegen fasciculate Wuchsformen. Korallenrasen, die von cerioiden Kolonien dominiert werden, sind seltener und tauchen in Westeuropa erst mit dem Auftreten von Lithostrotion araneum im Livium auf.[16]
Ein Korallenrasen vom Subtyp B1 ist aus dem oberen Viséum von Sidi Lamine in der marokkanischen Provinz Khénifra bekannt. Die Korallenfauna setzt sich, neben mehreren Arten der Gattung Siphonodendron, aus Kolonien von Lithostrotion araneum sowie Einzelkorallen der Gattungen Arachnolasma, Axophyllum und Koninckophyllum zusammen, wobei letztere Gattung auch mit koloniebildenden Formen auftreten kann.[18]
Habitat Typ C
In diesem Typ werden unterschiedliche Ausprägungen von Korallen-Biostromen, flächenhaft ausgedehnte Ansammlungen eng beieinanderstehender Korallenkolonien, die sich kaum über das Niveau des umgebenden Meeresboden erheben, zusammengefasst. Die koloniebildenden Rugosa können dabei ausschließlich umgestürzt, zerbrochen und/oder mit Hinweisen auf einen kurzen Transport („Allobiostrom“; Subtyp C1) oder weitgehend intakt in Lebendstellung („Autobiostrom“; Subtyp C2) erhalten sein. Mischformen, die sowohl Merkmale von Allobiostromen als auch Autobiostromen aufweisen, werden einem eigenen Subtyp C3 zugeordnet.[16]
Sowohl in der westlichen (Europa, Nordwest-Afrika, südliche Türkei) als auch in der östlichen Palaeotethys (Südchinakraton) werden Korallenbiostrome des Mississippiums von Vertretern der Gattung ‘‘Siphonodendron‘‘ dominiert.[19] Lithostrotion-Arten treten meist nur in untergeordneter Rolle auf. Aus dem Warnantium von Belgien ist ein Korallenbiostrom bekannt, das sich auf einem Substrat aus Echinodermatenschutt mit Foraminiferen und Überresten von Bryozoen entwickelte. An der Basis des Biostroms treten Kolonien von Siphonodendron junceum und Lithostrotion maccoyanum in Erscheinung, die als „Pionier-Fauna“ unmittelbar dem Substrat aufwachsen. Die Hauptmasse des Biostroms wird dagegen nahezu ausschließlich von Siphonodendron junceum gebildet. Erst das Top des Biostroms zeigt wieder eine höhere Biodiversität mit zahlreichen Kolonien von Siphonodendron pauciradiale und tabulaten Korallen der Gattung Syringopora, während Siphonodendron junceum nur noch untergeordnet auftritt.[20]
Einen grundsätzlich ähnlichen Aufbau zeigt ein ausgedehntes Korallen-Biostrom aus dem oberen Viséum bis Serpukhovium von Akerchi im Mittleren Atlas Marokkos. Als Substrat für das Biostrom dient eine frühdiagenetisch verfestigte, oolithische Barre. Die Leeseite der Barre wird zunächst von massigen Korallenkolonien der Gattungen Lithostrotion (überwiegend Lithostrotion vorticale) und Palastraea sowie großwüchsigen Armfüßern aus der Gruppe der Gigantoproductida besiedelt. Diese dienten wiederum als Substrat für Kolonien von Siphonodendron junceum, welche die Hauptmasse des Biostroms bilden. Randlich kann das Korallenbiostrom durch Massenansammlungen von Gigantoproductida abgelöst werden.[21]
Das „Akerchi-Biostrom“ zeigt damit einige charakteristische Eigenschaften von Korallen-Biostromen der westlichen Palaeotethys. Dazu zählt, unter anderem, der räumliche Zusammenhang mit oolithischen Barren, die nicht nur ein geeignetes Substrat, sondern auch Schutz vor Wellenschlag boten.[21] Die Vergesellschaftung mit Gigantoproductiden ist ebenfalls von zahlreichen Beispielen beschrieben.[11] Lithostrotion ist dabei keineswegs auf die Rolle einer „Pionier-Fauna“ beschränkt, sondern tritt insbesondere dann verstärkt in Erscheinung, wenn die Turbulenz im hydrodynamischen System des Habitats zunimmt.[22]
Weitgehend monotypische, von Lithostrotion decipiens dominierte, Biostrome vom Subtyp C2 sind aus dem oberen Viséum bis Serpukhovium der Montagne Noire in Südfrankreich beschrieben. Die Biostrome erreichen eine Mächtigkeit von 20–70 cm. Die einzelnen Korallenkolonien weisen Durchmesser zwischen 15 und 50 cm und eine Höhe von 10–35 cm auf.[23]
Habitat Typ D
Auch in Biohermen können koloniebildende Rugosa unterschiedliche Positionen und Funktionen einnehmen. Sie können gewöhnliche Bewohner des Riffs sein, ohne einen Anteil am Aufbau des Riffgerüstes zu haben („Dweller“; Subtyp D1). Am Top von bereits etablierten Biohermen können Ansammlungen koloniebildender Rugosa auftreten, die zwar der Topographie des Riffs folgen, jedoch nicht am eigentlichen Gerüstaufbau beteiligt sind, sondern intern eher den Charakter eines Korallenrasens oder Biostroms aufweisen („capping bed communities“; Subtyp D2). Wenn koloniebildende Rugosa in Biohermen als Gerüstbildner auftreten, dann entweder als Teil einer Vergesellschaftung mit anderen gerüstbildenden Organismen (Subtyp D3) oder als die dominierende gerüstbildende Organismengruppe (Subtyp D4).[16]
Ein D2-Habitat mit Lithostrotion maccoyanum und korallenartig wachsenden Schwämmen aus der Gruppe der Chaetetida sowie untergeordneten rugosen Einzelkorallen der Gattung Axophyllum wurde beispielsweise aus dem Warnantium der südlichen Türkei beschrieben.[10]
In den hangenden Anteilen des „Blue-Pool-Riffs“ aus dem Viséum von Wales bilden dicht miteinander verwachsene Kolonien von Lithostrotion decipiens den Kern eines D4-Habitats, während an den Flanken Kolonien von Siphonodendron dominieren.[16] Einen ähnlichen Aufbau zeigt ein kleiner Patch-Riff-Körper aus dem oberen Viséum im Nordosten Marokkos. Hier wird der Kern des Riffkörpers im Wesentlichen von Kolonien der Art Lithostrotion vorticale aufgebaut, während das nähere Umfeld durch Massenauftreten der rugosen Einzelkoralle Siphonophyllia samsonensis charakterisiert wird. Weitere Beteiligte sind Lithostrotion maccoyanum, verschiedene Arten von Siphonodendron sowie die Einzelkorallen Palaeosmilia murchisoni und Dibunophyllum bipartitum.[24]
Einzelnachweise
- ↑ E. Luidii: Lithophylacii Britannici Ichnographia. Gleditsch & Weidmann, London, 1699, Epistolae V, Tafel 23, (Digitalisat).
- ↑ C. J. Duffin & J. P. Davidson: Geology and the dark side. In: Proceedings of the Geologists’ Association, Band 122, 2011, S. 7–15, (Digitalisat).
- ↑ J. Fleming: A History of British Animals. Bell & Bradfute, Edinburgh, 1828, S. 510, (Digitalisat).
- ↑ H. Milne Edwards & J. Haime: A Monograph of the British Fossil Corals. The Palaeontographical Society, London, 1850–1854, S. 72, (Digitalisat).
- ↑ W. D. Lang & S. Smith: Opinion 117 - Type of Lithostrotion. In: Smithsonian Miscellaneous Collections, Band 73, Nummer 7, 1931, S. 18–19, (Digitalisat).
- ↑ W. D. Lang, S. Smith & H. D. Thomas: Index of Palaeozoic Coral Genera. British Museum (Natural History), London, 1940, S. 78f, (Digitalisat).
- ↑ a b c d e f g h i j k l m n o J. Denayer: Viséan Lithostrotionidae (Rugosa) from Zonguldak and Bartın (NW Turkey). In: Bulletin of Geosciences, Band 89, Nummer 4, 2014, S. 737–771, (Digitalisat).
- ↑ a b c d e f S. Rodríguez, I. D. Somerville & I. Said: New species of the rugose coral genus Lithostrotion Fleming in the upper Viséan from the Azrou-Khenifra Basin (Morocco). In: Spanish Journal of Palaeontology, Band 32, Nummer 1, 2017, S. 27–34, (Digitalisat).
- ↑ B. Hubmann: Zur Kenntnis der Parricidalsprossung bei Argutastrea Crickmay (Anthozoa, Rugosa). In: Sitzungsberichte der Akademie der Wissenschaften mathematisch-naturwissenschaftliche Klasse. Band 201, 1995, S. 83–100, (zobodat.at [PDF; 1,2 MB])
- ↑ a b c d J. Denayer: Corals of the Upper Viséan microbial-sponge-bryozoan-coral bioherm and related strata of Kongul Yayla (Taurides, South Turkey). In: Geologica Belgica, Band 15, Nummer 4, 2012, S. 317–328, (Digitalisat).
- ↑ a b S. Rodríguez, I. Said, I. D. Somerville, P. Cózar & I. Coronado: Description of the Serpukhovian rugose and tabulate corals from Idmarrach and Tirhela Formations (Adarouch, Morocco). In: Boletín de la Real Sociedad Española de Historia Natural - Sección Geológica, Band 109, 2015, S. 71–101, (Digitalisat).
- ↑ a b S. Rodríguez, I. Said, I. D. Somerville, P. Cózar & I. Coronado: Coral assemblages of the Serpukhovian–Bashkirian transition from Adarouch (Morocco). In: Paläontologische Zeitschrift, 2022, 14 S., doi:10.1007/s12542-021-00586-3.
- ↑ a b E. Poty, F.-X. Devuyst & L. Hance: Upper Devonian and Mississippian foraminiferal and rugose coral zonations of Belgium and northern France: a tool for Eurasian correlations. In: Geological Magazine, Band 143, Nummer 6, 2006, S. 829–857, (Digitalisat).
- ↑ a b L. Yao, M. Aretz, P. B. Wignall, J. Chen, D. Vachard, Y. Qi, S. Shen & X. Wang: The longest delay: Re-emergence of coral reef ecosystems after the Late Devonian extinctions. In: Earth-Science Reviews, Band 203, 2020, Artikel 103060, doi:10.1016/j.earscirev.2019.103060.
- ↑ M. Aretz & E. Chevalier: After the collapse of stromatoporid−coral reefs — the Famennian and Dinantian reefs of Belgium: much more than Waulsortian mounds. In: J. J. Álvaro, M. Aretz, F. Boulvain, A. Munnecke, D. Vachard & E. Vennin (Hrsg.): Palaeozoic Reefs and Bioaccumulations: Climatic and Evolutionary Controls. Geological Society London Special Publications, Band 275, London, 2007, ISBN 978-1-86239-221-2, S. 163–188, (Digitalisat).
- ↑ a b c d e f M. Aretz: Habitats of colonial rugose corals: the Mississippian of western Europe as example for a general classification. In: Lethaia, Band 43, 2010, S. 558–572, (Digitalisat).
- ↑ J. Denayer & B. Mottequin: The Devonian and Carboniferous of southern Belgium. In: 4th International Congress on Stratigraphy – Lille – 14th-16th July 2023, Post-excursion 1, 2023, S. 29ff, (Digitalisat).
- ↑ I. Said, I. D. Somerville, S. Rodríguez & P. Cózar: Mississippian coral assemblages from the Khenifra area, Central Morocco: Biostratigraphy, biofacies, palaeoecology and palaeobiogeography. In: Gondwana Research, Band 23, 2013, S. 367–379, doi:10.1016/j.gr.2012.04.008.
- ↑ L. Yao, X. Wang, W. Lin, Y. Li, S. Kershaw & W. Qie: Middle Viséan (Mississippian) coral biostrome in central Guizhou, southwestern China and its palaeoclimatological implications. In: Palaeogeography, Palaeoclimatology, Palaeoecology, Band 448, 2016, S. 179–194, doi:10.1016/j.palaeo.2015.08.031.
- ↑ M. Aretz: The upper Viséan coral-horizons of Royseux - the development of an unusual facies in Belgian Early Carboniferous. In: Bulletin of the Tohoku University Museum, Band 1, 2001, S. 86–95, (Digitalisat).
- ↑ a b I. Said, S. Rodríguez, M. Berkhli, P. Cózar & A. Gómez-Herguedas: Environmental parameters of a coral assemblage from the Akerchi Formation (Carboniferous), Adarouch Area, central Morocco.‘‘ In: ‘‘Journal of Iberian Geology, Band 36, Nummer 1, 2010, S. 7–19, (Digitalisat).
- ↑ M. Aretz, H.-G. Herbig, I. D. Somerville & P. Cózar: Rugose coral biostromes in the late Viséan (Mississippian) of NW Ireland: Bioevents on an extensive carbonate platform. In: Palaeogeography, Palaeoclimatology, Palaeoecology, Band 292, Nummer 3–4, 2010, S. 488–506, doi:10.1016/j.palaeo.2010.04.017.
- ↑ M. Aretz & H.-G. Herbig: Contribution of rugose corals to Late Visean and Serpukhovian bioconstructions in the Montagne Noire (Southern France). In: W. M. Ahr, P. M. Harris, W. A. Morgan & I. D. Somerville (Hrsg.): Permo-Carboniferous Carbonate Platforms and Reefs. SEPM Special Publication 78 & AAPG Memoir 83, SEPM & AAPG, Tulsa, 2003, ISBN 1-56576-087-5, S. 119–132, (Digitalisat).
- ↑ M. Aretz: Rugose corals from the upper Viséan (Carboniferous) of the Jerada Massif (NE Morocco): taxonomy, biostratigraphy, facies and palaeobiogeography. In: Paläontologische Zeitschrift, Band 84, 2010, S. 323–344, (Digitalisat).
