Leuchtstofflampe

Die Leuchtstofflampe ist eine Niederdruck-Gasentladungsröhre, spezieller Metalldampflampe, die innen mit einem fluoreszierenden Leuchtstoff beschichtet ist. Im Gegensatz zur Leuchtröhre bzw. zur Kaltkathoden-Fluoreszenzröhre besitzt sie heiße Kathoden, die Elektronen durch den Edison-Richardson-Effekt (Glühemission) abgeben.
Als Gasfüllung dient Quecksilberdampf zur Emission von Ultraviolettstrahlung und zusätzlich meist Argon. Die Ultraviolettstrahlung wird von der Leuchtstoffbeschichtung in sichtbares Licht umgewandelt.
Geschichte

Der erste Vorläufer der modernen Leuchtstofflampe ist die Geißlerröhre (benannt nach Heinrich Geißler, der sie 1857 erfand). Sie besteht aus einer evakuierten Glasröhre mit jeweils einer Elektrode an den Enden. Die Röhre ist mit einem Gas (z. B. Neon, Argon oder auch einfach nur Luft) unter niedrigem Druck gefüllt. Legt man eine Hochspannung an die beiden Elektroden an, so beginnt das Gas im Inneren zu leuchten. In den 1880er Jahren wurde diese Röhre in größeren Stückzahlen produziert. Sie diente vorwiegend der Unterhaltung, da sie für Beleuchtungszwecke nicht hell genug war. Nikola Tesla verwendete in seinem Labor Leuchtröhren und hatte vor, alle Haushalte mit Leuchtstofflampen auszustatten, die in Anwesenheit des elektromagnetischen Wechselfelds eines Tesla-Transformators drahtlos leuchten.
1901 erfand Peter Cooper-Hewitt die Quecksilberdampflampe, die blaugrünes Licht ausstrahlt. Aufgrund ihrer hohen Effizienz wurde sie in der Fotografie genutzt. Die Lichtfarbe war bei der damaligen Schwarzweißfotografie noch von geringer Bedeutung. 1913 entwickelte Philipp Siedler Leuchtstoffröhren mit Edelgasfüllung.[1] Edmund Germer schlug 1926 vor, den Druck innerhalb der Röhre zu erhöhen und die Röhre mit einem Leuchtstoff zu beschichten, der ultraviolette Strahlung in sichtbares Licht umwandelt. Das Unternehmen General Electric kaufte später Germers Patent und produzierte ab 1938 Leuchtstofflampen mit kommerziellem Erfolg.
Seither haben Leuchtstofflampen insbesondere in der Arbeitsplatzbeleuchtung große Verbreitung erfahren. Seit etwa 1980 gibt es sie auch als Kompaktleuchtstofflampen, welche – in der Ausführung mit integriertem Vorschaltgerät und E14- oder E27-Lampensockel – im Haushaltsbereich mehr und mehr die Glühlampe ersetzten. Neuerdings übernehmen immer öfter LED-Leuchtmittel diese Funktion.
Funktion
Gasentladung
Zum Zünden der Lampe ist eine hohe Zündspannung erforderlich, denn erst nachdem die Gasfüllung der Leuchtstofflampen ionisiert wurde, kann der Strom fließen. Der Wert der benötigten Zündspannung kann durch Vorheizen der Elektroden reduziert werden. Nach dem Zünden wird das Gas elektrisch leitend und es bildet sich ein Niederdruckplasma, das so lange erhalten bleibt, wie der u. a. vom Gasdruck abhängige Mindeststrom überschritten ist. Auch bei dessen Unterschreiten braucht das Plasma eine kurze Zeit, um zu rekombinieren, so dass es bei Betrieb der Lampe mit Wechselstrom auch bei der Stromrichtungsumkehr erhalten bleibt. Das trifft auf alle Gasentladungsröhren zu.
Das Plasma weist aufgrund der Stoßionisation einen negativen differentiellen Widerstand auf. Prägt man der Lampe einen größeren Strom auf, sinkt der Spannungsabfall zwischen den Elektroden. Der Betriebspunkt ist somit instabil und bei zu geringem Vorwiderstand zur Strombegrenzung wird die Lampe zerstört. Deshalb müssen Leuchtstofflampen, wie auch alle anderen Gasentladungslampen, mit einem Vorschaltgerät betrieben werden. Bei Betrieb mit Wechselstrom verwendet man eine Induktivität in Reihenschaltung zur Lampe. Der direkte Betrieb an Gleichstrom, der mit einem Vorwiderstand als Strombegrenzer oder per Konstantstromquelle prinzipiell denkbar wäre, ist aufgrund von Entmischungsvorgängen der Ionenarten in der Lampe problematisch, erheblich günstiger ist ein Wechselrichter, der den Gleichstrom in Wechselstrom umwandelt. Seit den 1990er Jahren werden Leuchtstofflampen oft mit elektronischen Vorschaltgeräten (EVG) betrieben, die Wechselspannung von 32 kHz bis über 40 kHz erzeugen. Dadurch entfällt in der Regel das 100-Hz-Flimmern, das von manchen Menschen als störend empfunden wird.
Das Plasma strahlt Licht aus, wenn die Quecksilberatome von den beschleunigten freien Elektronen angeregt werden und dann wieder auf ein niedrigeres Energieniveau zurückfallen. Im Falle von Quecksilbergas wird überwiegend Ultraviolettstrahlung mit nur geringem Anteil an sichtbarem Licht emittiert. Das wird sichtbar, wenn die Leuchtstoffbeschichtung einer Lampe nicht ganz bis zur Endkappe reicht oder durch Erschütterung abgefallen ist.
Leuchtstoff
Um die Ausbeute an sichtbarem Licht zu erhöhen, wird die Innenseite des Entladungsgefäßes mit einem Leuchtstoff beschichtet (daher der Name Leuchtstofflampe), der im sichtbaren Spektrum zu fluoreszieren beginnt, sobald er mit UV-Strahlung bestrahlt wird. Der Leuchtstoff setzt einen Großteil der UV-Strahlung in sichtbares Fluoreszenzlicht um. Der Rest der ultravioletten Strahlung wird durch das Glas der Lampe weitgehend absorbiert, so dass nur unbedenklich wenig gesundheitsschädliche UV-Strahlung aus der Lampe dringt.
Der eingesetzte Leuchtstoff ist entsprechend der Lampenfarbe eine Mischung aus verschiedenen Leuchtstoffen. Durch das Mischungsverhältnis kann die Lichtfarbe eingestellt werden. Früher war Halophosphat gängig, die aktuelle Technik ist Triphosphor. Eine besonders gute Farbwiedergabe wird mit den sogenannten Fünfbandenleuchtstoffen erreicht. Dabei treten nicht nur einzelne Lichtwellenlängen auf, die sich zu „weißem“ Licht mischen, sondern es sind breitere, aneinandergrenzende Bereiche, so dass ein annähernd kontinuierliches Spektrum entsteht, was zu einer besseren Farbwiedergabe führt. Leuchtstoffe mit einer Abklingzeit der Fluoreszenz von mindestens 1/100 Sekunde verringern das 100-Hertz-Flimmern (doppelte Netzfrequenz), wesentlich längeres Nachleuchten (> 1 s) ist hingegen unerwünscht. Es gibt aber auch Ausführungen mit einer Nachleuchtzeit von einigen Minuten, etwa um bei Stromausfall die Zeit bis zum Einsetzen der Notbeleuchtung zu überbrücken.
Zu Dekorations- und Werbezwecken werden auch einfarbige Leuchtstofflampen angeboten. Schwarzlichtlampen, die fast nur im UV-Bereich strahlen, sind ebenfalls mit einem Leuchtstoff beschichtet, der gefährliche UV-B-Strahlen in den UV-A-Bereich wandelt. Außerdem ist deren Glaskolben so gefertigt, dass er sichtbares Licht zum größten Teil absorbiert, außer dem leichten Violettschimmer, welcher durch die schwache Wahrnehmbarkeit von langwelligem UV-Licht entsteht. Zur Desinfektion und Entkeimung gibt es auch Niederdruck-Quecksilberdampf-Entladungslampen in Form solcher Leuchtstoffröhren. Sie haben klares Glas und leuchten auch im violetten Bereich, emittieren aber besonders viel UV-C-Strahlung um Keime abzutöten, sie können deshalb auch u. a. Menschen schädigen (Sonnenbrand und Bindehautentzündung) und dürfen deshalb nicht verwechselt und nie ohne Schutzabdeckung betrieben werden.[2]
Sprachliche Unterscheidung der Neonröhren
Leuchtstofflampen oder -röhren werden umgangssprachlich mitunter fälschlich als Neonröhren bezeichnet. Diese sind historisch als erster Leuchtröhrentyp entwickelt worden. Eine (fachsprachlich echte) Neonröhre ist in ihrer reinen Form nur mit Neon gefüllt, das orange-rot leuchtet, und weist im Gegensatz zu Leuchtstofflampen weder Leuchtstoff an der Glasinnenwand noch Quecksilberdampf auf. Das Glasrohr mit nur 1 bis 2 cm Durchmesser kann klar oder rot gefärbt sein, kommt nicht in Standardgrößen vor und wird wegen der hohen Betriebsspannung nicht von Nutzern selbst getauscht. Mit anderen Gasen, zumeist anderen Edelgasen und Gasmischungen, selten auch unter Beimischung von etwas Quecksilberdampf, mitunter auch unter Verwendung eines Leuchtstoffbelags, werden andere, insbesondere kräftige Farben, aber auch Weiß erzielt.
Standardisierte Baugrößen

Der Röhrendurchmesser von Leuchtstofflampen ist standardisiert. Nach dem Buchstaben „T“ (für „tube“, engl. Röhre) steht der Durchmesser in Achtelzoll (25,4 mm / 8 = 3,175 mm). Eine T5-Röhre hat z. B. einen Durchmesser von etwa 5⁄8 Zoll bzw. 16 mm. Neben den Zollangaben sind auch Millimeterangaben vorzufinden:[3] T5 und T8 werden so zu T16 bzw. T26 (siehe Tabelle).
Im englischsprachigen Raum sind Bezeichnungen der Form FxxTy üblich, wobei xx entweder die Länge in Zoll oder die elektrische Leistung in Watt angibt und y wie oben beschrieben den Röhrendurchmesser in 1⁄8 Zoll.
Bei Röhren der Hersteller Philips und Osram wird häufig die Farbe in Form eines zwei- oder dreistelligen Zahlencodes angegeben, der nicht mit Bauformangaben verwechselt werden sollte.
Die Entwicklung begann mit T12-Röhren und geht hin zu schlankeren Röhren, die weniger Material, Volumen bei Transport, Lagerung und Einbau benötigen und eine höhere Effizienz besitzen. Am verbreitetsten sind heute T8 und T5 sowie in platzsparenden Lichtleisten (etwa für Regale) auch T4. T5-Lampen sind in zwei Varianten verfügbar: Hohe Lichtleistung (Abkürzung HO, „High Output“, oder FQ, „Fluorescent Quintron“) oder große Effizienz (HE, „High Efficiency“, oder FH, „Fluorescent High Efficiency“). Die HO-Lampen sind bei vergleichbarer Leistung kürzer als HE-Lampen. Zusätzlich gibt es bei HO- und HE-Lampen einzelne Typen mit einer nochmals um etwa acht bis zehn Prozent geringeren elektrischen Leistung bei gleicher Lichtstärke.
Die Lampensockel für Röhren sind genormt, ebenso die Stiftabstände der Lampensockel an beiden Enden der geraden Bauformen. Für unterschiedliche Röhrendurchmesser kommen zum Teil identische Sockel (gleicher Stiftabstand) zum Einsatz. Dadurch passen T8-Lampen in die Fassungen der älteren T12-Lampen und können diese ersetzen. Außer den geraden Leuchtstofflampen findet man auch ringförmige und U-förmige Ausführungen, letztere meist mit Sockel G13.
| Typ | T2 (Stabform) |
T4 | T5 | T8 | T9 | T10 | T12 | T5 (einseitig gesockelt; Stab- o. U-Form) |
T8 (U-Form) |
T5 (Ringform) |
T4 (Ringform) |
T9 (Ringform) |
T6 (Doppelringform) | |
|---|---|---|---|---|---|---|---|---|---|---|---|---|---|---|
| Durchm. (mm) | 7 | 13 | 16 | 26 | 29 | 32 | 38 | ca. 22 | 26 | 16 | 13 | 28 o. 30 | 20 | |
| Länge bzw. Durchmesser (mm) |
218 320 422 523 |
206 308 408 509 913 |
s. u. | s. u. | s. u. | siehe Röhren- sockel |
120 bis 850 | 228 300 |
122 | 203 228 279 305 406 |
190 228 | |||
| Sockel | W4.3 W4.3x8.5d |
WP4.5x8.5d | G5[4] | G13[4] | G10q[4] | 2G13-41 2G13-56 2G13-92 2G13-152[4] |
2GX13 | G10q[4] | ||||||
Die Längen sind für die gerade Bauform von Leuchtstofflampen ebenfalls genormt, mit Ausnahme der T4-Röhren mit G5-Sockel. Diese werden von den einzelnen Herstellern mit unterschiedlichen Längen angeboten, z. B. auch mit 849 mm, 1000 mm und 1149 mm. In folgenden Tabellen sind die Längen ohne Kontaktstifte angegeben:
| Typ | T4 | ||||||
|---|---|---|---|---|---|---|---|
| Leistung (W) | 6 | 8 | 12 | 16 | 20 | 24 | 30 |
| Länge (mm) | 205 | 325 | 355 | 454 | 552 | 641 | 751 |
| Typ | T5 | ||||||||||||||||
|---|---|---|---|---|---|---|---|---|---|---|---|---|---|---|---|---|---|
| Leistung (W) | 4 | 6 | 8 | 13 | 14 HE | 24 HO | 21 HE | 39 HO | 25 HE | 28 HE | 50 HO | 54 HO | 32 HE | 35 HE | 49 HO | 73 HO | 80 HO |
| Länge (mm) | 136 | 212 | 288 | 517 | 549 | 849 | 1149 | 1449 | |||||||||
| Typ | T8 (* = verbreitet) | |||||||||||||||
|---|---|---|---|---|---|---|---|---|---|---|---|---|---|---|---|---|
| Leistung (W) | 10 | 10 | 14 | 15* | 16 | 18* | 23 | 25 | 25 | 25 | 30* | 36 | 36* | 38 | 58* | 70 |
| Länge (mm) | 330 | 470 | 361 | 438 | 720 | 590 | 970 | 691 | 742 | 818 | 895 | 970 | 1200 | 1047 | 1500 | 1764 |
Die relevanten Normen sind:
- DIN EN 60081 – Zweiseitig gesockelte Leuchtstofflampen[5]
- DIN EN 60901 – Einseitig gesockelte Leuchtstofflampen[6]
Typen

Man unterscheidet zwischen sogenannten Heißkathodenlampen (Leuchtstofflampen im engeren Sinne) und Kaltkathodenlampen (CCFL von engl. cold cathode fluorescent lamp). Der Begriff Kaltkathodenlampe wird auch gleichbedeutend mit Leuchtröhre gebraucht.
Lampen mit Glühkathode

Bei Lampen mit Glühkathode ist an den Enden jeweils ein Heizdraht aus mit Erdalkalimetalloxiden beschichtetem Wolfram eingebaut. Eine solche Oxidkathode reduziert die Austrittsarbeit der Elektronen und ermöglicht Glühemission bei niedrigeren Temperaturen. Beim Startvorgang werden zunächst durch den die Lampe kurzschließenden Starter beide Elektrodenwendeln vom höheren Strom durchflossen, um sie zu heizen, sodass sie genügend Elektronen emittieren. Dann wird durch den Starter die Verbindung zwischen den Elektroden aufgehoben und für die Zündspannung freigegeben. Diese beschleunigt die Elektronen, die sich um den Kathodenheizdraht angesammelt haben, im elektrischen Feld in Richtung Anode. Bei ihrem Flug durch die Lampe stoßen die Elektronen mit den Quecksilber- und Argonatomen zusammen. Dabei wird das Gas ionisiert (Stoßionisation), und es entsteht ein Plasma innerhalb des Glaskolbens. Anschließend fließt der Betriebsstrom und es stellt sich die Brennspannung von etwa 50…100 Volt ein. Diese ist am haushaltsüblichen Stromanschluss eine Wechselspannung, daher wirken beide Elektroden jeweils eine halbe Periode lang abwechselnd als Anode und als Kathode. Bei Nutzung von Gleichspannung wie zum Beispiel in alten Straßenbahnen musste nach halber erwartbarer maximaler Brenndauer die Polarität (automatisch) umgekehrt werden, um nicht zu früh das Leuchtmittel zu verbrauchen. Durch Ionenbombardement und den die Wendel und die Oxidschicht durchfließenden Betriebsstrom wird nun die Erwärmung der Kathoden gegen kühlende Elektronenemission und Wärmestrahlung aufrechterhalten und ein Heizstrom durch die Kathodenwendel ist nicht weiter erforderlich. Es bildet sich ein auf der Wendel wandernder Brennfleck mit hoher Stromdichte und Temperaturen über 1000 °C. Hierbei tritt durch Verdampfen und Ionenbombardement ein ständiger Verlust an Erdalkalimetall (Barium) auf, was schließlich zum Lebensdauerende der Lampen aufgrund tauber Kathoden führt. Bei ungenügender Vorheizung und generell beim Start der Lampe wie oben beschrieben treten zunächst besonders hohe Stromdichten und Temperaturen auf. Der Kathodenfall ist hoch und auftreffende Ionen haben besonders hohe Energie. Dies erklärt den lebensdauerverringernden Lampenstart sowie die hohe Bedeutung einer ausreichenden Vorheizung.[7]
Elektronische Vorschaltgeräte (EVG) ermöglichen ein genauer definiertes und lampenschonenderes Vorheizen als Glimmstarter mit Vorschaltdrossel und erzielen daher eine höhere Lebensdauer der Lampen. Auch das Dimmen erfordert ein zusätzliches Beheizen der Glühwendeln und ist daher nur mit EVG möglich.
Lampen ohne Leuchtstoff werden unter anderem zur Entkeimung von Trinkwasser verwendet, da sich die UV-Strahlung besonders gut zum Abtöten von Kleinstlebewesen eignet. Dazu muss die Lampe aus Quarzglas gefertigt sein. Eine weitere Anwendung solcher Lampen war das Löschen von EPROMs. In Solarien und Diskotheken („Schwarzlicht“) werden Leuchtstoffe eingesetzt, die UV-A emittieren.
„Schwarzlichtlampen“ sind außerdem mit Nickeloxid beschichtet, das den sichtbaren Teil des Quecksilber-Spektrums absorbiert und nur den Ultraviolettanteil austreten lässt (Verwendung auch in der Mineralogie, im Schwarzen Theater und bei UV-Prüfgeräten für Banknoten, Dokumente, Ausweise etc.).
Auch Kompaktleuchtstofflampen („Energiesparlampen“) besitzen Röhren mit Glühkathoden.
Niederdruck-Natriumdampflampen sind ähnlich aufgebaut, jedoch ohne Leuchtstoff und mit Natrium statt des Quecksilbers. Sie haben eine höhere Lichtausbeute als Leuchtstofflampen, jedoch wegen des hohen Gelbanteils eine sehr schlechte Farbwiedergabe.
Kaltkathodenlampen
Kaltkathodenlampen (auch CCFL von engl. cold cathode fluorescent lamp) sind keine Leuchtstofflampen im üblichen deutschen Sprachgebrauch – sie zählen zu den Leuchtröhren. Kaltkathodenlampen sind prinzipiell aufgebaut wie die Heißkathodenlampen, nur dass hier keine Heizdrähte vorhanden sind – die Elektroden bestehen stattdessen aus Blechhülsen.
Ohne Vorheizung kann bei diesen Lampen der Elektronenfluss zwischen Kathode und Anode nur durch eine gegenüber Heißkathodenlampen höhere Spannung erreicht werden. Auch die Zündspannung ist höher. Grund ist der sogenannte Kathodenfall – unmittelbar an den Kathoden ist eine hohe Feldstärke nötig, um Elektronen daraus zu lösen. Das führt gegenüber Heißkathodenlampen zu einem geringeren Wirkungsgrad, vermeidet jedoch die Heizung und Beschichtung der Elektroden und ermöglicht so eine einfachere, kostengünstigere Herstellung. Die Lebensdauer ist zudem erheblich höher, da der Verschleiß der Elektroden die Funktion im Gegensatz zur Heißkathodenlampe nicht beeinträchtigt.
Kaltkathodenlampen emittieren im Betrieb nicht unbedingt weniger Wärme als Heißkathodenlampen. Der niedrigere Wirkungsgrad führt bei gleicher Leistung sogar zu einer höheren Wärmeentwicklung.
Kaltkathodenlampen wurden für Leuchtreklame und als Hintergrundbeleuchtung (engl. backlight) von Flüssigkristallbildschirmen (LCD) eingesetzt.
Kaltkathodenlampen für Netzbetrieb wurden früher mit Streufeldtransformatoren betrieben, die einerseits die hohen erforderlichen Betriebsspannungen (5 bis 10 kV) zum Betrieb oft mehrerer, in Reihe geschalteter Lampen erzeugten und andererseits durch ihre Streuinduktivität ähnlich einer Drossel den Betriebsstrom begrenzten.
Heute sowie insbesondere bei Gleichstromquellen (z. B. Notebook) werden Inverter (Wechselrichter und Resonanztransformatoren) eingesetzt, die die hohen Spannungen auf elektronischem Wege erzeugen. Es gibt Inverter mit Ferrittransformator und solche mit piezoelektrischen Transformatoren. Letztere arbeiten nach dem Piezoeffekt und sind für Notebooks entwickelt worden.
Induktionslampe
Betrieb
Betrieb mit induktivem Vorschaltgerät (KVG & VVG)
Eine Leuchte mit konventionellem Vorschaltgerät (KVG) bzw. verlustarmen Vorschaltgerät (VVG) besteht aus einer Netz-Drossel (Drosselspule für 50 Hz) mit zusätzlich erforderlichem Starter. Er ist nahe der Lampe oder bei manchen Kompaktleuchtstofflampen im Sockel integriert.
Drossel

Leuchtstofflampen haben je nach Typ und Länge eine Brennspannung von etwa 40 bis 110 V (Spannungsabfall über die Entladungsstrecke). Auf Grund ihres negativen differentiellen Widerstands, d. h. der Spannungsabfall verringert sich mit steigendem Strom, benötigen sie eine Strombegrenzung. Üblich waren lange Zeit vorgeschaltete Induktivitäten (Drosseln), später auch elektronische Vorschaltgeräte. Im Artikel Vorwiderstand ist die Berechnung des induktiven Widerstandes der Drossel angeführt.
Die in Reihe zur Lampe geschaltete Drossel erzeugt mittels des Starters auch den zur Zündung der Lampe erforderlichen Spannungsimpuls. Ein konventionelles Vorschaltgerät hat bei einer 58-Watt-Lampe eine Verlustleistung von etwa 13 Watt. Sogenannte „verlustarme Vorschaltgeräte“ (VVG) mit speziellen Elektroblechen, größeren Kupferquerschnitten und optimiertem Kernaufbau haben dagegen nur ca. 7 W Verlustleistung.
Konventionelle Vorschaltgeräte finden sich in der CELMA-Energieklassifizierung unter C bzw. D wieder. Vorschaltspulen mit massiverem Kupferanteil oder optimiertem Eisenkern gelten als 'Verlustarme Vorschaltgeräte' (VVG) und können in die Energieeffizienzklasse B1 bzw. B2 eingeordnet werden.
Magnetische Vorschaltgeräte (Vorschaltdrosseln) können unter erhöhtem Materialeinsatz für sehr viel geringere Verluste gefertigt werden. Das ist jedoch unökonomisch und wegen der Masse nicht praktikabel.
Vorteile von Vorschaltdrosseln sind die lange Lebensdauer und die Immunität gegenüber Netzüberspannungen.
Kompensation
Der durch die Drossel verursachte schlechte Leistungsfaktor von etwa 0,5 kann mittels Blindleistungskompensation berichtigt werden. Hierfür gibt es mehrere Möglichkeiten:
- zentrale Blindleistungskompensation in großen Werkhallen
- Kondensator parallel zur Leuchte: Nachteil ist der durch ihn hervorgerufene hohe Einschaltstromstoß.
- Kondensator in Reihe zur Drossel: Es entsteht bei richtigem Wert ein kapazitiver cos, dessen Betrag einer Lampe ohne Kondensator gleicht. Durch die Reihenschaltung wird zudem erreicht, dass ein Ausfall durch Kurzschluss im Kondensator auf den Betrieb der Lampe keinen Einfluss hat – lediglich die Kompensation ist nicht mehr gegeben. In einer Leuchte werden nun beispielsweise je eine Lampe mit und eine ohne Kompensation betrieben. Der Nachteil besteht darin, dass die Größe des Kondensators sehr exakt stimmen muss, er mit einer hohen Spannung belastet ist und auch dessen Alterung aufgrund der heute üblichen Selbstheilungseigenschaft schädlich ist.
- Einsatz eines elektronischen Vorschaltgerätes mit Leistungsfaktorkorrektur
Starter
Arbeitsweise
Zur Vorbereitung der Zündung der Leuchtstofflampe beim Einschalten müssen zunächst die an beiden Enden der Lampe vorhandenen Elektrodenwendeln erwärmt werden. Hierzu fließt mittels eines parallel zur Leuchtstofflampe geschalteten Starters ein Strom durch sie. Er enthält in seiner traditionellen Ausführung eine Glimmlampe (Glimmstarter), deren eine oder beide Elektroden als Bimetallstreifen (siehe Bild unten) ausgeführt sind. Da sich die Elektroden zunächst nicht berühren, zündet beim Einschalten die Glimmentladung. Dadurch erwärmen sich die Bimetallstreifen und bewegen sich aufeinander zu, bis ein Kurzschluss eintritt. Durch den jetzt fließenden Strom werden die beiden Glühkathoden der Leuchtstofflampe vorgeheizt. Kühlt sich der Bimetallstreifen des Starters nun wieder ab, weil die Glimmentladung erloschen ist, öffnet der Bimetallkontakt wieder. Dadurch erzeugt die Drossel einen steilen Spannungsimpuls, der die Gasentladung in der Leuchtstofflampe zündet. Nach der Zündung liegen an der Lampe und am Starter die Brennspannung von ca. 50 V bis 110 V an. Diese Spannung ist nun zu niedrig, um den Glimmstarter erneut zu zünden. Der Vorgang wiederholt sich teilweise mehrfach, weil entweder die Vorheizzeit zu kurz oder der Spannungsimpuls zu klein war. Bei defekter Lampe wiederholen sich die Startversuche oft solange, bis der Starter defekt ist (typisch ist ein Dauerkurzschluss).
Das Bild unten zeigt einen geöffneten Glimmstarter. Parallel zur Glimmlampe ist ein Entstörkondensator geschaltet, im Bild unter der Glimmlampe zu sehen. Er begrenzt beim Öffnen der Kontakte die Spannungsanstiegsgeschwindigkeit und sorgt auch bei gezündeter Lampe für eine Verminderung der Störemissionen der Gasentladung der Lampe.
Glimmstarter enthalten geringe Mengen 85Krypton zur Vorionisation.[8]
-
Geöffneter Starter: Glimmlampe mit Bimetallelektroden und Entstörkondensator -
Typisches Aufleuchten eines Starters vor dem Durchzünden der Lampe -
Typisches (mehrfaches) Aufleuchten eines Starters beim Einschalten der Lampe
-
Animierte Funktionsweise eines Starters
Elektronische Starter
Neben Startern mit Glimmlampe sind auch elektronische Starter verfügbar, welche zur Verringerung des Kathodenverschleißes vor Zündung der Lampe das Vorheizen der Kathoden bewirken. Erst dann öffnet der Starter, wodurch eine hohe Induktionsspannung in der Drossel entsteht und die Lampe zündet. Bei sogenannten Schnellstartern wird der Drosselstrom gleichgerichtet, dadurch ist er aufgrund der Sättigung der Drossel gegenüber konventionellen Startern höher. Der Starter kann und muss daher binnen kürzerer Zeit öffnen und die Lampe zünden.
Aufwändigere Schaltungskonzepte von elektronischen Startern[9] starten exakter als Glimmstarter und können die Lampe im Fehlerfall abschalten. Wenn während des Betriebes eine der Kathoden taub wird, fließt nur noch während einer Halbwelle Strom durch die Lampe; der Starter wird nun versuchen, ständig erneut zu zünden, da die Brennspannung der Lampe nun höher ist. Manche Elektronikstarter erkennen das und unternehmen keine weiteren Zündversuche.
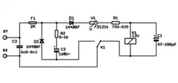
Relaisstarter
Im abgebildeten Ausführungsbeispiel eines Starters mit Relais wird der Kondensator C1 geladen, bis er die Schaltschwelle des Kleinrelais erreicht hat, dann schaltet das Relais C2 und D2 zu und bleibt für die Speicherzeit von C1 angezogen. Dadurch fließt ein Vorheizstrom durch die Kathoden der Lampe, der aufgrund des Gleichanteiles höher als bei Glimmstartern ist. Nach kurzer Zeit fällt das Relais ab und es entsteht ein Zündspannungsimpuls in der Drossel durch Selbstinduktion. Ist die Zündung erfolglos, beginnt der Vorgang von Neuem. Nach erfolgreicher Zündung bleibt die Lampenspannung unter der Varistorspannung und V1 sperrt.
-
Schaltplan eines Relaisstarters -
Geöffneter Relaisstarter
Thyristorstarter

Im angeführten Schaltungsbeispiel ist nach dem Anlegen der Versorgungsspannung der Thyristor TY2 gesperrt und TY1 zündet bei positiver Halbwelle über den Widerstand R1. Nachdem der Kondensator C1 die Schaltschwelle von TY2 erreicht hat, wird TY1 abgeschaltet und der Zündimpuls entsteht, sobald der Haltestrom von TY1 unterschritten wird. Der Widerstand R4 stellt sicher, dass TY2 im Lampenbetrieb stets zuerst zündet und TY1 somit nicht wieder leitend gemacht wird. Dieser Widerstand entfällt, wenn der Zündstrom von TY1 bei gezündeter Lampe nicht mehr erreicht wird. Da R2 erheblich kleiner als R3 ist, bewirkt die Diode D2 eine ausreichend schnelle Entladung von C1 nach dem Abschalten der Leuchtstofflampe. Andere Thyristorstarter benutzen eine Vollweggleichrichtung im Starterzweig und setzen parallel zu R2 zwei seriell geschaltete Leistungsdioden.[10][11][12][13]
Einzel- / Tandembetrieb
Man unterscheidet zwischen Startern für Einzelbetrieb (Einzellampen von 4 bis 65/80 W) und Startern für den sogenannten Tandembetrieb (Zweifachleuchten mit meist zwei Lampen à 18 Watt, die mit einer 36-Watt-Drossel in Reihe geschaltet werden). Ein Starter für Einzelbetrieb kann nicht in einer Tandemleuchte betrieben werden – die Glimmlampenkontakte schließen erst nach mehreren Minuten oder gar nicht. Ein Tandemstarter kann jedoch in Einzelleuchten bis zu einer Stärke von 22 Watt eingesetzt werden. Lampen höherer Leistungen können in Tandemschaltung nicht zuverlässig gezündet werden, wenn die Summe ihrer Brennspannungen deutlich über der halben Netzspannung liegt – es ergäbe sich ein dauerhaftes Flackern der Lampen. Lässt sich eine defekte Lampe nicht mehr zünden, so kommt es bei Glimmstartern aufgrund der fehlenden Sicherung dauerhaft zur Glimmentladung. Die Kontakte der Glimmlampe schließen, und nach einem erfolglosen Zündversuch öffnen sie kurz, um dann erneut zu schließen. Das führt zu dauerhaftem Flackern der Leuchtstofflampe. Es endet erst, wenn entweder in der Lampe ein Heizdraht (eine Elektrode) durchbrennt oder der Starter durch die relativ großen Ströme während der Zündvorgänge das Ende seiner Lebensdauer erreicht.
Defekte
Die Lebensdauer von Startern ist begrenzt, da durch die relativ hohen Ströme während des Startvorgangs die Gasfüllung der Glimmlampe durch abgesputtertes Metall verunreinigt wird. Infolge der hohen Brennspannung dauern Startvorgänge immer länger, wiederholen sich mehrfach oder erfolgen gar nicht mehr. Zudem können auch die Bimetallelektroden der Glimmlampe verschweißen oder der Entstörkondensator durchschlagen.
Da die Leuchtstofflampe selbst ähnlichen Alterungsvorgängen unterliegt, lässt sie sich am Ende ihrer Lebensdauer nicht mehr zünden. In diesem Fall wird auch der Starter nach einiger Zeit durch die wiederholt erfolglosen Startversuche bis zum Defekt verschlissen. Auch kann ein defekter (kurzgeschlossener) Starter die Heizdrähte der Leuchtstoffröhre zerstören, wobei entweder diese durchbrennen oder die Erdalkalioxidbeschichtung der Elektroden verdampft. Der Spannungsabfall an den Elektroden erhöht sich und der Leuchtstoff an den Enden der Röhre wird abgedeckt (erkennbar an geschwärzten Enden der Glasröhre). Beides reduziert den Wirkungsgrad und kann die Zündung der Röhre verhindern. Dabei kann Verschleiß an den Elektroden auch für nur eine Flussrichtung auftreten, die Lampe flimmert dann mit halber Betriebsfrequenz (statt 100 Hz mit 50 Hz) und mit ausgeprägten Dunkelphasen (statt 3 bis 4 ms mit 14 bis 15 ms). Auch eine Unterbrechung eines der sechs in Reihe liegenden Kontaktstellen des Systems kann die Ursache sein.
Sicherungsschnellstarter, die umgangssprachlich auch als Blitzstarter bezeichnet werden, lösen nach mehreren erfolglosen Zündversuchen (ca. eine Minute) eine integrierte thermisch-mechanische Sicherung (zweiter Bimetallschalter) aus, so dass keine weiteren Startversuche unternommen werden. Dadurch flackert die Lampe am Ende ihrer Lebensdauer nicht ständig weiter, wie es bei einem konventionellen Starter der Fall ist. Durch Drücken eines (meist roten) Knopfes kann die Sicherung wieder zurückgestellt werden.
Detaillierter Startvorgang
Die beiden Elektroden einer Leuchtstofflampe haben einen so großen Abstand d, dass bei U < 400 V die elektrische Feldstärke U/d zu gering ist, um eine spontane Stoßionisation hervorzurufen, die nach einem Lawineneffekt das enthaltene Gasgemisch in das notwendige Plasma verwandelt. Bei der Glimmlampe des Starters ist dagegen der Elektrodenabstand d ausreichend gering, um bereits bei U ≈ 100 V die Zündung einzuleiten. Bei einer Leuchtstofflampe muss zur Zündung deshalb eine kurzzeitige Überspannung erzeugt werden.
-
Bild 1 -
Bild 2 -
Bild 3 -
Bild 4 -
Startvorgang als Animation
- Bild 1 zeigt den schematischen Aufbau einer Leuchtstofflampe, deren Elektroden an einen Bimetallstarter und eine Drosselspule (sowie der Spannungsquelle) angeschlossen sind. Nach dem Einschalten liegt die volle Spannung am Starter an, da die Gasfüllung der Lampen noch nicht ionisiert wurde und daher kein Strom fließt.
- Bild 2 Die Elektroden der Glimmlampe des Starters berühren sich nicht, sodass eine Glimmentladung zündet und die Bimetallstreifen der Glimmlampe erwärmt.
- Bild 3 Die Bimetallstreifen bewegen sich durch die Erwärmung der Glimmlampe, bis beide Elektroden der Glimmlampe kurzgeschlossen sind und die Glimmentladung erlischt. Dadurch fließt ein hoher Strom durch die Heizelektroden der Leuchtstofflampe und die Drosselspule. Die Wendeln beginnen zu glühen und emittieren Elektronen, die die Gasfüllung in der Lampe mit Ladungsträgern anreichern.
- Bild 4 Die nun fehlende Glimmentladung führt zur Abkühlung der Elektroden in der Glimmlampe des Starters, wodurch sich der Bimetallkontakt wieder öffnet. Da die Glimmlampe und die noch nicht gezündete Leuchtstofflampe zusammen einen hohen Widerstand besitzen, fällt der Strom in der Drosselspule schnell ab. Die dadurch hervorgerufene Selbstinduktion lässt kurzzeitig eine hohe Spannung (600 bis 2000 Volt) entstehen, die das mit Ladungsträgern angereicherte Gas in der Lampe zündet. Der Strom fließt nun durch das ionisierte Gas in der Lampe, sie leuchtet.
Da die Lampe mit Wechselstrom betrieben wird, kann beim Öffnen des Bimetallkontakts der momentane Strom in der Drossel zu niedrig sein, um die nötige Zündspannung aufzubauen. Dann beginnt der Startvorgang von neuem, indem die Glimmentladung wieder zündet und das Bimetall sich erwärmt. Der Start verläuft daher meist etwas unregelmäßig, und die Lampe flackert oft ein- oder zweimal auf, bevor das Gas zündet.
Nach der Zündung teilt sich die Betriebsspannung an Lampe und Drossel so ein, dass eine ausreichende Spannung (zwischen 50 und 110 Volt) erhalten bleibt, um die Lampe am Leuchten zu halten. Für die Glimmlampe im Starter ist diese für eine weitere Zündung zu niedrig. Diese Spannung reicht nun aus, um nach jeder Richtungsumkehr des Stroms einen weiteren Zündvorgang in der Lampe auszulösen, da das Gas genügend Ladungsträger aufweist und die Elektroden erwärmt sind.
Betrieb mit elektronischem Vorschaltgerät (EVG)
Die Anordnung aus konventionellem Vorschaltgerät und Starter kann durch ein elektronisches Vorschaltgerät ersetzt werden, üblicherweise sind das Resonanzwandler. Das Bild zeigt den Aufbau für eine Kompaktleuchtstofflampe („Energiesparlampe“). Zusammen mit dem Siebkondensator (Elektrolytkondensator, großer aufrecht stehender Zylinder) erzeugt der Gleichrichter (kleines schwarzes Bauteil mit dem Aufdruck „+ −“ oberhalb des Kondensators) eine Gleichspannung. Die beiden aufrecht stehenden Bipolartransistoren links vom Siebkondensator wandeln sie in eine hochfrequente Wechselspannung von etwa 40 kHz um, die einen Resonanztransformator (Drossel mit dem Aufdruck „3.5 mH“ und einer der Kondensatoren (4,7 nF) in den rechteckförmigen Plastikgehäusen) mit der Leuchtstofflampe als Last treibt. Der kleine Transformator, bestehend aus einem Ferritkern mit 2×3 und 1×5 Windungen, dient zur Steuerung der Halbbrücke aus den beiden Transistoren. Ins Lampengehäuse integrierte EVGs enthalten üblicherweise eine eingebaute Sicherung.
-
Elektronisches Betriebsgerät einer Kompaktleuchtstofflampe -
Elektronisches Vorschaltgerät (EVG) für T8-Leuchtstofflampe im geöffneten Zustand -
Endstufe eines Resonanzwandlers mit Resonanztransformator
Die Zündung der Leuchtstofflampe erfolgt nach vorheriger Vorheizung durch die Einstellung der Taktfrequenz der Halbbrücke auf einen Wert, der den Reihenschwingkreis in die Resonanz steuert, was zu einer hohen Spannung von etwa 1000 V über der Lampe führt, die die Leuchtstofflampe zündet. Nach der Zündung fällt die Impedanz der Lampe auf ihren Betriebswert, wodurch sich an der Lampe die Betriebsspannung einstellt.
Als Vorteile gegenüber dem konventionellen Vorschaltgerät ergeben sich, je nach Bauform:
- fast keine Blindleistung (Geräte mit Leistungsfaktorkorrektur)
- geringere Verlustleistung in Vorschaltgerät und Lampe (Ersparnis bis zu 30 %)
- zuverlässiger und schneller Start
- flimmerfreier Betrieb ohne Stroboskopeffekt, daher auch an rotierenden Maschinen einsetzbar
- Fehlererkennung und Abschaltung bei defekter Lampe
- geringere Geräuschentwicklung (kein Netzbrummen)
- Leistungsstabilisierung bei Netzspannungsschwankungen
- Betrieb gleichermaßen an Gleichspannung von Notstromanlagen
- Typen für Betrieb mit Kleinspannung (zum Beispiel 24 V oder 12 V) verfügbar
Die Wirkverlustleistung eines EVG für eine 58-Watt-Leuchtstofflampe beträgt weniger als 2 Watt (Vergleich KVG: 8 bis 13 Watt). Eine weitere Energieeinsparung, den sogenannten HF-Gewinn, erzielt man durch die durchschnittlich bessere Leitfähigkeit des Plasmas: durch den Betrieb mit Hochfrequenz (50 kHz) statt mit Netzfrequenz (50 Hz) entfallen die Phasen, in denen die ionisierten Atome mit den freien Elektronen rekombinieren und ein schlecht leitfähiges Plasma ergeben.
Zur Beurteilung des Energieverbrauchs werden EVG wie andere elektrische Verbraucher in Energieeffizienzklassen des Energie-Effizienz-Index (EEI) eingeteilt. Der EEI berücksichtigt sowohl die Leistungsaufnahme des EVG als auch die Lichtausbeute der Lampe. Innerhalb dieser Klassifizierung erreichen gute EVG die Klasse A2. Der Wirkungsgrad eines EVG kann bis zu 95 Prozent erreichen.
Dimmbare EVG können den Lampenstrom variieren, um so eine Helligkeitsregelung (z. B. 3 bis 100 Prozent Helligkeit) der Lampe zu erreichen. Bei geringerer Helligkeit ist die Leistungsaufnahme des EVG niedriger, wodurch dimmbare EVG unter Umständen in die EEI-Klasse A1 eingeteilt werden können. Bei fernsteuerbaren EVG ist der Stand-by-Verbrauch der Wirtschaftlichkeit abträglich.[14]
Ein elektronisches Vorschaltgerät ist etwas teurer als ein vergleichbares konventionelles Vorschaltgerät, jedoch hat in der Regel der niedrigere Energieverbrauch sowie die erhöhte Lebensdauer der Lampen eine deutlich größere Kosteneinsparung zur Folge. Andererseits haben EVG eine gegenüber dem VVG deutlich geringere Lebensdauer (ca. 50.000 Stunden).[15] Des Weiteren dürfen laut der EU-Richtlinie 2000/55/EG Vorschaltgeräte mit der Energieeffizienzklassifizierung C bzw. D seit November 2005 nicht mehr in den freien Handel gebracht werden.
Die höhere Betriebsfrequenz reduziert zusammen mit dem Nachleuchten der fluoreszierenden Leuchtstoffschicht die Dunkelphasen beim Nulldurchgang der Spannung, weshalb auch die Amplitude der Helligkeitsschwankungen gegenüber dem 50-Hz-Betrieb reduziert ist.
Elektronische Vorschaltgeräte erzeugen andersartige und unter Umständen stärkere Störemissionen als Lampen mit Vorschaltdrossel.
Elektronische Vorschaltgeräte, insbesondere solche mit Fernsteuerung, müssen zusätzliche schützende Bauelemente enthalten, um sie immun gegenüber Netzüberspannungen (Surge) und Netztransienten (Burst) zu machen.
Adapter für die Umrüstung auf T5-Lampen mit EVG
Ältere Leuchten mit KVG für T8-Leuchtstofflampen lassen sich mit Adaptern mit Aufsteck-EVG auf kürzere T5-Lampen kleinerer Leistung umrüsten. Diese EVG werden als Adapterset einseitig oder beidseitig (verbunden oder unverbunden) zwischen Lampe und alte Leuchtenfassung gesteckt. Bei der Umrüstung bleibt die konventionelle Vorschaltdrossel im Stromkreis (als ohmscher Widerstand mit geringer Verlustleistung). Der Starter der konventionellen Leuchte wird bei der Umrüstung durch einen Überbrücker (gleiche Bauform, jedoch kurzgeschlossene Anschlüsse, teilweise mit Feinsicherung) ersetzt.
Das für den Betrieb von T5-Lampen notwendige EVG ermöglicht einen flimmerfreien Betrieb. Je nach Hersteller liegt die Energieeinsparung bei bis zu 50 %, gleichzeitig sinkt aber auch der Lichtstrom (= Helligkeit) fast im gleichen Maß. Die Einsparung wird zum größten Teil durch den geringeren Lichtstrom und weniger durch die bessere Effizienz erreicht. Diese Adapter reduzieren den Aufwand zur Umrüstung der Leuchten, es ist kein Elektriker nötig. Durch das Verbot der T8/KVG-Systeme im April 2010 (siehe Energielabel) kann das eine Alternative zum kompletten Umbau oder Austausch darstellen. In Deutschland sollen 400 Mio. Lampen im Einsatz sein, davon weit über 50 Prozent noch T8 oder T12 mit KVG.
Solche Umrüstungen können da sinnvoll sein, wo große Mengen von Leuchtstofflampen durch ihre Blindleistung die Stromnetze stark belasten, meist große Läden in ländlichen Gebieten. Werden neue Leuchten verbaut, kann es zu Engpässen der Stromversorgung kommen. Da die Blindleistung nach der Umrüstung um 99 % abnehmen soll und die Wirkleistung um bis zu 50 %, werden teils erhebliche Leistungen zur weiteren Nutzung frei. In Gebieten mit beschränkter Netzkapazität kann das ein großer Vorteil sein.
T5-Lampen benötigen gegenüber T8-Lampen eine höhere Umgebungstemperatur für ihren maximalen Lichtstrom (T5 benötigt ca. 35 °C, T8 benötigt 25 °C), was allerdings durch die Eigenerwärmung der T5-Lampe vorteilhaft ist. In kühlen Umgebungen sind allerdings Systeme mit Hüllrohr sinnvoll. Durch Verwendung hochwertiger Spiegelreflektoren kann dieser Verlust unter Umständen ausgeglichen werden. Es gibt auch Adapter, die durch einen gedrosselten Betrieb zwar ein hohes Einsparpotential bieten, bei denen die Lichtausbeute aber deutlich unter der einer T8-Lampe liegt.
Es gibt Systeme mit einer passiven und einer aktiven Seite. Diese heizen nur eine Wendel der Lampe vor dem Start und machen dann einen sogenannten Rapidstart, was aber nicht durch die Norm der Vorschaltung für Leuchtstofflampen gedeckt ist. Andere Systeme heizen die Wendeln beidseitig und machen einen schonenden Softstart mit geringerer Zündspannung. Voraussetzung dafür ist u. a. eine Kabelverbindung zwischen beiden Enden. Die Glühwendeln der Lampen altern merklich weniger, die schwarzen Enden bleiben aus. Mit dieser Technik versehene EVGs können ein ENEC-Prüfzeichen (geprüfte Leuchtenkomponente) erhalten. Es ist sinnvoll, direkt bei der Prüfstelle (z. B. VDE oder TÜV) nachzusehen, ob der Adapter ein Prüfsiegel hat, denn es sind auch Adapter am Markt, die mit einem VDE-Zeichen werben, das sich allerdings nur auf die Sicherheit und nicht auf die Funktion als Vorschaltgerät bezieht. Die Systeme haben je nach Art der Schaltung auch eine Möglichkeit der Erhöhung der Leistung mit aktivem Leistungsfaktorkorrekturfilter im Eingang. Damit ist eine 35-Watt-T5-Lampe (dann mit 38 W betrieben) annähernd so hell wie eine 58-Watt-T8-Lampe, die mit KVG und Starter in der Regel ca. 71 W verbraucht. Die T5-Lampen werden damit jedoch außerhalb ihrer Spezifikation betrieben, was die Lebensdauer stark reduziert.
Bedenken beim Einsatz von Umrüstadaptern
Leuchten für T8- bzw. T26-Leuchtstofflampen sind normalerweise nicht für den Einsatz von T5- bzw. T16-Lampenadaptern vorgesehen und geprüft. Das ist auf dem Typenschild und, wenn vorhanden, auf dem Bestückungsetikett durch die Angaben zur Lampe und deren Leistung eindeutig dokumentiert. Werden nachträglich anstatt der vorgesehenen Lampe andere Leuchtmittel verwendet, ist das kein bestimmungsgemäßer Gebrauch der Leuchte und unterliegt deshalb nicht mehr der Verantwortung (Garantie und Produkthaftung) der Leuchtenhersteller. Die Herstellerverantwortung der betroffenen Leuchte geht auf den für den Umbau Verantwortlichen über. Eine erneute Herstellerkennzeichnung und Konformitätsbewertung nach geltenden deutschen und europäischen Richtlinien ist nach dem Umbau zwingend erforderlich.
Neben den unten angesprochenen Problemen traten bei einigen auf dem Markt angebotenen Modellen wiederholt technische Probleme auf, die mehrfach zu Vertriebsverboten durch die Bundesnetzagentur oder zu Untersagungsverfügungen durch Behörden geführt haben. Auch der Branchenverband ZVEI warnt vor einem Einsatz einiger Adapter.[16][17] Ebenso raten Hersteller von Lampen[18] und Leuchten von einem Einsatz ab. Messtechnische Untersuchungen in der Schweiz weisen keine Sinnhaftigkeit der Umrüstung nach.[19]
Ersatz von Leuchtstofflampen durch LED-Lampen
Sogenannte LED-Retrofit-Lampen für Leuchtstofflampen sind je nach Typ für den Betrieb in Leuchten mit elektromagnetischem Vorschaltgerät (KVG/VVG) oder elektronischem Vorschaltgerät (EVG) ausgelegt, ohne dass die Leuchten umgebaut werden müssen. Bei Leuchten mit KVG/VVG ist bei Austausch der Leuchtstofflampe gegen eine LED-Röhre der Starter der Leuchtstofflampe durch einen Dummy (Brücke) zu ersetzen. Dieser liegt oft den LED-Lampen bei. Der Lichtstrom von LED-Retrofit-Lampen wird bei den meisten Modellen in den Halbraum (120 bis 180°)[20] abgegeben, während Leuchtstofflampen rundum abstrahlen. LED-Retrofits sind daher in Leuchten, die eine gleichmäßige Ausleuchtung erfordern – etwa Leuchtkästen für Werbung oder Lichtsäulen – nachteilig. In Leuchten, die zu einer Seite hin lichtundurchlässig sind — etwa Hängeleuchten mit einem deckenseitigen Abdeckblech — können LED-Retrofits den Leuchtenbetriebswirkungsgrad erhöhen. LED-Retrofit-Lampen arbeiten, wie alle LED, umso effizienter, je tiefer die Umgebungstemperaturen sind.[21] Hierbei bieten sie einen Vorteil gegenüber Leuchtstofflampen, die bei Kälte nicht oder nicht sofort den vollen Lichtstrom abgeben. Erst ab Temperaturen von −50 °C und weniger benötigen LED-Leuchtmittel besondere Vorkehrungen, um mit diesen Temperaturen zurechtzukommen.[22] Weitere Vorteile sind die Quecksilberfreiheit, wodurch bei Bruch und Entsorgung weniger Gefahren auftreten, sowie die Unempfindlichkeit gegenüber Aus- und Einschalten.
Die Lebensdauer der LED-Röhren werden von bekannten Herstellern mit 25.000 bis 60.000 h angegeben[23][24]. Bei LED-Röhren, bzw. LED-Leuchtmittel im Allgemeinen, ist am Ende der Lebensdauer jedoch nicht mit einem Ausfall zu rechnen. Denn das Lebensdauerende wird als jener Zeitpunkt definiert, bei der noch 80 % oder 70 % der ursprünglichen Leuchtkraft vorliegt (Lichtstromrückgang).[25]
Die Lebensdauer von Leuchtstofflampen beträgt zum Vergleich rund 13.000 h bis 20.000 h einhergehend mit einer Helligkeitsreduktion auf 95 % bis 70 %.[26] Im Falle von konventionellen Leuchtstofflampen ist am Ende der Lebensdauer tatsächlich mit einem Ausfall zu rechnen.[27]
Eigenschaften

Lichtfarbe
Leuchtstofflampen erzeugen im Gegensatz zur Glühlampe prinzipbedingt kein kontinuierliches Farbspektrum. Vereinfacht können Leuchtstofflampen nach ihren Lichtfarben in warmweiß (engl. warm white), neutral-/kaltweiß (engl. cool white) und tageslichtweiß (engl. day light) eingeteilt werden. Die farbliche Zusammensetzung des Lichtes wird bei Leuchtstofflampen wesentlich durch die Zusammensetzung der Beschichtung des Glases, zu einem Teil aber auch durch die primären Emissionslinien der Gasfüllung und deren Hindurchtreten durch den Leuchtstoff und das Glas bestimmt. Die Leuchtstoffbeschichtung besteht aus kristallinen Pulvern (vorwiegend anorganische Oxide), die im Falle von Dreibanden-Leuchtstoffen Spuren von zwei- oder dreiwertigen Lanthanoidkationen enthalten, die je nach eingesetztem Lanthanoid und des zugrundeliegenden Wirtsgittersystems unterschiedliche Farben erzeugen. Diese Farben ergeben additiv die Lichtfarbe der Lampe. Die Standardleuchtstoffe basieren auf Calciumhalophosphat der allgemeinen Formel Ca10(PO4)6(F,Cl):Sb,Mn, wobei die unterschiedliche Farbtemperatur durch Variation der Konzentration beider Dotierelemente Mangan (Mn) und Antimon (Sb) erzielt wird.
Neben Weißtönen sind Leuchtstofflampen u. a. zu Dekorationszwecken auch einfarbig (z. b. rot, gelb, grün, blau) erhältlich. Dies wird durch Variationen des fluoreszierenden Leuchtstoffes erreicht. Ein Anwendungsbeispiel für farbige Leuchtstofflampen ist die LHGL-Wanne. Auch sind Schwarzlichtlampen verfügbar, welche mit einem Leuchtstoff (Europium-dotiertes Strontiumfluoroborat oder ‑tetraborat für 370 nm bzw. bleidotiertes Bariumsilikat für 350 nm) arbeiten, um die im UV-B-Bereich liegende Quecksilberlinie in den UV-A-Bereich zu konvertieren. Diese Lampen haben ein mit Nickeloxid dotiertes Glasrohr, um sichtbares Licht mit Wellenlängen größer 400 nm zu absorbieren.
Die Farbtemperatur von Leuchtstofflampen ist von der Umgebungstemperatur abhängig. Leuchtstofflampen sind für eine Raumtemperatur von etwa 20 °C ausgelegt, bei dieser Raumtemperatur erwärmen sie sich auf knapp 35 °C. Wird diese Temperatur wesentlich unterschritten, beginnt das enthaltene Argon stärker zu leuchten, und die Leuchtstofflampe sendet mehr infrarotes Licht aus. Es gibt spezielle Leuchtstofflampen für niedrige Umgebungstemperaturen für Anwendungen im Außenbereich oder in Kühlanlagen. Bei großer Kälte (um −25 °C) hat eine Straßenbeleuchtung mit Leuchtstofflampen einen deutlich reduzierten Lichtstrom, was anhand der reduzierten Helligkeit sichtbar ist.
Die weiße Lichtfarbe der Lampen ist für die Wohnqualität mit von Bedeutung. Die Lichtfarben sind den verschiedenen Arbeitsaufgaben bzw. Arbeitsstätten zugeordnet. Weißes Licht ist gemäß DIN 5035 in drei Farbtemperaturbereiche eingeteilt:
| Abkürzung | Bezeichnung | Farbtemperatur | Anwendung |
|---|---|---|---|
| ww | Warmweiß / warm white | < 3300 K | Konferenz- u. Büroräume, Gasträume, Wohnräume |
| nw | Neutralweiß / cool white | 3300–5300 K | Schulen, Büros, Werkstätten, Ausstellungsräume |
| tw | Tageslicht / day light | > 5300 K | Tageslichtersatz in geschlossenen Räumen und für technische Anwendungen |
-
Spektrum einer Tageslichtlampe -
Spektrum einer Leuchtstofflampe. Die Zahlen geben die Wellenlänge der Spektrallinien des Quecksilbers in nm an. Angeregt durch die UV-Strahlung des Quecksilbers emittieren die Leuchtstoffe mehreren Farben im sichtbaren Bereich. -
Schwarzlichtlampe (UV-A) und darunter eine klare UV-C-Lampe ohne Leuchtstoff
Farbwiedergabe
Die Farbwiedergabe von (Leuchtstoff)-Lampen wird durch den Farbwiedergabeindex beschrieben, welcher sich als dimensionslose Größe im Bereich von 0 bis 100 bewegt. Je höher der Wert, umso besser ist die Farbwiedergabe einer Lampe. Dabei haben Leuchtstofflampen mit Standardleuchtstoffen aus Halophosphaten zwar Vorteile beim Preis, jedoch den Nachteil einer schlechten Farbwiedergabe (zwischen 50 und 75) bei verringerter Lichtausbeute. Dreibanden-Leuchtstofflampen sind im Hinblick auf die Farbwiedergabe und den erzielbaren Lichtstrom deutlich besser.[28] Hier besteht die Leuchtstoffbeschichtung aus einer Mischung von drei Leuchtstoffen, die im roten, grünen, und blauen Bereich des sichtbaren Spektrums relativ scharfbandige Emissionen zeigen und deren Spektren sich entsprechend dem Prinzip der additiven Farbmischung in der Lampe zu weißem Licht addieren. Die beste Farbwiedergabe haben sogenannte Vollspektrumleuchtstofflampen – hier treten die geringsten Farbverfälschungen auf. Das Spektrum ist tageslichtähnlich und fast genauso kontinuierlich. Das wird durch Einsatz von mindestens vier unterschiedlichen Leuchtstoffen erreicht (Fünfbanden-Leuchtstofflampen).
Farbbezeichnung
Die Hersteller nutzen ein international einheitliches, herstellerneutrales Farbbezeichnungssystem. Es verwendet dreistellige Zahlen, bei denen die erste Ziffer den Bereich der Farbwiedergabequalität angibt und die beiden letzten Ziffern die Farbtemperatur in Kelvin bezeichnen.
| 1. Ziffer Farbwiedergabe 1 |
-Bereich | 2. + 3. Ziffer Lichtfarbe 1 |
Farbtemperatur |
|---|---|---|---|
| 9 | 90 – 100 | 27 | 2.700 K |
| 8 | 80 – 89 | 30 | 3.000 K |
| 7 | 70 – 79 | 40 | 4.000 K |
| 6 | 60 – 69 | 50 | 5.000 K |
| 5 | 50 – 59 | 60 | 6.000 K |
| 4 | 40 – 49 | 65 | 6.500 K |
1 Auflistung beispielhaft, nicht abschließend | |||
Folgende Farbbezeichnung sind gebräuchlich, wobei die Namen der Lichtfarben aus dem Katalog von Osram stammen und bei anderen Herstellern variieren können:
| Code | Bezeichnung (Osram) |
Eigenschaften | Anwendung | ||
|---|---|---|---|---|---|
| Farbwiedergabe | Lichtausbeute (lm/W für T8, 36W) |
Weiteres | |||
| 530 | Basic warmweiß / warm white |
schlecht (typisch Ra=58) | mäßig | Warmes Licht. Objekte erscheinen bräunlich und wenig kontrastiert. | Garagen, Küchen. Selten geworden – zu Gunsten der Farben 827 und 830. |
| 640 | Basic neutralweiß / cool white |
mäßig | mäßig (79)[29] | Kühleres Arbeitslicht | Sehr häufig eingesetzt. Büros, Arbeitsräume, Bahnhöfe, Außenbeleuchtung. Sollte durch 840-Lampen ersetzt werden. |
| 740 | mäßig | mäßig | |||
| 765 | Basic Tageslicht / daylight |
mäßig | schlecht (69)[29] | Bläulicher Tageslichtersatz | Vor allem in Büros oder hinter Werbeplakaten. Sollte durch 865-Lampen ersetzt werden. |
| 827 | Lumilux interna | gut | sehr gut (93)[29][30] | Glühlampenähnliches Licht | Wohnräume, Schlafzimmer, Kinderzimmer. |
| 830 | Lumilux warmweiß / warm white |
gut | sehr gut (93)[29][30] | Halogenlampenähnliches Licht | Annähernd wie 827, etwas mehr Blauanteile. In Norddeutschland als Straßenbeleuchtung. |
| 835 | Lumilux weiß / white |
gut | sehr gut (93)[29] | Weißes Licht | Etwas kühler als 830 – etwa für Küchen- oder Außenbeleuchtung. In Westdeutschland eher selten. |
| 840 | Lumilux neutralweiß / cool white |
sehr gut | sehr gut (93)[29][30] | Weißes Arbeitslicht | Büros und öffentliche Gebäude, Außenbeleuchtung. Wird in Nordeuropa von vielen Menschen als zu kühl für Wohnräume empfunden. |
| 865 | Lumilux Tageslicht / daylight |
sehr gut | gut (90)[29][30] | Tageslichtersatz | Angeblich leistungssteigerndes Arbeitslicht. Büros und Außenbeleuchtung. |
| 880 | Lumilux skywhite | gut | mäßig (81–84)[29][31] | Blaues Licht, das einem wolkenlosen Himmel entspricht. | Melanopisch wirksame Beleuchtung: Beeinflussung circadianer Rhythmen, Aktivierung |
| 930 | Lumilux Deluxe warmweiß / warm white |
hervorragend | mäßig (75–78)[29][32] | Warmes Licht | Wohnräume, in denen farblich akzentuiert werden soll. |
| 940 | Lumilux Deluxe neutralweiß / cool white |
hervorragend | mäßig (78–81)[29][32] | Kühles Arbeitslicht | Arbeitsplätze, an denen Farbakzente wichtig sind. Museen, Galerien. |
| 950 | Color Proof Tageslicht / daylight |
hervorragend auch: Vollspektrumfarbwiedergabe (97–98)[29][32] |
mäßig (78)[32] Vollspektrumfarbwiedergabe: schlecht (64–65)[29][33] |
Tageslichtersatz | Museen, Galerien, Aquarienbeleuchtung. Vollspektrumfarbwiedergabe: Druckindustrie, Fotolabore, graphische Industrie.[34][33] |
| 954 | Lumilux Deluxe Tageslicht / daylight |
hervorragend | mäßig (79)[29] | Tageslichtersatz | Museen, Galerien, Aquarienbeleuchtung. |
| 965 | Lumilux Deluxe Tageslicht / cool daylight |
hervorragend auch: Vollspektrumfarbwiedergabe (98)[29] |
mäßig (78–79)[29][32] Vollspektrumfarbwiedergabe: schlecht (58)[33] |
Tageslichtersatz | Museen, Galerien, Aquarienbeleuchtung. Etwas kühler als 954. Vollspektrumfarbwiedergabe: Druckindustrie, Fotolabore, graphische Industrie.[33] |
Eine Leuchtstofflampe mit einer Farbwiedergabe über 90 (Klasse 1A nach DIN 5035-1) büßt im niedrigeren Farbtemperaturbereich noch deutlich mehr Lichtausbeute ein als im höheren. Eine Lampe der Farbe 840 (mit Dreibanden-Leuchtstoff) und 36 Watt Leistung erreicht einen Lichtstrom von ca. 3350 Lumen (Osram Lumilux T8). Die entsprechende Lampe der Farbe 940 (Lumilux De Luxe) erreicht 2900 Lumen, die Lampe der Farbe 954 etwa 2850 Lumen, und diejenige der Farbe 930 nur noch rund 2700 Lumen.
Leuchtstofflampen mit einer Farbwiedergabe unter 80 sollten rein technisch als veraltet angesehen werden. Jedoch kommen Lampen mit den Farbkennungen 640 und 740 nach wie vor in der Beleuchtung öffentlicher Plätze zum Einsatz, da sie zu einem günstigeren Preis erhältlich sind als Dreibanden-Lampen mit der Kennung 840. Aufgrund der Nachfrage gibt es somit für die Beleuchtungsindustrie vorerst keinen Grund, die Produktion einzustellen. Lediglich die Lichtfarbe 530 wird auf dem Markt immer seltener.
Die Farbe „neutralweiß“ wird am häufigsten ausgewählt. In einem Raum sollte stets die gleiche Lichtfarbe eingesetzt werden. Für den Wohnbereich kann z. B. die Farbnummer 827 oder 930 gewählt werden. Im Büro ist 840 üblich, wobei 854, 865 oder gar 880 laut einiger Studien zu gesteigerter Leistungsfähigkeit führen sollen, da das Licht mehr Blauanteile enthält und entsprechend tageslichtähnlicher ist.
In vielen Anwendungsfällen bilden die neutralweißen Lampen einen guten Kompromiss, die kaltweißen oder tageslichtähnlichen haben Vorteile bei gleichzeitigem Tageslichteinfall, wogegen die warmweißen sich mit Glühlampenlicht besser vertragen. Letztendlich ist die Festlegung der Farbtemperatur eine Nutzerentscheidung.
Energieeffizienz
Leuchtstofflampen erreichen eine Lichtausbeute von etwa 45 bis 100 Lumen pro Watt (zum Vergleich: normale Glühlampe: ca. 10–15 lm/W) und haben somit eine vergleichsweise hohe Energieeffizienz; diese wird von Schwefellampen (95 lm/W) und Natriumdampflampen (150 lm/W) – bei schlechterem Farbwiedergabeindex – und Metallhalogendampf-Hochdruckentladungslampen (etwa 95 lm/W) übertroffen. Auch moderne LEDs erreichen eine höhere Effizienz als Leuchtstoffröhren (210 lm/W).[35][36]
Leuchtstofflampen sparen somit gegenüber Glühlampen etwa 70 bis 85 % Energie ein. In Messeinrichtungen werden neue Leuchtstofflampen erst 100 bis 200 Stunden gealtert, die Messung erfolgt erst etwa 10 bis 20 Minuten (je nach Typ) nach dem Einschalten.
Alle Leuchtstofflampen erreichen ihren höheren Betriebsdruck erst nach Erwärmung und erreichen daher ihre volle Leuchtkraft erst nach einigen Sekunden bis Minuten. Deutlicher ist dieser Effekt bei Kompaktleuchtstofflampen zu beobachten, da diese mit höheren Betriebsdrücken bzw. Temperaturen arbeiten. Insbesondere bei sehr niedriger Umgebungstemperatur und ohne ein umgebendes Leuchtengehäuse bleibt die Leuchtstärke von Leuchtstofflampen zum Teil deutlich geringer als bei Raumtemperatur. Aus diesem Grund werden für Beleuchtungen im Außenbereich oder in Kühlräumen spezielle kältefeste Leuchtstofflampen verwendet, die auch bei geringen Umgebungstemperaturen noch funktionieren. Die maximale und die typische Ausbeute dieser speziellen Lampen liegt deutlich unter der normaler, hocheffizienter Leuchtstofflampen. Für diese Anwendungen sind heute LED-Lampen prädestiniert, die hier keinen Effizienzverlust aufweisen. Ähnliche Effizienz-Nachteile gibt es bei Vollspektrumleuchtstofflampen; deren besondere Leuchtstoffzusammensetzung ermöglicht – zu Lasten der Effizienz – einen hohen Farbwiedergabeindex von über 90.
Der etwa vier- bis sechsfach höheren Lichtausbeute von Leuchtstofflampen im Vergleich zu Glühlampen stehen ein größeres Volumen, höherer Anschaffungspreis und das verzögerte Erreichen der vollen Helligkeit gegenüber.
Lebensdauer
Leuchtstofflampen zeichnen sich durch eine sehr lange Lebensdauer aus, die durch die Adsorption des Quecksilbers an den Lampenkomponenten, durch Zersetzung des Leuchtstoffes und durch die Lebensdauer der Glühkathoden begrenzt ist.
Herkömmliche Leuchtstofflampen (T8, Halophosphat) haben eine echte Nutzlebensdauer von 6000 bis 8000 Stunden an einem konventionellen Vorschaltgerät. Eine moderne Leuchtstofflampe (T5 und T8, Tri-Phosphor) erreicht eine Nutzleuchtdauer von 15.000 Stunden am VVG und bis 25.000 Stunden am EVG, Spezialversionen sogar bis zu 80.000 Stunden.[37] Eine Kompaktleuchtstofflampe erreicht eine Nutzleuchtdauer von meist zwischen 5000 und 15.000 Stunden. Nach dieser Zeit senden die Lampen weniger als 80 % des ursprünglichen Lichtstromes aus. Neuere Leuchtstoffe erlauben einen Betrieb bis zum Versagen der Kathoden, da sie auch dann noch 80…90 % des ursprünglichen Lichtstromes liefern. Zur Erreichung der Nennlebensdauer wird empfohlen, Leuchtstofflampen, die an dimmbaren EVG betrieben werden, vor dem Dimmen 100 Stunden lang bei voller Leistung einzubrennen, um die Kathodenbeschichtung zu stabilisieren.[38]
Um eine hohe Lebensdauer zu erreichen, sollten Leuchtstofflampen möglichst wenig geschaltet werden, beim Start müssen die Kathoden vorheizen (Warmstart), da ein Kaltstart (Zünden der Lampenentladung bei kalten Kathoden) die Lebensdauer stark verringert. Mit EVG gelingt das sicherer als mit KVG und Glimmstartern. Die Nennlebensdauer wird mit einem Schaltzyklus von 3 Stunden (165 min ein, 15 min aus) ermittelt. Eine Ausnahme bilden neuere Typen von Energiesparlampen, die durch eine Steuerung der Vorheizphase statt für wenige 10.000 für mehrere 100.000 Schaltvorgänge ausgelegt sind.[39][40]
Kompaktleuchtstofflampen mit integriertem Vorschaltgerät (sog. Energiesparlampen) versagen häufig durch Ausfälle des elektronischen Vorschaltgerätes; dieses ist oft empfindlich gegenüber erhöhten Umgebungstemperaturen, was besonders in geschlossenen Leuchten zu Frühausfällen führt.
Flimmern und Stroboskopeffekt
Bedingt durch die Netzfrequenz (50 bzw. 60 Hz) erlischt das Lampenlicht bei konventionellen Vorschaltgeräten im Bereich eines jeden Nulldurchganges. Es entstehen Hell-Dunkel-Phasen im 100- bzw. 120-Hz-Rhythmus (Flimmern), die Stroboskopeffekte hervorrufen können, die sich bei schnellen Bewegungen bemerkbar machen oder bei rotierenden Arbeitsmaschinen eine langsame oder stehende Maschine vortäuschen können. Das Flimmern führt außerdem zu schnellerer Ermüdung. Eine Verbesserung bringt die Duoschaltung oder bei großen Anlagen die Versorgung mit Dreiphasenwechselstrom (Drehstrom), wodurch mehrere Lampen ihr Licht phasenverschoben abgeben.
Elektronische Vorschaltgeräte (auch die Aufsteck-EVGs, die zum Umrüsten von T8-Leuchten mit konventionellem Vorschaltgerät auf T5-Lampen kleinerer Leistung angeboten werden) können nahezu flimmerfreies Licht liefern, da sie die Lampe mit Wechselstrom einer höheren Frequenz (typischerweise 45.000 Hz) betreiben. Die dadurch entstehende hochfrequente Helligkeitsschwankung (90.000 Hz) ist vom menschlichen Auge nicht wahrnehmbar, zumal sie durch das Nachleuchten des Leuchtstoffes noch gedämpft wird. Je nach Qualität und Auslegung des EVG kann aber die Netzfrequenz die Amplitude des hochfrequenten Stroms mehr oder weniger modulieren, so dass ein Rest des 100- bzw. 120-Hz-Flimmerns verbleibt. Das betrifft vor allem Kompaktleuchtstofflampen mit integriertem, meist kostengünstig ausgelegtem EVG mit einem zu klein dimensionierten Glättungskondensator. Dieser kann außerdem aufgrund der hohen Umgebungstemperatur im Lampensockel, vor allem bei hängender Montage, relativ schnell austrocknen.
Aspekte des Umweltschutzes
Umweltschutz und Recycling
Das Quecksilber in Leuchtstofflampen ist giftig für Mensch und Umwelt, die Beschichtung (Leuchtstoff und Kathodenbeschichtung) der Lampe ebenfalls. Bei einem Bruch oder Riss wird sofort Quecksilber und schadstoffhaltiger Staub frei, andere Stoffe werden bei der Zersetzung oder Verbrennung frei und bilden teilweise noch giftigere Abbauprodukte, Aerosole oder Gase. Zudem sind die verwendeten Werkstoffe Europium, Zinn und Kupfer relativ teuer und können teilweise zurückgewonnen werden. Aus diesen Gründen dürfen ausgediente Leuchtstofflampen seit dem 24. März 2006 nicht über den Hausmüll oder Restmüll entsorgt werden.
Innerhalb der EU ist das Recycling von Leuchtstofflampen und anderen Leuchtmitteln durch die WEEE-Richtlinie geregelt, welche in Deutschland durch das Elektro- und Elektronikgerätegesetz umgesetzt wurde. Leuchtstofflampen aus Privathaushalten müssen bei einer Sammelstelle (Altstoffsammelzentrum, Wertstoffhof) oder den zur Zurücknahme gesetzlich verpflichteten Händlern abgegeben werden. Die Regelung für Leuchtstofflampen aus dem gewerblichen Bereich ist in den einzelnen EU-Mitgliedstaaten unterschiedlich. In Deutschland haben die Lichthersteller die Lightcycle Retourlogistik und Service GmbH, eine Non-Profit-Organisation, gegründet, welche die bundesweite Rücknahmelogistik für ausgediente Leuchtmittel (Gasentladungs- und LED-Lampen) betreibt und die eingesammelten Altlampen dem fachgerechten Altlampen-Recycling zuführt. Haushaltsübliche Mengen von Kleinbetrieben können aber auch über die öffentlichen Sammelstellen entsorgt werden, welche ebenfalls von Lightcycle betreut werden.
Der erforderliche Quecksilbergehalt pro Lampe wurde im Laufe der Entwicklungsgeschichte laufend reduziert. Da ein Großteil des Quecksilbers durch Adsorption am Glas, an den Elektroden und am Leuchtstoff während der Lebensdauer verloren geht, mussten insbesondere ältere Lampen einen größeren Quecksilbervorrat (mehrere 10 Milligramm) enthalten. Die Reduzierung der Menge ist durch Schutzschichten von Glas und Leuchtstoff möglich geworden[41]. Der Bleigehalt von Lötverbindungen, insbesondere in Lampen mit integriertem Vorschaltgerät, war ein Recycling-Problem und ist durch die RoHS-Richtlinien auf nahe null abgesenkt worden. Weitere in Leuchtstofflampen enthaltene Schadstoffe sind geringe Mengen Barium, Strontium und Antimon sowie Halogenierte Flammschutzmittel (Kunststoffteile von Energiesparlampen).
Quecksilberexpositionen beim Recycling
Die Hauptaufnahme von Quecksilber erfolgt als Dampf über den Atemtrakt. Eine Aufnahme von flüssigem und gasförmigem elementaren Quecksilber durch die gesunde Haut ist meist zu vernachlässigen. Elementares Quecksilber wird im Verdauungstrakt nur sehr schlecht aufgenommen.
Bei Tätigkeiten mit intakten Leuchtstofflampen besteht keine Exposition gegenüber Quecksilber. Expositionen treten auf, wenn Lampen bei Abgabe oder Lieferung zerbrechen. Auch leere Sammelbehälter können zu Quecksilberemissionen führen, wenn sie Reste von Glasbruch und Leuchtmittelbeschichtungen enthalten.
Bei Messungen zu Quecksilberexpositionen – in Anlehnung an die TRGS 402 – in Arbeitsbereichen innerhalb und außerhalb der Recyclinganlagen lagen die Messwerte unterhalb des Arbeitsplatzgrenzwerts (AGW). Dabei wurden stationäre personenbezogene sowie personengetragene Messungen durchgeführt. Etwas anders waren die Ergebnisse bei Reinigungs- und Wartungsarbeiten: Hier lagen bei stationären und personengetragenen Messungen direkt in der Recyclinganlage sieben von neun Messwerten oberhalb des AGW von 0,02 mg/m³.[42]
An Recycling-Arbeitsplätzen sind allgemeine Schutzmaßnahmen nach der Gefahrstoffverordnung (GefStoffV) einzuhalten. Grundsätzlich sind die in der TRGS 500 beschriebenen allgemeinen arbeitshygienischen Grundsätze zu beachten. Die Empfehlungen Gefährdungsermittlung der Unfallversicherungsträger (EGU) nach der GefStoffV geben Betrieben praxisgerechte Hinweise, wie sichergestellt werden kann, dass die Grenzwerte für Quecksilber wie AGW und Kurzzeitwert nach TRGS 900 sowie der Biologische Grenzwert (BGW) nach TRGS 903 eingehalten werden oder anderweitig der Stand der Technik erreicht ist.[43]
Elektrosmog und elektromagnetische Verträglichkeit
Grundsätzlich müssen Leuchtstofflampen und die für diese konstruierten Leuchten, wie alle anderen im Handel erhältlichen elektrischen Geräte, Grenzwerte der elektromagnetischen Verträglichkeit erfüllen. Das wird durch die auf den Geräten angebrachte CE-Kennzeichnung dokumentiert. Damit sind Störaussendungen auf ein Maß begrenzt, bei dem eine Beeinträchtigung anderer Geräte hinnehmbar (weil gering oder kurzzeitig) ist. Ebenso durch CE gewährleistet, muss die Robustheit der Leuchten gegenüber Störungen aus der Netzversorgung gegeben sein. Hier handelt es sich um Tests mit typischen Störimpulsen (sog. burst, typisch für Folgen von Schaltvorgängen im Netz, und surge, typ. für Blitzeinschlagsfolgen), die die Geräte überstehen müssen. KVG sind hier naturgemäß kaum anfällig.
Die nachfolgend aufgelisteten Störungen durch die Leuchte sind möglich:
- Leuchtstofflampen mit elektronischem Vorschaltgerät erzeugen durch den darin befindlichen Inverter breitbandige Hochfrequenz, die teilweise von der Lampe und deren Zuleitungen abgestrahlt wird. Maßgeblich ist dabei die Arbeitsfrequenz von meist knapp unterhalb 50 kHz sowie deren Harmonische (Oberschwingungen).
- Auch Leuchtstofflampen mit konventionellem Vorschaltgerät geben ein breitbandiges Störspektrum vorrangig im Frequenzbereich des AM-Rundfunks ab. Gestört wird unter anderem der Rundfunkempfang auf Lang-, Mittel- und Kurzwelle.
- Störend kann sich der Startvorgang konventioneller Leuchtstofflampen auch auf Audioanlagen auswirken – der generierte breitbandige Störimpuls breitet sich auf den Netzleitungen aus und gelangt meist kapazitiv auf verschiedenen Wegen in Signalzuleitungen und Verstärker. Die wirksamste Maßnahme dagegen und auch gegen die breitbandigen Störungen im Betrieb ist die sog. Nahentstörung in der Leuchte (Kondensator im Glimmstarter) oder ein Netzfilter vor der Leuchte oder den gestörten Verbrauchern.
- Gelegentlich stört durch EVGs erzeugtes Licht die IR-Empfänger der Fernbedienung von Geräten der Unterhaltungselektronik, da deren Arbeitsfrequenzen ähnlich sind.
Elektrosmog ist ein umgangssprachlicher Begriff, der nichtionisierende Strahlung (Funkwellen) und elektrische sowie magnetische Felder und deren unterstellte gesundheitliche Beeinträchtigungen umfasst. Insbesondere konventionelle Vorschaltgeräte erzeugen ein magnetisches Streufeld mit einer Frequenz von 50 Hz. Die Auswirkungen von Elektrosmog auf die Gesundheit sind stark umstritten.
Verkaufsverbot in der EU
Wie Glühlampen sind auch Leuchtstofflampen von dem Verkaufsverbot in der EU betroffen. Das Verbot ist in der Verordnung (EG) Nr. 245/2009[44] geregelt, die der Umsetzung der Ökodesign-Richtlinie 2005/32/EG dient, und tritt in drei Stufen in Kraft:
Ab der ersten Stufe seit April 2010 gelten Mindestwerte für die Lichtausbeute und Farbwiedergabe von T8- und T5-Lampen, weniger effiziente Lampen dieser Typen dürfen nicht mehr in Verkehr gebracht werden. Gleichzeitig müssen Hersteller detaillierte technische Angaben zu allen Lampen veröffentlichen. Ab der zweiten Stufe seit April 2012 gelten die Werte auch für alle anderen Zweisockellampen (z. B. T10 und T12), was ein faktisches Verbot der T12-Lampen bedeutet. Gleichzeitig traten Anforderungen an die Lebensdauer und den Rückgang des Lichtstroms während des Betriebs in Kraft. Die dritte Stufe fordert seit April 2017, dass alle Leuchtstofflampen mit Vorschaltgeräten der Energieeffizienzklasse A2 kompatibel sein müssen. Seit dem 25. August 2023 dürfen auch die T8- und T5-Leuchtstoffröhren nicht mehr in Verkehr gebracht werden.[45]
Ähnliche Leuchtmittel
Wegen ihrer ähnlichen Bauform werden Linienlampen häufig für Leuchtstofflampen gehalten. Die Lichterzeugung bei Linienlampen erfolgt aber nicht durch Gasentladung, sondern durch einen Glühfaden, es handelt sich somit um Glühlampen.
Literatur
- A. Senner: Fachkunde Elektrotechnik. 4. Auflage. Verlag-Europa Lehrmittel, Wuppertal 1965.
- Hans R. Ris: Beleuchtungstechnik für den Praktiker. 5. Auflage. VDE-Verlags GmbH, Berlin/Offenbach 2015, ISBN 978-3-8007-3617-1.
- Günter Springer: Fachkunde Elektrotechnik. 18. Auflage. Verlag-Europa Lehrmittel, Wuppertal 1989, ISBN 3-8085-3018-9.
- Ernst Hörnemann, Heinrich Hübscher: Elektrotechnik Fachbildung Industrieelektronik. Westermann Schulbuchverlag GmbH, Braunschweig 1998, ISBN 3-14-221730-4.
- Osram: EVG für T5-Lampen, Technische Fibel. München 2005, Online-Version (PDF, archiviert), abgerufen am 25. November 2012
- Umrüstung auf LED: Umrüstung einer Leuchtstoffröhre T8 G13 – mit Starter nach E DIN 62776:2012-02.
Weblinks
- Wissenswertes zum Einsatz von Leuchtstofflampen in Büros etc.
- Welche Farbcodes bedeuten was? – Erklärung der Farbcodes
- Lichtfarben von Leuchtstofflampen
- Leuchtstofflampen als Hintergrundleuchte in Fernsehstudios
Einzelnachweise
- ↑ Geschichte, auf infrasite-griesheim.com (Memento vom 16. July 2018 im Internet Archive)
- ↑ Tiffany Ap, Tiffany Ap: Hypebeast Partygoers Sustain Burns, Eye Damage From Sorayama Pop-Up. In: WWD. 26. Oktober 2017, abgerufen am 7. Oktober 2022 (amerikanisches Englisch).
- ↑ Ratgeber Licht (PDF; 163 kB) der Stadt Hamburg, S. 3.
- ↑ a b c d e ГОСТ IEC 60400:2011. In: Скачать ГОСТ. 2013, abgerufen am 11. November 2019 (russisch, Russisch harmonisierte IEC-Norm zu Lampenfassungen).
- ↑ DIN EN 60081 (2006-05). Beuth Verlag, 2006.
- ↑ DIN EN 60901 (2008-09). Beuth Verlag, 2008.
- ↑ W. Meyer: Technisch-wissenschaftliche Abhandlungen der Osram-Gesellschaft, Band 7, Springer-Verlag 2013, 408 Seiten, Seiten 73ff
- ↑ Zentralverband Elektrotechnik- und Elektronikindustrie e. V.: Radiologische Beurteilung von Startern für Leuchtstofflampen mit Kr-85-haltigem Füllgas, auf energieverbraucher.de
- ↑ Palmstep: palmstep.com abgerufen am 31. Januar 2012.
- ↑ st.com abgerufen am 31. Januar 2015.
- ↑ THE FLUORACTOR Y1112 FLUORESCENT LAMP STARTER SWITCH, auf bourns.com, abgerufen am 31. Januar 2015.
- ↑ THE FLUORACTOR Y1112L FLUORESCENT LAMP STARTER SWITCH ( vom 4. Februar 2015 im Internet Archive) abgerufen am 31. Januar 2015.
- ↑ Patent EP0552687: Elektronischer Starter für Fluoreszenzlampen. Angemeldet am 16. Januar 1993, veröffentlicht am 28. Juli 1993, Anmelder: Knobel Lichttech, Erfinder: Peter Horn.
- ↑ Osram: Dimmbare EVG für Leuchtstoff- und Kompakt-Leuchtstofflampen (KLL) – QUICKTRONIC INTELLIGENT DALI DIM. ( vom 2. Februar 2012 im Internet Archive) abgerufen am 31. Januar 2012.
- ↑ Helvar: Archivierte Kopie ( vom 18. Dezember 2007 im Internet Archive), abgerufen am 31. Januar 2012.
- ↑ Vorsicht bei T5-Adaptern für T8-Leuchten. ( vom 28. Januar 2012 im Internet Archive) ZVEI, September 2006.
- ↑ Gewährleisten T5-Adapter für T8-Leuchten sicheres und normgerechtes Licht? (PDF; 191 kB) ZVEI, März 2006, archiviert vom (nicht mehr online verfügbar) am 12. Januar 2012; abgerufen am 11. Februar 2010.
- ↑ OSRAM-Stellungnahme zu T5-Umrüstadaptern. (PDF) Osram, November 2008, S. 15, ehemals im (nicht mehr online verfügbar); abgerufen am 11. Februar 2010. (Seite nicht mehr abrufbar. Suche in Webarchiven)
- ↑ BFE (PDF), abgefragt am 2. Februar 2012.
- ↑ https://www.chiliconvalley.de/led-wissen/vergleich-t8-neonroehre-und-led-roehre
- ↑ https://prediger.de/lichtjournal/kuehler-ist-cooler-darum-kann-kaelte-den-led-leuchten-nichts-anhaben
- ↑ https://prozesstechnik.industrie.de/chemie/sicherheit-chemie/wie-led-leuchten-extrembediungungen-standhalten/
- ↑ Typ OSRAM ST8PRO-EM 18.8 W/840 1500 mm
- ↑ https://www.lighting.philips.at/products/highlighted-products/led-tube
- ↑ https://www.wirsindheller.de/lichtstromrueckgang-degradation.4227.html
- ↑ https://praxistipps.focus.de/lebensdauer-einer-leuchtstoffroehre-infos-zur-haltbarkeit_97825
- ↑ https://www.hereinspaziert.de/Lampen/Leuchtstoff.htm
- ↑ Lichtfarben von Leuchtstofflampen. hereinspaziert.de, abgerufen am 26. Juni 2011.
- ↑ a b c d e f g h i j k l m n o Light can be white, white, white or white. (PDF) Lichtfarben- und Lumenübersicht. Osram, August 2008, abgerufen am 27. Februar 2014.
- ↑ a b c d Produktübersicht – Lampen, Vorschaltgeräte, Leuchten – Deutschland, Österreich, Schweiz – Frühjahr 2012. (PDF) Philips, Dezember 2011, S. 25, abgerufen am 27. Februar 2014.
- ↑ LUMILUX T8 – L 36 W/880. Osram, abgerufen am 27. Februar 2014.
- ↑ a b c d e Produktübersicht – Lampen, Vorschaltgeräte, Leuchten – Deutschland, Österreich, Schweiz – Frühjahr 2012. (PDF) Philips, Dezember 2011, S. 30, abgerufen am 27. Februar 2014.
- ↑ a b c d Produktübersicht – Lampen, Vorschaltgeräte, Leuchten – Deutschland, Österreich, Schweiz – Frühjahr 2012. (PDF) Philips, Dezember 2011, S. 31, abgerufen am 27. Februar 2014.
- ↑ OSRAM COLOR proof: The first fluorescent lamp for absolutely correct color balance. (PDF) Osram, September 2009, abgerufen am 27. Februar 2014.
- ↑ Philips MAS LEDtube 1200mm UE 11.9W 840 T8 EELA
- ↑ Blulaxa 49657 LED Glas Röhre 11,9W 2500lm neutralweiß 120cm
- ↑ assets.lighting.philips.com Datenblatt zu F32T8/ADV835/2XL/ALTO II 28W 30PK (Leuchtstofflampe Extra Long Life T8) des Herstellers Philips Lighting Holding B.V., abgerufen am 11. Juli 2018.
- ↑ Technischer Anwendungsleitfaden Zweiseitig gesockelte Leuchtstofflampen: T8, T5 HE und T5 HO, T5 kurz und Einseitig gesockelte Leuchtstofflampen: T5 FC Teil 1: Produkte und Technologie (PDF, archiviert), Seite 110, abgerufen am 11. Juli 2018.
- ↑ Megaman: Produktseite der ingenium-Technologie. ( vom 10. September 2012 im Webarchiv archive.today) abgerufen am 13. Jan. 2009.
- ↑ Osram: Produktseite der Osram Dulux EL Facility. ( vom 7. März 2009 im Internet Archive) abgerufen am 13. Jan. 2009.
- ↑ T. Jüstel: Low Pressure Discharge Lamps (PDF) (Seminarunterlagen der FH Münster), S. 31ff, abgerufen am 11. Juni 2018.
- ↑ Deutsche Gesetzliche Unfallversicherung e. V. (DGUV): Expositionsbeschreibung Quecksilberexpositionen beim Recycling von Leuchtmitteln. (PDF) Abgerufen am 31. Mai 2021.
- ↑ Deutsche Gesetzliche Unfallversicherung e. V. (DGUV): DGUV Information 213-732 – Empfehlungen Gefährdungsermittlung der Unfallversicherungsträger (EGU) nach der Gefahrstoffverordnung – Quecksilberexpositionen bei der Sammlung von Leuchtmitteln. Abgerufen am 31. Mai 2021.
- ↑ Verordnung (EG) Nr. 245/2009 (…) umweltgerechte Gestaltung von Leuchtstofflampen ohne eingebautes Vorschaltgerät, Hochdruckentladungslampen sowie Vorschaltgeräte und Leuchten zu ihrem Betrieb (…), abgerufen am 16. Juli 2009
- ↑ Maria Marquart: Leuchtsoffröhren: EU-Verkaufsverbot für Lampen vom Typ T5 und T8. In: Der Spiegel. 24. August 2023, abgerufen am 25. August 2023.