Large Helical Device
.jpg)
Das Large Helical Device (abgekürzt LHD, japanisch 大型ヘリカル装置 ōgata herikaru sōchi) ist ein Experiment zur Kernfusion, das seit 1998 in Toki in Japan betrieben wird. Als Experiment zur Grundlagenforschung und zur Technologieentwicklung gewinnt LHD keine Energie. LHD ist zurzeit neben Wendelstein 7-X[1] eines der beiden größten betriebenen Fusionsexperimente nach dem Stellarator-Prinzip.[2] LHD ist wie Wendelstein 7-X mit supraleitenden Spulen ausgestattet.[3] Damit ist es prinzipiell möglich, zeitlich stationäre Feldlinienkäfige bei hohen Magnetfeldstärken zu erzeugen. In der Praxis sind die Experimente auf etwa halbstündigen Betrieb begrenzt. Diese Zeitspanne genügt, um auch manche technologischen Fragen für einen Energie liefernden Reaktor wie ITER oder DEMO zu klären.
Hintergrund
Ziel der Fusionsforschung ist es, aus der Verschmelzung von leichten Atomkernen Energie zu gewinnen, ähnlich wie es in der Sonne geschieht. Damit die Fusions-Kernreaktion erfolgen kann, müssen sich zwei Atomkerne extrem nahe kommen; erst dann kann die anziehende Kernkraft wirken. Da beide Kerne positiv geladen sind, stoßen sie bei größerem Abstand einander ab. Die nötige Annäherung in einem genügenden Anteil der zufälligen Stöße kann aber erreicht werden, wenn die Bewegungsenergie der Kerne und damit die Temperatur hoch genug ist (Größenordnung 1 Million Grad). Die Materie bildet dann ein ionisiertes Gas, ein Plasma.
Die energieliefernde Fusionsreaktion, die bei den relativ niedrigen Temperaturen möglich ist, ist die sogenannte D-T-Reaktion. Ein schwerer Wasserstoffkern – Deuteron (D) – stößt dazu mit einem super-schweren Wasserstoffkern, einem Triton (T) zusammen. Dabei verschmelzen die Kerne zu einem Heliumkern (Alpha-Teilchen), und ein Neutron wird frei. Die Entwicklungsarbeit in der Fusionstechnologie gilt heute grundsätzlich dieser Reaktion. Die Experimente dienen hauptsächlich dazu, den Plasmaeinschluss mit genügender Einschlussdauer zu entwickeln, so dass ein Netto-Energiegewinn möglich wird.
Ziele und Fragen
Ziel des LHD-Projektes ist es, zu klären, ob ein Fusionsreaktor nach dem Heliotron-Prinzip realisiert werden kann. Daraus ergeben sich Fragen technologischer und physikalischer Art:
- Technologisch geht es um Bau- und dauerhafte Betriebsmöglichkeiten von Schlüsselkomponenten eines Fusionskraftwerks. LHD bietet die Möglichkeit, solche Komponenten realistisch zu testen. Spezifisch können Materialfragen und die Fähigkeit zum Dauerbetrieb von Hochleistungskomponenten, wie der Plasmaheizung, untersucht werden.
- Physikalisch geht es darum, ob die Isolationseigenschaften eines Heliotrons für einen Energie liefernden Reaktor ausreichen. Ähnlich wichtig ist, ob das LHD-Plasma bei den Plasmadrücken eines solchen Reaktors stabil ist und wie gut der Einschluss der Fusionsprodukte funktioniert.
Mit diesem Projektziel fügt sich LHD in die weltweiten Untersuchungen zur Energiegewinnung aus Fusion ein. Neben Fragen, die sich auf die besondere Bauart des Heliotrons beziehen, liefert das technologische und physikalische Programm Ergebnisse, die auch auf andere Bauprinzipien übertragbar sind.
Technik

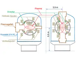
Wie alle Anlagen zur magnetischen Fusionsforschung besteht LHD aus einer torusförmigen Vakuumkammer, in der ein Plasma erzeugt wird. Vorher wird die Kammer auf etwa ein Zehnmilliardstel des Normaldruckes evakuiert. Diese Kammer hat einen äußeren Durchmesser von 7,8 m. Die vertikale Querschnittsfläche hat einen Durchmesser von 1,2 m. Das Plasmavolumen ist damit vergleichbar mit einer mittelgroßen Maschine nach dem Tokamak-Prinzip, so wie etwa ASDEX Upgrade.
Als Besonderheit des Bauprinzips von LHD würde sich bei einer gedachten vollen Drehung des Torus der elliptische vertikale Querschnitt zehnmal drehen – er bildet ein Heliotron. Dadurch entsteht eine helikale (schraubenförmige) Magnetfeld-Geometrie. Das Magnetfeld erreicht Feldstärken von 3 T, die durch zwei helikale Spulen erzeugt werden, die das Vakuumgefäß umfassen.
Magnetfeldspulen
Die supraleitenden Spulen werden bei einer Temperatur von wenigen Grad oberhalb des absoluten Nullpunkts betrieben. Insgesamt werden bei LHD Komponenten mit einer Masse von 820 t auf 3,9–4,4 K gekühlt. Die Kühlleistung des Helium-Verflüssigers beträgt etwa 5,7 kW bei 4,4 K.[4] Das zentrale Spulensystem – die beschriebene schraubenförmige, helikale Spule – besteht aus 450 Windungen. Insgesamt ergibt dies eine Länge von über 11 km Supraleiter. Der Spulenstrom beträgt etwa 11.000 A. Daneben verfügt LHD über sogenannte Poloidalfeldspulen. Sechs dieser ringförmigen Spulen mit Durchmessern von jeweils 7–22 m liegen parallel zur ringförmigen Achse des Torus. Sie dienen der Stabilisierung des Plasmarings. Mit diesen Spulen und einer gesteuerten Strombeschickung der helikalen Spule lässt sich die Lage des Plasmas in weiten Bereichen variieren.
Heizung
Da LHD der Grundlagenforschung dient, ist kein Betrieb mit dem Fusionsbrennstoff Tritium vorgesehen. Da das Plasma somit selbst keine Energie erzeugt, muss zu seiner Aufrechterhaltung eine äußere Heizung verwendet werden. LHD verfügt über leistungsstarke Mikrowellensender, deren Betriebsfrequenz so gewählt ist, dass jeweils die Bewegung der Ionen oder Elektronen im Magnetfeld angefacht wird: Ionen- (ICRH) bzw. Elektronzyklotronresonanzheizung (ECRH). Daneben verfügt LHD über schnelle Neutralteilchenstrahlen (NBI), die in das Plasma eingeschossen werden, dort ionisieren und dann ihre gerichtete hohe Bewegungsenergie durch Stöße an die Plasmateilchen abgeben.
| Heizung | Leistung | |
|---|---|---|
| Tangentiale NBI | 3 × 5 = 15 MW | bei 180 keV |
| Radiale NBI | 1 × 6 = 6 MW | bei 40 keV |
| ICRH | 6 × 0,5 = 3 MW | (cw) bei 38,47 MHz |
| 6 × 1,2 = 7,2 MW | (5 s) bei 38,47 MHz | |
| ECRH | 2 × 0,5 = 1 MW | (2 s) bei 82,7 GHz |
| 2 × 1 = 2 MW | (5 s) bei 77 GHz | |
| 1 × 0,8 = 0,8 MW | (3 s) bei 84 GHz | |
| 2 × 0,5 = 1 MW | (0,5 s) bei 168 GHz | |
Brennstoff-Zu- und Abfuhr
Neben der Zu- und Abfuhr von Energie, muss für ein Fusionsplasma auch die kontrollierte Zu- und Abfuhr von Brennstoff gewährleistet sein. Bei LHD kann Gas durch Hochdruckventile zum Plasma „angeblasen“ werden. Daneben verfügt LHD über eine Injektion von Pellets, kleiner, gefrorener Kügelchen des Arbeitsgases, die pneumatisch in das Plasma geschossen werden. Sie können damit tiefer in das Plasma eindringen als Gas, das durch ein Hochdruckventil zugeführt wird. Die Pellet-Injektion von LHD kann Kügelchen mit 3 mm Durchmesser bei Geschwindigkeiten von 200–600 m/s elfmal pro Sekunde in den Torus einschießen.
Die Teilchen- und Energieabfuhr aus dem Plasma ist von zentraler Bedeutung für einen Fusionsreaktor. LHD ist dazu mit Prallplattensystemen ausgestattet, auf welche die Teilchen durch die Magnetfeldlinien weiterer Spulen gezielt geleitet und abgeführt werden. Dieser Divertor wird auch für Fusionsmaschinen nach dem Tokamak-Prinzip verwendet. Hinter den Prallplatten sind Hochleistungspumpen angebracht, welche die ankommenden Teilchen – entsprechend der „Fusions-Asche“ im Reaktor – absaugen.
Physikalische Eigenschaften von LHD-Plasmen
Eine Vorgehensweise in der Fusionsforschung besteht darin, von kleineren Experimenten auf Fusionsmaschinen in Reaktorgröße zu schließen. So wie bei Windtunnelexperimenten kann man mit einer Dimensionsanalyse auf das Verhalten von Objekten in Originalgröße folgern. Dieses Vorgehen spart experimentellen Aufwand und gestattet es auch, verschiedene Experimente im Hinblick auf ihre Reaktorrelevanz zu bewerten.
Die physikalische Größen, die eine solche Analyse gestatten, sind dimensionslose Parameter – für Fusionsplasmen sind die wichtigsten das Plasma-Beta, die Kollisionalität und der normalisierte Gyroradius.
Im Hinblick auf den normalisierten Gyroradius ist LHD insofern beschränkt, als dieser etwa zehnmal zu groß für einen Reaktorbetrieb ist. Diese Größe hängt von der Größe der Maschinen und der erreichbaren Magnetfeldstärke ab, kann also folglich im LHD Betrieb nicht verbessert werden.
Daneben erreichte LHD in Experimenten Kollisionalitäten und Plasma-betas, die jeweils einzeln die notwendigen Reaktorbedingungen erreichten. Zusammen werden reaktor-relevante Werte nicht erreicht. Eine Größe, die alle drei dimensionslosen Parameter beinhaltet, ist die magnetische Reynoldszahl. Diese ist bei LHD etwa einen Faktor 200 von Reaktorbedingungen (Stand: Ende 2009) entfernt.
Die erreichten Plasma-Beta Werte sind für Fusionsmaschinen mit magnetischem Einschluss Rekordwerte. Hier konnte LHD gemittelte Werte von 5 % erreichen. Jedoch kommt es bei diesen Werten auch zu einer substantiellen Verringerung des Plasmavolumens, da infolge des hohen Plasma-Beta eine Verschiebung des Plasmas auftritt (Shafranov-Verschiebung).
Die erreichten Energieeinschlusszeiten sind aufgrund der Größe von LHD die höchsten, die je in einem Stellaratorexperiment erreicht wurden. Berücksichtigt man die Größe der Plasmen, so erreicht der beste Energieeinschluß von LHD fast den von Wendelstein 7-AS.
Bemerkenswert für Fusionsmaschinen mit magnetischem Einschluss sind auch die hohen Plasmadichten, die LHD erreichen konnte, durch gezielten Einsatz von Brennstoffpellets bis 1021 m−3. Dies ist deutlich mehr, als es in Fusionsexperimenten nach dem Tokamak-Prinzip möglich ist.
Jedoch bleiben wesentliche Fragen nach der Stabilität und der Brennstoffabfuhr weiterhin Gegenstand der Forschung. Gleichwohl wurde auf Basis der experimentellen Ergebnisse vorgeschlagen, einen Fusionsreaktor nach dem Stellarator-Prinzip bei sehr hohen Dichten zu betreiben. Dies ist attraktiv, weil die nutzbare Fusionsleistung mit dem Quadrat der Plasmadichte steigt und geringere Betriebstemperaturen benötigt würden.
Ein wichtiges Ergebnis der LHD-Experimente war es weiterhin, zu zeigen, dass gewisse Instabilitäten der Magnetohydrodynamik in Stellaratorplasmen deutlich milder sind, als vorher auf Basis theoretischer Berechnungen vermutet wurde. Daraus folgt für das Stellarator-Prinzip eine größere Flexibilität für die Gestaltung des Magnetfeldes.
Weblinks
- Website LHD (japanisch, englisch)
- Website Kakuyū Gōkaku Kenkyūjo (japanisch, englisch: National Institute for Fusion Science)
Einzelnachweise
- ↑ "Wendelstein 7-X" erzeugt erstes Plasma. Abgerufen am 10. Dezember 2015.
- ↑ Japanische Fusionsanlage LHD in Betrieb gegangen. Abgerufen am 12. September 2010.
- ↑ Kernfusionsforschung. JSPS Bonn, abgerufen am 12. September 2010.
- ↑ JPFRS, In: FUJIWARA Masami, MOTOJIMA osamu, HAMADA yasuji, WATARI Tetsuo et al.: Overview of LHD (Large Helical Device) Project. (PDF 373 kB)
Koordinaten: 35° 19′ 34″ N, 137° 10′ 7″ O