Ladungsverstärker
Ein Ladungsverstärker ist in der elektrischen Messtechnik eine gebräuchliche Bezeichnung für einen Ladungs-Spannungs-Wandler, der meist geringe Ladungen in eine dazu proportionale Spannung umwandelt. Da wegen der unterschiedlichen Einheiten kein Verstärkungsfaktor definierbar ist, handelt es sich genau genommen um keinen Verstärker. Die Schaltung ähnelt einem Integrierer mit fehlendem Eingangswiderstand.
Als Erfinder des Ladungsverstärkers gilt Walter Kistler, der diesen 1950 zum Patent anmeldete.
Anwendungen
Dieser Wandler wird eingesetzt, wenn es gilt, extrem geringe Ladungsmengen zu messen, die beispielsweise in Elektrofeldmetern, piezoelektrischen Sensoren (Messen von Druck- und Verformungsereignissen) und Photodioden (Lichtmengenmessung) erzeugt werden. Die Verwendung von mehrkanaligen CCD-Sensoren erfordert stets mehrere Ladungsverstärker.
Vorteile des Ladungsverstärkers
Die sehr geringe Eingangsimpedanz dieser Schaltung schließt die Kapazitäten dieser Sensoren kurz, weshalb auch längere abgeschirmte Kabel zwischen Sensor und Wandler möglich sind. Weil der Sensor „virtuell kurzgeschlossen“ ist, werden Probleme bei hoher Temperatur und Verschmutzung reduziert. Die Verringerung der Zeitkonstante gegenüber der einfacheren Widerstandsbelastung erlaubt auch hohe Messfrequenzen.
Sensoren mit Ladungsausgang lassen sich prinzipiell auch an Spannungsverstärkern mit sehr hohem Eingangswiderstand betreiben. Entscheidende Nachteile dabei sind jedoch, dass der so entstandene RC-Tiefpass hohe Frequenzen dämpft und dass die Ausgangsspannung von der dem Eingang parallel liegenden Kapazität abhängig ist, weil sich die Sensorspannung ändert. Deshalb muss die Summe von Sensor-Eigenkapazität, der Kabelkapazität Cc und der Eingangskapazität des Verstärkers Cinp umgeladen werden. Beim Ladungsverstärker besteht diese Abhängigkeit nicht, da sich diese beiden Kapazitäten an der „virtuellen Masse“ des Operationsverstärkers befinden und die Sensorspannung stets den Wert Null hat.
Schaltung

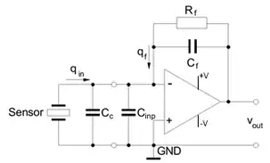
Ladungsverstärker werden üblicherweise mit FET- oder CMOS-Operationsverstärkern realisiert, wobei ihre Besonderheit in der kapazitiven Rückkopplung besteht. Er gleicht dem Integrator. Der nichtinvertierende Eingang (+) des Operationsverstärkers liegt auf Massepotenzial. In den invertierenden Eingang wird die zu messende Ladung eingeleitet. Die parallel zum Eingang gezeichneten Kapazitäten Cc und Cinp sind nicht für die Funktion erforderlich, jedoch nicht vermeidbar, siehe oben. Der Operationsverstärker sorgt dafür, dass sich am invertierenden Eingang (-) ebenfalls Massepotenzial einstellt (virtueller Nullpunkt). Die Spannung am Eingang des Ladungsverstärkers (uinp) ist also bei ungeladenem Cf Null.
In den Knotenpunkt am invertierenden Eingang fließen die vom Sensor kommende Ladung qin und die kapazitiv vom Ausgang rückgekoppelte Ladung qf. Gemäß der Knotenregel kompensieren sich beide Ladungen, das heißt
- .
Die Ausgangsspannung des Ladungsverstärkers berechnet sich nach
Sie ist also proportional zur Eingangsladung qin mit invertiertem Vorzeichen.
Die Rückkoppelkapazität Cf bestimmt die Verstärkung, ist Cf klein, führt eine sich ändernde Ladung am Eingang zu einem größeren Spannungshub.
Der Widerstand Rf über dem Rückkoppelkondensator ist prinzipiell nicht Bestandteil, er dient jedoch zur Herstellung eines Nullpunktes der Ausgangsspannung. Ohne Rf wäre die Gleichspannungsverstärkung der Schaltung sehr hoch und Biasströme der Operationsverstärkereingänge würden dazu führen, dass sich die Gleichspannung am Ausgang langsam und stetig bis zur Übersteuerung ändert. Bei manchen Ladungsverstärkern ist Rf durch einen Reset-Schaltkontakt (Taste, Relais, Feldeffekttransistor) ersetzt. Damit kann vor der Messung oder periodisch die Spannung am Ausgang auf Null gesetzt werden. Der Widerstand Rf bestimmt die untere Grenzfrequenz des Ladungsverstärkers:
Bedingt durch die beschriebenen Gleichspannungseinflüsse und die endlichen Isolationswiderstände zwischen Eingang und Cf ist ein Ladungsverstärker nicht zur Messung statischer (stehender) Ladungen geeignet. Da jedoch untere Grenzfrequenzen von weniger als 0,1 Hz erreichbar sind, spricht man von quasistatischer Messung.

Praktisch realisierte Ladungsverstärker enthalten oft weitere Komponenten, zum Beispiel zusätzliche Spannungsverstärker, Umschalter zur Anpassung an die Sensorempfindlichkeit, Hoch- und Tiefpass-Filter und Schaltungen zur Pegelkontrolle.
Besonderheiten
Die von Sensoren mit Ladungsausgang erzeugten Signale betragen unter Umständen nur wenige fC (10−15 Coulomb). Daher sind elektrische Störfelder abzuschirmen.
Aufgrund der geringen Impedanz ist der Übertragungsweg auch empfindlich für bezüglich Hin- und Rückleitung veränderliche magnetische Felder.
Aus den genannten Gründen werden Koaxialkabel eingesetzt. Ein störender Effekt solcher Kabel ist die Verschiebung kleinster Ladungen bei Deformation des Kabels. Bereits leichte Bewegungen des Kabels können die Messung erheblich verfälschen. Man verwendet daher Spezialkabel mit einer Leitbeschichtung auf dem Dielektrikum. Die Kabellänge zwischen Sensor und Verstärker kann oft nur wenige Meter betragen.
Um bei Piezosensoren die mit dem Kabel verbundenen Probleme zu umgehen, werden IEPE-kompatible Sensoren angeboten, die an einen Spannungsverstärker angeschlossen werden können. Sie enthalten einen Impedanzwandler ähnlich Elektretmikrofonen und werden wie diese über die Signalleitung gespeist.
Es gibt auch Sensoren mit integriertem Ladungsvorverstärker (Remote Charge Converter) mit IEPE-Ausgang, die geringere Spannungsverstärkung erfordern.
Weblinks
- [1] Ladungsverstärker-Grundlagen, Metra Meß- und Frequenztechnik
- Signal Conditioning Piezoelectric Sensors (PDF; 60 kB) Applikationsschrift, 2000, Texas Instruments
- Signalwandler (Ladungsverstärker) für piezoelektrische Aufnehmer ausführliche Erklärung