Längstwellensender Grimeton

Längstwellensender Grimeton
SAQ
Bild des Objektes
Datei:Grimetonmasterna.jpg
Basisdaten
Ort: Varberg-Grimeton
Provinz: Hallands län
Staat: Schweden
Höhenlage: 36 m ö.h.
Koordinaten: 57° 6′ 21,6″ N, 12° 23′ 27,6″ O
Verwendung: Fernmeldeanlage, Rundfunksender, Militärische Nutzung
Zugänglichkeit: Sendeanlage öffentlich zugänglich
Daten zur Sendeanlage
Anzahl an Türmen/Masten: 6
Höhe der Türme/Masten: 127 m
Bauzeit: 1924
Betriebszeit: 1924–1995
Wellenbereiche: VLF-Sender, KW-Sender, UKW-Sender
Rundfunk: UKW-Rundfunk
Sendetyp: Richtfunk
Stilllegung: 1995
Weitere Daten
Inbetriebnahme: 1. Dezember 1924

Positionskarte
Längstwellensender Grimeton (Halland)
Längstwellensender Grimeton (Halland)
Längstwellensender Grimeton
Lokalisierung von Halland in Schweden

Der Längstwellensender Grimeton, Rufzeichen SAQ, ist eine Sendeanlage für Längstwellen bei Grimeton, Gemeinde Varberg, in Schweden.

Aufbau

Diese Anlage verfügt über den einzigen noch funktionsfähigen Maschinensender der Welt, der zu besonderen Anlässen, wie dem Alexanderson Day, einem nach dem Erfinder Ernst Fredrik Werner Alexanderson benannten Tag der offenen Tür entweder am letzten Sonntag im Juni oder am ersten Sonntag im Juli, auf der Frequenz 17,2 kHz zur Abstrahlung einer kurzen Morsebotschaft in Betrieb genommen wird.

Als Sendeantenne dient eine Alexanderson-Antenne mit zwölf 2,2 km langen Kupferdrähten, die an sechs wie riesige Hochspannungsmasten aussehenden Türmen (Höhe 127 m, Breite der Querarme 46 m) aufgehängt sind.

Geschichte

Die Inbetriebnahme des Senders erfolgte am 1. Dezember 1924 zunächst mit einer Wellenlänge von 18.600 m (16,13 kHz). Die offizielle Eröffnung war am 2. Juli 1925. Hierzu waren unter anderem der schwedische König Gustav V. und der Erfinder anwesend. Ursprünglich war der Sender in Grimeton Teil eines Netzwerks aus 17 Sendern gleicher Bauart, die mit 200-kW-Alexanderson-Alternatoren ausgerüstet waren. Obwohl mehr Stationen geplant waren, wurden nur neun Stationen in den USA, in Hawaii, in Wales, in Polen und in Schweden tatsächlich in Betrieb genommen. Der Sender wurde ursprünglich zur Kommunikation zwischen Grimeton Radio und Radio Central in Long Island, USA benutzt. Nach dem Zweiten Weltkrieg, als interkontinentale Funkverbindungen zunehmend über Kurzwellenverbindungen realisiert wurden, nutzte das schwedische Militär den Sender noch zur Kommunikation mit seinen U-Booten, da die elektromagnetischen Wellen dieses Frequenzbereiches einige Meter tief in Salzwasser eindringen können.

Im Jahre 1995 wurde die sich noch in perfektem Betriebszustand befindende Anlage aus Gründen des sinkenden Interesses von Seiten des Militärs geschlossen.

Zur Sendeanlage in Grimeton gehören auch einige Kurzwellenantennen und ein 1966 errichteter 260 Meter hoher abgespannter Stahlfachwerkmast zur Verbreitung von UKW-Hörfunk- und TV-Programmen.

Technische Beschreibung

Prinzipschema der Informationsübertragung in Grimeton

Der elektromechanische Sender in Grimeton sendete mit einer Frequenz von 17,2 kHz, d. h. im Längstwellenbereich, und konnte damit Amerika erreichen. Im Prinzip wird dazu ein elektrischer Generator (A) verwendet. Dieser wird von einem Motor über ein Getriebe in Drehung versetzt und erzeugt damit eine kontinuierliche Sinus-Wechselspannung (B) von 17,2 kHz oder 17.200 Hz. Zum Vergleich: Generatoren der öffentlichen Stromnetze erzeugen je nach Land eine Wechselspannung von 50 oder 60 Hz. Um mit einem Generator so hohe Frequenzen zu erzeugen, ist ein schnell drehender Generator (2115 Umdrehungen pro Minute) mit einer speziellen Konstruktion notwendig.

In Grimeton wurden hauptsächlich Morsesignale übertragen. Um mit der erzeugten Wechselspannung Informationen zu senden, werden die zu sendenden Texte gemäß dem Morsecode mittels einer Morsetaste (D) in eine Folge von kurzen und langen Impulsen übersetzt. Die Schaltanlage (C) steuert anhand dieser Impulse die Weitergabe der Wechselspannung an die Antenne (F). Bei gedrückter Taste wird die Wechselspannung an die Antenne weitergegeben und von dort ausgesendet. Ist die Taste nicht gedrückt, wird die Wechselspannung durch die Schaltanlage unterdrückt, es wird kein Signal ausgesendet. Damit kann z. B., wie in (E) dargestellt, der Buchstabe A durch ein kurzes und ein langes Wellenpaket gesendet und beim Empfänger detektiert werden.

Die erzeugte Wechselspannung hat eine Spannung von 2.000 Volt[1] und eine Leistung von 200 kW.[2] Solch starke Signale können nicht über einen simplen Schalter ein- und ausgeschaltet werden, es würde zu erheblichem Funkenschlag führen. In Grimeton wurde dazu ein anderer Effekt angewendet. Wie von historischen Radios bekannt, bilden Antenne und die angrenzenden Spulen und Kondensatoren einen Schwingkreis, der auf die gewünschte Frequenz abgestimmt sein muss, damit die Energie optimal übertragen wird. In Grimeton wird nun bei nicht-gedrückter Morsetaste die Abstimmung dieses Schwingkreises in der Schaltanlage (C) gestört und damit ein Aussenden unterdrückt. Damit gelingt es, mit einer kleinen Leistung (3 kW Gleichstrom) eine Wechselstromleistung von 200 kW zu beeinflussen.

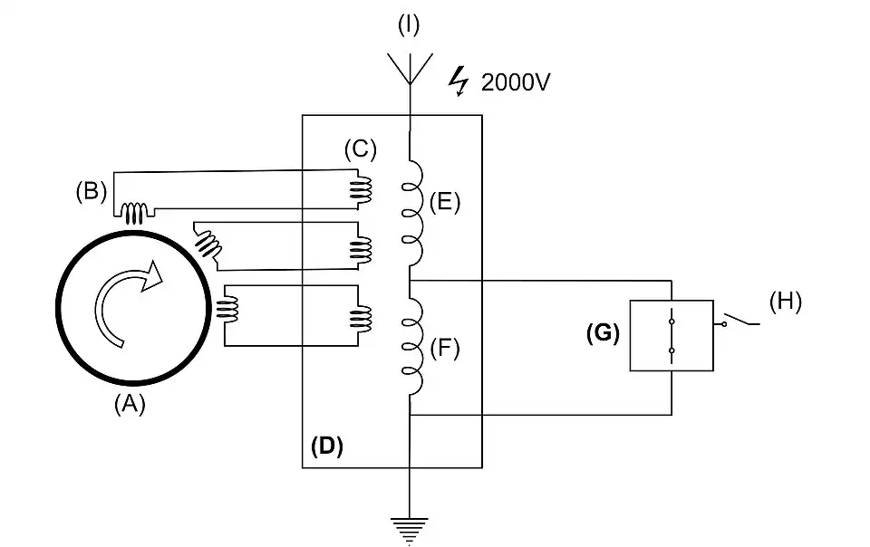
Schwingkreis bestehend aus Antenne (I), Transformator (D) und Magnetverstärker (G)

Der Antennen-Schwingkreis besteht im Wesentlichen aus der Antenne (I), einem Transformator (D) und einem Magnetverstärker (G).[2][3]

Wie bei elektrischen Generatoren üblich, wird im Generator (A) mittels rotierender Magnetfelder eine Wechselspannung in angrenzenden Spulen (B) erzeugt. In Grimeton sind diese Spulen auf dem Stator, aufgeteilt in 2 × 32 Sektoren, beidseitig zum Rotor angebracht. Die einzelnen Wicklungen eines Sektors sind mit entsprechenden Primär-Wicklungen (C) des Transformators (D) verbunden. Bei der Übertragung der Primärspannungen auf die Sekundärwicklung (E) des Transformators überlagern sich diese Spannungen zu einem starken, sinusförmigen Ausgangssignal, welches auf die Antenne ausgegeben und gesendet wird.

Für die Steuerung des Sendevorganges durch die Morsetaste (H) sind die Steuerwicklung (F) und der Magnetverstärker (G) zuständig. Beim Magnetverstärker handelt es sich um eine Anordnung von Spulen und Kondensatoren, deren Wechselstromwiderstand indirekt über die Morsetaste und eine Gleichstromquelle beeinflusst wird. Ist die Morsetaste offen, schließt der Magnetverstärker vereinfacht gesagt die Steuerwicklung (F) kurz. Durch die Kurzschließung von (F) wird der Sendeschwingkreis gestört, so dass schlussendlich nicht mehr als 9 % des normalen Antennenstromes fließt.[3] (Seite 53). Die oben beschriebene Situation (voll senden oder gar nicht senden) kann also nur annähernd erreicht werden, was aber in der Praxis ausreicht.

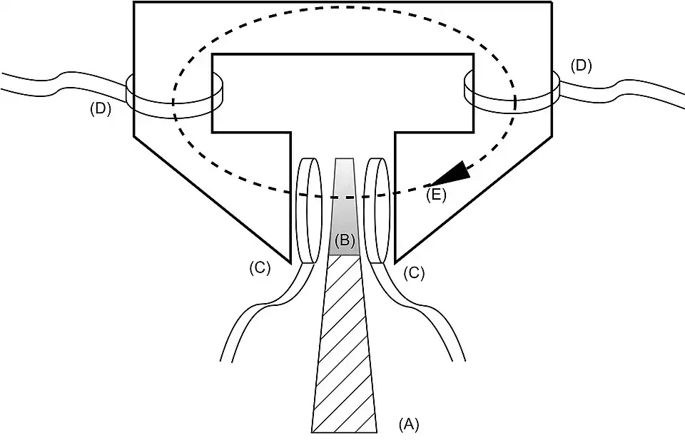
Prinzip-Skizze Schnitt durch den Generator (nicht maßstabsgetreu)

Um die notwendige Sende-Frequenz zu erreichen, muss der Generator vom Typ Alexanderson-Alternator[3][4] nicht nur schnell drehen, er braucht auch eine spezielle Konstruktion mit vielen magnetischen Polen. Dazu ist die stählerne, und damit magnetisierbare Rotorscheibe (A) am Rand mit 488 Schlitzen (B) versehen, die mit einem nicht-magnetischen Material gefüllt sind.[1] Durch die Spulen (D) wird mittels Gleichstroms im Stator ein kontinuierliches Magnetfeld (E) erzeugt, in welchem sich auch die Spulen (C) befinden. Durch die drehende Rotorscheibe wird dieses Magnetfeld zwischen den Spulen (C) alternierend durch die Stahlscheibe verstärkt und die nicht-magnetischen Schlitze gedämpft. Dieses sich zyklisch ändernde Magnetfeld induziert in den Spulen (C) eine sinusförmige Spannung.

Die obige Prinzip-Skizze ist nicht maßstabsgetreu, der Luftspalt zwischen Rotor und Stator Rahmen ist bloß 1 mm breit.[2]

Museum

Aufgrund der Bemühungen von Interessenverbänden zur Sicherung der Anlage wurde der Sender 1996 gesetzlich zum nationalen schwedischen Industriemonument gemacht und damit die Finanzierung der Erhaltungsmaßnahmen auf unbegrenzte Zeit sichergestellt. Der Längstwellensender in Grimeton steht inzwischen auf der Liste der wichtigsten Orte in Schweden.

Zur Jahrtausendwende sandte der schwedische König Carl XVI. Gustaf eine an die erste über Grimeton ausgestrahlte Nachricht angelehnte Neujahrsbotschaft um die Erde. Nach Schätzungen wurde die Meldung von etwa 100 Menschen rund um den Globus empfangen.

Am 2. Juli 2004 wurde die Sendeanlage von der UNESCO zum Weltkulturerbe erklärt. Sie ist damit das 13. UNESCO-Welterbe in Schweden. Zudem ist Grimeton Ankerpunkt der Europäischen Route der Industriekultur.

Auch heute wird der Sender jedes Jahr zum Alexanderson-Day und an Weihnachten in Betrieb genommen. Außerdem wird auch zu besonderen Anlässen, z. B. bei UNO-Veranstaltungen, gesendet. Auch gibt es Testübertragungen, die in der Regel nicht angekündigt werden. Die regelmäßigen Übertragungen werden von Funkfreunden in der ganzen Welt empfangen. Die Betreiber freuen sich nach solchen Sendungen über einen Empfangsbericht. Diese Berichte werden in einer Tabelle zusammengefasst und per E-Mail verschickt oder können von der Homepage des Senders heruntergeladen werden. Daraus ergibt sich eine regelmäßige Hörerschaft von 200 bis 300 Personen, wobei davon auszugehen ist, dass wesentlich mehr Personen die Übertragungen hören, da nicht jeder einen Empfangsbericht abgibt. Zum Alexanderson-Day 2013 gab es erstmals einen Empfangsbericht aus Südafrika.[5]

Bilder

Literatur

  • Funkstation Grimeton, Varberg, Schweden (Broschüre, herausgegeben vom Fremdenverkehrsamt in Varberg, Schweden)
  • Britta Nystrom: Radiostationen Grimeton – en etnologisk studie över verksamhet och vardag.
  • Harald Lutz: Längstwellenempfang mit dem PC. beam-Verlag, Marburg 2004, ISBN 3-88976-047-3, S. 49–60
Commons: Varberg Radio Station – Sammlung von Bildern, Videos und Audiodateien

Einzelnachweise

  1. a b SAQ Technical Discussions, Answer from AlexanderSAQ. Friends of Grimeton Veteran Radio, abgerufen am 1. Oktober 2023 (englisch).
  2. a b c The Alexanderson transmitter. The Alexander association, abgerufen am 20. Oktober 2012 (englisch).
  3. a b c Elmer Eustice Bucher: Technical Description of the Alexanderson System for Radio Telegraph and Radio Telephone Transmission. 1920, abgerufen am 20. Oktober 2023 (englisch).
  4. Thorn L. Mayes: The Alexanderson 200 KW High Frequency Alternator Transmitters. Society of Wireless Pioneers -Historical Papers, abgerufen am 20. Oktober 2023.
  5. Reports of Transmission (vom Sender zusammengefasste Empfangsberichte)