Gusseisen mit Vermiculargraphit

EN 16079
Bereich Werkstoffe
Titel Gießereiwesen – Gusseisen mit Vermiculargraphit
Letzte Ausgabe November 2011
Klassifikation 77.080.10
Übernahme von ISO 16112
Nationale Normen DIN EN 16079:2012-02,
OENORM EN 16079:2012-02-01,
SN EN 16079:2012-01

Gusseisen mit Vermiculargraphit, auch Wurmgraphit (abgek. GJV) genannt, ist ein Gusseisen, dessen Graphitausbildung überwiegend in vermicularer Form (vermiculus = Würmchen) vorliegt. Im englischen Sprachgebrauch wird der Werkstoff als Compacted Graphite Iron (abgek. CGI) bezeichnet.

Allgemeines

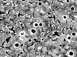
GJV mit Anteilen von Kugelgraphit, 50:1, ungeätzt

Gusseisen mit Vermiculargraphit wurde gegen 1960[1] erfunden, es zeichnet sich vor allem durch eine günstige Kombination von Zugfestigkeit, Zähigkeit, Dämpfung, Temperaturleitfähigkeit, Temperaturwechselbeständigkeit, Bearbeitbarkeit und Vergießbarkeit aus. Aus diesen Gründen findet es zu einem großen Anteil in thermisch belasteten Bauteilen von Verbrennungsmotoren Anwendung, jedoch sind auch weitere Anwendungsbereiche bekannt.

Sorteneinteilung

Gusseisen mit Vermiculargraphit ist nach EN 16079, die auch als DIN-Norm vorliegt, und ISO 16112 genormt.

Es gibt außerdem in Deutschland ein allgemein anerkanntes VDG-Merkblatt. Danach werden die Werkstoffsorten nach der Mindestzugfestigkeit von 300, 350, 400, 450 und 500 N/mm² eingeteilt. Am häufigsten verwendet wird GJV-300 (300 N/mm²), das die einzige rein ferritische Sorte darstellt.

Eigenschaften

GJV mit Anteilen von Kugelgraphit in einer Perlit/Ferrit-Matrix, 100:1, geätzt: 3 % Nital

Im Allgemeinen spricht man von Gusseisen mit Vermiculargraphit, wenn mindestens 80 % vermicular sind, der Rest darf in Kugelform, jedoch nicht in Lamellenform vorliegen. Höhere Kugelgraphitanteile sind aber durchaus zulässig. Die mechanischen Eigenschaften von Gusseisen mit Vermiculargraphit liegen zwischen den Eigenschaften von Lamellen- und Kugelgraphit.

Festigkeit

Gusseisen mit Vermiculargraphit weist eine ausgeprägte 0,2-%-Dehngrenze aus. Die Festigkeit liegt im Durchschnitt mindestens 50 % höher als bei Gusseisen mit Lamellengraphit, ist aber sowohl von der Wanddicke als auch vom Siliziumgehalt abhängig.

Zerspanbarkeit

Siehe Zerspanbarkeit von Gusseisen

Eigenschaften bei erhöhten Temperaturen

Wichtige Anwendungsgebiete für Gusseisen mit Vermiculargraphit sind durch erhöhte Temperaturen und vor allem durch Temperaturwechsel beanspruchte Bauteile. Diese fallen beispielsweise durch innere und äußere Oxidation, Wachsen, Risse und/oder Verzug aus. Gusseisen mit Vermiculargraphit stellt hier einen günstigen Kompromiss zwischen einander widersprechenden Forderungen dar. Die Dauerwechselfestigkeit und seine Duktilität verleihen dem Werkstoff fast die gleiche Rissbeständigkeit wie Gusseisen mit Kugelgraphit, während es sich dank geringerem E-Modul und höherer Wärmeleitfähigkeit weniger verzieht.

Verwendung

Gusseisen mit Vermiculargraphit wird in mehreren Bereichen eingesetzt. Das Hauptanwendungsgebiet stellt der Dieselmotorenbau dar: Dort findet es bei Schiffen, Großmotoren, Yachten, Nutzfahrzeugen und stark motorisierten Personenkraftwagen Anwendung. Die Gewichtseinsparung zu Grauguss kann durch dünnere Wanddicken bis zu 15 % betragen.

Einzelnachweise

  1. Berns, Theisen: Ferrous Materials - Steel and cast iron, Springer, 2008, S. 152.