Geschichte der Modelleisenbahn


Entscheidende Jahre in der Geschichte der Modelleisenbahn waren die 1890er und 1900er Jahre. Durch die Übernahme des deutschen Spielwarenherstellers Lutz durch den deutschen Spielwarenhersteller Märklin erweiterte letzterer sein Portfolio durch Produkte aus lithografiertem Blech. In den 1890er Jahren gelang Märklin damit der Durchbruch mit Modelleisenbahnen, die auf dem Programm der Firma Lutz basierten.
In den 1900er Jahren etablierte das britische Handelsunternehmen Bassett-Lowke, das eine eigene Fertigung, eigene Fachgeschäfte und einen Versandhandel hatte, die Modelleisenbahn in Europa. Dies erfolgte mit eigenen Produkten sowie dem Vertrieb der Hersteller Bing, Carette und Märklin. Bassett-Lowke entwickelte zusammen mit Henry Greenly, einem britischen Konstrukteur von Miniatur-Echtdampf-Lokomotiven, und aus Leserbriefen in der gemeinsam herausgegebenen Zeitschrift Model Railways and Locomotives Magazin die ersten Normen für Spielzeug- und Modelleisenbahnen, die auch bereits die in diesem Jahrzehnt entstandenen personenbefördernden Gartenbahnen umfasste.
Anfänglich waren Spielzeug- und Modelleisenbahnen mit Uhrwerk, Echtdampf-Lokomotiven sowie Bodenläufer prägend. Die elektrische Modelleisenbahn spielte anfänglich noch keine wirkliche Rolle, da die Elektrizität in den Haushalten noch nicht oder nur wenig verbreitet war. Erst in den 1920er Jahren gelang der Durchbruch der elektrischen Modelleisenbahn. Ob es sich bei der Nachbildung der Eisenbahn im Modell eher um eine Spielzeug- oder eine Modelleisenbahn handelt, ist primär eine persönliche Ansicht, die sich im Verlauf der Geschichte, auch abhängig vom Alter des Nutzers, verändert hat.
Spielzeug- und Modelleisenbahnen existieren seit es das Vorbild Eisenbahn gibt. Anfänglich waren dies beispielsweise hochwertige Werbemodelle von Lokomotivherstellern und Bodenläufer. Beides gibt es noch heute. Später folgten Modelleisenbahnen, die heute aus dem Blickwinkel von Erwachsenen als Spielzeugeisenbahnen betrachtet werden könnten, wenn sie einfacherer Bauart waren. Zudem gab es schon früh hochwertige Nachbildungen von Eisenbahnfahrzeugen von Modelleisenbahn-Herstellern aber auch von Modellbauern gemäß heutigen Anforderungen, beispielsweise im Umfeld von Echtdampf-Lokomotiven.
Von Beginn an waren die Modelleisenbahn-Hersteller bestrebt, den Anforderungen an die Vorbildtreue zu entsprechen, meist zu Lasten der Robustheit und des Spielwertes. Dies warf für die Hersteller und Händler immer wieder die Frage auf, wie neue künftige Kunden unter Kindern und Jugendlichen gewonnen werden können respektive wie man die ersten Schienen ins Kinderzimmer werfen kann, für welche die heutigen filigranen Fahrzeugmodelle nicht geeignet sind.
Anfänge



Im Mutterland der Eisenbahn, in England, werden seit Beginn des 19. Jahrhunderts Modelleisenbahnen gefertigt. Anfangs waren sie auch Werbemodelle für die Originale, was an die Automodelle der Nachkriegszeit erinnert. So erhielt Johann Wolfgang von Goethe 1829 von englischen Verehrern ein Modell der Rocket[3] „für seine Enkel“ (siehe Abb.). Dieses Modell ist heute in der Dauerausstellung des Goethe-Nationalmuseums ausgestellt.[4]
Ebenfalls im Jahr 1829 baute Diez Imbrechts eine betriebsfähige Modellbahn als Geschenk für den spanischen Königshof.
Im Jahr 1835, als der Adler erstmals auf der Strecke von Nürnberg nach Fürth verkehrte, erscheinen auch ein farbiger Ausschneidebogen des Adlerzugs und passende Zinnfiguren. Fünf Jahre später, 1840, tauchen dann in Deutschland die ersten aus Blech hergestellten Eisenbahnnachbildungen auf.
Das erste Kind, das nachweisbar eine Modelleisenbahn besaß, war 1859 der kaiserliche Prinz Napoléon Eugène Louis Bonaparte.
1862 offeriert die Firma Myers in London dampfbetriebene Lokomotiven in ihrem Katalog, und 1869 findet sich die erste nachweisbare Anzeige auch in Deutschland. Die Firma Carogatti in Königsberg preist dort „… im Zimmer fahrende Lokomotiven mit oszillierendem Zylinder“ an.
Die erste elektrisch betriebene Eisenbahn existierte 1882 (Planck), bereits ein Jahr später wurde erstmals das Zweischienen-Zweileiter-System bei elektrischen Eisenbahnen angewendet. Modelle davor wurden ohne Schienen betrieben und werden daher als Bodenläufer bezeichnet. Daneben existiert die Bezeichnung Tröpfler, die sich auf frühe Echtdampf-Modelle bezieht, die eine Tropfenspur auf dem Boden hinterließen.
Deutschland und Österreich-Ungarn


Anfänge
Spielwaren mit Uhrwerkantrieb sind seit 1855 nachgewiesen. Der erste Nachweis einer Modelllokomotive mit Uhrwerksantrieb stammt aus dem Jahr 1886.
1886 bot der Spielwarenhersteller Bing aus Nürnberg die erste komplette Zuggarnitur mit geraden und gebogenen Gleisen, aber noch ohne Weichen und Kreuzungen an.
1887 präsentierte Schoenner aus Nürnberg dampfbetriebene Modelllokomotiven, sowie Wagen und Gleise in den Spurweiten 65 mm (ca. 1:22), 72 mm, 80 mm und 115 mm (ca. 1:12).[5]
Ende des 19. Jahrhunderts war die Modelleisenbahn zu einem beliebten Weihnachtsgeschenk avanciert. Auch zahlreiches Zubehör war bereits verfügbar:
„Abgesehen von Dampfmaschinen und den hundert Werkzeugen, die durch sie in Bewegung gesetzt werden, ist die Eisenbahn allein ein unerschöpflicher Born der Unterhaltung für die Kinder geworden. Es gibt Eisenbahnen, welche mit elektrischem Betrieb bewegt werden, und zwar genügt das Kabel eines Glühlichtes am Luster,[Anm. 1] um den Zug in Bewegung zu erhalten und die den Bahnhof beleuchtenden Bogenlampen zu entzünden. Das Schönste sind jedoch die Beigaben zur Eisenbahn, die ja, um den Kindern zu gefallen, nicht gerade elektrisch betrieben werden muß. Man höre, wie viel Beiwerk dem alten Spielzeug der Eisenbahn zugelegt wurde, um das Interesse an ihr wach zu erhalten. Der Eisenbahnzug selbst besteht aus Locomotive, Tender, Postwagen, Bierwagen, Viehwagen, Sandkippwagen, Coupéwagen, Langholzwagen, offenen Güterwagen, Hüttelwagen, Salonwagen, Restaurations-Wagen. Natürlich sind die P.T.[Anm. 2] Reisenden und das Personal dazu vollständig zu haben. Dazu gibt es nun sechserlei verschiedene Bahnhofgebäude, Wartehallen, Güterschoppen, Wächterhäuser mit elektrischer Glocke, mit elektrischer Auslösung für den Bahnwächter und mit Verbindung zum elektrischen Signalapparat. Dazu kommen noch zerlegbare Schienen in jeder Länge und Form, mit Kreuzungen, Weichen und Bremsschienen. Die Eisenbahn hat dann noch den Vortheil, daß sie der neutrale Grund ist, wo Buben und, Mädeln zusammenspielen können.“
Spur 0 und Spur 1 von Märklin und Lutz
Ungefähr 1865 bot die Firma Engler & Lutz[7] aus Ellwangen Modelleisenbahnen noch ohne Gleise an. Gleise in den Spuren 0, I, II und III brachte Lutz erst 1884 auf den Markt.[8]
Ungefähr 1889 waren Modelleisenbahn-Artikel von Engler & Lutz in einem Katalog der Firma Bing enthalten.
1891 übernahm Märklin die Firma Engler & Lutz[9] und verkaufte in der Vorweihnachtszeit 1891 deren Spielzeugeisenbahnen.
1892 präsentierte Märklin auf der Ostermesse in Leipzig erstmals eine ausbaufähige Modelleisenbahn mit einer Uhrwerks-Lokomotive der Spur 1.[10]
Typisch für die ersten Lokomotivmodelle von Märklin war die Storchenbein genannte Form: hierbei fanden sich die großen Antriebsräder auf der ersten Achse, die deutlich kleineren Laufräder auf der zweiten Achse entsprechend der Achsfolge A1. Die häufigere Achsfolge 1A mit einem kleinen Radpaar auf der ersten Achse und den größeren Antriebsrädern auf der zweiten Achse wird heute verschiedentlich auch Storchenbein genannt.
Im selben Jahr erschienen im Märklin-Katalog auch Spielzeugeisenbahnen der Spuren 1, 2 und 3 mit Lokomotiven, Wagen, gebogenen und geraden Gleisen, sowie Weichen und Kreuzungen. 1893 folgte dann zusätzlich die Spur 0.
Alle frühen Modelleisenbahnen von Märklin beruhen auf denen, die die übernommene Firma Lutz hergestellt hatte. Märklin begann damit, Modelleisenbahn-Systeme durch das Hinzufügen von Weichen und Kreuzungen zu schaffen.
1895 wurde von Märklin erstmals Eisenbahnzubehör wie Gebäude, Signale und Tunnel anboten.
- Übersicht der Modellspurweiten von Märklin in der Tinplate-Ära
| Modell-Spurweiten | Märklin Tinplate Ära | |||
|---|---|---|---|---|
| Spur | 1893 | 1892 | 1892 | 1892 |
| 0 | I (1) | II (2) | III (3) | |
| von Schienenkopf-Mitte zu Schienenkopf-Mitte |
35 mm | 48 mm | 54 mm | 75 mm |
| von Schienenkopf-Mitte zu Schienenkopf-Mitte |
(13⁄8 in) | (17⁄8 in) | (21⁄8 in) | (3 in) |
| von Schienenkopf-Innenkante zu Schienenkopf-Innenkante |
32 mm | 45 mm | 51 mm | 72 mm |
| von Schienenkopf-Innenkante zu Schienenkopf-Innenkante |
(11⁄4 in) | (13⁄4 in) | ||
| Bemerkung | Heute Spur 0 |
Heute Spur 1 |
– | – |
Schon 1902 gab es im Märklin-Katalog eine Rollbahn mit Gleisen in ähnlicher Größe wie für die 1903 angebotene Spur V (5).

Märklin ordnete als erster Hersteller die Spurweiten seines Programms: Spur 0 mit einer Modell-Spurweite von 35 mm, Spur I mit einer Modell-Spurweite von 48 mm, Spur II mit einer Modell-Spurweite von 54 mm und Spur III mit einer Modell-Spurweite von 75 mm. Eine genaue Modell-Spurweite für die Spur V ist nicht überliefert, wird aber an einem Modell im Technorama Winterthur mit 120 mm angegeben. Heute ist für Spur 0 das Maß von 32 mm, für die Spur I das Maße von 45 mm, für die Spur II das Maße von 51 mm und für die Spur III Maße von 72 mm angegeben. Die betreffenden Gleise sind identisch, denn damals wurde das Maß zwischen den Schienen-Kompfmitten gemessen und angegeben. Heute aber wird die lichte Weite zwischen den Schienen gemessen und angegeben. Da Märklin in der Tin-Plate Ära bei allen Spurweiten dasselbe Schienenprofil mit 3 mm Kopfbreite (Kopfdurchmesser des Rundkopfprofiles) verwendete, gilt die Differenz von 3 mm für alle damaligen Spurweiten. Außerdem wird die Spur heute in der Regel nicht mehr mit Römischen, sondern mit Arabischen Zahlen bezeichnet. Die damaligen Spuren II, III und V von Märklin sind nicht gleichzusetzen mit den heutigen Spuren 2, 3 und 5.[11] Sie sind zwischenzeitlich entfallen.
Von der Spielzeugeisenbahn zur Modelleisenbahn
Das erste vorbildliche Modell einer deutschen Lokomotive, das heißt nicht nur ein selbstfahrendes Spielzeug, sondern ein genaues, maßstäblich verkleinertes, Abbild des Vorbilds, stellte Schoenner im Jahr 1900 her.
Im selben Jahr gab es auch erstmals das umgangssprachlich als Dreischienengleis bezeichnete Gleis von Märklin mit zusätzlicher Mittelschiene zur Stromversorgung und 1901, ebenfalls von Märklin, eine mechanische sowie eine elektrische Fernbedienung für Weichen.
Spur S, die Hälfte der Spur 1

Die Spur S mit einer Modell-Spurweite von 22,5 mm lässt sich bis in das Jahr 1896 zurückverfolgen.[12][13] Dabei wurde die Spur 1 mit einer Modell-Spurweite von 45 mm halbiert und gehörte damit, zusammen mit der Spur 1 und der Spur 0, zu den ersten standardisierten Modell-Spurweiten. Für die Spur S wurde in der Vergangenheit verschiedentlich auch der Begriff der Spur H1 für halb 1 verwendet worden.
Die Spur S erreichte unmittelbar nach dem Zweiten Weltkrieg einen kurzzeitigen aber nicht nachhaltigen Erfolg.
Frühe Normung
Bassett-Lowke entwickelte zusammen mit Henry Greenly, einem Britischen Konstrukteur von Miniatur-Echtdampf-Lokomotiven, und aus den aus der gemeinsam herausgegebenen Zeitschrift Model Railways and Locomotives Magazin eingehenden Leserbriefschreiben die ersten Normen für Spielzeug- und Modelleisenbahnen, die auch bereits die in diesem Jahrzehnt entstandenen personenbefördernden Gartenbahnen beinhaltete.
Die Leserbriefe, die sich mit der Normung von Modellbahnen befassten, finden sich bis in das Jahr 1901 zurück in der Zeitschrift Model Railways and Locomotives Magazin. Sie mündeten im ersten Handbüchern der Modellbahn von Henry Greenly, darunter The Model Locomotive[14] und Model Engineering.[15] Mit ihnen wurde der von ihm entwickelte Normenvorschlag bekannt, der sich wiederum an die Vorarbeiten für die verschiedenen damals bekannten Spurweiten von Bing, Carette und Märklin anlehnte, und nach dem sich später die meisten Hersteller richteten.
- Normenvorschlag von Henry Greenly ohne die heutigen Gartenbahn-Spurweiten
| Spur | 0 (№ 0) | 1 (№ 1) | 2 (№ 2) | 3 (№ 3) |
|---|---|---|---|---|
| Maßstab | (1:43,5) | (1:30,5) | (1:27) | (1:22,5 später 1:24) |
| Verkleinerungs-Verhältnis | 7 mm / 1 ft | 10 mm / 1 ft | 7⁄16 in / 1 ft | 17⁄32 in / 1 ft (später vereinfacht 1⁄2 in / 1 ft) |
| von Schienenkopf-Innenkante zu Schienenkopf-Innenkante |
32 mm | 45 mm | 51 mm | 64 mm |
| von Schienenkopf-Innenkante zu Schienenkopf-Innenkante |
(11⁄4 in) | (13⁄4 in) | (2 in) | (21⁄2 in) |
| Bemerkung bezüglich der Spur | Heute Spur 0 | Heute Spur 1 | – | Heute Spur 2 (Britisch Spur 3)[16] |
Henry Greenly mass die lichte Weite zwischen den beiden Schienen, das heißt von Schienenkopf-Innenkante zu Schienenkopf-Innenkante. Er definierte auch erstmals einen dazugehörenden Maßstab. Die Spuren 0, 1 und 2 entsprachen den Spurweiten von Märklin. Die Spur 3 entsprach der Spur 3 (III) von Bing und der Spur 2A (IIa) von Schoenner.
Historisch korrekt sind bei Bassett-Lowke und Henry Greenly die angegebenen metrische Maße obschon Bassett-Lowke ein britisches Unternehmen war. Darum sind die Maße in Zoll, soweit metrische Maße vorhanden sind, auch in Klammer geschrieben. Dies wohl infolge der vorwiegend deutschen Lieferanten, die schon damals metrische Maße gewohnt waren. Bezüglich der britischen Spur 3, die statt der Spur 2 auf dem Kontinent verwendet wird, gibt es keine Differenzen. Die Unterschiede liegen nur in der Bezeichnung, dies ist historisch bedingt. Heute gibt es für die britische Spur 3 auch eine Modellspurweite von genau 63,5 mm. Dies, da später das ursprünglich angenäherte, gerundete britische Maß von 2½ Zoll exakt umgerechnet wurde (2,5 × 25,4 = 63,5).[17]
Die Hälfte der Spur 0
Bereits vor dem Ersten Weltkrieg hatten die Herren Wenman Joseph Bassett-Lowke und Henry Greenly in Großbritannien die Idee, eine Modelleisenbahn zu bauen, die nur halb so groß war wie die Spur 0, sodass sie auf einen Tisch passen würde. 1914 fragte das britische Modelleisenbahn-Handelsunternehmen Bassett-Lowke den deutschen Spielzeughersteller Bing, ob eine entsprechende Miniatur-Eisenbahn machbar sei.[18] Der Erste Weltkrieg (1914–1918) verhinderte jedoch die schnelle Realisierung.
Die Spielzeugeisenbahn in der halben Spur 0 erwies sich später als die Grundlage für Modelleisenbahnen der aktuellen Spur 00 (4,0 mm scale) und Spur H0 (3,5 mm scale) mit einer Modellspurweite von 16,5 mm. Wobei damals weder Bassett-Lowke, Bing, Karl Bub und JEP die Begriffe Spur 00 oder Spur H0 dafür verwendeten.
Bing Tischeisenbahn, Bassett-Lowke und Bing, 1922

Nach dem Ersten Weltkrieg, noch für das Weihnachtsgeschäft des Jahres 1922, lancierte Bassett-Lowke in Großbritannien eine Uhrwerk-Tischeisenbahn, gefertigt aus dünnem lithografierten Blech mit einem ebensolchen Blechböschungsgleissystem in der Hälfte der Spur 0 mit einer Modellspurweite von 16,0 mm.[19]
Diese Spielzeugeisenbahn wurde von Bing entwickelt und von Beginn an unter dem Markennamen Bing Table Railway von Bassett-Lowke vertrieben. 1924 erschien die Bing-Tischeisenbahn auch als elektrische Spielzeugeisenbahn mit dem um einen in der Gleismitte zusätzlich isoliert angebrachten Gleis ergänzten Blechböschungsgleissystem der Uhrwerkbahn. Die elektrischen Lokomotiven hatten einen Allstrommotor und wurden ab Batterie oder Akku mit 6 Volt Gleichspannung oder aber auch mit einem entsprechenden Netzgerät mit 8 Volt Wechselspannung betrieben werden.[20] Der Fahrtrichtungswechsel der Lokomotiven erfolgte dabei von Hand. Ab 1924 vertrieb Bing diese Spielzeugeisenbahn selbst auf dem deutschen Markt, obschon die damaligen Produkte stark auf den englischen Markt ausgerichtet waren.
Infolge der Weltwirtschaftskrise ging Bing 1932 in Konkurs und stellte die Herstellung ein.
Bing Tischeisenbahn von Karl Bub, 1935

Die Formen und Werkzeuge wurden von Karl Bub übernommen, dieser Hersteller führte die Produktion in leicht veränderter Form und um wenige eigene Produkte ergänzt, von 1935 bis 1937 weiter. Die elektrischen Lokomotiven fuhren nun mit 18 Volt Gleich- oder Wechselspannung, die Fahrtrichtung wurde von Hand umgeschaltet.
Tischeisenbahn von Karl Bub, 1938
Auf der Grundlage der von Karl Bub weiter fabrizierten Bing-Tischbahn entwickelte das Unternehmen eine eigene Tischbahn, jedoch mit einer Modellspurweite von 16,5 mm statt 16,0 mm, die in den Jahren 1938 und 1939 vertrieben wurde.
Mignon Modelleisenbahn von JEP (Jouet de Paris), 1926
Auch die 1926 erschienene Mignon Modelleisenbahn von JEP in Frankreich, nicht zu verwechseln mit der nach dem Zweiten Weltkrieg in Deutschland vertriebenen Mignon-Modelleisenbahn, entsprach der Hälfte der Spur 0. Sie orientierte sich stark an den Modelleisenbahnen von Bing, war aber noch eine Starkstrom-Modelleisenbahn. Sie fuhr auf Gleisen mit einer Spurweite von 18 mm (gemessen über die Mitte der Schienenköpfe) beziehungsweise 16,5 mm (gemessen von Schienenkopf-Innenkante zu Schienenkopf-Innenkante).[21] Auch sie war den späteren Spuren 00 und H0 zeitlich voraus und war 1926 die erste Modelleisenbahn dieser Baugröße, die nicht nur eine funktionsfähige Systemoberleitung hatte, sondern schon zusammen mit einer Oberleitung einen Zweizug-Betrieb ermöglichte. Wenn auch das Dreischienen-Zweileiter-Gleissystem mit der in der Mitte angebrachten, isolierten Schiene in den Startpackungen mit den elektrischen Dampflokomotiven verkauft wurde, so enthielten die Startpackungen mit den Elektrolokomotiven nur ein Zweischienen-Gleissystem, dessen Schienen nicht isoliert waren, dafür aber eine auf die Gleisgeometrie abgestimmte Oberleitung.
1934 wurde die Produktion infolge der Weltwirtschaftskrise eingestellt, die kleine System-Modelleisenbahn war, wie die Bing-Tischeisenbahn, kein wirtschaftlicher Erfolg.[22]
Spur 00 und Spur H0

Dieses Kapitel bezieht sich auf die heutige Spur 00 und Spur H0. Nicht auf die Spur 00 die in der ersten Hälfte des 20. Jahrhunderts auch für Modelleisenbahnen verwendet wurde, die etwas kleiner als die Spur 0 aber größer als die heutige Spur 00 sind.
Der Ursprung der Spur H0 und der Spur 00
Zu Zeiten der Bing-Tischeisenbahn stellte A. R. Walkley 1926 in Großbritannien eine kleine Modelleisenbahn-Anlage her, vergleichbar einem heutigen Betriebsdiorama, die sämtliche Merkmale der heutigen Spur H0 aufwies: Modellspurweite von 16,5 mm, Maßstab 1:87 (3,5 mm scale), Zweischienen-Zweileiter-Gleissystem, Gleichstrombetrieb, auffahrbare Weichen, automatische Kupplungen.
Bereits 1927 sind dann die Begriffe Spur 00 und Spur H0 in Nordamerika und in Großbritannien bekannt:
- Britische Spur 00 (4 mm scale, Maßstab 1:76) mit einer Modellspurweite von 16,5 mm.
- Amerikanische Spur 00 (4 mm scale, Maßstab 1:76) mit einer Modellspurweite von 19,0 mm.
- Spur H0 (3,5 mm scale, Maßstab 1:87) mit einer Modellspurweite von 16,5 mm.
Es bestand vor dem Zweiten Weltkrieg ein großes Interesse an einer Modelleisenbahn in der halben Spur 0, auch wenn die Bing-Tischeisenbahn nicht wirklich ein Erfolg war. Dass sich in Großbritannien der Maßstab 1:76 und in Nordamerika der Maßstab 1:87 in kurzer Zeit durchsetzten, dies beiderorts auf Gleisen mit einer Modellspurweite von 16,5 mm, hatte folgende Gründe:
- Es war technisch schwierig, die damals bereits vorhandenen kleinen Allstrom- und Gleichstrom-Elektromotoren (Wechselstrom- und Permanentmagnet-Gleichstrom-Elektromotoren) in den Modelleisenbahn-Triebfahrzeugen nach den damaligen (Dampf-)Lokomotiv-Vorbildern unterzubringen. Da das Lichtraumprofil und damit die Größe der Schienenfahrzeuge im Querschnitt in Großbritannien etwas kleiner war als in Kontinentaleuropa und wesentlich kleiner als in Nordamerika, wurde für die Nachbildung ein Maßstab gewählt, bei dem die Lokomotiven etwa denselben Querschnitt für die Unterbringung der Elektromotoren hatten.[23] Modelleisenbahnfahrzeuge nach britischen Vorbildern im Maßstab 1:76 wirken damit etwa gleich groß wie die amerikanischen und kontinentaleuropäischen Modelleisenbahn-Fahrzeuge im Maßstab 1:87.
- Dass für die Modell-Spurweite 16,5 mm statt 16,0 mm, entsprechend der Hälfte der der Spur 0, angewendet wurde, liegt daran, dass die Amerikaner wie auch die Briten von Anfang an Modellschienen verwendeten, die auch in etwa dem Vorbild entsprachen und nicht den von den damaligen größeren Modelleisenbahnen bekannten aus Blech hergestellten spielzeughaft wirkenden Schienen mit einem runden Schienenkopf. Die Schienen und Räder wirkten feiner und waren nicht breiter als bei den zuvor von Bing auf den Markt gebrachten Räder der Lokomotiven und deren dazugehörenden Blechschienen mit einer Modellspurweite von 16,0 mm, die sich anfänglich auch bei Trix Express wiederfand, diese hatten aber eine etwas größeres Radsatzinnenmaß, was den Einbau kleiner Elektromotoren begünstigte.
Da im Maßstab 1:76 die Normalspur des Vorbildes im Modell nicht 16,5 mm beträgt, gab es kurzzeitig in Nordamerika Modelleisenbahner, die auf eine Modellspurweite von 19,0 mm setzten. Sie geriet dort bald in Vergessenheit, gelangte aber um den Zweiten Weltkrieg herum in Form der Spur EM mit einer Modell-Spurweite von 18,2 mm wieder nach Großbritannien. Sie hatte die ursprünglich nur vom British Model Railways Standards Bureau (BRMSB) geforderten 18,0 mm der Spur EEM mit einer Modell-Spurweite von 18,2 mm (später als Spur EM bezeichnet) und der Spur P4 beziehungsweise Spur S4 mit einer Modell-Spurweite von 18,83 Millimetern. Sie erlangten jedoch allesamt nur einen marginalen Marktanteil, auch weil es bis heute keinen Großserienhersteller gibt, der in Großbritannien auf eine maßstäbliche Spurweite setzt. Bei dieser Minderheit an Modelleisenbahnern ist heute (Stand 2023) die Spur P4[24] beziehungsweise S4 maßgebend beim exakten Maßstab 1:76,2.
Zuvor hatte Märklin eine mit Spur 00 bezeichnete Spielzeugeisenbahn im Programm, die Liliput-Eisenbahn, aber noch nicht mit der Modell-Spurweite 16,5 mm, sondern mit einer Modellspurweite von 26 mm (gemessen über die Mitte der Schienenköpfe). Sie soll von 1912 bis 1932 erhältlich gewesen sein. Auch Bing und Bub hatten Spielzeugeisenbahnen in Spurweiten zwischen 20 und 28 mm (1912, Bing, Batterieantrieb) im Programm. Auch sie entsprechen in etwa der Spur S und sind damit kleiner als die Spur 0.
Trix Express sowie Märklin und die Spur 00 (1935)

Nach dem Konkurs der Firma Bing wechselte Stephan Bing mit einigen seiner Ingenieuren zur Firma Vereinigte Spielwarenfabriken Andreas Förtner und J. Haffner’s Nachf. KG und schuf dort die Marke Trix.
Als die Deutsche Reichsbahn 1935 das Jubiläum 100 Jahre Eisenbahn in Deutschland feierte, wurde zunächst zur Leipziger Frühjahrsmesse von TRIX Express die Spur 00-Modelleisenbahn mit einem Dreileiter-Bakelitgleis, das einen Zweizugbetrieb ermöglichte, vorgestellt. Die Trix Express Modelleisenbahn war eine Weiterentwicklung der Bing-Tischeisenbahn. Das Schienensystem basierte auf dessen Geometrie und hatte anfänglich auch eine Modellspurweite von 16,0 mm. Neu war der fernbedienbare Fahrtrichtungsumschalter in dieser Baugröße. Die Trix Express-Lokomotiven besaßen zunächst Motoren mit Feldwicklung (Allstrommotoren) und wurden mit Wechselstrom betrieben. Eine Schaltwalze ermöglichte in Verbindung mit einem speziellen Fahrregler den Fahrrichtungswechsel. Das TRIX Express-Programm war bereits als Modelleisenbahn konzipiert und wurde dank der großen Resonanz und Nachfrage schrittweise weiter ausgebaut und um neue Funktionen (zum Beispiel automatische Kupplungen, fernbedienbare Entkupplungsgleise, Lokomotiven mit Lichtwechsel und fernbedienbarer Kupplung, Signale mit Zugbeeinflussung) ergänzt. Die Lokomotiven waren nun im Zinkdruckguss-Verfahren gefertigt, die Wagen bestanden weiterhin aus lithografiertem Blech.

Zur Leipziger Herbstmesse 1935 stellte Märklin sein Spur 00-Programm vor, jedoch mit der Modellspurweite von 16,5 mm und mit einem Dreischienen-Zweileiter-Gleissystem, und baute es im Wettbewerb mit Trix aber mit einem zu Trix inkompatiblen Angebot aus. Märklin verwendete dafür anfänglich auch Gleichstrom. Die Lokomotiven mit einer Handumschaltung konnten sowohl mit Wechselstrom als auch mit Gleichstrom betrieben werden und besaßen einen Allstrommotor. Die Lokomotiven mit einer Fernumschaltung wurden mit Gleichstrom betrieben. Sie besaßen jedoch anfänglich keinen Fernumschalter, sondern eine doppelte, im Gegensinn gewickelte, Wicklung des Stators, die über jeweils eine Diode fahrtrichtungsabhängig mit Strom versorgt wurde. Diese Schaltung kennen einige Modelleisenbahner auch noch heute. Es ist noch heute bei Triebfahrzeugen von Märklin mit Allstrommotor möglich, das Umschaltrelais auszubauen und an dessen Stelle zwei Dioden einzubauen und die Triebfahrzeuge mit Gleichstrom zu betreiben, um den bekannten Bocksprung vollständig zu vermeiden und die Fahrtrichtung eindeutig bestimmen zu können, ohne ein Permanentmagneten anstelle der Statorwicklung einbauen zu müssen.
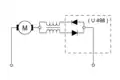
-
Schema Märklin-Allstrommotor mit zwei Feldspulen und Handumschalter H 498, im Einsatz 1935–1938 -
Schema Märklin-Allstrommotor mit zwei Feldspulen und Fernumschalter U 498, im Einsatz 1935–1938 -
Schema Märklin-Allstrommotor mit zwei Feldspulen und Fahrtrichtungsschalter mit Schaltwippe 20824, wie er ab 1957 eingebaut wurde -
Fahrtrichtungsschalter mit Schaltwippe 20824, wie er ab 1957 eingebaut wurde, hier in einer Ae 6/6 3050, hergestellt 1964–1985.
Der Handumschalter H 498 und der von Märklin selbst als Fernumschalter bezeichnete Fernumschalter H 498 wurden in den Spur 00 Triebfahrzeugen (Lokomotiven und Triebwagen) der Serie 700 verbaut. Ein Triebfahrzeug mit einem Handumschalter H 498 konnte auf einen mit Fernumschalter H 498 umgerüstet werden. Jahre später verwendete der spanische Modelleisenbahn-Hersteller Electrotren in seinen Spur H0-Lokomotiven einen zu Märklin bauähnlichen Allstrommotor mit zwei Feldspulen die gegensinnig gewickelt waren. Bei den Lokomotiven von Electrotren für das mit Gleichstrom betriebene Spur H0 Zweischienen-Zweileiter-Schienensystem wurden die beiden Feldspulen auch über Dioden fahrtrichtungsabhängig angesteuert und damit kein Permanentmagnet verwendet.
Märklin stellte 1938 aus technischen Gründen, da die damaligen Selen-Gleichrichter und -Dioden noch nicht wirklich Kurzschlussfest waren, auf den heute bekannte Wechselstrombetrieb um. Die Fahrtrichtungsumschaltung erfolgte nun mit einem kurzen Überspannungsimpuls von 24 V Wechselspannung auf ein Fahrtrichtungsschalter. Dieser Überspannungsimpuls lag über der maximalen Fahrspannung von 16 V Wechselspannung.
Sowohl Trix wie Märklin fingen zunächst mit vereinfachten und verkürzten Fahrzeugen an, wobei durchaus versucht wurde, den typischen Charakter der Vorbilder nachzuahmen.
Bereits ab 1937 wurden die ersten realistischeren Modelle mit annähernd maßstäblichen Längen und Achsfolgen z. B. die Pacific Artikel 20/57[25] von Trix oder die Artikel HR 700 von Märklin, beide eine Nachbildung einer Schlepptender-Schnellzug-Dampflokomotive der Baureihe 01 der Deutschen Reichsbahn Gesellschaft (DRG) sowie real existierende Bahnhofsgebäude, wie der Hauptbahnhof Stuttgart von Märklin, nachgebildet.
Trix hatte mit seinem erstmals 1937[26] erschienenen Handbuch 1:90 bereits sehr stark den Modelleisenbahngedanken gefördert und für realistische Betriebsabläufe geworben. Entsprechend wurde auch das Zubehör ausgebaut, wie durch vielfältige realitätsnahe Signale mit elektrischen Steuerungen und Zugbeeinflussungen.


Durch die Nürnberger Rassegesetze waren im Frühjahr 1938 der jüdische TRIX-Firmengründer, Stephan Bing, und seine Gesellschafter gezwungen, ihr Unternehmen zu verkaufen und ihr Heimatland Deutschland zu verlassen. Sie führten in England die Entwicklung der Trix Express Modelleisenbahn unter dem Namen Trix Twin Railway fort. Die Produkte der deutschen und englischen Trix Fertigung blieben trotzdem weiterhin kombinierbar. Das gleiche Schicksal ereilten viele andere jüdische Eigentümer von Eisenbahn- und Spielwarenfabriken, die meist in Nürnberg ansässig waren. Hierzu gehörten auch die Gründer von Doll, die nach Boston in den Vereinigten Staaten auswanderten und sich nach dem Krieg ihre Aktienteile von Fleischmann, von denen sie 1938 übernommen worden waren, auszahlen ließen.
Die Spur H0 setzt sich bereits 1937 durch

1937 warb der amerikanische Modelleisenbahn-Hersteller Pittman Electric Development, ein Hersteller von Spur-0-Überlandstraßenbahn (Interurban), unter dem Markennamen Pittman für einen kleinen rechteckigen 6-Volt-Permanentmagnet-Gleichstrommotor mit einer Größe von 1 5⁄8 in x 1⁄2 in x 3⁄4 in (41,3 mm × 12,7 mm × 19,5 mm / Länge × Breite × Höhe) und wurde später zum Synonym für hochwertige Motoren für die Autos der Autorennbahnen (Slot-Cars).
Die amerikanische Firma Mantua Metall Products lancierte unter dem Markennamen Mantua eine Modelleisenbahn und ein Gleissystem, das damals der Zeit voraus war. Mantua lancierte eine Spur H0-Modelleisenbahn mit einem Zweischienen-Zweileiter-Gleissystem, wie wir es heute kennen, inklusive den entsprechenden umgangssprachlich als schlank bezeichneten Weichen. Grundlage war ein vorbildlicher Schwellenrost ohne Böschung. Gefahren wurde anfänglich mit 6 Volt Gleichspannung. Mantua bezeichnete sich schon bald als erster Modelleisenbahnhersteller für die Spur H0.[27]
Bei den Lesern der englischsprachigen, US-amerikanischen Zeitschrift Model Rairoader[28] fand in der Zeit um den Zweiten Weltkrieg eine signifikante Verschiebung des Marktanteiles von der Spur 0 zur Spur H0 und Spur 00 statt, jedoch ohne Einfluss der beiden deutschen Firmen Märklin und Trix.
| Spur | Jahr | ||
|---|---|---|---|
| 1937 | 1942 | 1947 | |
| H0 (HO) | 33 % | 53 % | 54 % |
| 00 (OO) | 10 % | 13 % | 8 % |
| S | 6 % | ||
| 0 (O) | 50 % | 30 % | 28 % |
Im Jahre 1938 brachte der britische Modelleisenbahnhersteller Hornby eine Modelleisenbahn in der Spur 00 unter dem Markennamen Hornby Dublo auf den Markt. Diese fuhr auf einem Dreischienen-Zweileiter-Gleissystem. Der Mittelleiter war auf dem Blechböschungskörper isoliert montiert.[29] Die Lokomotiven fuhren mit 12 Volt Gleichstrom und besaßen bereits Gleichstrommotoren mit einem Permanentmagneten.
Ebenfalls 1938 trat der amerikanische Modelleisenbahn-Hersteller American Flyer mit einem umfangreichen Spur H0-Programm mit einem Böschungsgleis aus Bakelit für das Zweischienen-Zweileiter-Gleissystem, das bereits die Modellspurweite von 16,5 mm hat, auf den Markt. Gefahren wurde mit Wechselstrom. Da es sich um Allstrommotoren handelte, konnte auch mit Gleichstrom gefahren werden. American Flyer verwendete von Anfang für die Modellspurweite von 16,5 mm die Begriff der Spur H0 und 3,5 mm scale entsprechend einem Maßstab von 1:87.[30] American Flyer war damit der erste Großserienhersteller der ein Zweischienen-Zweileiter-Gleissystem mit einer Böschung im Programm hatte.
Auch ein weiterer amerikanischer Modelleisenbahn-Hersteller lancierte 1938 Produkte für die Spur H0: Knapp Electric. Knapp Electric produzierte schon früher Modelleisenbahnen. So produzierte Knapp Electric in den 1910er Jahren elektrische Modelleisenbahnen bereits für ein Zweischienen-Zweileiter-Gleissystem mit einer Spurweite von 2 Zoll (2 in, 51 mm) die mit 4 beziehungsweise 6 Volt Gleich- oder Wechselspannung fuhr.[31][32] Hörte damit aber wieder auf. Nach einem Unterbruch begann die Entwicklung und Produktion wieder, aber dieses Mal für die Spur H0 auch mit einem Zweischienen-Zweileiter-Gleissystem im Gleichstrombetrieb. Die amerikanische 4-8-2 Mountain Dampflokomotive war nach Grundsätzen konstruiert die noch heute aktuell sind: Ein im Führerhaus untergebrachter kleiner Permanentmagnet-Gleichstrommotor trieb die Triebräder der Lokomotive über eine Art Kardanwelle und ein Schneckengetriebe an.[33] Diese Produktion war aber erneut nicht Nachhaltig und musste 1941 infolge des Zweiten Weltkrieges wieder aufgegeben werden.[34] Teile davon, so die amerikanische 4-8-2 Mountain Dampflokomotive, wurde aber schon bald von Browser übernommen und weiter vertrieben. Dabei wurde aber der Knapp Electric Motor durch einen kleinen Pittman DC71 Permanentmagnet-Gleichstrommotor für 12 Volt Gleichspannung ersetzt. Pittman Electric Development setzte schon bald mit den beiden kleinen Permanentmagnet-Gleichstrommotoren DC72 und DC60 auch bei den Modelleisenbahnen sichtbare Akzente.[35][36][37][38]
1943 realisiert der französische Modelleisenbahn Hersteller Antal seine Paris-Lyon-Méditerranée[39] (PLM) Pacific 231 G. Das Modell im Maßstab 1:87, für das Dreischienen-Zweileiter-Gleissystem und den Betrieb mit 20 Volt Wechselspannung, setzte Akzente bezüglich hochwertigen Modellen aus industrieller Fertigung. Dies führte 1946[40] zur Gründung des Schweizerischen Kleinserienherstellers Fulgurex, dessen Ursprung auf eine Vertretung von Antal in Lausanne in der französischsprachigen Westschweiz liegt. Im Jahre 1959 verkaufte der französische Modelleisenbahn-Händler Baby-Trains das Modell für 16'500 F (Französischer Franc|Französischer Franc, anciens francs) und damit rund das 4,5-fache der damaligen 231 C Pacific von Jouef die für 3'600 F angeboten wurde.
_und_gerade_Vollon_%2526_Brun_Geleise%252C_beide_mit_B%C3%B6schung%252C_2024.jpg)
Der französische Modelleisenbahnhersteller Vollon & Brun (VB) lanciert 1945 ein Modellgleissystem mit Böschung für die Spur H0 mit schlanken Weichen und großen Radien. Das Dreischienen-Zweileiter-Gleissystem war seiner Zeit voraus, so dass Märklin 1953 auf der Grundlage von Lizenzen[41] das Gleissystem übernahm und ein weitgehend baugleiches eigenes Dreischienen-Mittelleiter-Gleissystem auf den Markt brachte. Märklin realisierte mit dem als Modellgleis bezeichneten Gleissystem erstmals serienmäßig ein Gleissystem mit Punktkontaten. Beide Gleissysteme waren kompatibel. Beide Glessysteme scheiterten aber auf dem Markt da diese verhältnismäßig teuer waren. So wurde 1957 von Märklin nur noch ein reduziertes Programm angeboten. 1958 erschien es dann nicht mehr im Märklin Katalog.[42][43] Vollon & Brun setzte die Fertigung noch mehrere Jahre fort wurde jedoch 1960 von Tri-ang übernommen. 1962 stellte Tri-ang die Fertigung von Produkten von Vollon & Brun ein, darunter auch ein noch 1959 unter Vollon & Brun erschienenes Modellgleis ähnlicher Bauart für das Zweischienen-Zweileiter-Gleissystem.

1948 stellte die in Wien in Österreich ansässige Firma Kleinbahn ihre Spur H0-Modelleisenbahn auf der Wiener Herbstmesse vor. Es war auf dem Kontinent die erste industriell hergestellte Modellbahn für das Zweischienen-Zweileiter-Gleichsystem in Spur H0 mit dem Betrieb mit Gleichstrom, dieses sollte sich in Folge als das dominierende System durchsetzen. 1948 war auch der Beginn der Modelleisenbahnproduktion der in Wien ansässigen österreichischen Firma Liliput. Liliput stellte anfänglich Modelleisenbahn-Produkte für den Gleichstrombetrieb sowohl für das Dreischienen-Mittelleiter-Gleissystem von TRIX-Express wie auch für das Zweischienen-Zweileiter-Gleichsystem her. Zeitweise waren die Fahrzeugmodelle von Liliput neben den beiden Systemen auch in einer Wechselstrom-Ausführung für das Dreischienen-Mittelleiter-Gleissystem von Märklin lieferbar.[44] Wobei die Produkte der Firma Kleinbahn wie auch diejenigen der Firma Liliput sich anfänglich stark glichen. Beide Firmen verwendeten anfänglich für den Antrieb der Lokomotiven den sogenannten Wehrmachtsmotor[45], bevor sie dann jeweils einen eigenen Permanentmagnet-Gleichstrommotor entwickelten, die sich im Wesentlichen nur durch die Anordnung der Kollektoren unterschieden.
1950 legte an einem Kongress in Stuttgart an dem Vertreter aus den Länder des späteren Verbandes der Modelleisenbahner und Eisenbahnfreunde Europas (MOROP), der Firmen Trix und Märklin teilnehmen, die Spur H0 mit einem Massstab von 1:87 und einer Modellspurweite von 16,5 mm fest.[46]
1952 stellte die Firma Fleischmann aus Nürnberg erstmals ihre Spur H0-Modelleisenbahn vor. Zeitweise gehörte Fleischmann zu den führenden Modelleisenbahnherstellern in Deutschland. Sowohl Kleinbahn wie auch Fleischmann setzten von Beginn an bei der Spur H0 auf das Zweischienen-Zweileiter-Gleissystem mit Gleichstrom. Kleinbahn wie auch Fleischmann wählten 14 Volt Gleichstrom für den Fahrbetrieb.
Die Modelle wurden immer konsequenter maßstabs- und detailgetreuer den Vorbildern nachempfunden. Die Sortimente der Hersteller wurden systematisch ausgebaut. Zudem eröffneten bereits in den 1940er Jahren neue Technologien der Kunststoffverarbeitung (Spritzguss) völlig neue Möglichkeiten der detaillierten Modellnachbildung, die mit der vorher üblichen Herstellungsweise aus lithografiertem Blech nur eingeschränkt möglich gewesen wären.

Der Begriff Spur 00 stand in Kontinentaleuropa auch nach dem Zweiten Weltkrieg längere Zeit erst für eine Modell-Spurweite von 16,5 mm (ausgenommen Trix Express mit anfänglich 16,0 mm) und nicht auch spezifisch für eine Nenngröße beziehungsweise Baugröße im Maßstab 1:87. Er wurde erst in den 1950er Jahren in den Begriff Spur H0 für die Wiedergabe von Modelleisenbahnen mit der Normalspur überführt verbunden mit dem Maßstab 1:87. Zeitgleich entstand auch der Begriff der Nenngröße H0 mit den dazugehörenden Spuren H0, H0m, H0e und H0f. Dies wurde dann 1958 in den Normen Europäischer Modellbahnen festgehalten. Erst langsam aber setzte sich bei den kontinentaleuropäischen Modelleisenbahnern die Spur H0 verbunden mit einem Maßstab von 1:87 durch. So setzte Trix Express längere Zeit auf einen Maßstab von 1:90 und Fleischmann erst auf einen Maßstab von 1:82 und dann 1:85.
Trix Express stellte 1953 aus technischen Gründen den Betrieb von Wechselstrom auf Gleichstrom um. Bei TRIX Express wurde die Fahrrichtungsumschaltung ursprünglich so realisiert, dass nach einem kurzen Spannungsabfall mit der vollen Betriebsspannung von 14 V über eine Schaltklinke und ein Schaltrad eine Schaltwalze weitergedreht wurde. Dies führte zu Situationen wo im Fahrbetrieb bei kurzzeitigen Stromunterbruch unbeabsichtigt und unmittelbar die Lokomotive die Fahrtrichtung wechselte.
Noch bis in die 1950er Jahre war zumindest in Deutschland die Stromversorgung der Haushalte uneinheitlich. Erst in den 1960er Jahren setzte sich als Niederspannung einheitlich 220 Volt Wechselspannung beziehungsweise 380 Volt Drehspannung durch (heute 230 Volt Wechselspannung beziehungsweise 400 Volt Drehspannung).[49] Vorher war sowohl Gleichspannung wie auch Wechselspannung in jeweils unterschiedlicher Höhe gängig. Bei Gleichspannung war dies 110 oder 220 Volt Gleichstrom, bei Wechselspannung gab es neben den Netzen mit 220 Wechselspannung beziehungsweise 380 Volt Drehspannung auch solche mit 127 Volt Wechselspannung beziehungsweise 220 Volt Drehspannung.
Die Spur H0 und Spur 00 wird Marktleader
Bereits in den 1960er Jahren waren weitgehend maßstäbliche Fahrzeuge in der inzwischen dominierenden Nenngröße H0 im Maßstab 1:87 mit der Spur H0 verbreitet. Zur Spur H0 stellten sich nun in Europa auch Produkte für die Spur H0e und Spur H0m, in Amerika für die Spur H0n3 verbreitet hinzu.
Eine wesentliche Ausnahme zeigte sich bei den Reisezugwagen die zu einem größeren Teil weiterhin verkürzt wurden. Bei den in Deutschland massgebenden Modelleisenbahnhersteller Märklin, Trix und Fleischmann war weiterhin eine Länge von 24 Zentimetern üblich, dieser Wert wurde aber – insbesondere von der Firma Röwa – recht bald auf 26,4 Zentimeter vergrößert, was zu einem Längenmaßstab von 1:100 für die 26,4 Meter Wagen der UIC-X-Bauart führte. Meist werden nur Wagen verkürzt, die einen gewissen Längen-Grenzwert überschreiten, was in gemischten Zügen mit Wagen die unterschiedliche Längenmaßstäbe haben teilweise zu verzerrten Proportionen führen kann.

Die ersten maßstäblichen UIC-X-Wagen nach Vorbildern aus Deutschland und Italien erschienen im Jahre 1967 beim italienischen Hersteller Rivarossi, die jedoch im Breitenquerschnitt eher im Maßstab 1:85 gehalten waren. Der österreichische Modellbahn-Hersteller Liliput offerierte 1970 eine Serie schweizerischer UIC-X-Wagen, ein Jahr später ebenso Modelle der Deutschen Bundesbahn. Erst 1976 folgte der französische Hersteller Jouef mit in der Ausführung recht einfach gehaltenen Serien UIC-X-Wagen nach deutschen, 1977 nach Schweizer Vorbild. Dem folgte 1978 eine Serie mit Corail-Abteilwagen der SNCF. Diese Wagenserien blieben jedoch in der Folgezeit unergänzt.
Der von Willy Ade nach der Röwa-Konkurs neu gegründete Hersteller 'ade' (Ade-Modelleisenbahn GmbH) brachte ab 1976 ebenso maßstäbliche und in bisher nicht gekannter Detaillierung Wagen nach deutschen UIC-Vorbildern heraus, die aber gleich auch Typen wie Silberlinge und IC- und TEE-Wagen umfassten. Das sowohl als recht teure Fertigmodelle wie auch Bausätze umfassende Programm wurde in der Folgezeit mit sehr vielen Varianten des Vorbilds, meistens durch einmalige Sonderserien, erheblich aufgeweitet.
Mit den Eurofima-Wagen stieg die österreichische Firma Roco ab 1983 in dieses Marktsegment ein. Zuerst erschien die SNCF-Ausführung, dann folgten die andren Bahnverwaltungen. 1987 folgte Lima mit Vorbildern von Corail-Großraumwagen. Trotz Ankündigungen seit 1987 wurden dann von Lima ab 1989 ebenso maßstäbliche Modell der TEE/IC-Wagen der DB, ab 1990 Wagen der Silberling-Typen auf den Markt gebracht, womit Lima Anschluss an das Niveau der anderen Modellbahnhersteller fand.
| Firma | Beschäftigte | Bemerkung |
|---|---|---|
| Faller | 450 | Zubehörhersteller |
| Fleischmann | 600 | Vollsortimenthersteller, heute Modelleisenbahn Holding |
| HAG | 40 | Fahrzeugmodelle, HAG Mörschwil |
| Jouef | 1300 | Vollsortimenthersteller, heute Hornby |
| Kibri | 200 | Zubehör, heute Viessmann |
| Kleinbahn | 150 | Vollsortimenthersteller, 2021 Produktion eingestellt |
| Liliput | 450 | Vollsortimenthersteller, heute Bachmann |
| Lima | 1200 | Vollsortimenthersteller, heute Hornby |
| Märklin | 1700 (1976/1977) | Vollsortimenthersteller, heute Simba-Dickie |
| Rivarossi | 300 | Vollsortimenthersteller, heute Hornby |
| Roco | 800 | Vollsortimenthersteller, heute Modelleisenbahn Holding |
| Trix | 450 | Vollsortimenthersteller, heute Märklin |
In den weiteren Jahren (Ende der 1990er Jahre) war ein umfangreiches Angebot an maßstäblichen Wagen vornehmlich von kleineren Herstellern entstanden. Von den drei Großen (Märklin, Trix und Fleischmann) des westdeutschen Marktes traute sich zunächst einzig Fleischmann ab 1990 an etwas längere Wagen – man nutzte einen Längenmaßstab von 1:93 und damit eine Länge von 282 Millimetern. Seit 2006 hat auch Märklin Wagen in diesem Maßstab im Angebot. Roco hatte schon 1982 sich an diese Wagenlänge gewagt, nach Vorbild der schweizerischen Einheitswagen IV, um die Aufnahmefähigkeit des breiten Marktes für längere Wagen zu testen.
Seit einigen Jahren werden die bisherigen 1:100-Modelle von Roco und Piko preisgünstig angeboten und inzwischen praktisch durchweg als Einsteigermodelle eingestuft, wogegen in den höheren Preis- und Detaillierungsklassen nur in den Längenmaßstäben 1:93 oder gleich 1:87 angeboten wird. In einigen europäischen Ländern, insbesondere in Frankreich, gibt es heute überhaupt keine verkürzten Wagen mehr auf dem Markt.
Noch kleinere Spurweiten

Nach dem Zweiten Weltkrieg lief die Fertigung und die Auslieferung von Spielzeug- und Modelleisenbahnen an die privaten Verkäufer durch die bekannten Firmen nur langsam wieder an. In dieser Zeit entwickelten einige kleine Firmen neuartige kleine Bahnen, wie die Firma Staiger mit der Mignon-Bahn und der Modell-Spurweite von 10 mm sowie die Firma Löhmann mit der Präzix-Bahn mit der Modell-Spurweite von 13 mm. Diese Modelleisenbahnen wurden nur wenige Jahre produziert, bewiesen aber die technische Möglichkeit, kleinere Nenngrößen zu bauen. Etwas länger produziert wurden die WESA-Modelleisenbahnen mit einer Modell-Spurweite von 13 mm und einem Maßstab von anfänglich etwa 1:110, dann 1:100.
Spur TT
Auf der Hannovermesse 1949 präsentierte Rokal eine Modelleisenbahn im Maßstab 1:120 mit einer Modellspurweite von 12 mm, die über einen längeren Zeitraum produziert wurde und zur Etablierung der Nenngröße TT führte. In der Deutschen Demokratischen Republik (DDR) erlangte die Spur der Mitte – wie sie nach dem Erscheinen der Nenngröße N oft genannt wird – eine größere Bedeutung als in der Bundesrepublik Deutschland (BRD). So blieb die niederrheinische Firma Rokal, später Röwa, in Deutschland einziger Hersteller dieser Baugröße. Als diese 1974 Konkurs anmeldete, schien das Ende dieser Spur im Westen besiegelt. Nicht so in der DDR, wo sie eine beliebte und weit verbreitete Nenngröße darstellte (Zeuke).
Spur N
Ära der britischen Modellbauer

1923, im selben Jahr, in dem die durch die Herren Bassett-Lowke und Bing initiierte, bei der Firma Bing in Deutschland hergestellte elektrische Spielzeugeisenbahn in der halben Größe der Spur 0 unter dem Markennamen Bing Table Railway mit einer Modell-Spurweite von 16 mm am Markt erschien, baute H. B. Whall aus Kew, einem Vorort von London in Großbritannien, eine elektrisch betriebene Modelleisenbahn in der Nenngröße 000 („2 mm scale“), im Maßstab 1:152,4, die die Normalspur mit einer Modell-Spurweite von 9,2 mm wiedergibt. Weitere Modellbauer folgten diesem Beispiel.
Ära der Großserienhersteller

1957 bringt Die Cast Machine Tools aus Großbritannien unter dem Markennamen Lone Star eine unmotorisierte Spielzeugeisenbahn bestehend aus Fahrzeugen mit Druckguss-Gehäusen und Kunststoffrädern auf den Markt, inklusive einem Gleissystem aus grauem Kunststoffschienen mit Gleisböschung, dies in der Nenngröße 000 mit einem Maßstab von 1:152 und mit einer Modell-Spurweite von 8,25 mm. Dieser Maßstab ist die Hälfte vom gerundeten Maßstab 1:76 der in Großbritannien verbreiteten Nenngröße 00. Die Modell-Spurweite ist genau die Hälfte von 16,5 mm der in Großbritannien üblichen Spur 00 der Nenngröße 00 oder der in Kontinentaleuropa üblichen Spur H0 der Nenngröße H0.
Die Casting Machine Tools führt 1960 unter dem Markennamen Treble-0-Lectric elektrisch angetriebene Lokomotiven in der Nenngröße 000 mit auf 9 mm vergrößerter Spurweite ein. Äußerlich unveränderte Modelle die vorher unter dem Markennamen Lone Star vertrieben wurden, werden nun mit 12 Volt Gleichspannungsmotoren über ein Gummiband angetrieben, ähnlich wie bei den Spur H0 Lokomotiven von Gégé. Die Casting Machine Tools fertig dazu ein passendes Wagensortiment, Gleissystem und entsprechendes Zubehör (Vollsortimenthersteller). Die Modell-Spurweite von 9 mm ist genau die Hälfte von 18 mm der in Großbritannien üblichen Spur EM (EM gauge, Eighteen Millimetre) der Nenngröße 00.
1962 an der Spielwarenmesse 1962[50] präsentierte die Firma K. Arnold aus Nürnberg seine eigene Modelleisenbahn unter dem Markennamen Arnold Rapido im Maßstab von 1:160 mit einer Modell-Spurweite von 9 mm, nachdem zuvor unter dem Markennamen Arnold Rapido 200 im Jahre 1960 eine Modelleisenbahn im Maßstab 1:200 auch mit einer Modell-Spurweite von 9 mm auf den Markt kam. Das Arnold Rapido 200 anfänglich auf Gleisen mit einer Spurweite von 8 mm gefahren sein soll[51] ist ein Mythos und widerlegt.[52][53][54]

1964 wurde die Modelleisenbahn im Maßstab von 1:160 mit der Modell-Spurweite von 9 mm in die Normen Europäischer Modellbahnen, in die Norm NEM 010 Maßstäbe, Nenngrößen, Spurweiten des Verbands der Modelleisenbahner und Eisenbahnfreunde Europas (MOROP) nachgetragen, und erhielt die Bezeichnung Spur N, da die Zahl Neun für die Spur N in vielen Sprachen mit einem N beginnt (N gauge, Nine millimetre).
Dieses sehr frühe Festlegen der relevanten Kenndaten der Spur N und den nun vorhandenen technischen Möglichkeiten der Großserienhersteller führte innert wenigen Jahren zu einem Boom der Nenngröße N mit der Spur N, da ein großer Teil der damaligen Modelleisenbahn-Hersteller mit einem entsprechenden Programm als Vollsortimenthersteller, als Fahrzeughersteller (Kleinserienhersteller) und als Zubehörherstellen am neuen aufstrebenden Marktsegment teilhaben wollten.
Dies führte zu einer raschen weltweiten Verbreitung, wobei auch gewissen regionale Eigenheiten sehr früh festgelegt wurden und sich die Modelleisenbahnhersteller weitgehend nach wie vor daran halten. So gilt in Japan für die Spur N und dessen Kapspurmodelle der Maßstab von 1:150. Die britischen Modellbauer verfolgten den bereits in den 1920er Jahren begonnenen Weg mit dem Maßstab von 1:152,4 (2 mm scale) fort, wobei auch sehr früh noch der Maßstab von 1:148 (Britisch N gauge, 2 1/16 mm scale) der britischen Großserienhersteller dazu kam.
Spur Z
Zwölf Jahre später, 1972, setzte Märklin die Marke einer Modell-Spurweite von 9 mm auf eine Modell-Spurweite von 6,5 mm herab. Die Spur Z in der Nenngröße Z in einem Maßstab von 1:220 war bis 2008 die kleinste funktionsfähige, industriell gefertigte Modellbahn.
Spur T
2008 stellt auf der Nürnberger Spielwarenmesse die kleine japanische Firma Eishindo eine Bahn im Maßstab 1:480 auf 3-mm-Spur T vor, die damals japanische Triebwagen anbot.[55] Inzwischen sind neben deutschen ICE und englischen HST auch englische Lokomotiven und Wagen erhältlich.[56]
Begriffe
Bodenläufer
Bodenläufer sind Modelleisenbahnen, die aus der Sicht eines Erwachsenen eher einer Spielzeugeisenbahn entsprechen, meist mit Rädern ohne Spurkranz die nicht auf ein Gleis angewiesen sind. Die Triebfahrzeuge (Lokomotiven) haben teilweise keinen Antrieb. Ist einer vorhanden, so handelt es sich um ein Uhrwerk, ein Schwungrad, Echtdampf oder einen Elektromotor der von einer Batterie oder einem Akkumulator gespeist wird. Bodenläufer werden auch gezogen, beispielsweise an einer Schnur, oder per Hand geschoben.
Kleinserienhersteller

Als Kleinserienhersteller gelten Modelleisenbahn Marken die ihre Produkte, meist Fahrzeugmodelle, für anspruchsvolle Modelleisenbahner und Sammler, in kleinen Auflagen mit hoher Vorbildtreue und damit einer hoher Detaillierung, in der Regel bei spezialisierten Hersteller, im Fernen Osten konstruieren und herstellen lassen. Infolge der Preisentwicklung wurden die Fahrzeugmodelle anfänglich meist erst in Japan, beispielsweise bei Micro Cast oder Tenshodo[57], dann in Südkorea, beispielsweise bei Samhongsa oder Nakamura[58] hergestellt. Heute erfolgt die Konstruktion und Fertigung meinst in China, beispielsweise bei Sandaken[59][60]. Kleinserienhersteller nach dem heutigen Verständnis gibt es seit Mitte des 20. Jahrhunderts. Als Pionier der Kleinserienhersteller gilt Fulgurex in Lausanne, Heute Rolle (beide Westschweiz). Fulgurex begann 1946 mit dem Import von in kleineren Serien handwerklich gefertigten Fahrzeugmodellen von Antal aus Frankreich und erkannte das Potential der nach dem damals möglichen Stand der Technik hergestellten Fahrzeugmodellen, bei denen die Detaillierung die der damaligen Großserienherstellern wie Hornby, Märklin oder Trix deutlich überschritten.
Die hergestellten Stückzahlen sind nicht immer so klein wie der Begriff zu erwarten lässt. Wenn auch beispielsweise bei Lemaco in der Spur H0 sich die Stückzahlen mit den entsprechenden Varianten meist um die 300 Stück bewegten, waren Stückzahlen mit den entsprechenden Varianten um die 500 Stück[61][62] keine Ausnahmen. Charakteristische Merkmale von Kleinserienmodelle sind, dass diese meist aus Messing, zum Teil auch Stahl, handgefertigt und handlackiert sind. Auch kommen hochwertige Antriebsmotoren zum Einsatz, Beispielswiese von Faulhaber oder Maxon. Bei den Messingteilen handelt es sich meist um Aetzteile und Schleudergussteile. Häufig fertigen Kleinserienhersteller auch weniger bekannte oder nur regional bekannte Fahrzeugmodelle, beispielsweise Fahrzeuge von Kleinbahnen, Schmalspurbahnen und Straßenbahnen, deren Herstellung sich für die Großserienherstellern mangels Rentabilität nicht lohnen.
Teppichbahn, Teppichbahning
Eine Teppichbahn ist eine, meist temporär, auf dem Fußboden einer Wohnung verlegte Modelleisenbahnanlage, das heißt auf einem Teppich oder einem anderen Bodenbelag. Bei den sogenannten „Teppichbahnern“ sind heute vorwiegend Gleise im Einsatz, die über eine Böschung und damit eine gewisse Stabilität verfügen. Typisch in der Spur H0 ist dabei das Märklin C-Gleis. Der Digitalbetrieb vereinfacht den Aufbau und den Betrieb solcher Modelleisenbahnen sowie Änderungen im Gleisbild heute signifikant. Teppichbahnen sind heute nicht nur im familiären Bereich anzutreffen, sondern werden auch von Gruppierungen Gleichgesinnter aufgebaut. Diese Anlagen sind zum Teil öffentlich und werden für einige Tage in größeren Säle oder Turnhallen eingerichtet. Teppichbahnen haben ihren Ursprung in frühen Spielzeug- und Modelleisenbahnen. Die damaligen Blechgleise (Tinplate-Gleise) der Spuren 0 und 1 wurden meist temporär auf dem Boden verlegt.
Darüber hinaus wird auch die LEGO Eisenbahn sowie viele weitere Spielzeugeisenbahnen, darunter die BRIO-Eisenbahn, von Nutzern überwiegend temporär auf dem Fußboden verlegt und betrieben, jedoch nicht als Teppichbahn bezeichnet. Der Begriff Teppichbahn hat damit seinen Ursprung in neuerer Zeit und wird primär von Modelleisenbahnern verwendet, die keine feste Anlage bauen. Der Betrieb einer Modelleisenbahn auf dem Fußboden nennt sich auch Teppichbahning.
Tischbahn (Table Railway)

Ältere gebräuchliche Bezeichnung für eine auf einem Tisch aufgebauten Modelleisenbahn-Anlage. Der Ausdruck basiert auf der von Bassett-Lowke und Bing in der ersten Hälfte der 1920er Jahre auf den Markt gebrachten Modelleisenbahn in der halben Größe der Spur 0 (Bing Table Railway)[63] Modelleisenbahnen auf einem Tisch beziehungsweise auf einer Holzplatte ähnlicher Größe fanden mit dem Aufkommen der Modelleisenbahnen für die Spuren H0 und 00 große Verbreitung. Tischbahnen sind auch der Grund, warum Modelleisenbahn-Hersteller auch heute noch Gleissysteme mit kleinen Radien anbieten. Die kleinsten handelsüblichen Radien der Spuren H0 und 00 für die Nachbildung der Normalspur betragen üblicherweise ca. 360 mm. Dies ermöglichte gerade noch den Aufbau von Anlagen mit einer Tiefe von ca. 800 mm.
Schleifer

Modelleisenbahnen mit einem Dreischienen-Zweileiter-Gleissystem mit einer stromführenden Schiene in der Gleismitte oder einem Zweischienen-Mittelleiter-Gleissystem mit einem stromführenden kammförmigen Stromleiter in der Gleismitte erfordern spezielle Schleifer zur Energieübertragung, um den Lokomotivmotor anzutreiben oder andere elektrische Funktionen wie die Beleuchtung zu versorgen. Diese Schleifer müssen für das jeweilige Gleissystem geeignet sein und einen federnden Kontakt zur stromführenden Schiene oder den Punktkontakten in der Gleismitte herstellen, um eine zuverlässige Stromversorgung sicherzustellen. Es gibt verschiedene Schleifer für die unterschiedlichen Gleissysteme, um eine reibungslose Stromabnahme zu gewährleisten.
Für Dreischienen-Zweileiter-Gleissysteme werden in der Regel löffelförmige Schleifer oder pilzförmige Schleifer verwendet. Auch rollenförmige Stromabnehmer sind bekannt.[64] Da diese Schleifer nur eine punktförmige Stromabnahme haben, werden sie oft paarweise eingesetzt, um kürzere Unterbrechungen des Stromleiters zu überbrücken, wie es beispielsweise bei Weichen der Fall ist.
Beim erstmals 1953 erhältlichen Zweischienen-Mittelleiter-Gleissystemen mit Punktkontakten, wie es heute bei Märklin in der Spur H0 üblich ist, kommt ein skiförmiger Schleifer zum Einsatz. Dieser kann kürzere Unterbrechungen überbrücken.
Starkstrom Modelleisenbahnlokomotive
Unter einer mit Starkstrom betriebenen Modelleisenbahnlokomotive versteht man eine Modelleisenbahnlokomotive, die mit einem vorgeschalteten Widerstand, meist einer Kohlenfadenlampe, direkt an das örtliche Gleich- oder Wechselstromnetz angeschlossen wurde.
Durch das Vorschalten eines Widerstandes wird dabei die Spannung je nach den verwendeten Produkten auf eine Spannung von etwa 35 bis 40 Volt reduziert.
Unveränderte historische Modelleisenbahn-Starkstromlokomotiven können in der heutigen Zeit sicher mit einem Labornetzgerät betrieben werden, das eine galvanische Trennung (Trenn-Transformator) zum Stromnetz bietet. Beim Betrieb mit Gleichspannung genügt dabei in der Regel eine maximale Spannung von etwa 15 bis 25 Volt. Beim Betrieb mit 50 oder 60 Hertz Wechselspannung ist eine Spannung von 30 bis 40 Volt notwendig. Idealerweise ist dabei, um Beschädigungen an den Elektromotoren zu vermeiden, die Stromstärke auf 2 Ampere zu begrenzen. Die doch etwas große Spannungsdifferenz beim Betrieb zwischen dem Betrieb mit Gleich oder Wechselspannung ist bedingt durch die erhebliche Induktivität der Statorwicklung bei den Starkstromloks.[65]
Verbot vom Einsatz der Hochspannung bei Modelleisenbahnen in Deutschland 1927
1927 führte der Verband der Elektrotechnik, Elektronik und Informationstechnik (VDE) in Deutschland für Spielzeug- und Modelleisenbahnen eine Begrenzung der Betriebsspannung auf maximal 24 Volt ein. Die bis dahin üblichen Anschlussgeräte mit Lampenvorwiderständen durften ab diesem Zeitpunkt wegen des Stromschlagrisikos (Lebensgefahr) nicht mehr vertrieben und verwendet werden.

Nun kamen an Stelle der Anschlussgeräte mit Lampenvorwiderständen in den Haushalten mit Wechselstromnetzen Transformatoren mit galvanischer Trennung der Spulen und Überlastschalter zum Einsatz, in Haushalten mit Gleichstromnetzen rotierende Umformer. Das entsprechende Symbol zur Kennzeichnung ist daher bis heute eine stilisierte Elektrolokomotive.
Jedoch verfügten 1910 erst über zehn Prozent der deutschen Haushalte überhaupt über einen Stromanschluss. Die Elektrizität war teuer, die Anschlusskosten wie auch die Tarife waren so hoch, dass sich anfangs nur wenige diese leisten konnte. Anfänglich diente die Elektrizität fast ausschließlich der elektrischen Beleuchtung. Die Vielfalt elektrischer Geräte wie wir sie heute kennen entwickelte sich erst in der Zeit des Wirtschaftswunders in der Nachkriegszeit. Zudem stand damals vielerorts, primär in den Städten, die Elektrizität in Konkurrenz mit dem in Gaswerken aus Kohle erzeugten Gas, weshalb in Berlin 1914 erst 5 % der Haushalte einen Stromanschluss hatten. 1925 waren es dann 25 %, 1927 bereits 50 %. Die Elektrifizierung in den Haushalten war aber insgesamt rasant und 1933 lag der Anteil der deutschen Haushalte mit Anschluss an die Elektrizität bereits bei rund 75 %.[66][67][68]
Vollsortimenthersteller
Vollsortimenthersteller ist ein umgangssprachlicher Begriff für ein Modelleisenbahn-Herstellern, der ein umfassendes Sortiment an Produkten rund um die Modelleisenbahn unter einem bestimmten Markenname anbietet. Mindestens jedoch Lokomotiven und Waggons sowie ein dazugehörende Gleissystem. Elektrischen, elektronischen und digitale Bauelemente zur Steuerung der Modelleisenbahn, sowie ein ausgewähltes Zubehör wie Bausätze oder Fertigmodelle von Bahnhöfen, Bahnsteigen, Lokomotiv- und Güterschuppen, Stellwerksgebäude, Brücken und dergleichen.
Ob dieses Sortiment vom Hersteller selber hergestellt wird, von ihm extern hergestellt wird oder als Handelsware vertrieben wird, spielt für den umgangssprachlichen Begriff heute keine Rolle mehr, da in der Spielzeugbranche, zu denen die Modelleisenbahn-Hersteller gehören, heute ein großer Teil nicht mehr selber hergestellt wird und nicht wie früher weitgehend selber hergestellt wurde.
Zu den heutigen Vollsortimenthersteller gehören beispielsweise Märklin mit den Marken Märklin, Trix, Minitrix und LGB. Die Modelleisenbahn Holding mit den Marken Roco und Fleischmann. Hornby International unter anderem mit den Marken Hornby, Jouef, Pocher, Arnold, Electrotren, Lima, Rivarossi. Auch Piko Spielwaren mit der Marke Piko gilt als Vollsortimenthersteller. Ein typischer ehemaliger Vollsortimenthersteller war die ehemalige Firma Kleinbahn.
Siehe auch
- Entwicklung der Modelleisenbahn in Europa
- Maßstäbe der Modelleisenbahn
- Liste öffentlich zugänglicher Modelleisenbahnanlagen
- Modelleisenbahnverein
Literatur
- Gustav Reder: Mit Uhrwerk, Dampf und Strom: vom Spielzeug zur Modelleisenbahn. Alba, Düsseldorf, 1988 (2. Auflage), 258 Seiten, ISBN 3-87094-455-2.
- Alexander Stofer: Schweizerische Spielzeugeisenbahnen. Fachpresse Goldach, Goldach 1984, ISBN 3-85738-017-9.
- Thierry Pointet: L’âge d’or de l’échelle zéro en France, 1930–1970. LR Presse, Auray 2023.
- François Robein: L’âge d’or du modélisme 1950–2000, Trains et ambiances ferroviaires en HO. LR Presse, Auray 2022.
Weblinks
- The Train Collectors Association, Index of Manufacturers, englischsprachig
- H0 Train Reference and Resource Site, englischsprachig
- Modelleisenbahn-Kataloge auf der Internetseite der Druckerei Conrad
- Märklin Kataloge als pdf-Downloads in der Modellbahn-Blog von Jan Frobenius
- Zusammenfassung der Geschichte der Französischen Modelleisenbahn Hersteller Vollon & Brun (VB), Super Modèles de Chemins de Fer (SMCF) und Réseau Miniature Amateur (RMA) im H0-Modellbahnforum, abgerufen am 19. August 2025
- Verein für historisches technisches Spielzeug (HTS)
Einzelnachweise
- ↑ Modell-Dampfmaschinen (Anzeige). In: Kladderadatsch. Humoristisch-satyrisches/Humoristisch-satirisches Wochenblatt, 17. November 1872, S. 6 (online bei ANNO).
- ↑ Nur bei Witte (Anzeige). In: Der Praktische Landwirth. Illustrirte landwirthschaftliche Zeitung für Jedermann, 1. Jänner 1873, S. 10 (online bei ANNO).
- ↑ Ernst Klarwill: Feuilleton. Eine Enzyklopädie aus der Biedermeierzeit. In: Neues Wiener Tagblatt. Demokratisches Organ, 6. März 1926, S. 3 (online bei ANNO).
- ↑ Katalog Weimarer Klassik. Karl Hanser Verlag, München, Band 2, S. 852.
- ↑ SWR-Serie Eisenbahn-Romantik, Folge 223: Wunderwelt aus Weißblech, Schönner
- ↑ Kunstwerke und Kunststücke vom Weihnachtsmarkte. In: Neue Freie Presse, 22. Dezember 1896, S. 5 (online bei ANNO).
- ↑ Für Modewaarenhandlungen! (Anzeige). In: Illustrirte Zeitung, 1. August 1863, S. 19 (online bei ANNO).
- ↑ Chronologie der Ereignisse, zur Geschichte der ersten Märklin-Eisenbahn im Tinplate-Forum, März 2009, abgerufen am 4. November 2023
- ↑ Über Märklin auf der Internetseite der Firma Märklin, abgerufen am 4. November 2023.
- ↑ Zur Geschichte der ersten Märklin-Eisenbahn vom Tinplate Forum datiert mit Mai 2008, abgerufen am 3. November 2023
- ↑ Normen Europäischer Modellbahnen, NEM 010, Ausgabe 2011, Maßstäbe, Nenngrößen, Spurweiten, abgerufen am 12. November 2013.
- ↑ S scale: History and Developments in s-scale.org.uk abgerufen am 15. Mai 2021.
- ↑ S Scale Model Railroad in Model Railroad Ballast, abgerufen am 5. Dezember 2021
- ↑ The Model Locomotive von Henry Greenly, abgerufen am 21. Januar 2024.
- ↑ Modell Engineering von Henry Greenly, Table of Model Railway and Locomotive Standard Dimensions, Seite 386, abgerufen am 21. Januar 2024.
- ↑ Official website of the Gauge 3 Society, abgerufen am 26. Januar 2024.
- ↑ A Little bit of Toy History auf gauge3.org.uk, abgerufen am 21. Januar 2024.
- ↑ Clive Lamming: JEP, 1902–1964, les plus beaux trains-jousts de France, Seite 66, Verlag LR Presse, Auray (Frankreich) 2008.
- ↑ Florian Eisen: Kleine Welt auf Rädern Das faszinierende Spiel mit Modelleisenbahnen. Falken-Verlag, Niedernhausen, 1986, Seite 218.
- ↑ Bing Katalog 1931, deutschsprachige Version, Seite 17 in www.conradantiquario.de, abgerufen am 26. Juni 2024.
- ↑ Pacific-Mignon, in jouetsanciens.fr, abgerufen am 26. Juni 2024.
- ↑ La petite histoire du HO ou la suite du réseau Jouef 1970!, ein Beitrag aus dem Jahre 2012 im Forum Train, französischsprachig, abgerufen am 26. Juni 2024
- ↑ S. W. Stevens-Stratten (Hrsg.): The Hornby Book of Trains 1954-1979. Rovex Limited. Kent, Großbritannien. ISBN 0-9506586-0-X. S. 27.
- ↑ Scalefour Society, abgerufen am 27. Oktober 2023.
- ↑ Entstehung der TRIX Express 20/57 Pacific DR BR 01, in trixberg.ch, abgerufen am 12. Februar 2024.
- ↑ 1937 Handbuch 1:90, in Trixstadt.de der Internetseite der TRIX Express Freunde Berlin, abgerufen am 12. Februar 2024.
- ↑ Undatierter Flyer von Mantua in der H0 Train Reference and Resource Site hoseeker.net, abgerufen am 25. Januar 2024.
- ↑ Daniel Wiedmer: 80 Jahre Modelleisembahnen in der USA in: Eisenbahn Amateur (Zeitschrift) Nr. 9, 2013, Seiten 447–449
- ↑ Hornby Dublo, im Forum Alte Modellbahn, abgerufen am 14. Januar 2024.
- ↑ American Flyer, Katalog 1938, Seite 4 und 5, abgerufen am 5. Dezember 2021.
- ↑ Knapp Electric Corporation Katalog von 1911, in knapptoys.com, abgerufen am 20. Januar 2024.
- ↑ Knapp Electric Toys, in tcawestern.org, abgerufen am 20. Januar 2024.
- ↑ Knapp Electric Flyer, abgerufen am 21. Januar 2023.
- ↑ Geschichte von Knapp Electric (Modelleisenbahn), in tcawestern.org, abgerufen am 19. Januar 2024.
- ↑ 3 Bowser Steam Locomotives for Parts in worthpoint.com/worthopedia, abgerufen am 21. Januar 2023
- ↑ HO 1/87 Browser Pittman DC 71 Motor W/ Plastic Gear For K-4 Locomotive 4-6-2 in www.worthpoint.com/worthopedia, abgerufen am 21. Januar 2024.
- ↑ Pittman Electric Development, in tcawestern.org, abgerufen am 21. Januar 2024.
- ↑ Pioneers of Model Railroading By Name, Pittman, in der Internetseite der National Model Railroad Association (NMRA) nmra.org, abgerufen am 25. Januar 2024.
- ↑ SBB historic Ae 3/6 I 10664, Zitat PLM : C’est la Compagnie des Chemins de fer de Paris à Lyon et à la Méditerranée. Désignée sous le nom de Paris-Lyon-Méditerranée cette société est l’une des plus importantes... in La Gare des Brotteaux, www.gare-des-brotteaux.fr, abgerufen am 7. Februar 2023.
- ↑ Fulgurex im Lexikon des Verein für historisches technisches Spielzeug, abgerufen am 7. Februar 2024.
- ↑ Vollon & Brun im Modellbahnarchiv abgerufen am 7. Februar 2024.
- ↑ Vollon & Brun, Gleissystem in der Internetseite VB, Bollon & Brun, La Grand Marque des Petit Trains, abgerufen am 31. Januar 2024
- ↑ Die Märklin H0-Gleissysteme in der Internetseite von Christopher Garan in FAQ und Tipps und Tricks des Märklin H0-Forums, abgerufen am 31. Januar 2024
- ↑ Liliput Modelleisenbahn Katalog 1956 in der Internetseite conradantiquario.de der Druckerei Conrad, abgerufen am 12. Februar 2024.
- ↑ Einblick in die ersten Kleinbahn- und Liliput Lokomotiven in bahnmuseum.at, abgerufen am 12. Februar 2024.
- ↑ Loco Revue 7/8 1985, Rubrik Le coin du collectionneur, Artikel Et le H0 naquit, Seite 577.
- ↑ Deckel einer Verpackung mit Beschriftung Die Biller-Bahn Spur 00, auf billerbahn.de, abgerufen am 27. Oktober 2023.
- ↑ Biller-Bahn, Spur 0e, auf billerbahn.de, abgerufen am 27. Oktober 2023.
- ↑ Alles elektrisch, Geschichte und Geschichten rund um den Strom, Seite 34, von Jürgen Gysin, auf der Internetseite des Zweckverbands Oberschwäbische Elektrizitätswerke, abgerufen am 24. Dezember 2023.
- ↑ Miba 3/1962 S. 95
- ↑ Wissenwertes von Kleinstspurweiten, ein Bericht von Werner Nagel, abgedruckt in der Zeitschrift Der Modelleisenbahner in der Ausgabe 1/1965. Abgerufen am 23. Juli 2025.
- ↑ Das Gleissystem der Uranlage - Arnold Rapido 200 im Forum Alte Modellbahnen, ein Beitrag aus dem Jahre 2017. Abgerufen am 4. August 2025
- ↑ Arnold Rapido 200, Mýtus 8mm rozchodu in honzikovyvlacky.cz. Abgerufen am 4. August 2025.
- ↑ Arnold Rapido 200 Das Märchen mit dem Beginn der Spur N 1960 auf Gleisen mit einer Spurweite von 8 mm, ein YouTube Film von Herbert Walter aus dem Jahre 2022. Abgerufen am 4. August 2025.
- ↑ Tgauge History Archive. KK Einshindo, abgerufen am 17. Februar 2024 (japanisch, 2024 ist die Seite nicht aktuell, keine Bilder, kaum Text.).
- ↑ TGauge.com | At a scale of 1:450 TGauge is the smallest commercially available model railway in the WORLD! Abgerufen am 17. Februar 2024 (englisch).
- ↑ Lemaco Prestige Models, Erklärung zur Aufstellung (PDF), in lemacoprestigemodels.ch, abgerufen am 19. August 2025
- ↑ H-R-F Modellbahn-Atelier in Modellbau-wiki.de, abgerufen am 19. August 2025.
- ↑ SandaKan Model Trainis, abgerufen am 19. August 2025.
- ↑ Fabrik in China stellt Produktion unerwartet ein, in modellbahn.net, abgerufen am 19. August 2025.
- ↑ Die 141 P der SNCF, Spur H0, mit Varianten 450 Stück, in lemacoprestigemodels.ch, abgerufen am 20. August 2025.
- ↑ Elektrische Co'Co' Lokomotive DB 103 der Deutschen Bundesbahn, Spur H0, mit Varianten 600 Stück im Jahre 1992, in lemacoprestigemodels.ch, abgerufen am 20. August 2025.
- ↑ Category Bing Table Railway auf der Internetseite des Brighton Toy and Model Museum, abgerufen am 1. Februar 2024.
- ↑ Bing uralt 4 Volt DC Locomotive 1910 0 Scale Tunnel Locomotive "Boite a sèl", ein Kurzfilm von JOWAOLOR in Youtube, abgerufen am 1. Juli 2024.
- ↑ Starkstrom in die Blecheisenbahn, abgerufen am 2. Juli 2024.
- ↑ Ausstellung im Deutschen Museum Die Elektrifizierung der Haushalte und ihre Folgen auf ingenieur.de, abgerufen am 12. Januar 2024.
- ↑ Elektrizität hält Einzug in den Alltag im Artikel Warum schon die alten Griechen Elektrizität kannten, aber bei uns 1900 noch Öllampen leuchteten in einfach-bergmann.de, abgerufen am 12. Januar 2024.
- ↑ Technische Meilensteine Hausgerätetechnik in siemens.com, abgerufen am 13. Januar 2024.