Forsbach (Meteorit)
| Forsbach | |||||
|---|---|---|---|---|---|
![]() | |||||
| Allgemeines | |||||
| Offizieller Name nach MBD |
Forsbach | ||||
| Authentizität | bestätigt | ||||
| Lokalität | |||||
| Land | Deutschland | ||||
| Bundesland | Nordrhein-Westfalen | ||||
| Regierungsbezirk | Köln | ||||
| Landkreis | Rheinisch-Bergischer Kreis | ||||
| Stadt | Rösrath | ||||
| Stadtteil | Forsbach | ||||
| Fall und Bergung | |||||
| Datum (Fall) | 12. Juni 1900, gegen 14:00 Uhr Ortszeit | ||||
| beobachtet | ja | ||||
| Datum (Fund) | unmittelbar beim Fall | ||||
| Sammlung | Mineralogischen Museum der Universität Bonn[1] | ||||
| Beschreibung | |||||
| Typ | Chondrit | ||||
| Klasse | H-Chondrit | ||||
| Gruppe | H6 (4–7)[2][3] | ||||
| Masse (total) | 240 g[2][3]/220 g,[4] 137 g in der Ausstellung[1] | ||||
| Dichte | 3,70 g/cm³ | ||||
| Größe | 3 × 4 × 5 cm | ||||
| Referenzen | |||||
| |||||
-v1.png)
-v1.png)
Der Meteorit Forsbach ist ein gewöhnlicher Chondrit, der am 12. Juni 1900 im heutigen Stadtteil Forsbach der Stadt Rösrath zwischen Köln und Overath niederging. Sein Fall wurde beobachtet.
Fundgeschichte
Der Fall des Steinmeteoriten Forsbach im Jahr 1900 wurde damals beobachtet.[2][5] Er soll ca. 2 m neben seinem Finder, dem Landwirt („Bauern“) Johann Peter Volberg (gest. 1902), mit dem „Geräusch eines fliegenden Vogels“ niedergegangen sein. Der so nahe niedergehende Stein hatte den Augenzeugen durch den Luftdruck zu Fall gebracht und war dabei 1–1½ Meter tief in den Ackerboden eingedrungen. Der Stein wurde zunächst vom Finder ausgegraben und einige Jahre aufbewahrt, dann einer Familie Schneider übergeben. Von ihr erwarb dann der Fossilien- und Mineraliensammler[A. 1] Heinrich Bauckhorn, Königlich Preußischer Betriebsmeister bei der Königlich Preußischen Geschoßfabrik in Siegburg, den Stein für seine Mineraliensammlung.[4] Bauckhorn bot den Stein am 12. Juni 1914 der Universitätssammlung Bonn, vertreten durch Reinhard A. Brauns, zum Kauf an; der Kauf erfolgte schließlich am 3. August des Jahres.[4][1]
Untersuchung und Beschreibung
Wie die erste Analyse zeigte, war der Stein nicht mehr ganz vollständig, eine Ecke war offenbar beim Aufprall abgeschlagen, eine daran angrenzende Kante war ebenfalls beschädigt. Weitere oberflächliche Spuren zeugten davon, dass er vom Finder den Stein mit einem Werkzeug (Hammer) traktiert hatte. Die fehlenden Partien wurden von Reinhard Brauns auf insgesamt 60–80 Gramm geschätzt; für den gesamten Stein wurden damals 220 Gramm angegeben. Ein für die Untersuchung abgeschlagenes Eckstück wiegt 19,915 g; außerdem wurde ein Dünnschliff angefertigt, wodurch der Stein weitere 8 Gramm verlor.[4]
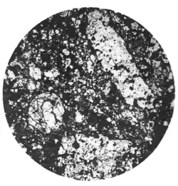
Der Stein hat in etwa die Form eines quadratischen Prismas, zwei Seiten sind flach gewölbt, zwei Seiten haben etliche Vertiefungen. Die Schmelzkruste ist matt braunschwarz und es zeigen sich zahlreiche kleine metallisch glänzende Pünktchen (Nickel/Eisen). Die Lupe zeigt, dass die Rinde von feinen Rissen durchzogen ist. Die gemessene hohe Dichte steht im Einklang mit einem hohen Anteil an Nickeleisen.[4]
Der Stein zeigt eine auffallend starke brekzienartige Struktur mit hellen, fast weißen und dunklen Partien. Es gibt mehr oder weniger gerundete Chondren.[2][5][4]
Die Bestandteile sind hauptsächlich Olivin (Fa19), daneben Bronzit und monoklines Pyroxen. Schwarzes, undurchsichtiges Glas bildet die Grundmasse (Matrix). Die Olivin-dominierte Zusammensetzung ist charakteristisch für die Mitglieder der Gruppe der gewöhnlichen H6-Chondrite.[2][5]
Namensgebung und Aufbewahrung
Der Meteorit wurde nach seinem Fundort – einem (heutigen) Stadtteil von Rösrath – „Forsbach“ benannt. Es handelt ursprünglich sich um ein Einzelstück, dessen Fragmente heute eine Gesamtmasse von 240 Gramm haben. Die nahezu unversehrte Hauptmasse befindet sich im Mineralogischen Museum der Universität Bonn.[2][5][1]
Bildergalerie
Für Details bitte auf die Bilder klicken/tippen.
Anmerkungen
Weiterführende Literatur
- Hans Martin Weber, Sabine Hogenacker: Ein Außerirdischer im Bergischen Land. Der Meteorit von Forsbach wurde im Jahr 1900 von einem Landwirt gefunden. In: Rheinisch Bergischer Kalender, 2017/2018, S. 86–92, 4 Abb., Heider-Verlag, Bergisch Gladbach; ResearchGate:344327427, NWNin:990219849400206441.
Weblinks
Einzelnachweise
- ↑ a b c d Das Museum. Highlights: Forsbach Meteorit. Auf: Universität Bonn, Institut für Geowissenschaften (ifgeo), Mineralogisches Museum.
- ↑ a b c d e f Suche: Forsbach, Forsbach meteorite, Forsbach, Rösrath, Rheinisch-Bergischer Kreis, Cologne, North Rhine-Westphalia, Germany. MinDat, Hudson Institute of Mineralogy. . Memento im Webarchiv vom 11. Februar 2024 (englisch)
- ↑ a b Forsbach. Auf: Meteoritical Bulletin. Meteoritical Society (MetSoc), Lunar and Planetary Institute (LPI). Stand: 7. Mai 2025 (englisch).
- ↑ a b c d e f Reinhard Anton Brauns: Ein bei Forsbach, Bez. Cöln, gefallener Meteorstein. In: Verhandlungen des Naturwissenschaftlichen Vereins in Hamburg, Jahrgang LXXV (75), 1918, S. 9–144, 2 Tafeln; BHL:285949 S. 9; ZOBODAT:PDF.
- ↑ a b c d Forsbach, Steinmeteorit. Auf astroamateur.de.
-v1.png)
-v1.png)
-v2.png)
-v1.png)
-v2.png)