Finescale



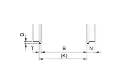
Der Begriff Finescale, verschiedentlich auch FineScale[1] oder Fine Scale[2] geschrieben, bezieht sich auf das Spurführungsmaße der Weichen und Radsätze und damit auf das Rad-Schiene-System von Kontinentaleuropäischen Modelleisenbahngeleisen und -Fahrzeugen. Die relevanten Maße, im Wesentlichen die Herzstückrillenweite (F), die Tiefe der Rille am Herzstück (H) und das Spurführungsmaße (S) bei den Weichen sowie die Spurkranzbreite (T), die Spurkranzhöhe (D), die Radbreite (N) und der Radrückenflächenabstandes (B) bei den Radsätze stammen dabei von den durch die National Model Railroad Association (NMRA) herausgegebenen Normen und nicht von den durch den Verband der Modelleisenbahner und Eisenbahnfreunde Europas (MOROP) herausgegebenen Normen Europäischer Modellbahnen (NEM).
Entstanden ist der Begriff Finescale und damit die Anwendung der NMRA-Normen anstelle der NEM-Normen für die Spurführungsmaße der Weichen und Radsätze, im Umfeld der Kleinserienhersteller, die zu ihren fein detaillierten Fahrzeugmodellen auch entsprechend fein wirkende Weichen und Radsätze und dies bis Heute herstellen.
Die Fahrzeugmodelle deren Spurführungsmaße der Radsätze sich nach den NMRA-Normen richten nicht oder nur bedingt auf Gleisen einsetzbar, die sich nach den NEM-Normen richten. In umgekehrten Form sind demzufolge auch Fahrzeugmodelle deren Spurführungsmaße der Radsätze sich nach den NEM-Normen richten nicht oder nur bedingt auf Gleisen einsetzbar, die sich nach den NMRA-Normen richten.
Da der Begriff Finescale nicht rechtlich geschützt ist, wird der Begriff in neuerer Zeit auch für andere Zwecke in der Modelleisenbahnbranche zweckentfremdet, um sich von Mitbewerbern abzuheben.[3][4]
Abgrenzung
Nicht Gegenstand von Finescale ist das Schienenprofil im Modell, genaugenommen die Schienenprofilhöhe. Dieses richtet sich bei der feinen und genauen Wiedergabe meist Maßstäblich nach dem Vorbild. In der Regel richtet sich die Angabe und damit die Bezeichnung der Höhe von Schienenprofile im Modell nach den einschlägigen Normen der NMRA unter dem Begriff Code. So steht beispielsweise der Code 80 für eine Schienenprofilhöhe von rund 2,05 mm. Dies entspricht in der Nenngröße H0 einem Vorbild-Schienenprofil von rund 175 mm Höhe und damit in etwa dem UIC-60-Schienenprofil[5].
Weitere verfeinerte Standards in der Nenngröße H0
In der Nenngröße H0 existieren mehrere Standards für Radsätze in feiner Form, die unterschiedlich weit ausgereift sind. Einen guten Anhaltspunkt bietet dabei die Spurkranzhöhe und Radbreite, da diese auch mit bloßem Auge eine leichte Einordnung ermöglicht. In der Norm NEM 310 Radsätze und Spurführungs-Maße[6] des MOROP ist die Spurkranzhöhe von 0,6 mm bis 1,2 mm für eine Modell-Spurweite von 16,5 mm und damit beispielsweise der Spur H0 aber auch der Spur 0e festgelegt, wobei Großserienhersteller vornehmlich den oberen Bereich ausnutzen. Auch die übrigen Abmessungen der Räder variieren je nach Standard, so liegen etwa die Radbreiten zwischen 2,8 und 1,49 mm.
Die Bezeichnung Finescale wird, da der Begriff nicht rechtlich geschützt ist, vermehrt auf alles angewandt, was maßstäblicher (sprich: feiner) als der NEM-Standard ist. Dies beginnt bei RP-25-Rädern nach Norm der NMRA, die mit 0,64 mm Spurkranzhöhe eigentlich über dem NEM-Mindestmaß liegen.[7]
Dem Vorbild wirklich nahe kommen dabei erst Standards wie Proto:87, H0Pur oder H0-Finescale, alle mit ca. 0,3 mm Spurkranzhöhe. Exakt vorbildlich wäre ein Maß von 0,28 mm.
Siehe auch
- Eigene Normen des Freundeskreises Europäischer Modellbahner (FREMO)
Literatur
- Winfried Schmitz-Esser: Verlockung Finescale. In: Miba Miniaturbahnen. Nr. 9/2001. MIBA-Verlag, September 2001, ISSN 1430-886X, S. 42 ff.
Einzelnachweise
- ↑ Spur 1 FineScale Bausatz symmetrische Dreiwegweiche System MIDI/SNCF, im Online-Shop von Wenz-Modellbau, abgerufen am 27. Juli 2022.
- ↑ Fine Scale Spur 0 Speichenradsatz im Online-Shop von Micro-Model, abgerufen am 27. Juli 2022.
- ↑ Fine Scale Miniatures HO Scale Coal Dock Craftsman Kit, in Ebay, abgerufen am 27. Juli 2022.
- ↑ FINE SCALE MÜNCHEN, Kleinserienhersteller von Fahrzeugmodellen für die Spur N, abgerufen am 27. Juli 2022.
- ↑ Schienenprofil in Gleisbau-Welt, abgerufen am 25. Juli 2022.
- ↑ Norm NEM 310 Radsätze und Spurführungs-Maße, in der Internetseite des MOROP, abgerufen am 27. Juli 2022.
- ↑ NMRA RP-25 Wheel Contour, Memento des Originals vom 21. Januar 2016 im Internet Archive, abgerufen am 27. Juli 2022.