E-Gitarre
| Elektrische Gitarre (E-Gitarre) | |
|---|---|
| englisch: electric guitar, italienisch: chitarra elettrica, französisch: guitare électrique, spanisch: guitarra eléctrica | |
![]() | |
| Klassifikation | Chordophon (Elektrophon) Zupfinstrument |
| Tonumfang | ![]() |
| Verwandte Instrumente | Akustische Gitarre, E-Bass |
| Musiker | |
| Liste von Gitarristen Kategorie:Gitarrist | |
Eine E-Gitarre ist eine Gitarre mit elektrischer Tonabnahme. Im Gegensatz zur akustischen Gitarre braucht sie keinen akustischen Klangkörper zur Verstärkung der Saitenschwingungen. Dadurch sind Bauformen möglich, die vielen E-Gitarren unter anderem eine besonders leichte Bespielbarkeit verleihen. Ein weiterer Vorteil ist die Vielfalt an Klängen, die mit Gitarrenverstärkern und Effektgeräten erzeugt werden können.
Die Entwicklung der E-Gitarre entstand aus dem Bestreben, dem Instrument eine größere Lautstärke zu verschaffen. Das wurde notwendig, weil sich die Gitarristen im Jazz, insbesondere in der Bigband, mit rein akustischen Instrumenten nur schlecht gegen Bläser oder auch nur ein einzelnes Klavier durchsetzen konnten. So entwickelte sich die E-Gitarre stufenweise aus der bekannten akustischen Gitarre. Deshalb wird unter dem Begriff E-Gitarre im weiteren Sinne die gesamte Bandbreite von akustischen (Jazz-)Gitarren mit angebautem Tonabnehmer auf der einen Seite und Gitarren ohne Resonanzkörper auf der anderen Seite verstanden. Zwischen diesen beiden Extremen gibt es zahlreiche Mischformen, die sich bis heute gehalten haben und die meistens als „halbakustische“ E-Gitarren oder Halbresonanzgitarren bezeichnet werden (z. B. Gibson ES-335).
Aufbau
![]() |
1. Kopfplatte: |
Der Korpus einer E-Gitarre besteht meistens aus massivem Holz (Solidbody). Es gibt aber auch E-Gitarren mit einem der akustischen Gitarre ähnlichen Hohlkörper sowie Mischformen (Halbresonanzgitarre, „Semi-acoustic“). Das verwendete Material, die Beschaffenheit des Materials und die Form des Klangkörpers spielen, anders als die Tonabnehmer und deren Schaltung, nur eine geringe Rolle für den Klang der E-Gitarre.[1]

In konstruktiven Details gibt es verschiedene Ausprägungen, den Hals mit dem Korpus zu verbinden. Die gebräuchlichsten Methoden sind das Verschrauben und das Verleimen. Beim Verschrauben wird der Hals in eine entsprechende Fräsung des Korpus eingelassen und mit meist vier durch eine Metallunterlegplatte geführten Holzschrauben mit dem Korpus verbunden. Beim Verleimen wird der Hals meist weiter in den Korpus eingesetzt. Bei einigen Modellen besteht der Hals aus einem durchgehenden Block, und es werden nur die Korpushälften angeleimt.
Eine elektrische Gitarre hat in der Regel sechs Saiten, es gibt aber auch Modelle mit sieben und mehr Saiten.[2]
E-Gitarren haben in der Regel 21, 22 oder (als „double-octave“) 24 Bünde. Es gibt verschiedene Halslängen und -breiten, die Mensur beträgt üblicherweise 628 mm (Gibson Les Paul) oder 648 mm (Fender Stratocaster).
Der Frequenzbereich der Grundtöne einer sechssaitigen, 24-bündigen Gitarre in Standardstimmung E-A-d-g-h-e’ reicht von 82,4 bis 1318,5 Hz.[3] Daneben gibt es noch weitere Gitarrenstimmungen, die das Instrument für unterschiedliche Aufgaben anpassen.
Tonabnehmer

Die Saitenschwingungen bei elektrischen Gitarren werden über elektromagnetische Tonabnehmer (englisch: pickup) abgenommen und elektronisch verstärkt wiedergegeben. Bei den Tonabnehmern sind im Wesentlichen die Bauformen Single Coil und Humbucker zu unterscheiden. Mit einer Spule umwickelte Dauermagnete werden unter den Saiten aus Stahl montiert. Schwingungen der Saiten führen zu Störungen des Magnetfeldes, die wiederum durch Induktion eine elektrische Wechselspannung in der Spule hervorrufen. Dieses schwache Signal wird einem Verstärker zugeleitet. Eine E-Gitarre ist also ein elektrisches und kein elektronisches Musikinstrument.
Elektrik
Um den Klang zu variieren, haben viele E-Gitarren mehrere Tonabnehmer und Wahlschalter, um zwischen diesen hin- und herschalten zu können und auch um Kombinationen zwischen den einzelnen Tonabnehmern herzustellen. Die Tonabnehmer können oft zusätzlich in der abzugebenden Spannung und damit Ausgangslautstärke durch ein Potentiometer und einen Höhensteller, das Ton-Potentiometer, beeinflusst werden. Bei den weitaus meisten E-Gitarren, namentlich bei hochwertigen Markenprodukten, sind die Möglichkeiten der Klangbeeinflussung allerdings ausgesprochen beschränkt. Faktisch wird lediglich mit dem Klangregler die Wirkung eines parallel zum Tonabnehmer geschalteten Kondensators reguliert, wodurch dem Klang mehr oder weniger viel Höhenanteil genommen werden kann – die Gitarre klingt also je nach Einstellung dumpfer. Mehr Möglichkeiten bieten aktive Klangregler, mit denen die Klangvielfalt des Instrumentes gesteigert werden kann. Aktiven Tonabnehmern werden neben den erwähnten positiven auch negative Klangeigenschaften nachgesagt – beispielsweise dass sie unverzerrt steril klingen. Ein Nachteil bei aktiver Elektronik ist, dass die Gitarre eine eigene Spannungsquelle (in der Regel eine Batterie) benötigt. Einige Modelle werden auch mit Piezo-Tonabnehmern ausgestattet, um den Klang einer akustischen Gitarre nachzuahmen; so zum Beispiel seit Anfang der 1990er Jahre die meisten Modelle des US-amerikanischen Herstellers Parker Guitars.
Seit Einführung des MIDI-Standards Mitte der 1980er Jahre wurden Systeme entwickelt, mit denen die einzelnen Saitenschwingungen einer Gitarre in Echtzeit in MIDI-Signale umgewandelt werden. Durch diese „MIDIfizierung“ der Gitarrensignale ist eine Steuerung von Klangerzeugern möglich, die MIDI-Befehle verarbeiten können. Eine Gitarre kann so Klänge von Synthesizern, Drumcomputern oder Samplern spielen. Im Gegensatz zum Gitarrensynthesizer wird dabei das Audiosignal der Tonabnehmer nicht für die Klangerzeugung benutzt.
Des Weiteren gibt es sogenannte Modelling-Gitarren, bei denen die Schwingung der Saiten über einen Piezo-Tonabnehmer erfasst wird und ein Computer den Klang unterschiedlicher Gitarrenmodelle imitiert. Der Audiotechnikhersteller Line 6, der auch Modellingverstärker baut, ist Vorreiter und zurzeit (Stand 2023) Marktführer dieser Technologie.
Typen



Bei der E-Gitarre spielt die Form des Korpus für die Klangerzeugung eine eher untergeordnete Rolle, da die Schwingung der Saite durch den Tonabnehmer an den Verstärker übergeben und nicht wie bei der Akustik-Gitarre durch den hölzernen Resonanzkörper verstärkt wird. Das ermöglicht eine Vielzahl unterschiedlicher „Silhouetten“.
Aus erfolgreichen Modellen großer Hersteller haben sich im Laufe der Zeit einige richtige „Klassiker“ entwickelt. Diese Bauformen werden mit kleinen Änderungen (z. B. an der Kopfplatte, bei den Tonabnehmern usw.) auch von anderen Herstellern produziert. Man spricht dann zum Beispiel von „einer Gitarre im Strat-Style“ oder einem „Les Paul-Clone“ o. ä.
Die E-Gitarre hat drei Grundtypen, diese unterscheiden sich am auffälligsten in ihrer Bauweise: Es gibt Gitarren mit einem Hohlraum (engl. Hollow Body), die je nach Höhe der Zargen (Seitenwände) als Halb- oder Vollresonanz-Gitarren bezeichnet werden, und sogenannte Solidbodys, die aus einem oder mehreren miteinander verleimten massiven Holzklötzen bestehen.
Die berühmtesten und am meisten verbreiteten E-Gitarren sind die Stratocaster (1954) von Fender und die Gibson Les Paul (1952) der Gibson Guitar Corporation. Andere Modelle sind die Fender Telecaster (1950) und die Gibson SG (1961). Alle diese Modelle werden bis heute hergestellt.
Die Fender Stratocaster verfügt über zwei Cutaways, also Einbuchtungen am Halsansatz des Korpus, die die Bespielbarkeit der höheren Lagen ermöglichen sollen, und drei Single-Coil-Tonabnehmer. Die Gibson Les Paul hat nur einen Cutaway und ist mit zwei Humbucker-Tonabnehmern bestückt. Neben den unterschiedlichen Tonabnehmern sorgen auch grundlegende Unterschiede in Konstruktion und Holzauswahl dafür, dass diese Modelle sich auch in ihrem Klang deutlich unterscheiden. Die Les Paul erzeugt einen warmen, vollen Ton, während die Stratocaster einen schärferen, durchsichtigeren Ton abgibt.
Es gibt weitere Bauformen und E-Gitarren mit besonderen, auf den Musikstil zugeschnittenen Formen (z. B. die Flying V in Pfeilform, die Gibson Explorer, Jackson „Randy Rhoads“ oder die noch extremeren Modelle von B.C. Rich). Im Groben beziehen sich allerdings die meisten – auch neueren – Modelle auf die klassischen Bauweisen der Stratocaster bzw. Les Paul.
Einen Schritt weg von der klassischen Bauform gehen die mikrotonalen E-Gitarren, wie sie von Firmen wie Eastwood, Yamaha und anderen produziert werden. Diese Bauform ermöglicht nicht nur das Spielen der westlichen Tonleitern, sondern auch die aus dem arabischen, persischsprachigen und indischen Raum. Zusätzlich zu den üblichen Halbtonschritten, die durch die Bundstäbe markiert werden, besitzen mikrotonale E-Gitarren weitere Bundstäbe, die Vierteltonschritte ermöglichen. Musiker wie King Gizzard & the Lizard Wizard und Steve Vai nutzen diese Bauform für neue, experimentelle Ausdrucksformen im Spielen der E-Gitarre.
Mechanik

Als Stimmmechanik oder einfach Mechanik bezeichnet man die drehbaren Elemente am Kopf der Gitarre, mit denen die Saiten „aufgewickelt“ und gestimmt werden (siehe auch Wirbel). Die Mechanik bei E-Gitarren (und Westerngitarren) ist wegen der starken Spannung der Stahlsaiten vorzugsweise aus Metall – im Gegensatz zu klassischen Konzertgitarren mit Nylonsaiten. Bei Gitarrenmodellen mit Kopfplatte in „Stratocaster“-Manier sind alle Elemente hintereinander auf einer Seite der Kopfplatte angeordnet. Diese Anordnung wird durch die schräge Form des Kopfes möglich und bewirkt – von vorne betrachtet – eine gerade Saitenführung, die prinzipiell weniger zu Verstimmungen tendiert. Meistens werden aber für die hohen Saiten noch Saitenniederhalter benötigt, damit die Saiten einen gewissen Auflagedruck am Sattel haben. Bei Gitarren im „Les-Paul“-Stil befinden sich – genau wie bei akustischen Gitarren – jeweils drei Elemente auf einer Seite. Die Kopfplatte ist dabei meist nach hinten abgewinkelt und die Saiten werden vom Sattel aus sowohl nach hinten als auch zur Seite abgewinkelt zu den Mechaniken geführt. Bei einigen Gitarrenmodellen – wie z. B. von Paul Reed Smith oder MusicMan – finden sich auch Abwandlungen oder Mischformen dieser beiden Bauformen. Bekannte Hersteller von Mechaniken sind z. B. Schaller, Grover, Kluson und Gotoh.
-
Nahaufnahme der E-Saite
-
Nahaufnahme der Mechanik
-
Nahaufnahme des Stegs
Tremolo
Viele E-Gitarrentypen verfügen über eine mechanische Vorrichtung zur Tonhöhenvariation (Vibrato), die – strenggenommen unzutreffend – als Tremolo (eigentlich Lautstärkevariation) bezeichnet wird. Je nach Gitarrentyp gibt es unterschiedliche Tremolosysteme (z. B. Bigsby oder Floyd Rose). Die Tonhöhenveränderungen werden durch das Erschlaffen oder Spannen der Saiten ermöglicht, das durch einen Hebel (umgangssprachlich „Whammy Bar“ oder „Jammerhaken“) am Steg gesteuert wird. Die Saiten werden sozusagen vorübergehend kontrolliert verstimmt.
Verstärker

Das Musikinstrument E-Gitarre besteht bei genauerer Betrachtung aus dem eigentlichen Instrument und dem Gitarrenverstärker, da dieser einen erheblichen Anteil an der Klangformung hat. Augenfällig wird das anhand des Klangs, der bei der Übersteuerung von Röhrenverstärkern erzeugt wird. Die in die Übersteuerung getriebenen Röhren erzeugen einen singenden, lebendigen Ton, der die moderne Popularmusik geprägt hat. Übersteuerung (oder auch Verzerrung) wurde in den Anfangstagen der elektrischen Gitarrenverstärker als unerwünschter Effekt angesehen. Die Hersteller versuchten daher mit allen Mitteln, Übersteuerung zu vermeiden, um dem damals vorherrschenden, unverzerrten Klangideal des Gitarrentons zu entsprechen. Verzerrung konnte in jenen Tagen nur dadurch erzielt werden, dass Verstärker unter Volllast betrieben wurden (Endstufenverzerrung). Es ist heute schwer zu sagen, ob Gitarristen absichtlich lauter spielten, um Verzerrung zu erreichen, oder ob sie die Vorteile eines verzerrten Tons entdeckten, weil sie lauter spielen mussten. Fakt ist, dass sich der neue Sound durchsetzte und auch die Hersteller von Gitarrenverstärkern auf den neuen Bedarf reagierten, allen voran der britische Hersteller Marshall, indem sie die Übersteuerung bereits in der Vorverstärkerstufe ermöglichten. Dadurch wurde Verzerrung auch bei geringeren Lautstärken möglich. Beide Arten der Übersteuerung (Vor- bzw. Endstufenübersteuerung) wirken sich unterschiedlich auf den Gitarrenton aus. Wegen der Vorzüge der dynamisch agierenden Endstufenübersteuerung gibt es auch heute noch Gitarristen, die mit voll aufgedrehten Verstärkern spielen. Seit den 1960er Jahren gibt es Effektgeräte (Verzerrer) auf Halbleiterbasis, die den Klang übersteuerter Elektronenröhren nachempfinden. Dennoch ist bis dato das Lager der Puristen vorherrschend, nach deren Ansicht ein „echter“ Vollröhrenverstärker in der musikalischen Darbietung bislang nicht übertroffen wurde. Dass dennoch eine relativ große Anzahl von Gitarrenverstärkern auf Halbleiterbasis verkauft wird, liegt an den geringeren Kosten dieser Bauweise. In den letzten Jahren werden auch immer mehr „digitale“ Gitarrenverstärker entwickelt, die den Klang mittels eines digitalen Signalprozessors und Software erzeugen. Dadurch ist es möglich, den Klang von vielen Gitarrenverstärkern mit einem einzigen Gerät zu realisieren („Amp Modeling“) sowie virtuelle Effektgeräte beliebig zu kombinieren.
Ein gegenläufiger Trend in der Gitarristenszene entsteht durch viele neue Firmen, die Vollröhrenverstärker in kleinen Stückzahlen und oft handgefertigt herstellen. Diese Verstärker werden oft mit eher schwacher Leistung angeboten (1 Watt, 6 Watt, 15 Watt) um den „echten“ Sound eines Vollröhrenverstärkers auch bei geringeren Lautstärken zu erzielen. Sie sind meist sehr einfach aufgebaut, erlauben jedoch eine große Klangvielfalt, da sie den Betrieb unterschiedlicher Röhrentypen ermöglichen, womit sie die Klangcharakteristik verschiedenster Modelle zu erzeugen imstande sind (bspw. sog. „British Sound“ mit EL34-Typen (Marshall) oder EL84 (Vox Amplification) oder „American Sound“ mit 6L6-Röhren (Fender)).
Signalübertragung und elektroakustische Klangcharakteristik
Während für den Klang einer Akustikgitarre vor allem die mechanische Bauweise und die verwendeten Materialien entscheidend sind, gibt es bei einer E-Gitarre auch über den Tonabnehmer hinaus zusätzliche elektroakustische Komponenten, die einen großen Einfluss auf den Klang haben:

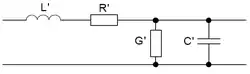
Die Signalübertragung über ein Gitarrenkabel unterliegt den Gesetzmäßigkeiten der NF-Übertragung. Der Übertragungsweg ist asymmetrisch aufgebaut, wobei der Innenleiter zur äußeren Abschirmung eine messbare Kapazität aufweist. Gemäß Ersatzschaltbild für NF-Übertragungen wirkt das Gitarrenkabel damit auch klangbeeinflussend. Die Induktivität des Gitarrenkabels ist aufgrund des eingeschränkten Frequenzspektrums sowie der extrem niedrigen Werte zu vernachlässigen, weswegen eine frequenzabhängige Dämpfung durch den kapazitiven Blindwiderstand die vornehmliche Klangbeeinflussung darstellt. Bei einem 10-Meter-Kabel für die Bühne kann die Dämpfung für ein typisches Gitarrenkabel bereits −2 dB bei 5 kHz betragen.[4]
- Beispielrechnung
An einem Bright-Eingang mit 220 kΩ Eingangswiderstand ergibt sich zusammen mit der Kabelkapazität gemäß der Regeln für Parallelschaltung von Impedanzen eine gesamte Scheinimpedanz von 31 kΩ. Zusammen mit einem üblichen Ausgangswiderstand des Pickups von 8 kΩ ergibt sich durch das Kabel bei 5 kHz ein Spannungsverlust von ca. 20 %, was einem Leistungsverlust von −2 dB entspricht.
Umstritten hingegen ist der Einfluss der Laufrichtung eines Kabels auf den Klang. Es lässt sich zwar rechnerisch nachweisen, dass bei einer Ausdifferenzierung des Ersatzschaltbilds als unendlich lange Reihenschaltung fertigungsbedingte Kapazitätsschwankungen der jeweiligen Teilstrecken zu minimalen Klangdifferenzen führen.[4] Allerdings werden diese im Allgemeinen als nicht hörbar erachtet. Umgehen kann man die Klangartefakte eines langen Kabels durch die Verwendung eines digitalen Senders, der je nach Qualität und Modell eine Übertragung ohne hörbare Verluste oder Klangveränderungen ermöglicht. Ein weiterer Vorteil des Senders ist die galvanische Entkopplung vom Masse-Pol des Verstärkers zum Pickup als induktiven Tongenerator.
Der Gitarrenverstärker selbst wird in der Regel nicht nach Hi-Fi-Gesichtspunkten oder mit der Vorgabe der Klangneutralität designt. Vielmehr haben alle bekannten Gitarrenverstärker auch ohne Effekte und Übersteuerung einen bewussten Klangcharakter. Je nach Modell betont dieser die definierten Obertöne einer E-Gitarre oder das Tief/Mitten-Fundament, um dem Sound mehr Druck zu geben. Auch wirkt die Eingangsimpedanz des Verstärkers zusammen mit Kabel und Tonabnehmer klangbeeinflussend, weswegen einige E-Gitarren mit manchen Verstärkermodellen besser harmonieren als mit anderen.[5] Der Verstärker ist gerade im Rock-Bereich als charakteristischer Bestandteil der Klangerzeugung zu verstehen, weswegen sich in der Vergangenheit auch viele Modifikationen bestimmter Modelle etabliert haben, um einen bestimmten Sound zu erzielen. Auch die Lautsprecherbox (Cabinet) ist klangformend. Ein bekannter Lautsprecher-Hersteller ist Celestion.[6]
Gitarreneffekte
Unter Gitarreneffekten versteht man in der Regel die Wirkung von elektronischen Schaltungen, die das Gitarrensignal verändern. Zum Teil findet man sie in die Verstärker integriert. Vielfach treten sie auch in Form sogenannter „Bodentreter“ oder Pedale auf, aber auch komplexe 19″-Effekt-Prozessoren werden hierbei genutzt. Genutzt werden hier neben Lautstärke (Booster) und Frequenzgang (Equalizer) beeinflussenden Effekten vor allem nichtlinear verzerrende Effekte, wie Overdrive, Fuzz oder Distortion, andere wie Nachhall, Sustain oder Echo, weiterhin Modulationseffekte wie Wah-Wah, Chorus, Flanger, Vibrato oder Phaser und viele mehr. Ab Ende der 1960er Jahre wurden die Gitarrensignale häufig auch durch Analogsynthesizer moduliert. Beispiele sind der Moog-Synthesizer oder Geräte von KORG oder Oberheim.
Neben den ausschließlich elektronisch erzeugten Effekten werden auch Geräte eingesetzt, die die Stahlsaiten der Gitarre mit elektromagnetischen Aktoren zum Schwingen bringen. Damit kann die Saitenschwingung bis hin zur Dauerschwingung verlängert werden, weshalb solche Geräte als Sustainer bezeichnet werden. Ein weiterer Effekt ist die gezielte Verstärkung der Obertöne der Saitenschwingung.
Es gibt drei Ausführungsformen: Fernandes-Sustainer und Sustainiac sind fest in die Gitarre eingebaut. Der E-Bow wird in der Hand gehalten. Ferner gibt es eine ortsfeste Ausführung auf einem Mikrofonstativ (Vibesware Guitar Resonator).
Geschichte


Die Entwicklung der elektrischen Gitarre begann um 1920, als man nach Möglichkeiten suchte, die Gitarre als Instrument in Musikgruppen lauter und durchsetzungsfähiger zu machen. Aufgrund ihrer im Vergleich zu Blasinstrumenten geringen Lautstärke war die Gitarre in größeren Musikgruppen auf eine Rolle als reines Rhythmusinstrument festgelegt. Die Zeit der großen Unterhaltungsorchester und Big Bands und auch die damalige Aufnahmetechnik forderten die Instrumentenbauer heraus, lautere Gitarren mit größerem Klangvolumen zu bauen. Erste Methoden, um dieses zu erreichen, waren die Vergrößerung des Korpus akustischer Instrumente und in den 1920er Jahren die Entwicklung der Resonatorgitarre.[7] Etwa 1930 hatte sich herausgestellt, dass das Ziel nur durch elektrische Verstärkung des Klangs zu erreichen war. Diese Methode hatte aber auch Gegner, die eine Verwahrlosung der Musik prophezeiten. Die elektrischen Gitarren hielten zuerst im Country-, Jazz- und Blues-Bereich Einzug.
Bereits 1923 experimentierte Lloyd Loar, seit 1919 leitender Ingenieur in der Entwicklungsabteilung von Gibson, mit den ersten elektrischen Tonabnehmern. Er erfand einen Sensor, der die Schwingungen der Decke eines Saiteninstrumentes aufnehmen konnte und in ein elektrisches Signal umwandelte. Dieser Tonabnehmer wurde von Loar zuerst mit einem Kontrabass erprobt.[8] Da diese Sensoren unpraktisch zu handhaben waren, und zudem die Firmenleitung von Gibson dieser Entwicklung skeptisch bis ablehnend gegenüberstand, konnten sie sich nicht am Markt durchsetzen.
1931 entwickelte George Beauchamp zusammen mit Adolph Rickenbacher (später Adolph Rickenbacker, Gründer von Rickenbacker) einen Tonabnehmer, der sich die Saitenschwingung von Stahlsaiten direkt zunutze machte. Dieser Tonabnehmer basierte auf dem Prinzip der Induktion: Um einen Magnetkern wurde eine Spule gewickelt. Bewegten sich nun die Metallsaiten im Feld dieses Magneten, wurde es verändert, wodurch in der Spule eine Spannung induziert wurde. Das Grundprinzip, auf dem auch heutige Pickups noch basieren, war erfunden. Zunächst bestand der Tonabnehmer noch aus zwei Hufeisenmagneten, durch die die Saiten hindurchgeführt wurden. Rickenbacker baute ihn in eine Lap-Steel-Gitarre ein, die aus einem einzigen Stück Holz gearbeitet war. Wegen ihrer charakteristischen Form mit kleinem, kreisrundem Korpus wurde sie Rickenbacker Frying Pan („Rickenbacker-Bratpfanne“) genannt.[9] Spätere Versionen dieser Gitarre waren sogar ganz aus Aluminium. Das US-Patent für seine musikalische Bratpfanne sandte Beauchamp 1932 ein, das zweite für eine überarbeitete Version wurde 1934 eingereicht. Obwohl die Gitarre bereits erfolgreich auf dem Markt war, stellte das Patentamt die Frage, ob man das Gerät überhaupt benutzen könne. Um das zu beweisen, schickte Adolph Rickenbacker mehrere Gitarristen zu dem zuständigen Patentamt in Washington D.C., um den Sachbearbeitern ein Ständchen zu spielen. Nach langen Verzögerungen erhielt er das Patent 1937. Inzwischen hatten auch andere Hersteller elektrische Gitarren entwickelt.
Das erste regulär zu spielende Gitarrenmodell war die 1932 ebenfalls von Rickenbacker vorgestellte Electro Spanish. Das Instrument hatte denselben Tonabnehmer wie die „Frying Pan“.[9] Über den Markterfolg dieses Modells ist nichts bekannt. Das erste wirtschaftlich erfolgreiche Gitarrenmodell mit elektrischem Tonabnehmer in Serienfertigung war die 1936 vorgestellte ES-150 von Gibson,[10] in die auch die Erfahrung des Gitarristen Alvino Rey einflossen. Im Prinzip war die ES-150 eine Jazz-Gitarre mit in die Decke eingelassenem Tonabnehmer. „ES“ steht hierbei für Electric Spanish und war nicht so sehr auf die Verwandtschaft mit der klassischen „spanischen“ Gitarre bezogen, sondern auf die gegriffene Spielweise in Abgrenzung zur Lap-Steel-Gitarre. Die Zahl „150“ stand für den damaligen offiziellen Verkaufspreis von 150 Dollar inklusive Gitarrenverstärker und Kabel. In Deutschland gehörten in den 1940er Jahren die Gitarrenbauer Wenzel und Roger Rossmeisl zu den Pionieren auf dem Gebiet elektrifizierter Jazz- und Hawaiigitarren.
1941 ging Lester William Polfus (alias Les Paul) einen weiteren Schritt in Richtung moderner E-Gitarren: Er zersägte den Korpus einer akustischen Gitarre der Länge nach in zwei Teile und fügte in der Mitte einen massiven Holzklotz ein. Dieses Instrument erhielt den Namen „The Log“ („der Klotz“).[11] Von diesem Instrument war es nur noch ein kleiner Schritt zu den Solidbody-Gitarren mit massivem Korpus. Mit diesen wurden vor allem die oft störenden Rückkopplungen bisheriger E-Gitarren reduziert. Außerdem wurde ein länger anhaltendes Schwingen (Sustain) der Saiten erreicht.
Die erste E-Gitarre mit teilweise massivem Korpus wurde 1948 von Paul Bigsby auf Anregung des Country-Musikers Merle Travis hergestellt. Diese Bigsby/Travis-Gitarre besaß einen Singlecoil-Pickup in Stegposition, einen durchgehenden Hals und eine Kopfplatte mit sechs in Reihe montierten Mechaniken. Bigsby, der sich insbesondere mit seinen Vibratosystemen einen Namen machte, stellte verschiedene Versionen dieser Gitarre in kleiner Stückzahl bis in die 1960er Jahre her.[12]
Inspiriert von Bigsby/Travis Gitarre brachte Leo Fender 1950 unter dem Namen Esquire, noch mit lediglich einem Pick-Up und ohne Halsspannstab, seine erste E-Gitarre auf den Markt. Dieses nach mehreren Namenswechseln Telecaster genannte Instrument war die erste in Massenfertigung hergestellte E-Gitarre. Die ersten Esquire-Modelle verfügten über keinen Hals-Spannstab (Trussrod), wodurch sich der Hals verbog, da die Saiten einen gewissen Zug entwickeln. Der Hals war einfach auszutauschen, jedoch hatte dieses Konzept keinen Erfolg und so baute Leo Fender letztendlich doch Halsstäbe ein und verkaufte ab Ende 1950 die nun „Broadcaster“ genannte und um einen zweiten Pick-Up versehene Gitarre. Die nach einem Rechtsstreit mit Gretsch kurzzeitig ohne Namen (Nocaster) und ab Sommer 1951 final Fender Telecaster genannte Gitarre ist seitdem als Original und von einer inzwischen unüberschaubaren Reihe von anderen Herstellern als Kopie erhältlich.
Die 1954 von Fender auf den Markt gebrachte Stratocaster war eine der ersten Gitarren, die über einen Tremolohebel verfügte. Aufgrund einer Namens- und Sinnverwechslung von Vibrato und Tremolo durch Leo Fender wurde das ursprünglich für Vibratos vorgesehene System am 10. April 1956 von ihm unter dem Namen Synchronized tremolo zum Patent angemeldet.
Ibanez und Steve Vai entwickelten 1987 eine siebensaitige E-Gitarre (Universe), die 1990 auf den Markt kam. Die zunächst mit einer hohen A-Saite versehene Gitarre bereitete später mit einer tiefen H-Saite dem Nu-Metal den Weg. 2003 brachte Line 6 mit der Variax erstmals eine E-Gitarre auf den Markt, die verschiedene bekannte E-Gitarrenmodelle und Akustikgitarren simuliert. Heute gibt es die ausgefallensten Versionen von E-Gitarren, wie zum Beispiel E-Gitarren mit zwei Hälsen oder eine Gitarre, die den Tonumfang von E-Bass und E-Gitarre in einem Instrument enthält und ab 2007 gab es eine E-Gitarre, die automatisch gestimmt werden konnte.[13] Im Jahr 2007 brachte Ibanez mit der Ibanez RG2228 die erste in Serie produzierte achtsaitige E-Gitarre auf den Markt.[14] Unter anderem Metal-Gitarristen wie Tosin Abasi, Fredrik Thordendal oder Dino Cazares spielen achtsaitige Gitarren.
Wegweisende Gitarristen
Genannt werden hier Personen, die durch Entwicklungen oder persönliches Wirken um die E-Gitarre, diese im technischen oder auch im spielerischen Sinne nachhaltig geprägt und vorangetrieben haben.
- Charlie Christian war ab 1936 durch sein Solo- und Melodiespiel in den Bands von Benny Goodman maßgeblich für die Weiterentwicklung der E-Gitarre vom reinen Begleitinstrument zum vollwertigen Soloinstrument verantwortlich.
- Lester William Polfus alias Les Paul war ein Pionier der Entwicklung hin zur Solidbody-E-Gitarre und moderner Aufnahmetechniken.
- Leo Fender entwickelte Anfang der 1950er Jahre die nach ihm benannten E-Gitarren und E-Bässe mit massivem Korpus (Solidbody) und ist einer der Pioniere in der Geschichte des Gitarrenbaus.
- Muddy Waters etablierte Ende 1940er Jahre die E-Gitarre als dominierendes Instrument im Chicago Blues.
- B. B. King, war eine der letzten afro-amerikanischen Blues-Legenden, beeinflusste unter anderem Eric Clapton und Angus Young.
- Chuck Berry schuf einige der bekanntesten Gitarren-Riffs der Rockmusik (zum Beispiel Roll Over Beethoven und Johnny B. Goode).
- Jimi Hendrix entwickelte die Spieltechnik in vielfältiger Hinsicht weiter und verwendete auch Rückkopplung. Er spielte als Erster die für ihren klassischen Rocksound legendär gewordene Kombination aus Fender Stratocaster und Marshall-Verstärker.
- Jimmy Page (Ex-Yardbirds), von Led Zeppelin ebnete der Rockmusik den Weg mit Stücken wie Stairway to Heaven und Whole Lotta Love. Er setzte verschiedene Saitenstimmungen oder einen Geigenbogen für Soundexperimente ein.
- Eric Clapton (Ex-Yardbirds) ist bekannt für sein langsames Vibrato
- Jeff Beck (Ex-Yardbirds) alias „The Strat Cat“. Er ist bekannt für experimentelles Spiel, insbesondere mit dem Tremolohebel, und erhielt einen Grammy unter anderem für „Best Rock Instrumental Performance“.
- Pete Townshend (The Who) experimentierte mit Feedback, machte den Powerchord salonfähig und entwickelte in Zusammenarbeit mit Jim Marshall den Marshall-Stack.
- Keith Richards benutzt häufig offene Stimmungen. Die Offene G-Stimmung, bei der die Gitarre von Richards nur mit fünf Saiten bespannt ist (er verzichtet auf die tiefe E-Saite), ist zu einem seiner Markenzeichen geworden. Wegen seiner markanten Gitarren-Riffs in dieser Stimmung hat Richards unter Kollegen den Spitznamen „The Human Riff“ („das menschliche Riff“).
- Duane Allman (Allman Brothers) legte auf dem Livealbum At Fillmore East eine große Auswahl an Slidegitarren-Licks an.
- Rory Gallagher (Ex-Taste) stach in den 1970er Jahren durch seine Spielweise mit dem Bottleneck und durch seine Slide-Soli heraus.
- Peter Frampton durch seinen innovativen Einsatz der Talkbox (zum Beispiel im Lied Show Me the Way).
- Brian May (Queen) baute in den 1960er Jahren zusammen mit seinem Vater seine als Red Special bekannte Gitarre. Dabei verwendete er zum Beispiel die Klinge eines Brotmessers, Holz aus einem alten Kamin, Stricknadeln und Motorrad-Ventilfedern. Noch heute ist die Red Special seine Hauptgitarre, mittlerweile spielt er jedoch gelegentlich auch auf Nachbauten dieses Instruments.
- David Gilmour (Pink Floyd) ist bekannt durch klare Klänge, Bending und gezielten Einsatz von Delay.
- Mark Knopfler erschuf mit seinem Fingerstyle eine unverwechselbare Klangfarbe, dreht oft den Lautstärkeregler seiner Gitarre erst nach Anschlag der Saite auf (wodurch der Ton aus dem Nichts zu kommen scheint) und komponierte Gitarrenriffs wie in Money for Nothing (Dire Straits).
- Edward Van Halen (Van Halen) machte das Tapping populär. Als einer der ersten baute er einen Klemmsattel (Locking-System) an die Kopfplatte seiner Stratocaster. Der D-Tuner an den Tremolos von Floyd Rose gilt als seine Entwicklung. Bekannt sind auch seine Modifikationen an Tonabnehmern, wie zum Beispiel ein Tauchbad in heißem Wachs zur Verringerung der Mikrofonie.
- Joe Satriani hat für fast ausschließliche Instrumentalmusik mehrere Grammy-Nominierungen bekommen sowie mehrere Millionen Alben verkauft und zählt durch seine herausragende Spieltechnik zu den einflussreichsten Gitarristen der Gegenwart.
- Steve Vai entwickelte mit der Ibanez Universe die erste siebensaitige Gitarre, die in Serie produziert wurde. Außerdem ist auch die von ihm entwickelte JEM-Serie seit 1987 im Ibanez-Repertoire. Vai entwickelte des Weiteren mit anderen Firmen Tonabnehmer, Verstärker und Wah-Wah-Pedale nach seinen persönlichen Vorstellungen.
Siehe auch
- E-Gitarren-Modelle – eine Übersicht über bekannte E-Gitarren-Modelle, ihre wesentlichen Merkmale und Verwendung
Literatur
- Tony Bacon: Gitarrenklassiker. Alle Modelle und Hersteller. Premio, Münster 2007, ISBN 978-3-86706-050-9.
- Christoph Reiß: Guitar Recording. Wizoo Publishing, Bremen 2010, ISBN 978-3-934903-75-3 (mit CD).
- John Schneider: The Contemporary Guitar (= The new Instrumentation. Band 5). University of California Press, Berkeley CA u. a. 1985, ISBN 0-520-04048-1 (umfassende Darstellung von akustischer und elektrischer Gitarre, einschließlich Notation, Spieltechniken und Repertoire; bezieht sich in erster Linie auf Neue Musik).
- Helmuth Lemme: Pickups, Potis & Co – Das Innenleben von E-Gitarre und Bass. PPVMedien, Bergkirchen 2018, ISBN 978-3-95512-121-1.
- Hugo Pinksterboer: Pocket-Info: E-Gitarre und E-Bass. Schott.
- Manfred Zollner: Physik der Elektrogitarre. (Forschungsdokumentation, PDF-Download möglich).
Weblinks
- Elektrogitarre. elektronikinfo.de
- Gitarrenelektronik.de
- Gitarreneffekte. delamar.de
- E-Gitarre – Know-how, Tipps und Tricks. esaite.de
- Andrej Abplanalp: Die Basler Väter der E‑Gitarre. Blog des Schweizerischen Nationalmuseums, 26. Dezember 2023.
- Supergain Musiker-Talk über die unterschiedliche Charakteristik verschiedener E-Gitarren-Typen (Les Paul, 355 Hollowbody, Strato- u. Telecaster) mit Infos zur Technik und Soundbeispielen. YouTube (deutsch).
Einzelnachweise
- ↑ Elektrogitarre – Funktionsweise und Sounderzeugung einer E-Gitarre, Tonabnehmer / Pickup etc. In: elektronikinfo.de. Abgerufen am 18. Januar 2019.
- ↑ Tony Bacon, Paul Day: The Ultimate Guitar Book. Hrsg. von Nigel Osborne, Dorling Kindersley, London / New York / Stuttgart 1991; Neudruck 1993, ISBN 0-86318-640-8, S. 118 f.
- ↑ Frequenztabellen der Grundtöne von Gitarre und Bassgitarre in Standardstimmung. (PDF) In: cloeser.org. Abgerufen am 20. Dezember 2023.
- ↑ a b Datenblatt. (PDF; 0,5 MB) cordial-cables.com; Markenkabel, welches eine Kapazität von 88pF/m bei 8 % Toleranz aufweist
- ↑ Wie Eingangsimpedanzen den Sound beeinflussen. Gitarre&Bass-Magazin.
- ↑ Celestion. In: Loudspeaker Database. Abgerufen am 20. Dezember 2023.
- ↑ Bacon: Gitarren-klassiker. 2007, S. 48 f.
- ↑ Bacon: Gitarren-klassiker. 2007, S. 57.
- ↑ a b Bacon: Gitarren-Klassiker. 2007, S. 54 f.
- ↑ Bacon: Gitarren-klassiker. 2007, S. 56 f.
- ↑ Bacon: Gitarren-klassiker. 2007, S. 58 f.
- ↑ Bacon: Gitarren-klassiker. 2007, S. 60 f.
- ↑ gibson.com ( vom 10. Juli 2013 im Internet Archive)
- ↑ Test: Ibanez RG2228A. In: wrock-tv.com. Abgerufen am 3. Juni 2024 (deutsch).


_-_with_hint_lines_and_numbers.png)