EZ80-DIT
Das Mikrocomputersystem EZ80-DIT wurde 1977 entwickelt und ab 1978 als Lerncomputer in der handwerklichen Ausbildung und der überbetrieblichen Weiterbildung eingesetzt.
Der EZ80-DIT besteht aus einer veränderten Version des NEC-Einplatinencomputers TK-80 (TK: Training Kit). Der EZ80-DIT ist ausgestattet mit dem µPD8080A (kompatibel mit dem 8-Bit-Mikroprozessor Intel 8080), einer achtstelligen Siebensegment-LED-Anzeige und einer Tastatur für Hexadezimalziffern.
Das Gerät ermöglicht die Entwicklung und Abarbeitung von Programmen in Maschinensprache. Das System wurde mit Schaltplan und Beispielprogrammen, dem Monitorprogramm, ausgeliefert.

Die zusätzliche Ausstattung gegenüber dem Einplatinencomputer TK-80:
- pultförmiges Metallgehäuse
- Netzspannungsversorgung für +12V und +5V
- binäre Eingabeschalter für die Bedienung
- Datensicherung bei Netzausfall
Geschichte

Der EZ80-DIT wurde vom Ingenieurbüro Kammerer 1977 entwickelt und vom Unternehmen Roederstein, Landshut bis Ende 1982 gefertigt. Der Vertrieb erfolgte durch die Ditratherm Halbleiter Vertrieb GmbH, Landshut. Der Mikrocomputer EZ80-DIT wurde in der Handwerklichen Ausbildung und Überbetrieblichen Weiterbildung eingesetzt um das Verständnis zu Aufbau und Arbeitsweise des Mikrocomputers zu vermitteln. Ab 1981 wurde der EZ80-DIT vom Profi-50 Mikrocomputersystem abgelöst.
Allgemeines

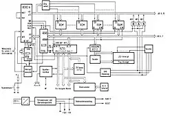
Der Systemaufbau ist aus dem nebenstehenden Bild ersichtlich. Nach Anlegen der beiden Versorgungsspannungen +12 Volt und +5 Volt und Betätigen der Reset-Taste startet das Monitorprogramm im ROM den Funktionsablauf. Das Monitorprogramm dient zur Eingabe der Daten und Befehle in den Speicherbereich des EZ80-DIT. Der Schreib-Lesespeicher ist als CMOS-RAM ausgeführt und durch 2 Batterien bei Stromausfall gepuffert. Die für den Mikroprozessor 8080A benötigte negative Substratspannung von −5 Volt wird auf der Platine erzeugt.
Eingabe-Ausgabe-Interface

Die Ein-/Ausgabe erfolgt über ein programmierbares Peripherie-Interface (µPD8255). Dieser Baustein wird sowohl vom System für das Kassetteninterface, die Tastatur- und Schalterabfrage genutzt als auch vom Anwender zur Dateneingabe über Schalter und Datenausgabe über Leuchtdioden.
Auf der Rückseite des EZ80-DIT Mikrocomputersystems sind die drei 8-Bit-Ports des µPD8255 über 2mm Buchsen herausgeführt. Zur Eingabe von binären Werten kann die Eingabeeinheit ES80 an einen der Ports angeschlossen werden. Die acht Schalter der ES80-Einheit erzeugen jeweils ein TTL-kompatibles Signal, das als High- bzw. Lowpegel über ein Programm eingelesen werden kann. Die Pegel der Schalterstellung werden über acht rote LEDs im ES80 angezeigt. Zur Ausgabe von binären Werten wird die Ausgabeeinheit AS80 eingesetzt. Die AS80-Einheit verfügt über acht LEDs, die den Wert des Ausgabeports anzeigen. Über die verschieden farbigen Leuchtdioden lässt sich programmtechnisch eine Ampelsteuerung realisieren.
Binäreingabe
Ein Schalterfeld mit 15 stabilen Kippschaltern ermöglicht unabhängig von der Tastatur die Steuerung des EZ80DIT-Systems über 8 Datenschalter und 7 Steuerschalter.
Tastatureingabe
Das Tastaturfeld besteht aus 25 großflächigen Tasten, 16 Tasten für die hexadezimale Eingabe und 9 Steuertasten. Die Abdeckhauben der Tasten sind abnehmbar, so dass auch eine individuelle Beschriftung des Tastenfeldes möglich ist. Über Software kann mit Ausnahme der LÖ-Taste jeder Taste eine beliebige Funktion zugewiesen werden. Die Tastatur ist über Software entprellt. Durch das programmierbare Peripherie-Interface (µPD8255) wird das Tastaturfeld abgefragt. Von den E/A-Kanälen dienen zwei Leitungen der seriellen Datenübertragung.
Anzeigen
Acht rotleuchtende Siebensegment-LED-Anzeigen (10 mm hoch, 6,5 mm breit, mit Digitalpunkt) werden zur Darstellung von Adressen, Befehlen und Daten im Multiplexverfahren angesteuert. Über das komfortable Monitorprogramm kann das Anzeigensystem auch zur Darstellung von Symbolen, Alarmsignalen, Quittungsanzeigen sowie festen und beweglichen Schriften verwendet werden. 5 Leuchtdioden signalisieren die Flag-Zustände, die außerdem als Hexadezimalzahl sichtbar gemacht werden können. Eine Leuchtdiode ist zur Anzeige des Eingangspegels bei seriellem Datenverkehr vorgesehen. Die Betriebsspannungen + 5V und + 12V werden ebenfalls durch Leuchtdioden angezeigt.
Datenspeicherung
Die Umwandlung von Serial- in Paralleldaten und umgekehrt läuft unter Steuerung des Monitorprogramms. Der Zusatz einer Modulator-Demodulator-Einheit erlaubt den Anschluss eines handelsüblichen Kassettenrekorders. Die Datenübertragungsgeschwindigkeit beträgt 110 Bit/s. Der Kassettenrekorder kann dann als externer Speicher genutzt werden. Die Steuerung erfolgt ebenfalls über das Monitorprogramm.
Lautsprecher
Zusammen mit dem Serial-Ein-/Ausgang schaltet der Schalter DE einen NF-Verstärker mit Lautsprecher an den Kanal C, Anschluss 2^1 (Port C Bit 1). Neben der Funktionskontrolle eines laufenden Programmes ist auch die Wiedergabe von elektronischer Musik, Quittungssignalen oder Warnsignalen möglich.
Technische Daten

- CPU µPD8080A
- Taktfrequenz 2,048 MHz (18,432 MHz Quarz)
- ROM-Bereich 1024 Byte (max.) 4 Stück µPD464D (256 × 4 Bit CMOS)
- RAM-Bereich 512 Byte erweiterbar auf 1024 Byte (max.) 4 (8) Stück µPD5101-E (256 × 4 Bit CMOS)
- Speicherzugriffszeit < 800ns
- 8-Bit Parallel-E/A, 3 Kanäle (Eingang und Ausgang programmierbar) µPD8255
- Eingabe über Tastaturfeld mit 25 Tasten (16 Hexadezimalziffern, 9 Funktionstasten)
- Anzeige über Hexadezimalanzeige, 8-stellig mit 7-Segment-LED-Anzeigen
- Serial-Ein-Ausgabe-Einheit, Datenrate 110 Bit/s
- Bedienung Einzelschritt und Dauerbetrieb
- Datensicherung: Kurzzeit-Datenschutz im RAM durch elektronische Schaltung bis 15 Min. und zusätzlicher Langzeitdatenschutz über 2 Trockenbatterien (2×1,5V)
- Spannungsversorgung +5VDC ±5 %, 0,9A und +12VDC ±5 %, 0,15A
- Arbeitsbereich 0 Grad Celsius ... 50 Grad Celsius
- Abmessungen 310 × 180mm (Leiterplatte), 500 × 400 × 150 (Gerät im Koffer)
Prototyp



Bereits 1976 wurde von Joseph Kammerer am Elektronik Zentrum München EZM ein Prototyp erstellt und getestet. Das Gerät mit den Abmessungen 500 × 300 × 100 mm lieferte wichtige Erkenntnisse für die Serienproduktion.
Literatur
- Betriebshandbuch EZ80-DIT. Firmengruppe Roederstein
- Rolf Gräf, Josef Kammerer: Lehrbuch IV C – Mikrocomputer. 1. Auflage. Richard-Pflaum-Verlag, München 1979, ISBN 3-7905-0285-5.
Weblinks
- mrks.de
- IPSJ Computermuseum (NEC TK-80)
- Eintrag bei Oldcomputers.net (NEC TK-80)
- system-cfg.com (NEC TK-80)
- techcn.com.cn (NEC TK-80)