EWSD

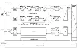
Blockschaltbild der digitalen Vermittlungsstelle EWSD

EWSD war ein Produktname für elektronische Telefonvermittlungssysteme der Siemens AG, welche 2007 durch Nokia Siemens Networks (wurde später zu Nokia Solutions and Networks) übernommen wurde und als Produkt 2017 eingestellt wurde. Die Bezeichnung ist auf die Abkürzung des Begriffes Elektronisches Wählsystem Digital zurückzuführen.

Einsatzgebiet

Vermittlungsstellen vom Typ EWSD für öffentliche Telefonnetze konnten, wie Vermittlungsanlagen anderer Hersteller auch, entweder als Ortsvermittlungsstelle, als Fernvermittlungsstelle (landesweit) oder als Kombination aus beiden geliefert werden. Aber auch als DIVA (Auslandsvermittlungsstelle) bezeichnet.

Es gibt unterschiedliche Varianten für Festnetz und Mobilfunk: C-Netz, D-Netz (als GSM-900). Kunden von EWSD-Vermittlungsanlagen waren z. B. Telekommunikationsfirmen wie die Deutsche Telekom, M-net, Versatel, Colt Technology Services, QSC, Telekom Austria, Vodafone oder dtms. Siemens gab an, EWSD-Anlagen in über 120 Länder verkauft zu haben.

Geschichte

Entwickelt wurde das System von der Siemens AG. Es war die zweite Generation elektronischer Wählsysteme von Siemens nach dem System EWSA (Elektronisches WählSystem Analog). Firmen wie DeTeWe und Bosch bauten das System in Lizenz. Die erste EWSD-Anlage von Siemens wurde 1980 in Hamburg als Fernvermittlung in Betrieb genommen, wo sie das bis dahin verwendete analoge Vermittlungsverfahren ablöste. Kurz darauf folgten die erste EWSD-Ortsvermittlungsstelle in Hamburg-Wandsbek. In Österreich wurde ab 1981 eine angepasste Version (OES-E) eingesetzt. Von DeTeWe wurde die erste EWSD zur Fernvermittlung 1985 in Betrieb genommen, ein Jahr später die erste von DeTeWe gebaute digitale Ortsvermittlungsstelle.[1] DeTeWe PCN realisierte vermittelnde Netzknoten an über 180 Standorten. Die Deutsche Telekom verwendet EWSD von Siemens und das System 12 bzw. S12 von SEL bzw. Alcatel. Der Anteil von EWSD-Anlagen ist größer als der Anteil des System 12, da alle Fern- und Auslandsvermittlungsstellen in EWSD aufgebaut wurden, im C-Netz nur EWSD zum Einsatz kam und auch das D-Netz als erstes GSM-Netz von beiden Netzanbietern nur in EWSD-Technik aufgebaut wurde. Siemens stellte 2003 die eigene Hardwarefertigung ein und löste den Geschäftsbereich EWSD zum 31. Dezember 2005 auf. Das System „EWSD“ war seinerzeit das weltweit meistverkaufte Festnetz-Vermittlungssystem. Siemens hat mit der Weiterentwicklung von EWSD zu VoIP (Sprachübertragung über das Internetprotokoll) den Anschluss ans Internetzeitalter geschafft. Dies war die Symbiose von bisheriger digitaler Fernsprechtechnik und IP (Internet Protocol). Sprache und IP-Pakete der Teilnehmer wurden „gemeinsam“ verpackt versendet, im Fernmeldeamt wieder gesplittet in Daten- und Sprachpakete, so dass die Vermittlung (Verbindung der Sprachteilnehmer) über den aus EWSD-Tagen vorhandenen sehr leistungsfähigen digitalen Switch möglich war. Es existierte aber auch schon eine Weiterentwicklung auf ATDM-Basis (Asynchronous Time Division Multiplexing), um Leitungen aller vorhandenen Telekommunikationsprotokolle wie ISDN, IP, VoIP und ATM daran anschließen zu können und über einen ATM-Switch zu vermitteln. Die Konkurrenz der Netzwerktechnikanbieter im IP-Bereich wie Cisco, Juniper und Huawei, war damals schon sehr groß.

Die Produktreihe gehörte seit 2007 zu Nokia (NSN), wurde seit 2007 nicht mehr aktiv vermarktet und 2017 eingestellt.[2]

Im Jahr 2018 waren EWSD-Anlagen nur noch als OVST in Betrieb.

Konstruktion

Die Baugruppen stecken vertikal in Baugruppenrahmen, deren Rückwand die elektrischen Verbindungen zwischen ihnen herstellt. Mehrere Baugruppenrahmen werden übereinander in einem Gestellrahmen untergebracht, der wie ein Schrank mit Türen auf Vorder- und Rückseite verschlossen wird. Die Baugruppen sind von vorne zugänglich, Kabel werden auf der Rückseite verbunden. In der obersten Ebene einer Gestellreihe befindet sich die Sicherungsschiene. In der untersten Ebene befinden sich Lüfter, die für eine Luftzirkulation im Schrank sorgen. Dadurch wird die Abwärme der Baugruppen abgeleitet. Ein EWSD-System kann aus mehreren Schränken bestehen, was als Gestellreihe bezeichnet wird. Die Kabel können über einen Flächenrost unter der Raumdecke oder über einen doppelten Boden zugeführt werden.

Hardware

Die Hauptkomponenten einer EWSD-Anlage sind

  • CP (Central Processor oder Coordination Processor)
  • MB (Message Buffer)
  • CCNC (Common Channel Network Control), in neueren Switchen durch SSNC (Signalling System Network Control) abgelöst
  • LTG (Line Trunk Group)
  • DLU (Digital Line Unit)
  • SN (Switching Network, Koppelfeld)

Alle zentralen Systemeinheiten sind redundant aufgebaut. So kann in einem Fehlerfall die nicht vermittelnde Seite den Betrieb sofort übernehmen.

Das Anschlussteil DLU nimmt die analogen sowie die ISDN-Teilnehmeranschlussleitungen auf und wandelt u. a. die analogen Signale in digitale Signale um (eine der BORSCHT-Funktionen einer Teilnehmerschaltung). Die digitalen Signale werden einem Kanal eines PCM-Systems zugeordnet. Digitale Anschlussleitungen, zum Beispiel ein ISDN-Basisanschluss, werden direkt einem PCM-Kanal zugeordnet. In der DLU wird der Verkehr konzentriert und an die LTG Typ B weitergeleitet. Dazu kommt noch die Aufnahme von PCM30-Systemen, zum Beispiel Primärmultiplexanschlüsse oder V5.2 gesteuerte Access Netze. Deren Anschaltung an das Koppelnetz erfolgt ebenfalls über LTG Typ B. Weitere Funktionen für die Steuerung der Verbindung, wie Erzeugen der Rufspannung und Aufnahme der Wahlinformationen (Impulswahlverfahren, Mehrfrequenzwahlverfahren) sind in die DLU integriert. Das Anschlussteil wird vom Gruppenprozessor gesteuert. DLU können in abgesetzten peripheren Einheiten (APE) betrieben werden. Für die Verbindung über PCM30 zu anderen Vermittlungsstellen wird die LTG Typ C verwendet. Dort wird auch die Signalisierung für diese Verbindungen terminiert. Verschiedene Signalisierungssysteme können dabei zum Einsatz kommen, zum Beispiel SS7, MFC R2, IKZ, E&M.

Das Koppelfeld besteht aus Raumkoppelstufen mit 4 Raumkoppelvielfachen, 16/16 (16 Eingängen und 16 Ausgängen) sowie einer Zeitkoppelstufe mit 16 Zeitkoppelvielfachen mit 4 Aus- und Eingängen (4/4). In der Zeitkoppelstufe findet die räumliche und die zeitliche Umsetzung der Kanäle statt. Die Steuerung übernimmt der Koordinationsprozessor CP.

Folgende Arten der Koordinationsprozessoren gibt es:

  • CP 103 mit max. 22.000 Verbindungsversuchen in der Hauptverkehrsstunde
  • CP 112 mit max. 60.000 Verbindungsversuchen in der Hauptverkehrsstunde
  • CP 113D mit bis zu einer Million Verbindungsversuchen in der Hauptverkehrsstunde
  • CP 113C mit bis zu sechs Millionen Verbindungsversuchen in der Hauptverkehrsstunde (C für Compact)
  • CP 113E mit bis zu zehn Millionen Verbindungsversuchen in der Hauptverkehrsstunde

Software

Die Software der EWSD nennt sich APS (Application Program System). Das APS befindet sich auf einer Festplatte und ist ein eigenes, von Siemens unter Beteiligung von Bosch speziell für EWSD-Anlagen entwickeltes Betriebssystem. Es ist vorwiegend in der Programmiersprache CHILL programmiert. Die Anwendersoftware ist vermittlungsspezifisch und dient unter anderem zur Verkehrslenkung, Wegsuche und zur Erfassung der Gebühren. Die Support-Software dient zum Generieren von Daten, Übersetzen von Programmen, Binden von Modulen sowie zur Verwaltung der Bibliotheken. Die Betriebs- und Datenkommunikationssoftware dient für die Zusammenarbeit der Wartungszentren und der Vermittlungsstellen.

Technische Daten

  • Anzahl Teilnehmerleitungen bis 250.000
  • Anzahl Verbindungsleitungen 240.000
  • durchschaltbarer Verkehr 25.200 Erlang
  • Verbindungsversuche in der Hauptverkehrsstunde 10 Millionen
  • Betriebsspannungen 48 V -, 60 V -, 90 V -
  • Verzonung (Gebührenzonen) 127 Zonen, je Zone 6 Tarife
  • Tarifumschaltung im 15-minütigen Rhythmus
  • Platzbedarf bei 10.000 Teilnehmerleitungen 35 m²

Literatur

  • Otfried Georg: Telekommunikationstechnik. Springer Verlag, Berlin / Heidelberg 1996, ISBN 3-540-61381-1.
  • P. Gnanasivam: Telecommunication Switching and Networks. New Age International Limited Publishers, New Delhi 2005, ISBN 81-224-1583-0.
  • Axel Pink, Heinz Koßmann: Software-Entwicklung für Kommunikationsnetze. Springer Verlag, Berlin / Heidelberg 2002, ISBN 3-642-62792-7.
  • Wolf-Dieter Haaß: Handbuch der Kommunikationsnetze. Springer Verlag, Berlin / Heidelberg 1997, ISBN 3-642-63825-2.

Einzelnachweise

  1. Das digitale elektronische Wählsystem EWSD (Memento vom 7. April 2005 im Internet Archive) Beschreibung EWSD auf DeTeWe PCN
  2. Siemens® EWSD Digital Electronic Switching System (Memento vom 20. Oktober 2017 im Internet Archive) (englisch)