ESD-Simulationsmodelle
Im Rahmen von ESD-Simulationsmodellen werden künstlich und reproduzierbar elektrostatische Entladungen (englisch electrostatic discharge, ESD) durch Prüfgeräte erzeugt, um den Schutz vor elektrostatischen Entladungen in den Auswirkungen zu prüfen und die verschieden stark ausgeprägt Funktion der ESD-Schutzeinrichtung in elektronischen Geräten zu bewerten.
ESD-Entladungen können ungeschützte elektrische Bauelemente zerstören, vor allem mikroelektronische Bauelemente. Geschützte elektronische Geräte können durch ESD in der Funktion gestört werden und es kann zu temporären Fehlfunktionen wie beispielsweise einen Computerabsturz kommen. Für die Untersuchung und Bewertung der Auswirkungen von ESD gibt es verschiedene ESD-Entladungsmodelle.

ESD-Entladungsmodelle
Stressmethoden mit zwei galvanischen Verbindungen
Eine Schaltung wird derart aufgebaut, dass es einen kompletten leitungsgebundenen Strompfad für die Entladung gibt. Der Entladestrom fließt also in einen Bauelemente-Anschluss hinein und aus einem anderen wieder heraus. Da im Prinzip alle Kombinationen von Anschlüssen getestet werden müssen, kann es bei vielbeinigen Bauelementen (bei integrierten Schaltungen sind heute 1000 Anschlüsse nicht ungewöhnlich) zu einer hohen Anzahl von Kombinationen kommen. Der Test kann also sehr lange dauern, bzw. es kann sehr aufwendig sein, die relevanten (zerstörerischen) Kombinationen herauszufinden.
HBM – Human Body Model
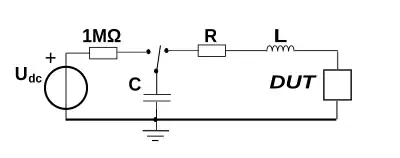
Das ist historisch das älteste Modell, ausgehend von der Entladung eines menschlichen Körpers mit weniger als 40 kV. Der menschliche Körper hat eine typische Kapazität von ca. 100 pF bis 300 pF und einen elektrischen Widerstand R von rund 1500 Ω (Hautwiderstand, Funkenstrecke). Bei Aufladung auf z. B. 10 kV werden 10 mJ als Energie gespeichert und die Ladung beträgt 2 µC. Die Anstiegszeit der Entladungsflanke liegt im Nanosekundenbereich, die Stromspitzen erreichen bis 20 A bei Fingerspitzenentladung.
Abgesehen von der Historie wird beim HBM eine bestimmte Kapazität durch einen recht großen, ohmschen Widerstand entladen. Der Strom ist daher allein durch den Widerstand bestimmt und nicht durch parasitäre Kapazitäten und Induktivitäten, die Kurvenform ist gut gedämpft und oszilliert nicht. HBM-Aufbauten sind daher heute sehr gut reproduzierbar.
MM – Machine Model
Die Grundidee ist hier die Entladung einer Maschine gegen ein Bauelement. Da ein metallischer Kontakt vorausgesetzt wird, ist der Widerstand im Gegensatz zu HBM sehr klein. Die Kapazität ist dagegen etwas größer und die Leitungsinduktivität gewinnt stark an Einfluss. Es ergibt sich daher eine schwach gedämpfte Schwingung mit einer mittleren Frequenz um 20–100 MHz. Wegen des kleinen Widerstandes sind die Stromspitzen bei MM typisch 10-fach höher als bei einem HBM-Aufbau mit gleicher Vorladespannung. Die Parameter LRC des MM sind weniger genau genormt und realisiert als der dominante Parameter R bei HBM-Modellen, daher ist die Reproduzierbarkeit schlechter.
System Level Model
Hier gibt es noch uneinheitliche Vorschläge, die sich an der Idee „Mensch mit Schraubendreher“ orientieren, etwa bei Manipulationen von fertigen Geräten im Servicebereich. D.h. im Gegensatz zu HBM tritt ein metallischer Kontakt vom Gerät zur Hand mit Schraubendreher auf, der einen sehr harten, kurzen, ersten Stromstoß bis zu 30 A verursacht, überlagert von der langsameren Entladung der Restkapazität des Armes und Rumpfes. Dementsprechend enthält die Modellschaltung zwei Ladungsspeicher mit entsprechenden Widerständen. Einzelne Bauelemente können gegen solche rabiaten Ereignisse nicht oder nur mit unwirtschaftlichem Aufwand geschützt werden. Das ist jedoch nur in Ausnahmefällen gefordert, weil sich die Untersuchung nicht mehr um die Handhabung der einzelnen Bauelemente dreht, sondern um die von fertigen Geräten oder Platinen mit mehreren Bauelementen. Dabei können natürliche Funkenstrecken und Bauelemente wie Kondensatoren, oder spezielle ESD-Schutzbauelemente die meiste Energie aufnehmen, so dass die extremen Stromspitzen nicht mehr an den empfindlichen Bauelementen ankommen.
Stressmethoden mit Verschiebestrom
CDM – Charged-Device Model
Entladungen eines aufgeladenen Bauelementes – z. B. bei Bestückungsvorgängen – gegen leitende Teile, treten so auf, dass nur ein Anschluss das leitende Teil (z. B. die Maschine) berührt. Der Stromkreis schließt sich durch die Kapazität des Bauelementes gegenüber der Maschine, also nicht galvanisch, sondern durch einen Verschiebestrom. Die Kapazität des entstehenden RLC-Serienkreises ist also relativ klein und hängt von dem Bauelement selbst ab und seinem Abstand zu leitenden Oberflächen. Die Parameter R und L sind extrem klein. Die Entladung ist demnach extrem schnell. Je nach Herstellungstechnologie können die internen Schutzschaltungen der Bauelemente noch reagieren oder auch nicht. Im Gegensatz zu den anderen Methoden mit zwei galvanischen Anschlüssen sind die Entladepfade im Bauteil weniger durch Signalanschlüsse als durch die Versorgungsanschlüsse charakterisiert. Das führt auch zu anderen Fehlerbildern. Die (langsame) Aufladung des Bauelementes kann drahtgebunden oder mit Hilfe einer Feldplatte erreicht werden, dieser Umstand allein ist für die Messung ohne Bedeutung. Sehr große Bedeutung haben dagegen die parasitären Elemente des Aufbaus (LRC). Aus diesem Grund unterscheidet man verschiedene Arten von CDM-Geräten. Der Scheitelwert des Stromes und die Kurvenform sind noch weniger von der Vorladespannung und dem Messgerät abhängig, so dass die Vergleichbarkeit der Ergebnisse nur auf Grund der Vorladespannung allein nicht gegeben ist.
ESD-Entladungsmodelle zur Untersuchung von Einstrahlfestigkeit
ESD-Pistolen

Es gibt auch „ESD-Prüfpistolen“ zur Erzeugung von Überschlägen und Kontaktentladungen nach der IEC/EN 61000-4-2:2008-Norm und anderen, harmonisierten Normen. Im praktischen Einsatz sind die erzeugten Strompulse sehr variabel, weil die Umgebungsbedingungen (Abstände zu leitenden Flächen, Länge und Lage des Erdungskabels usw.) stark variieren und die erzeugten Frequenzen im Verhältnis zur Größe der Stromschleife hoch sind. Die Entladung kann über einen 2 Ohm Reihenwiderstand an einem geeigneten Oszilloskop gemessen werden.
Simulation elektrostatischer Entladungen nach IEC/TR 61340-1

Tabelle – Typische Werte von Modellen für die ESD-Simulation
| Modell | R (Ω) | C (pF) | L (nH) |
| HBM | 1 000 – 3 000 | 100 – 300 | Parasitär |
| CDM | < 10 | 3 – 30 | Parasitär |
| MM | 8,5 | 200 | 0,5 |
Weblinks
- Part 1: An Introduction to ESD. EOS/ESD Association, Inc., 2013, abgerufen am 1. Juli 2016 (englisch).
- Part 2: Principles of ESD Control. EOS/ESD Association, Inc., 2013, abgerufen am 1. Juli 2016 (englisch).
- Part 5: Device Sensitivity and Testing. EOS/ESD Association, Inc., 2010, abgerufen am 1. Juli 2016 (englisch).
- Transient Immunity Testing - Handy Guide. (pdf; 2,3 MB) Teseq AG Schweiz, abgerufen am 1. Juli 2016 (englisch).
- www.din.de/DIN IEC/TR 61340-1:2014/Elektrostatik – Teil 1: Elektrostatische Vorgänge – Grundlagen und Messungen