Colt M1911
| Colt M1911 | |
|---|---|
| |
| Allgemeine Information | |
| Zivile Bezeichnung | Colt M 1911 / M1911A1, Government |
| Militärische Bezeichnung | Pistol, Caliber .45, Automatic: M1911 / M1911A1[1] |
| Entwickler/Hersteller | John Moses Browning, Colt’s Patent Firearms Mfg. Co. siehe auch Hersteller |
| Entwicklungsjahr | 1906 bis 1910 |
| Produktionszeit | seit 1911 |
| Modellvarianten | 1911, 1911A1 |
| Waffenkategorie | Pistole |
| Ausstattung | |
| Gesamtlänge | 219 mm |
| Gesamthöhe | 137 mm |
| Gesamtbreite | 31,5 mm |
| Gewicht (ungeladen) | 1,14 kg |
| Lauflänge | 127,8 mm |
| Technische Daten | |
| Kaliber | .45 ACP (11,43 × 23 mm), .380ACP, .22lr |
| Mögliche Magazinfüllungen | 7 .45 ACP Patronen |
| Munitionszufuhr | Stangenmagazin |
| Feuerarten | Einzelfeuer |
| Anzahl Züge | 6 |
| Drall | links |
| Visier | Offene Visierung |
| Verschluss | Browning-System |
| Ladeprinzip | Rückstoßlader mit kurz zurückgleitendem Lauf |
| Listen zum Thema | |
Die Pistole Colt M1911 (U.S. Pistol, Caliber .45 Model of 1911 – alias „Colt Government“) ist eine Selbstladepistole. Sie wurde im Auftrag der Firma Colt von John Moses Browning auf der Basis des von ihm entwickelten Browning-Systems zur Fertigungsreife gebracht. 1911 wurde sie als Ordonnanzpistole der US-Streitkräfte eingeführt und erst 1985 von der Beretta M9 abgelöst. Sie wird von Colt und anderen Herstellern in verschiedenen Varianten angeboten.
Geschichte
Nachdem die US Army den Revolver Colt Single Action Army M1873 im Kaliber .45 Colt (11,4 mm) durch den Colt M1892 im Kaliber .38 Long Colt (9,6 mm) ersetzt hatte, wurde während des Philippinisch-Amerikanischen Krieges festgestellt, dass die Mannstoppwirkung der neu verwendeten Munition im Kaliber .38 ungenügend war. Als erste Maßnahme wurden die alten Colt M1873 wieder an die Truppe abgegeben. Für die zukünftige Ausrüstung der Armee wurde die Entwicklung von Faustfeuerwaffen im Kaliber .45, vorzugsweise von Selbstladepistolen, ausgeschrieben, worauf sich diverse Firmen an die Entwicklung solcher Waffen machten.
Browning hatte bereits vor 1900 eine halbautomatische Pistole mit einem 6-Zoll-Lauf im Kaliber .38 zur Verwendung der Patrone .38 ACP (9 × 23 mm, Automatic Colt Pistol – später mit stärkerer Ladung als .38 Super bekanntgeworden) entwickelt, die unter der Bezeichnung „Model of 1900“ von Colt hergestellt wurde. Als Browning vom Interesse der U.S. Armee für eine Waffe im Kaliber .45 erfuhr, entwarf er auf der Basis des Model 1900 seinen Vorgänger, die Colt Model 1905 – Pistole mit einem 5-Zoll-Lauf im Kaliber .45 ACP.
Bei den am 28. Dezember 1906 auf Befehl des Kriegsministeriums der Vereinigten Staaten initiierten Ausscheidungstests der Armee ging die Waffe zusammen mit einer Pistole der Firma Savage Arms in Führung. Nach weiteren Versuchsreihen entschied das Modell von Colt die Ausscheidungstests für sich. Das Colt-Modell wurde nun intensiven Prüfungen durch die US Army unterzogen, zu Testzwecken 1907 bei zwei Kavallerie-Einheiten der US Army eingeführt und nach einigen Änderungen und Verbesserungen gegenüber dem Modell von 1905 schließlich im März des Jahres 1911 zum vorläufigen Sieger der Ausschreibung und zur offiziellen US-Dienstwaffe erklärt. Die Änderungen bezogen sich im Wesentlichen auf folgende Punkte: Der Lauf war beim Model 1905 noch mit zwei Kettengliedern – eines am vorderen und eines am hinteren Ende – mit dem Rahmen verbunden; der Lauf wurde beim Rücklauf parallel hinuntergezogen. Beim Model 1911 wurde das vordere Kettenglied durch eine Hülse ersetzt. Die schwache Schlagbolzenfeder, die über einen beweglich gelagerten Hahnsporn mit dem Hahn verbunden ist, wurde durch eine Schraubendruckfeder ersetzt. Die Form des Hammers („Hahn“), der zuvor abgerundet war und von dem man damit beim Spannen abrutschen konnte, wurde verbessert. Die Griffstücksicherung erlaubte das Abfeuern der Waffe nur bei fester Handhaltung. Das Griffstück, welches ursprünglich steil nach unten gerichtet war, bekam einen flacheren Winkel.
Weitere Tests, die man im Jahre 1911 unternahm, beinhalteten u. a. eine Schussserie von 6.000 Schuss. Die Pistole wurde nach jeweils 1000 Schuss gereinigt, nach den 6000 Schuss mit fehlerhafter Munition getestet, in Säure getaucht, mit Sand und Schlamm verschmutzt und weiter abgefeuert. Nachdem die Waffe alle Tests überstanden hatte, wurde sie am 29. März 1911 als Ordonnanzwaffe „U.S. Pistol, Calibre .45 of 1911“ eingeführt.


Von Juli 1915 bis April 1919 wurden insgesamt, über mehrere Verträge, mehr als 15.000 Exemplare des M1911 in den Kalibern .45 ACP und .455 Webley Automatic an das britische Kriegsministerium geliefert, hauptsächlich zur Verwendung in der Royal Navy und dem Royal Flying Corps. 1942 wurde ein Großteil dieser Waffen an die Royal Air Force ausgegeben, diese trugen auf dem Griffstück die von Hand nachgestempelten Insignien „R.A.F.“, und rechtsseitig auf dem Verschluss die Bestempelung „COLT AUTOMATIC CALIBRE 455“. Auf dem Magazin ist bei den Waffen die Bestempelung „.455 Eley“ zu finden.[2][3] Verschiedene Quellen geben eine unterschiedliche Munitionsbezeichnung für diese Modelle an, die Bestempelung der Waffe selbst gibt keine genaue Auskunft, und die des Magazins eine ggf. umstrittene. Die vielfach erwähnte Patrone im Kaliber .455 Webley ist faktisch eine Revolverpatrone, die im britischen Webley-Revolver Verwendung fand. Die ebenfalls oft erwähnte und in der Magazinbestempelung attestierte Patrone .455 Eley ist aber eine Colt-Revolverpatrone. Beide Patronen verfügen also über so genannte „Rim Cartridges“ (Randhülsen). Obwohl es geänderte Modelle des M1911/M1911A1 gibt, welche Revolverpatronen verschießen, wurde für die britischen Modelle die Patrone „.455 Webley Automatic“ mit „semi-rimmed cartridge“ (Teilrandhülse) verwendet. Diese Patrone wurde ursprünglich für die 1913 entwickelte Pistole „Webley & Scott Pistol Selfloading“ verwendet. Die Konfusion über verwendete .455er Kaliber[4] und deren Bezeichnungen ist mit der unscharfen Namensgebung der verschiedenen Munitionssorten und mit der daraus resultierenden Vorsicht bei der Bestempelung – vor der Verwendung falscher Munition – zu erklären.
1923 wurde die Pistole modernisiert und erhielt als Modell M1911A1 u. a. ein gewölbtes Schlagfedergehäuse, ein runderes Korn, einen kürzeren Schlaghahnsporn, einen kürzeren Abzug und ein längeres Griffstücksicherungshorn (um das Einklemmen der Hand durch den Hammer zu verhindern, „hammer bite“). Die Version A1 unterscheidet sich vom Basismodell nur geringfügig. Bis zu ihrer Ausmusterung aus der US Army 1985 wurde die Waffe dann unverändert als Ordonnanzwaffe geführt.[1]
1985 wurde die M1911A1 durch die Beretta 92FS ersetzt. Bei Sportschützen weltweit sind 1911-Derivate (z. B. Safari Arms Matchmaster) beliebt.
Bei der Wehrmacht wurden Varianten des Colt M1911 offiziell verzeichnet und auch als Beutewaffe genutzt. Eine Übersicht dazu findet sich in der Liste von Selbstladepistolen gemäß den Kennblättern fremden Geräts D 50/1.
Modellchronologie
- 1905 Browning-Colt .45 Automatic Pistol
- 1911 Colt Pistol Modell 1911
- 1923 Colt Pistol Modell 1911A1
- 1933 Colt First National Match
- 1949 Colt Commander
- 1957 Colt Gold Cup National Match (Abb.)
- 1970 Colt Mark IV 70 Series
- 1971 Colt Combat Commander
- 1983 Colt Mark IV 80 Series
- 1985 Colt Government Stainless Steel
Technik

Die Pistolen der 1911er Baureihe sind halbautomatische Rückstoßlader mit dem nach dem Erfinder benannten verriegelten Browning-Verschluss. Bereits 1895 stellte Browning dem Vize-Präsidenten von Colt, John Hall, eine Selbstladepistole vor, die auf dem Prinzip des Maschinengewehrs Colt-Browning Mod 1895, einem Gasdrucklader funktionierte. Parallel dazu arbeitete Browning an der Entwicklung von Rückstoßladern mit Masseverschluss, die später in Belgien als FN Browning Modell 1900 im Kaliber 7,65 mm gefertigt wurden.
John Hall, der die Zukunft der Selbstladepistole voraussah, schlug Browning vor, sein System für Pistolen in militärtauglichen Kalibern weiterzuentwickeln und bereits Mitte 1896 präsentierte Browning einen Parallel Ruler genannten schussbereiten Prototyp im Calibre 38 ACP Rimless Smokeless, bei dem der Lauf am vorderen und hinteren Ende mit einem Kettenglied (en: link) mit dem Rahmen verbunden ist und beim Rücklauf zum Entriegeln parallel nach unten gezogen wird. Oberhalb des Patronenlagers befinden sich zwei Verriegelungskämme, die in Aussparungen auf der Innenseite des Verschlusses greifen und diesen so mit dem Lauf verbinden. Der erste in Serie hergestellte Parallel Ruler war der Colt Modell 1900, der letzte das Military Model 1905 im Kaliber .45.

Da das System mit zwei Kettengliedern für die starke .45 Patrone nicht geeignet war, wich Browning bei der Entwicklung der amerikanischen Armeepistole von diesem System ab. Beim Prototyp 1908 und den folgenden Entwicklungsstufen bis zum M1911 lagerte der Lauf vorne in einer Hülse und nur das hintere Kettenglied verband ihn mit dem Rahmen. Das Kettenglied war an einem massiven Lagerblock hinten am Lauf angelenkt. Zudem wurde der Lagerblock vorne mit einer Führungskurve versehen, die zusammen mit dem Kettenglied das Laufende zur Verriegelung wieder nach oben brachte und den Lauf beim Abschuss in verriegelter Stellung hielt.
Die Funktion des MODEL OF 1911 US ARMY ist folgende: Nach dem Schuss zieht das Kettenglied das Laufende mit fortschreitender Rückwärtsbewegung nach unten. Dabei werden die oben am Lauf angebrachten Verriegelungskämme aus den im Schlitten eingefrästen Nuten gezogen, der Verschluss wird entriegelt. Der Lauf schlägt mit der hinteren Fläche des Lagerblocks auf das Widerlager im Griffstück und wird damit in Ladeposition gestoppt. Der Schlitten läuft weiter nach hinten, spannt Schließfeder und Hahn, wird durch die Schließfeder wieder nach vorne gebracht und schiebt die nächste Patrone aus dem Magazin ins Patronenlager. In der letzten Phase der Rücklaufbewegung wird der Lauf wieder nach vorne und durch das Kettenglied und die Führungskurve nach oben gebracht und verriegelt, die Waffe ist schussbereit.
Bei späteren Entwicklungen ersetzte Browning das Kettenglied durch eine Kulisse, die den Lauf abkippte und wieder nach oben verriegelte. Er erlebte aber die Anwendung dieser Verbesserung beim FN Browning HP Mod. 1935 nicht mehr, da er 1926 starb. Heute nutzt eine überwiegende Mehrheit der modernen Großkaliberpistolen dieses Verriegelungssystem.
Das MODEL OF 1911 US ARMY verfügt über einen Single-Action-Abzug und vier Sicherungen. Eine manuelle Sicherung, die mit dem Daumen bedient wird, befindet sich hinten links am Griffstück und blockiert Verschluss und Hammer. Die Waffe kann mit der manuellen Sicherung nur im gespannten Zustand gesichert werden. Die zweite Sicherung ist die Griffstücksicherung, die eine Schussabgabe nur erlaubt, wenn der Pistolengriff fest umfasst ist. Die dritte Sicherung ist die Halbstellungsraste des Schlaghammers. Zur Verwendung der Halbstellungsraste ist es nötig, den Abzug, bei gespannter Waffe, unter gleichzeitigem Festhalten des Hammers vorsichtig zu betätigen. Dabei wird der Hammer langsam nach vorn, in seine Halbstellungsraste geführt. Die Waffe bleibt gespannt, vor der Schussabgabe muss der Hammer wieder in seine hintere Position gezogen werden. Die vierte Sicherung ist das Trennstück, das dafür sorgt, dass die Waffe nicht mit geöffnetem, resp. nicht verriegeltem Verschluss, betätigt werden kann. So ist auch die Schussabgabe mit hart „aufgesetztem Lauf“ nicht möglich.
Damit der Hahn nach der Vorwärtsbewegung des Schlittens weiter gespannt bleibt und nicht sofort wieder fällt, enthält die Abzugsgruppe ein Trennstück ("disconnector"). Dieses wird beim Nachladevorgang über eine Nase auf der Unterseite des Schlittens nach unten gedrückt und löst so die Verbindung zwischen Abzug und Hahn ("sear"). Die Verbindung wird erst wieder beim Loslassen des Abzugs hergestellt und die Waffe wird erneut feuerbereit. Ohne diese Einrichtung wären Fehlfunktionen die Folge ("hammer-follow") oder die Waffe könnte unter Umständen auf Dauerfeuer übergehen.
Der Schlagbolzen wird durch eine Feder komplett im Verschluss verborgen gehalten, auch dann, wenn die Waffe entspannt ist. Da er dadurch nicht auf dem Zündhütchen der Patrone ruhen kann, sind Unfälle sehr unwahrscheinlich: Es müsste der Schlagbolzen durch Stoß oder Fall der Waffe derart aus seiner Ruhelage gegen die Feder beschleunigt werden, dass er alleine durch Massenträgheit das Zündhütchen mit ausreichendem Impuls treffen könnte.
Das Magazin der M1911 und M1911A1 fasst sieben Patronen des Kalibers .45 ACP.
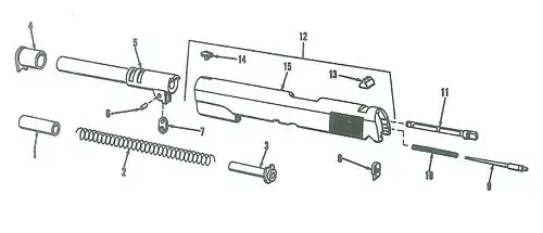
| Major groups (Hauptgruppen) |
Slide group (Verschlussgruppe) |
Receiver group (Griffstückgruppe) |
Item Teil |
|---|---|---|---|
![]() |
![]() |
![]() |
![]() |
| Magazine, Cartridge (Magazin) |
Plug, Recoil Spring (Hülse, Verschlussfeder) |
Safety, Small Arms (Sicherungsflügel) |
1 |
| Stop, Slide (Schlittenfanghebel) |
Spring, Helical, Compression, Recoil (Verschlussfeder) |
Pin, Mainspring Housing (Schlagfedergehäusestift) |
2 |
| Guide, Recoil Spring (Verschlussfederführung) |
Safety, Gun Grip (Griffstücksicherung) |
3 | |
| Bearing, Barrel (Laufführung) |
Housing, Assembly, Mainspring (Baugruppe Schlagfedergehäuse) |
4 | |
| Barrel, Pistol (Pistolenlauf) |
Pin, Spring, Tubular (Federstift) |
5 | |
| Pin, Barrel Link (Stift, Verschlusssteuerungsstück) |
Loop, Lanyard, U Shape (Öse, Pistolenfangschnur) |
6 | |
| Link, Barrel (Verschlusssteuerungsstück) |
Housing, Mainspring (Schlagfedergehäuse) |
7 | |
| Stop, Firing Pin (Schlagbolzenhaltestück) |
Pin, Straight, Headed, Mainspring Housing (Kopfstift, Schlagfedergehäuse) |
8 | |
| Pin, Firing (Schlagbolzen) |
Pin, Straight, Head, Mainspring Cap (Kopfstift, Schlagfederkappe) |
9 | |
| Spring, Helical, Compression, Firing Pin (Schlagbolzenfeder) |
Spring, Helical, Compression, Housing Assembly (Schlagfeder) |
10 | |
| Extractor, Small Arms Cartridge (Auszieher) |
Plunger, Detent (Federlagereinsatz) |
11 | |
| Slide, Automatic Pistol (Baugruppe Pistolenschlitten) |
Spring, Sear (Abzugsfeder) |
12 | |
| Sight, Rear, Open Notch Type (Visierkimme) |
Pin, Straight, Headed, Hammer (Kopfstift, Schlaghahnachse) |
13 | |
| Sight, Front, Blade Type (Visierkorn) |
Hammer, Firing, Small Arms (Schlaghahn) |
14 | |
| Slide (Schlitten) |
Pin, Straight, Headless, Hammer Strut (Stift, Schlaghahnabstützung) |
15 | |
| Strut, Hammer (Schlaghammersporn) |
16 | ||
| Pin, Straight, Headed, Sear (Kopfstift, Hahnraste) |
17 | ||
| Sear (Hahnraste) |
18 | ||
| Disconnector, Receiver Assembly (Unterbrecher) |
19 | ||
| Catch, Magazine (Magazinhalteknopf) |
20 | ||
| Lock, Magazine Catch (Magazinhalteknopfschraube) |
21 | ||
| Spring, Helical, Compression, Magazine Catch (Magazinhalteknopffeder) |
22 | ||
| Trigger (Abzug) |
23 | ||
| Pin, Straight, Headless, Ejector (Stift, Auswerfer) |
24 | ||
| Ejector, Cartridge (Auswerfer) |
25 | ||
| Screw, Machine, Grip (Griffschalenschraube) |
26 | ||
| Grip, Pistol, LH, Plastic, Checkered (Kunststoffgriffschale links) |
27 | ||
| Grip, Pistol, RH, Plastic, Checkered (Kunststoffgriffschale rechts) |
28 | ||
| Bushing, Stock Screw, Receiver Assembly (Griffstückgewindeeinsatz) |
29 | ||
| Plunger, Safety (Raststift, Sicherungsflügel) |
30 | ||
| Spring, Helical, Compression, Plunger (Raststiftfeder) |
31 | ||
| Plunger, Slide Stop (Raststift, Schlittenfanghebel) |
32 | ||
| Tube, Plunger (Raststiftgehäuserohr) |
33 | ||
| Receiver (Pistolengriffstück) |
34 |
Hersteller
- Zur Ausrüstung der US-Streitkräfte und ihrer Alliierten stellten neben Colt folgende Firmen M1911- und M1911A1-Pistolen her:
- Remington-UMC (Erster Weltkrieg)
- Springfield Armory (Massachusetts) (Erster Weltkrieg)
- North American Arms Company, Quebec, Kanada (Erster Weltkrieg)
- Singer Manufacturing Company, Elizabeth, NJ (Zweiter Weltkrieg)
- Union Switch & Signal Company, Swissvale, PA (Zweiter Weltkrieg)
- Remington Rand Inc. (Zweiter Weltkrieg)
- Ithaca Gun Company Inc. (Zweiter Weltkrieg)
- Nach 1945 wurde die Waffe von diversen Firmen sowohl in Lizenz als auch illegal nachgebaut. Derivate wurden oder werden u. a. von folgenden Herstellern gefertigt:
- Arcadia Machine and Tool (Abkürzung AMT)
- Dan Wesson
- Kimber
- Les Baer
- Norinco
- Para-Ordnance
- Peters Stahl
- HCG
- KPS
- Rock Island Arms
- SIG GSR
- Safari Arms / Olympic Arms
- Springfield Armory, Inc., Geneseo, Illinois,
- STP Sport Target Pistol Germany
- RBF International Ltd. Germany
Sonstiges
- Die Pistole M1911 war in mancherlei Hinsicht richtungsweisend. Wie bereits erwähnt, wird ihr Verschlusstyp von den meisten großkalibrigen Pistolen mit verriegeltem Verschluss genutzt. In seiner reinen Form wurde dieses System u. a. in der sowjetischen Pistole Tokarew TT-33 verwendet, in abgewandelter Form beispielsweise in der Bundeswehrpistole HK P8 und der schweizerischen SIG P210. Viele moderne Großkaliber-Sportpistolen sind im Grunde detailverbesserte Varianten der Colt 1911.
- Während der gesamten Einsatzzeit der M1911 beschwerten sich regelmäßig Schießausbilder der US-Streitkräfte, dass es unmöglich sei, mit dem vorgegebenen Aufwand unerfahrene Rekruten zu ausreichend sicheren Schützen mit der starken .45er-Waffe auszubilden. Diese Probleme waren einer der Gründe für die Einführung des leichten M1 Carbine-Gewehres.
- Aufgrund ihres stärkeren Kalibers .45 ACP (11,43 × 23 mm) im Vergleich zur 9×19-mm-Patrone der meisten Ordonnanzpistolen der Wehrmacht war die Pistole M1911 im Zweiten Weltkrieg bei deutschen Offizieren der Westfront als Beutewaffe begehrt. Die Waffe wurde in der Wehrmacht offiziell als Pistole 660 (a) geführt.
- Für das Modell M1911A1 gibt es unterschiedliche Conversion Units (Wechselsysteme) auf verschiedene Kaliber (z. B. .22 lfB, .40 S&W, 10 mm Auto und andere, darunter auch auf Büchsenkaliber, um sie als Contender-Pistole für das Stahlplattenschießen nutzen zu können).
- Eine andere Art der Conversion (des Umbaus) war es, aus der halbautomatischen Pistole eine mit Vollautomatik zu machen. Eine der ersten, zur vollautomatischen Waffe modifizierten M1911, soll J. Edgar Hoover – ehemaliger Chef des FBI – gehört haben.
- Aufgrund der manuellen Sicherung kann der Colt M1911 „cocked and locked“ getragen werden, d. h. der Hahn ist gespannt, die Waffe fertig geladen, aber gesichert.
- 2011 erklärte der US-Bundesstaat Utah die Waffe zu einem seiner mehr als 20 offiziellen Staatssymbole.[6]
Literatur
- Dave M. Lauck: Tactical 1911. The Street Cop’s and SWAT Operator’s Guide to Employment and Maintenance. Paladin Press, Boulder CO 1998, ISBN 0-87364-985-0.
- Edward Scott Meadows: U.S. Military Automatic Pistols. Band 1: 1894–1920. Richard Ellis Publications, Moline IL 1993.
- Patrick Sweeney: Gun Digest Book of the 1911. A Complete Look at the Use, Care and Repair of the 1911 Pistol. 2 Bände. Krause Publications, Iola WI 2001–2006, ISBN 0-87349-281-1 (Bd. 1), ISBN 0-89689-269-7 (Bd. 2).
- R. L. Wilson: The Book of Colt Firearms. 2nd edition. Blue Book Publications, Minneapolis MN 1993, ISBN 0-9625943-7-7.
- William Goddard: The development of the Colt Model of 1911. Andrew Mowbray Pub 1988, ISBN 0-917218-24-8.
- Full auto conversion for Colt .45 or similar pistols by C. J. Michal JR – US Patent no. 2,056,975 – 1936
- US-War Department, FM 23-35, (Basic Field Manual – Automatic Pistol, Caliber .45 M1911 and M1911A1), April 1940 bei ibiblio.org (PDF; 4,3 MB)
- Leroy Thompson: The Colt 1911 Pistol, Bloomsbury Publishing, 2011, ISBN 978-1-84908-836-7. (81 Seiten online-PDF) ( vom 15. Mai 2018 im Internet Archive)
Weblinks
- Colt M1911. In: SALW Guide (technische Daten, Verbreitung, Abbildungen).
- Animiertes Schnittmodell eines 1911er Modells (Zur Visualisierung der Funktionsprinzips; Flash; 13 kB)
- Ausführlicher Bericht zu Tests und Einführung (engl.)
- Funktionsweise des Colt M1911 (Animation) Auf YouTube. Abgerufen am 28. Oktober 2022 (deutsch)
Original Colt Modell 1911
Einzelnachweise
- ↑ a b TM 9-2200 Small Arms, Light Field Mortars, and 20-mm Aircraft Guns. In: US-Department of War (Hrsg.): War Department technical Manual. TM 9-2200. Washington D.C. 4. Oktober 1943, OCLC 6336779, S. 6–7 (Textarchiv – Internet Archive).
- ↑ Donald B. Bady: Colt Automatic Pistols. Borden Publishing
- ↑ William H. Goddard: The Government Models: The Development of the Colt Model 1911. Andrew Mowbray Pub., ISBN 0-917218-24-8
- ↑ The Confusing .455s ( vom 25. Juli 2011 im Internet Archive) International Ammunition Association
- ↑ Department of the Army Technical Manual, TM 9-1005-211-35, Pistol, Caliber .45, Automatic: M1911A1
- ↑ US-Bundesstaat Utah: Gesetz erklärt Schusswaffe zum Wahrzeichen. In: Spiegel Online




