Blumleingenerator
Der Blumleingenerator, in Bezug zu Lasern und seltener auch als Blümleingenerator und in unterschiedlichen Bezug auch als Inversionsschaltung oder LC-Inversionsschaltung bezeichnet, ist eine Bauform von Impulsgeneratoren für die Erzeugung von kurzen elektrischen Pulsen mit hoher Momentanleistung.[1]
Anwendungsbereiche liegen unter anderem im Bereich der Impulstechnik zur Erzeugung von Rechteckimpulsen um Sprungantworten messtechnisch ermitteln zu können. Weitere Anwendungen sind die räumlich und zeitliche Kompression elektromagnetischer Energie bei Fusionsexperimenten. Einer der weltweit größten Blumleingeneratoren in diesem Anwendungsbereich ist der Shiva Star am Los Alamos National Laboratory.[2] Kleinere Aufbauten von Blumleingeneratoren dienen als Impulsgenerator für gepulste Laser wie bei dem Stickstofflaser.
Aufbau und Funktion

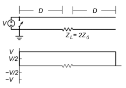
Der Blumleingenerator besteht, in nebenstehender Abbildung in vereinfachter Prinzipskizze dargestellt, aus zwei elektrischen Leitungsabschnitten der Länge mit einem Leitungswellenwiderstand die mit dem Lastwiderstand mit einem Widerstandswert von verbunden sind. Am rechten Ende der Leitung ist diese offen. Bei den beiden elektrischen Leitungsabschnitten spielt vor allem der Kapazitätsbelag, welcher im Rahmen der Leitungstheorie beschrieben wird, die dominante Rolle. Je nach konkreter Ausführungsform kann die Leiteranordnung auch noch durch zusätzliche Kondensatoren, ausgeführt als konzentrierte Bauelemente, ergänzt werden.[1]
Um den Generator zu starten, wird die Leitung mit der Länge zunächst auf eine Gleichspannung aufgeladen. Typisch sind einige 10 bis 100 Kilovolt. Dieser Vorgang dauert um einige Zehnerpotenzen länger als der Entladevorgang, bei größeren Blumleingeneratoren kann die Ladung einige Sekunden in Anspruch nehmen. Während und nach dem Ladevorgang liegt am Lastwiderstand keine Spannung an.
Der eigentliche Puls wird durch einen elektrischen Schalter, üblicherweise eine Funkenstrecke, am Anfang der Leitung eingeleitet. Sie schließt die Leitung kurz, woraufhin sich der Kurzschluss als Wanderwelle (Spannungsprung ) Richtung Lastwiderstand ausbreitet. Am Lastwiderstand mit dem Widerstandswert kommt es zu einem Sprung im Wert des Wellenwiderstandes auf Damit ergibt sich ein Reflexionsfaktor von und Transmissionsfaktor von , weswegen der reflektierte Anteil der Wandlerwelle mit der Amplitude zur Quelle zurück läuft. Die durchgehende Welle weist die Amplitude von auf und läuft zum Leitungsende. Ab diesem Moment liegt an der Lastimpedanz die Spannung an. Die beiden Wanderwellen werden jeweils an den Leitungsenden reflektiert, die Wanderwelle am kurzgeschlossenen Schalter wird mit Vorzeichenänderung der Amplitude reflektiert, die durchgehende Wanderwelle wird am offenen Leitungsende ohne Vorzeichenänderung zurück reflektiert, womit sie sich beim Eintreffen am Lastwiderstand aufheben. Bis zum Eintreffen der beiden Wellenfronten am Lastwiderstand liegt dort die Spannung an. Die Impulsdauer durch die Länge der Leitungen und durch die Laufzeit entlang der Leitung bestimmt, die von deren Dielektrikum abhängt.
In praktischen Aufbauen sind die Leitungen oft als Platten ausgeführt, als Isoliermedium zwischen den Platten dient manchmal Wasser, da es neben der hohen Dielektrizitätszahl von zur Erzielung eines möglichst hohen Kapazitätsbelages auch eine sehr hohe Impulsspannungsfestigkeit aufweist.[1]
Anwendung Gaslaser

Der Blümleingenerator wird zum Beispiel zur Anregung gepulster Gaslaser eingesetzt, ein populäres Beispiel sind querangeregte TEA-Stickstofflaser (TEA von Transversal Excited und Atmospheric pressure), die Luft bei Atmosphärendruck als Lasergas verwenden. Durch den vergleichsweise hohen Druck und die „Verunreinigungen“ (hauptsächlich Sauerstoff) ist hier die Lebensdauer der angeregten Zustände auf wenige Nanosekunden reduziert. Eine zum Pumpen des Gases verwendete elektrische Entladung muss daher ebenfalls innerhalb dieser Zeitspanne ablaufen.
Der Blümleingenerator erlaubt mit einem einfachen Aufbau die Erzeugung der nötigen kurzen Impulse, wenn die Komponenten und deren Parameter zueinander passen (z. B. Wellenwiderstand, Länge, Breite, Ort der Funkenstrecke, niedriginduktive Ankoppelung der Funkenstrecke).
Die über R im Bild oben angelegte Versorgungsspannung von einigen 10 kV (Batteriesymbol) lädt die mit der Unterlage 1 gebildeten beiden Platten (Streifenleitungen) 2 und 3 auf; der Ladestrom fließt ungehindert über die Spule, d. h. der Einfluss der Induktivität der Spule ist hier vernachlässigbar und die Platten befinden sich während des Ladevorgangs auf praktisch gleicher Spannung. Dieser Ladevorgang hält an, bis die Durchbruchsspannung der Funkenstrecke (schwarze Kugeln) erreicht wird. Die Leitfähigkeit der Funkenstrecke steigt sprungartig an und sie bildet quasi einen Kurzschluss. Es breitet sich eine Welle in Richtung des die Laserkavität bildenden Schlitzes unter aus. Die Induktivität der Spule ist so groß, dass sie ein Fortschreiten der Welle verhindert; die Laserentladung zündet (im Bild blaues Oval zwischen den Messerkanten). Die im Laserkanal parallel zu herrschende Spannungsdifferenz ist im Idealfall verdoppelt (siehe oben). Die dort beginnende Gasentladung, auch als Sekundärentladung bezeichnet, pumpt das Lasermedium und sorgt dabei für einen Laserimpuls, der selbst bei kleinen selbergebauten Anordnungen mehrere Kilowatt erreicht. Die Pumpentladung führt zum Ladungsausgleich. Sie hat eine sehr kleine Impedanz und daher müssen die Streifenleitungen sehr geringe Leitungsimpedanzen besitzen – sie sind sehr breit und haben einen hohen Kapazitätsbelag.
Im Anschluss werden die Platten wieder durch die Hochspannungs-Quelle geladen und der Ablauf beginnt im Abstand der durch Kapazität und Ladewiderstand bestimmten Zeitkonstante erneut.
Namensherkunft
Die Namensherkunft ist nicht eindeutig geklärt. In einem Artikel aus dem Jahr 1974 im Scientific American wird vom Autor der Impulsgenerator für einen Stickstofflaser mit der Bezeichnung englisch Blumlein line beschrieben, welche in der Anordnung dem eines Impulsgenerators mit Pulsformungsstufe von dem britischen Elektroingenieur Alan Blumlein entsprechen soll.[3] Dieser Name ist in Bezug zu Impulsgeneratoren bei Lasern umstritten.[4]
Einzelnachweise
- ↑ a b c Andreas Küchler: Hochspannungstechnik: Grundlagen – Technologie – Anwendungen. 3. Auflage. Springer, 2009, ISBN 978-3-540-78413-5, S. 135, 136.
- ↑ Fritz Herlach, Noboru Miura: High Magnetic Fields, Science and Technology. Theory and Experiments II. Band 3. World Scientific, 2006, ISBN 978-981-277-488-0, S. 243.
- ↑ Light and Its Uses. In: Scientific American. 1974, ISBN 0-7167-1185-0, Nitrogen Laser, S. 40–43.
- ↑ jossresearch.org: Your DiY Nitrogen Laser is NOT a Blumlein! ( vom 29. März 2017 im Internet Archive) (englisch)