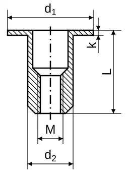
Blindnietmutter



M: Gewindedurchmesser
L: Gesamtlänge
k: Kopfstärke
d1: Kopfdurchmesser
d2: Schaftdurchmesser
Eine Blindnietmutter, auch Einnietmutter oder Nietmutter genannt, ist eine einteilige Gewindehohlniete, die vollständig von einer Seite aus montiert werden kann. Mit Blindnietmuttern kann ein wiederverwendbares Gewinde in dünnwandigen Bauteilen hergestellt werden. Sie dienen in der Regel für reine Schraubverbindungen, können aber auch in Kombination von Vernietung und zusätzlicher Verschraubung angewendet werden. Blindnietmuttern werden im Handwerk und nahezu allen Industriebereichen eingesetzt. Blindnietmuttern können auch hochautomatisiert gesetzt werden, wobei eine vollständige Prozessüberwachung möglich ist, und kommen daher in der Luftfahrt- und der Automobilbranche zum Einsatz.[1][2][3]
Funktionsweise
Eine Blindnietmutter ist aufgeteilt in 2 Bereiche, den Kopf und den Schaft. Der Schaft wiederum ist unterteilt in einen Bereich mit Gewinde und einen Bereich zur Deformation um den Nieteffekt zu erzeugen. Blindnietmutter werden mit Spindel-Hub-Verfahren gesetzt. Dabei wird zuerst die Blindnietmutter auf den Zugdorn aufgespindelt und danach der Zugdorn aus dem Werkstück herausgezogen. Es gibt zwei Arten: Die eine ist so konstruiert, dass sie auf der Rückseite der Platte eine Ausbuchtung bildet, wenn eine Schraube in ihrem Gewinde angezogen wird. Die andere wird ebenfalls mit einer Schraube angezogen, wird aber in die Hülse hineingezogen, anstatt eine Ausbuchtung zu bilden.

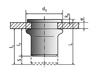
e: Klemmdicke
L: Gesamtlänge
S: Setzhub
l1: Blindseitiger Überstand vor dem Setzen
l2: Blindseitiger Überstand nach dem Setzen
dS: Spitzendurchmesser nach dem Setzen
ko: Kopfüberstand nach dem Setzen
Vorteile
- Mit Blindnietmutter lassen sich tragfähige Gewinde in dünnwandigen Bauteilen und Hohlprofilen herstellen
- Montage bei einseitiger Zugänglichkeit (blinde Montage)
- Keine Temperaturbelastung des Werkstücks bei der Montage
- Der Montageprozess von Blindnietmuttern ist voll automatisierbar
- Beim Setzen von Blindnietmuttern entstehen keine Nebenprodukte die die Umwelt belasten oder zusätzliche Arbeitsschutzmaßnahmen notwendig machen
- Unvollständig verformte Blindnietmuttern können durch erneutes Anziehen mit dem Setzdrehmoment häufig nachgearbeitet werden[4]
Nachteile
- Nach dem Setzen der Blindnietmutter muss das Gewinde nicht konzentrisch zur Bohrung im Werkstück sein.
- Bei Blindnietmuttern, insbesondere bei solchen mit geschlossenem Schaftende, muss zusätzlicher Bauraum für den blindseitigen Überstand vor dem Setzen vorgesehen werden.
- Im Hohlraum sollte genug Bauraum für den Spitzendurchmesser nach dem Setzen vorgesehen werden.
- Beim Setzen kann sich der Kopf aufwölben, sodass der Kopfüberstand nach den Setzen größer ist als vor dem Setzen. In der Regel ist die Aufwölbung aber so gering, dass sie optisch kaum wahrnehmbar ist.
- Ein verschlissener Zugdorn kann zu einer Beschädigung des Gewindes führen. Eine Prozessüberwachung erkennt einen verschlissenen Zugdorn nicht rechtzeitig.
- Beim Ausbohren einer Blindnietmutter, die nicht in Ordnung gesetzt wurde, kann die Bohrung im Werkstück beschädigt werden
- Beim Ausbohren einer Blindnietmutter in geschlossenen Hohlräumen verbleibt der Rest der Blindnietmutter lose in dem Hohlraum. Dieser Rest kann im fertigen Werkstück zu ungewollten Geräuschen führen.
Herstellung
Montageverfahren
Blindnietmuttern werden gesetzt, indem sie mit einem Gewindezugdorn plastisch verformt werden. Der Zugdorn muss den gleichen Gewindedurchmesser wie die Blindnietmutter haben und kann bei allen Werkzeugen ausgetauscht werden entweder um Blindnietmuttern mit unterschiedlichen Gewindedurchmessern zu setzen oder weil der Zugdorn nach vielen Setzvorgängen verschleißt. Die Montageverfahren unterscheiden sich dabei im Automatisierungsgrad und der Mobilität.

1: Aufspindeln der Blindnietmutter auf den Zugdorn
2: Blindnietmutter ins Werkstück einführen
3: Vernieten der Blindnietmutter
4: Abspindeln des Setzwerkzeugs
Blindnietzange/Handsetzgerät
Blindnietzangen bzw. Handsetzgeräte werden mit Muskelkraft betätigt. Es gibt verschiedene Wirkprinzipien, je nach Konstruktion des Werkzeugs. Da keine externe Energiequelle benötigt wird, ist dieses Montageverfahren hochmobil und kann auch auf Baustellen eingesetzt werden. Allerdings ist es nicht geeignet für große Stückzahlen. Bei diesen Werkzeugen muss die Blindnietmutter von Hand auf den Zugdorn aufgespindelt werden.
Elektrischen Setzpistole
Elektrische Setzpistolen sind in der Regel Akkugeräte. Für den Dauerbetrieb werden Austausch-Akkus benötigt. Die Zugkraft kann an diesen Geräten eingestellt werden und wird nicht über eine Hubbewegung des Zugdorns gesteuert, sondern indem der Zugdorn weitergedreht wird. Auch diese Setzgeräte sind hochmobil benötigen aber Strom zum Aufladen der Akkus. Die Blindnietmutter wird durch das Gerät selbst aufgespindelt, nachdem sie auf den Zugdorn aufgesetzt wurde. Elektrische Setzpistolen können Drehmoment- oder Drehwinkel-gesteuert betrieben werden.
Hydraulisch-Pneumatische Setzpistole
Hydraulisch-Pneumatische Setzpistolen arbeiten mit einem Druckluftanschluss und haben intern einen Druckübersetzer zu einer Hydraulik, die die Zugkraft zur Verfügung stellt. Diese Setzpistolen werden in der Regel genutzt, wenn ein fester Druckluftanschluss zur Verfügung steht und an einem Arbeitsplatz viele Blindnietmutter gesetzt werden. Diese Setzpistolen können Kraft- oder Weg-gesteuert betrieben werden. Die Blindnietmutter wird durch das Gerät selbst aufgespindelt, nachdem sie auf den Zugdorn aufgesetzt wurde.
Halbautomatische Setzpistole mit Prozessüberwachung
Halbautomatische Setzpistolen sind mit einem externen Steuergerät ausgestattet, dass alleinstehend mit vorprogrammierten Setzparametern arbeiten kann oder als Schnittstelle zu einer SPS oder einem IPC dienen kann. Über diese Schnittstelle können verschiedene Setzparameter für verschiedene Blindnietmutter gewählt werden. Gleichzeitig ermöglichen die Steuerung eine Prozessüberwachung mittels Kraft-Weg-Überwachung. Die Steuergeräte ermöglichen eine direkte Rückmeldung an den Werker, ob die Setzparamter eingehalten wurden. Gleichzeitig können die Steuergeräte zur Datenübertragung der Setzparameter an MES- oder CAQ-Systeme genutzt werden. Die Blindnietmutter wird durch das Gerät selbst aufgespindelt, nachdem sie auf den Zugdorn aufgesetzt wurde.
Setzkopf für Industrieroboter
Setzköpfe für Industrieroboter bieten eine vollautomatisierte Montagemöglichkeit für Blindnietmutter mit Taktzeiten von wenigen Sekunden pro Blindnietmutter. Dieses Montageverfahren ist für große Stückzahlen und hohe Wiederholgenauigkeit ausgelegt. Da der Setzkopf an einen Industrieroboter montiert wird, ist dieses Montageverfahren stationär gebunden. Die Blindnietmuttern werden als Schüttgut angedient und vollautomatisiert zum Setzkopf transportiert und aufgespindelt. Häufiges Rüsten für verschiedene Blindnieten würde die Verfügbarkeit des Roboters reduzieren und vollautomatische Zuführsysteme sind in der Regel auf einen Niettyp beschränkt. Daher ist ein Setzkopf optimal für einen einzigen Blindniettyp ausgelegt. Gleichzeitig ist dieses Verfahren daher auch auf prozessfähige Werkstücke angewiesen.
Stationäre Arbeitsplätze
Die Stationären sind im Gegensatz zu den anderen Setzverfahren werkstück- und nicht werkzeug-geführt. Dabei kann das Werkstück manuell oder automatisiert (z. B. mit einem Industrieroboter) unter das Setzwerkzeug geführt werden.
Varianten
Üblich sind Blindnietmutter mit Gewindegrößen M3 bis M12[2] und aus Stahl, Edelstahl, Aluminium oder Messing gefertigt.
Flachkopf
Eine Blindnietmutter mit Flachkopf bietet die maximale Auflagefläche auf dem Werkstück und lässt sich so leichter senkrecht zur Werkstückoberfläche ausrichten. Außerdem bietet sie große Auspresskäfte.
Kleiner Kopf
Blindnietmuttern mit kleinem Kopf haben einen kleinen Kopfüberstand. Die Auspresskraft bis zum Versagen der Blindnietmutter wird dadurch aber geringer.
Senkkopf
Blindnietmutter mit einem Senkkopf können bündig zur Oberfläche des Werkstücks gesetzt werden. Auch bei diesen Blindnietmuttertypen ist die Auspresskraft wesentlich geringer als bei der Flachkopf-Variante.

Rändelschaft


Wenn an die Verdrehfestigkeit spezielle Anforderungen gestellt werden, sind Blindnietmuttern mit Rändelschaft geeignet. Blindnietmuttern mit Rändelschaft sollten jedoch nur in relativ weichem Material wie Aluminium eingesetzt werden.
Außensechskant und Teilsechskant
Blindnietmuttern mit Außensechskant oder Teilsechskantform bieten hohe zulässige Drehmomentbelastungen der Blindnietmutter. Allerdings benötigen diese Blindnietmutter auch ein Sechseckloch für die Blindnietmutter, das aufwändiger herzustellen ist.
Spreizblindnietmutter
Spreizblindnietmuttern haben einen geschlitzten Schaft und einen längeren Deformationsbereich des Schafts und bilden, ähnlich einem Metallspreizdübel, einen blütenförmigen Wulst. Damit bieten sie hohe Auszugskräfte und einen großen Klemmbereich, aber ein geringeres zulässiges Drehmoment.
Geschlossenes Schaftende und Unterkopfdichtung
Bei einer Blindnietmutter mit geschlossenem Schaftende ist das Gewinde ähnlich einem Sackloch geschlossen. Eine Unterkopfdichtung ist ein Dichtungselement (z. B. ein O-Ring) unter dem Kopf der Blindnietmutter, das beim Setzen der Blindnietmutter verpresst wird. Eine Unterkopfdichtung bei einer Blindnietmutter ist in der Regel nur mit einem geschlossenen Schaftende sinnvoll. Mit einer solchen Blindnietmutter können Wasser- und Gas-dichte Verbindungen herstellt werden. Es gibt Hersteller die erreichen mit solchen Blindnietmuttern Schutzart IPX7.[5] Eine weitere Voraussetzung für solche Werte ist eine hohe Qualität der Bohrungen im Werkstück.
Korrosionsbeständigkeit
Die notwendige Korrosionsbeständigkeit gibt das Material der Blindnietmutter vor. Eine einfache verzinkte Blindnietmutter hält 200 h Salz-Sprüh-Nebel-Test aus. Blindnietmuttern aus Edelstahl, sofern nicht ferritisch kontaminiert, halten über 4000 h Salz-Sprüh-Nebel-Test aus.[6]
Einsatzgebiet
Blindnietmuttern werden im Handwerk und nahezu allen Industriebereichen eingesetzt.
Luftfahrt
In der Luftfahrt werden Nietmuttern häufig verwendet, um verschiedene Gegenstände wie statische Entladungsvorrichtungen und Inspektionsabdeckungen an der Oberfläche eines Flugzeugs zu befestigen. Nietmuttern sind ein idealer Ersatz für Schweißmuttern, da sie das Grundmaterial nicht verformen, Schweißspritzer vermeiden und in vielen verschiedenen Materialien wie Stahl, Kunststoff, Verbundwerkstoffen und Glasfasern angebracht werden können.
Automobil-Branche
Blindnietmuttern kommen in der Automobilbranche zur Befestigung sicherheitsrelevanter Bauteile wie Rückhaltegurte oder Airbags zum Einsatz. Zusätzlich werden Blindnietmuttern im Leichtbau und Karosseriebau verwendet. Blindnietmutter mit geschlossenem Schaft und Unterkopfdichtung kommen in Batteriegehäusen von Elektrofahrzeugen zum Einsatz.[4]
Anforderungen an das Bauteil
Lochgröße und -position
Die Lochgröße soll in der Regel nicht größer sein als das Schaftmaß der zu verwendenden Mutter plus 0,1 mm. Bei Einhaltung dieser Lochtoleranz verleiht die während des Setzvorganges eintretende Schaftausweitung der Mutter einen festen Halt auch gegen Verdrehung. Für Blindnietmuttern mit Senkkopf muss eine entsprechende Fase an der Bohrung vorgesehen werden. Für Außensechskant- und Teilsechskant-Blindnietmutter wird ein Sechskantloch benötigt. Nach dem Einbringen der Bohrung sollte das Werkstück im Bereich der Bohrung nicht mehr bearbeitet werden. Wird das Werkstück zum Beispiel nach dem Bohren noch einmal gebogen, kann das dazu führen, dass die Bohrung so verform wird, dass man die Blindnietmutter nicht mehr in die Bohrung einführen kann.
Klemmdicke
Neben der richtigen Auswahl von Gewindegröße und Werkstoff der Mutter ist in Abhängigkeit von der Klemmdicke der Klemmbereich der Mutter auszuwählen. Wenn die Klemmdicke an der Grenze des Klemmbereichs liegt, sollten Vorversuche durchgeführt werden. Z. B. können Blechdicken- bzw. Bohrlochtoleranzen evtl. den Einsatz einer Blindnietmutter mit größerem oder kleinerem Klemmbereich erforderlich machen.
Bauraum und Kopfüberstand
Bei dem notwendigen Bauraum müssen im Bauteil die verformte und die unverformte Blindnietmutter berücksichtigt werden. Dabei müssen die folgenden Effekte berücksichtigt werden:
- Der Zugdorn sollte so gewählt werden, dass er die komplette Länge des Gewindes im Eingriff hat. Entsprechend muss auf der Blindseite genug Platz für den Zugdorn vorgesehen werden.
- Beim Abstand der Bohrung im Werkstück zu Störkanten muss der Spitzendurchmesser des verformten Wulstes berücksichtigt werden.
- Der Blindnietmutterkopf kann sich abhängig vom Kopfdurchmesser und der Setzkraft leicht aufwölben.
Konzentrizität des Gewindes zur Bohrung
Da das Setzgerät nicht koaxial zur Bohrung geführt ist und der Zugdorn in dem gewindefreien Teils des Schafts Spiel hat, kann es dazu kommen, dass das Gewinde nicht konzentrisch in der Bohrung sitzt.
Verschleiß des Zugdorns
Ein verschlissener Zugdorn muss ausgetauscht werden, da das Gewinde der Blindnietmutter beschädigt werden kann. Der Zugdorn ist bei allen Montageverfahren austauschbar. Für große Stückzahlen bieten die meisten Anbieter die Möglichkeit, hochfeste Normschrauben als Zugdorn nutzen zu können. Dies hat den Vorteil, dass eine Schraube als Ersatzzugdorn günstig ist. Da häufig relativ lange Schrauben als Zugdorn genutzt werden und auch Schrauben als Massenprodukt gewissen Toleranzen unterliegen, sollten sie vor Einsatz mit Gewindelehrringen und auf Geradheit geprüft werden.
Anforderungen an automatisierte Fertigung
Zuführung von Blindnietmuttern
Blindnietmuttern werden in der automatisieren Fertigung in der Regel als Schüttgut an die Anlage angedient. Dabei sollten die BNM von außerhalb des Schutzbereichs zugeführt werden können. Das bedeutet diesem müssen vereinzelt und zum Nietkopf transportiert werden. Ein Vereinzeler (z. B. ein Rütteltopf) bring die Blindnietmuttern in eine definierte Position. Danach werden die Blindnietmutter mittels Druckluft über einen Schussschlauch einzeln zum Setzkopf gefördert.
Bohrungsposition
Diese geringe Toleranz für den Durchmesser der Bohrung bietet gleichzeitig wenig Spiel für die Positionstoleranz bei automatischen Setzvorgängen. Ein Setzkopf oder der Roboter, der den Setzkopf führt, muss daher die Möglichkeit zum Positionsausgleich haben. Dies gilt vor allem für Bauteile, bei denen durch das Herstellverfahren mit Bauteilschwanken zu rechnen ist (z. B. Schweißbaugruppen). Dazu kann der Setzkopf mit einer automatisierten Locherkennung (z. B. über eine Kamera) ausgestattet werden, sodass der Roboter die Position des Setzkopfs zur Bohrung korrigieren kann. Andere Setzköpfe haben einen begrenzten internen Toleranzausgleich.[7]
Kraft-Weg-Überwachung
Die Montage von Blindnietmutter kann mit einer Kraft-Weg-Überwachung ausgestattet werden. Diese Prozessüberwachung wird dabei für jeden Anwendungsfall einzeln ausgelegt und getestet, da Blindnietmutter und Klemmbreite die Setzparameter bestimmen. Moderne Steuerungen bieten Schnittstellen zu SPS und IPC und können die dokumentierten Setzparameter an MES oder CAQ-Systeme übertragen, sodass eine Rückverfolgbarkeit auf theoretisch jeden einzelnen Setzvorgang gewährleistet werden kann. Die Fähigkeit der Prozessüberwachung sollte ähnlich dem Montageverfahren nachgewiesen (z. B. mit einer MSA) werden.
Prozessfähigkeit
Blindnietmutter können prozessstabil gesetzt werden. Hersteller geben als Grenzwert einen erreichbaren cpk von 1,66 an.[2]
Serienbegleitende Prüfungen
Während der Serienproduktion kann die korrekte Vernietung mittels eine Drehmomentprüfung kontrolliert werden. Üblich ist eine zerstörungsfreie Drehmomentprüfung auf Solldrehmoment als Erststückfreigabe.
Es können auch zerstörende Drehmomentprüfungen genutzt werden. Dabei wird mit einem Drehmomentschlüssel so fest an der Blindnietmutter gedreht, dass sie durchdrehen und das Drehmoment dokumentiert. Bei zerstörenden Drehmomentprüfungen ist darauf zu achten, dass eine zerstörende Drehmomentprüfung von der Kopfseite das Ergebnis verfälschen kann, da durch das Funktionsprinzip die Blindniete nachgezogen wird. Zerstörende Drehmomentprüfungen sollten also aus Richtung der Blindseite gemacht werden. Gegebenenfalls muss dafür das Werkstück zerstört werden, um die Zugänglichkeit zu gewährleisten.
Eine weitere zerstörende Prüfung sind Auspress- oder Ausziehprüfungen. Dabei wird die Blindnietmutter ebenfalls so stark belastet, dass sie versagt und die Kräfte dokumentiert.
Bei zerstörenden Drehmomentprüfungen sollte vor der Prüfung kontrolliert werden, dass die Geometrie und das Material des Werkstücks zur Prüfung in Ordnung sind.
Nacharbeitsverfahren
Eine Blindnietmutter kann, wenn sie nicht vollständig umgeformt ist, noch einmal Setzkraftgesteuert nachgezogen werden. Eine Setzhub-Überwachung ist danach nicht mehr möglich. Sollte diese Nacharbeit nicht erfolgreich sein, muss die Blindnietmutter ausgebohrt und neu gesetzt werden.
Instandsetzung nach Kollision
Sollte es bei automatisierten Anlagen zu einer ungewollten Kollision, einem sogenannten Crash, kommen, muss der Setzkopf bei der Instandsetzung komplett geprüft werden. Selbst bei nicht sichtbaren Beschädigungen muss der Tool Center Point (TCP) prüfbar sein. Sollte der Setzkopf mit einer Kamera ausgestattet sein, muss die Ausrichtung von Kamera zu Zugdorn prüfbar sein.
Geschichte
Die erste Blindnietmutter wurde in den 1930er Jahren von BF Goodrich entwickelt und unter der Marke RIVNUT® verkauft. Sie wurde zunächst für die Befestigung von Enteisungsgummis an Tragflächen verwendet.[8]
Abgrenzung
- Einpressmuttern verformen das Werkstück und werden selbst nicht beim setzen nicht verformt. Daher zählt eine Einpressmutter nicht zu den Blindnietmuttern
- Hohlnieten mit Innengewinde die nicht den Zweck haben ein tragfähiges Gewinde zu erzeugen, sondern nur der Vernietung dienen sind keine Blindnietmuttern. In der Regel ist das Gewinde wesentlich kürzer
Weblinks
- Einsatz einer Blindnietmutter in Edelstahlrohr – Montage einer Blindnietmutter
Einzelnachweise
- ↑ AUTORIV BI Blind Inserts - Blindnietmuttern und Blindnietschrauben. Abgerufen am 20. April 2023.
- ↑ a b c RIVKLE® Blindnietmuttern und -schrauben. Böllhoff Gruppe, abgerufen am 20. April 2023.
- ↑ BLINDNIETMUTTERN Sichere Gewinde für vielfältige Bereiche. gesipa.de, abgerufen am 20. April 2023.
- ↑ a b RIVKLE® Blindnietmuttern und Blindnietschrauben. In: boellhoff.com/de-de. Boellhoff Group, abgerufen am 20. April 2023.
- ↑ RIVKLE® Seal Ring. In: boellhoff.com/de-de. Böllhoff Gruppe, abgerufen am 20. April 2023.
- ↑ Blind Rivet Nuts. Stanley Engineered Fastening, 2017, abgerufen am 1. August 2023 (englisch).
- ↑ AUTORIV A230 - Mobile Roboterwerkzeuge. autoriv.com, abgerufen am 20. April 2023.
- ↑ Smith, S. 111–112.