7 mm Remington Magnum
| 7 mm Remington Magnum | |
|---|---|
| |
| Allgemeine Information | |
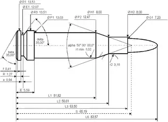
| Kaliber | 7 mm Remington Magnum 7 mm Rem. Mag.[1][2] |
| Hülsenform | Gürtelhülse mit Auszieherrille |
| Maße | |
| Geschoss ⌀ | 7,23 mm |
| Patronenboden ⌀ | 13,51 mm |
| Hülsenlänge | 63,50 mm |
| Patronenlänge | 83,57 mm |
| Gewichte | |
| Geschossgewicht | 7–11 g |
| Technische Daten | |
| Geschwindigkeit v0 | ca. 870–1100 m/s |
| max. Gasdruck | 4300 (CIP) Bar |
| Geschossenergie E0 | ca. 4000–4500 J |
| Listen zum Thema | |
Die Patrone 7 mm Remington Magnum (Kurzbezeichnung: 7 mm Rem. Mag.) ist eine Gewehrpatrone, die von Remington Arms 1962 gemeinsam mit dem Gewehr Remington Model 700 vorgestellt wurde.
Beschreibung

Die Patrone ist ein Vertreter der „Belted Magnum-Familie“, d. h. es ist eine Gürtelpatrone mit Gürtel vor dem Hülsenboden und wurde u. a. von der .375 H&H Magnum abgeleitet. In der Gruppe der 7-mm-Remingtion-Patronen sind folgende Patronen bekannt:
- .280 Remington (7 mm Express Remington)
- 7 mm BR Remington (Bench Rest)
- 7 mm Remington Magnum
- 7 mm Remington Ultra Magnum (RUM)
- 7 mm Remington Short Action Ultra Magnum (SAUM)
- 7 mm-08 Remington
Die 7-mm-Remington Magnum basiert auf ähnlichen Patronen wie der .264 Winchester Magnum, .338 Winchester Magnum und .458 Winchester Magnum, die auf den gleichen .300 H&H Magnum- und .375 H&H Magnum-Gehäusen mit Gürtel basierten und auf fast die gleiche Länge getrimmt wurden wie die .270 Weatherby Magnum.
Ballistische Daten
Die Patrone wird meist mit Projektilen zwischen 7 und 11 Gramm geladen. Die Geschossenergie liegt zwischen etwa 4.050 bis 4.450 Joule. Das Geschoss dieser Patrone hat eine gestreckte Flugbahn und ist daher für weitere Entfernungen geeignet. Dies sowohl bei der Jagd, als auch in Scharfschützengewehren (Ersatz für .300 Winchester Magnum). Die 7-mm-Remington Magnum verfügt mit den meisten verfügbaren Geschossgewichten und -arten eine vergleichsweise bessere Ballistik als die Patrone .30-06 Springfield. Eine verbreitete Ladung erfolgt mit einem 160 Grains (ca. 10,4 Gramm) Spitzgeschoss, mit dem etwa eine Mündungsgeschwindigkeit 910 m/s erreicht werden kann.
Literatur
- Frank C. Barnes, Layne Simson, Dan Shideler: Cartridges of the World: A Complete and Illustrated Reference for Over 1500 Cartridges. 12. Auflage. Gun Digest Books, Iola WI 2009, ISBN 978-0-89689-936-0 (englisch).
- Roland Zeitler: Wiederladen für Jagd und Sport. Verlag J. Neumann-Neudamm, Melsungen 2009, ISBN 978-3-7888-1228-7 (Inhaltsverzeichnis Online).
- 7 mm Remington Magnum. In: Western Powders (Hrsg.): Reloading & Load Data Guide. 6. Auflage. 2010, S. 45–46 (Online [PDF]).
Weblinks
- 7mm Remington Magnum bei reloadbench.com ( vom 28. September 2011 im Internet Archive)
- Ladedaten für Kaliber „7 mm Rem. Mag.“
Einzelnachweise
- ↑ C.I.P., Datenblatt: 7 mm Rem. Mag. (PDF; 35,6 kB) ( vom 23. Oktober 2022 im Internet Archive)
- ↑ Frank C. Barnes, Layne Simson, Dan Shideler: Cartridges of the World: A Complete and Illustrated Reference for Over 1500 Cartridges. 12. Auflage. Gun Digest Books, Iola WI 2009, ISBN 978-0-89689-936-0, S. 41–42 (englisch).
